TNPA4250 Board Repair

Collapse
X
 
  • Time
  • Show
Clear All
new posts
  • tom66
    EVs Rule
    • Apr 2011
    • 32560
    • UK

    #101
    Re: TNPA4250 Board Repair

    I think the 55V line is ERC midpoint, i.e. connected to the blue poly caps on the right of the board (load of 2.2uF ones next to each other IIRC.)

    If so it should measure about 1/2 of Vsus in operation and hardly vary from this. 55V is much too low, it indicates the ER path is not working. This can be for a number of reasons, it could be the SUS path is malfunctioning or the ER path is malfunctioning (or both) or something common to them.
    Please do not PM me with questions! Questions via PM will not be answered. Post on the forums instead!
    For service manual, schematic, boardview (board view), datasheet, cad - use our search.

    Comment

    • canadaboy25
      What is normal?
      • May 2013
      • 509
      • Canada

      #102
      Re: TNPA4250 Board Repair

      So it has something to do with this M81707FP High Voltage Half Bridge Divider?
      Attached Files

      if you find these attachements useful please consider making a small donation to the site

      canadaboy25

      -Sometimes the light at the end of a tunnel is an on-coming train

      Comment

      • canadaboy25
        What is normal?
        • May 2013
        • 509
        • Canada

        #103
        Re: TNPA4250 Board Repair

        Well I pulled the scope out and tested all of the pins of the chip.

        I attached a pinout of the chip and all of the attached waveforms have the name of the pin they correspond to on them.

        From what I can tell pins HIN and LIN don't seem right to me because it's just a bit of low-voltage noise.
        Attached Files

        if you find these attachements useful please consider making a small donation to the site

        canadaboy25

        -Sometimes the light at the end of a tunnel is an on-coming train

        Comment

        • hennes
          New Member
          • Mar 2015
          • 5
          • germany

          #104
          Re: TNPA4250 Board Repair

          ...your Hin Lin looks like open loop.

          You have good connection to the control board ??

          Comment

          • tom66
            EVs Rule
            • Apr 2011
            • 32560
            • UK

            #105
            Re: TNPA4250 Board Repair

            Yes, it looks like there is a problem with signals reaching that IC.
            Please do not PM me with questions! Questions via PM will not be answered. Post on the forums instead!
            For service manual, schematic, boardview (board view), datasheet, cad - use our search.

            Comment

            • canadaboy25
              What is normal?
              • May 2013
              • 509
              • Canada

              #106
              Re: TNPA4250 Board Repair

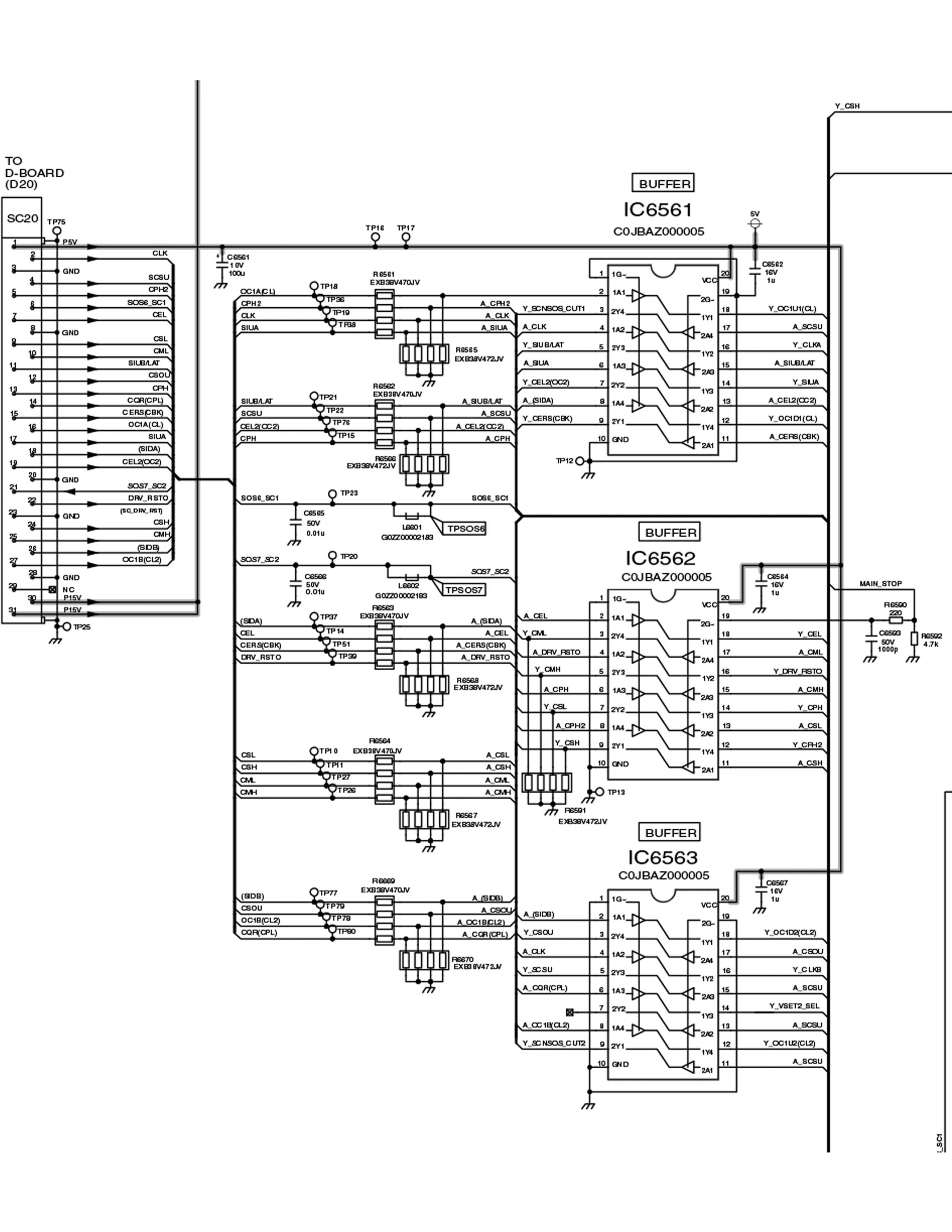
              Well I drew some signal paths on the image attached. I'm assuming this is how the signals are supposed to run?

              If so the only thing on this board that can be damaged are the resistor networks or the Octal Bus Buffer 74VHC244? Otherwise it would have to be on the D board. At least that is my understanding.
              Attached Files

              if you find these attachements useful please consider making a small donation to the site

              canadaboy25

              -Sometimes the light at the end of a tunnel is an on-coming train

              Comment

              • hennes
                New Member
                • Mar 2015
                • 5
                • germany

                #107
                Re: TNPA4250 Board Repair

                ...follow these signals to the control board.
                Maybe they are switched of because of the sos signal.

                On other TV s ,this signal source keeps working unless control board is bad...

                Comment

                • tom66
                  EVs Rule
                  • Apr 2011
                  • 32560
                  • UK

                  #108
                  Re: TNPA4250 Board Repair

                  The buffer IC, or control board, could be bad if the signals are missing elsewhere along that chain. Also note the buffer IC is tristate and disabled by the "MAIN STOP circuit" - at least for one half. Worth checking the voltage at that point.
                  Please do not PM me with questions! Questions via PM will not be answered. Post on the forums instead!
                  For service manual, schematic, boardview (board view), datasheet, cad - use our search.

                  Comment

                  • canadaboy25
                    What is normal?
                    • May 2013
                    • 509
                    • Canada

                    #109
                    Re: TNPA4250 Board Repair

                    Sorry for not posting for a long time, have been busy with other stuff.

                    I got around to testing the board and there is a signal at the one side of the buffer but no signal at the other. There is also 5 volts at the corresponding control pin.

                    I have attached a picture of this.
                    Attached Files

                    if you find these attachements useful please consider making a small donation to the site

                    canadaboy25

                    -Sometimes the light at the end of a tunnel is an on-coming train

                    Comment

                    • canadaboy25
                      What is normal?
                      • May 2013
                      • 509
                      • Canada

                      #110
                      Re: TNPA4250 Board Repair

                      Well I tested it again and now there is no signal, just some high frequency static.
                      canadaboy25

                      -Sometimes the light at the end of a tunnel is an on-coming train

                      Comment

                      Related Topics

                      Collapse

                      Working...