Panasonic TC-P42X1 Plasma 12 Blinks

Collapse
X
 
  • Time
  • Show
Clear All
new posts
  • kevinm34232
    Badcaps Legend
    • May 2012
    • 1884
    • USA

    #1

    Panasonic TC-P42X1 Plasma 12 Blinks

    In standby no blinks. When power button pressed, clicks then goes to 12 blinks which should indicate:

    (The operation of the audio power amplifier IC2109 is monitored. If the audio outputcircuit develops a short to ground, a high is output to pin 37 of the MPU (IC1100), triggering a SOS condition. The power LED blinks 12 times)

    However I noticed no 15V present at pin heading to audio amp.

    On power board I have
    +5V(STB) at pin 5 of P7 and
    Pins 7&9 of P6 has +FSTB+15V

    But no other 5V and 15V present.. Any thoughts?
    Attached Files

    if you find these attachements useful please consider making a small donation to the site

  • kevinm34232
    Badcaps Legend
    • May 2012
    • 1884
    • USA

    #2
    Re: Panasonic TC-P42X1 Plasma 12 Blinks

    Hey before I order new PS board can someone tell me how to isolate SC/SD/SU on this 2009 model too see if set stays on?

    Comment

    • kevinm34232
      Badcaps Legend
      • May 2012
      • 1884
      • USA

      #3
      Re: Panasonic TC-P42X1 Plasma 12 Blinks

      Well I dug in deeper and I did find a short on one channel of Audio Amp IC2109 and after isolating that I now have a 2 blink code for missing 15V. So it seems maybe one problem caused another. Is there a common problem for 2 blinks? I couldn't find anything obvious.

      I have the FSTB +15V but not the others, so how do I determine A Board or PS board, is there a PS-ON equivalent from the A Board that turns on the other 15V lines?
      Last edited by kevinm34232; 03-29-2014, 05:19 PM.

      Comment

      • tom66
        EVs Rule
        • Apr 2011
        • 32560
        • UK

        #4
        Re: Panasonic TC-P42X1 Plasma 12 Blinks

        2 blinks can be caused by a shorted other rail (Vsus/Vda), which will cause the 15V to be shut down after a few seconds.
        If the amplifier IC has a short on one channel, it probably has other faults too, so you'd need to completely isolate it to be sure.
        Please do not PM me with questions! Questions via PM will not be answered. Post on the forums instead!
        For service manual, schematic, boardview (board view), datasheet, cad - use our search.

        Comment

        • tw2005
          Badcaps Legend
          • Oct 2011
          • 6458
          • Australia

          #5
          Re: Panasonic TC-P42X1 Plasma 12 Blinks

          here's some flowcharts.

          Attached Files

          if you find these attachements useful please consider making a small donation to the site

          Last edited by tw2005; 03-29-2014, 10:01 PM.

          Comment

          • kevinm34232
            Badcaps Legend
            • May 2012
            • 1884
            • USA

            #6
            Re: Panasonic TC-P42X1 Plasma 12 Blinks

            The 15VP and 15VAudio never comes up though, there is a FSTB+15V that comes up with the standby but I think the other 15V comes from somewhere else and is turned on later?

            Comment

            • tom66
              EVs Rule
              • Apr 2011
              • 32560
              • UK

              #7
              Re: Panasonic TC-P42X1 Plasma 12 Blinks

              They are MOSFET-switched from same 15V usually, so it could be a short on there is dragging FSTBY 15V down.
              Please do not PM me with questions! Questions via PM will not be answered. Post on the forums instead!
              For service manual, schematic, boardview (board view), datasheet, cad - use our search.

              Comment

              • kevinm34232
                Badcaps Legend
                • May 2012
                • 1884
                • USA

                #8
                Re: Panasonic TC-P42X1 Plasma 12 Blinks

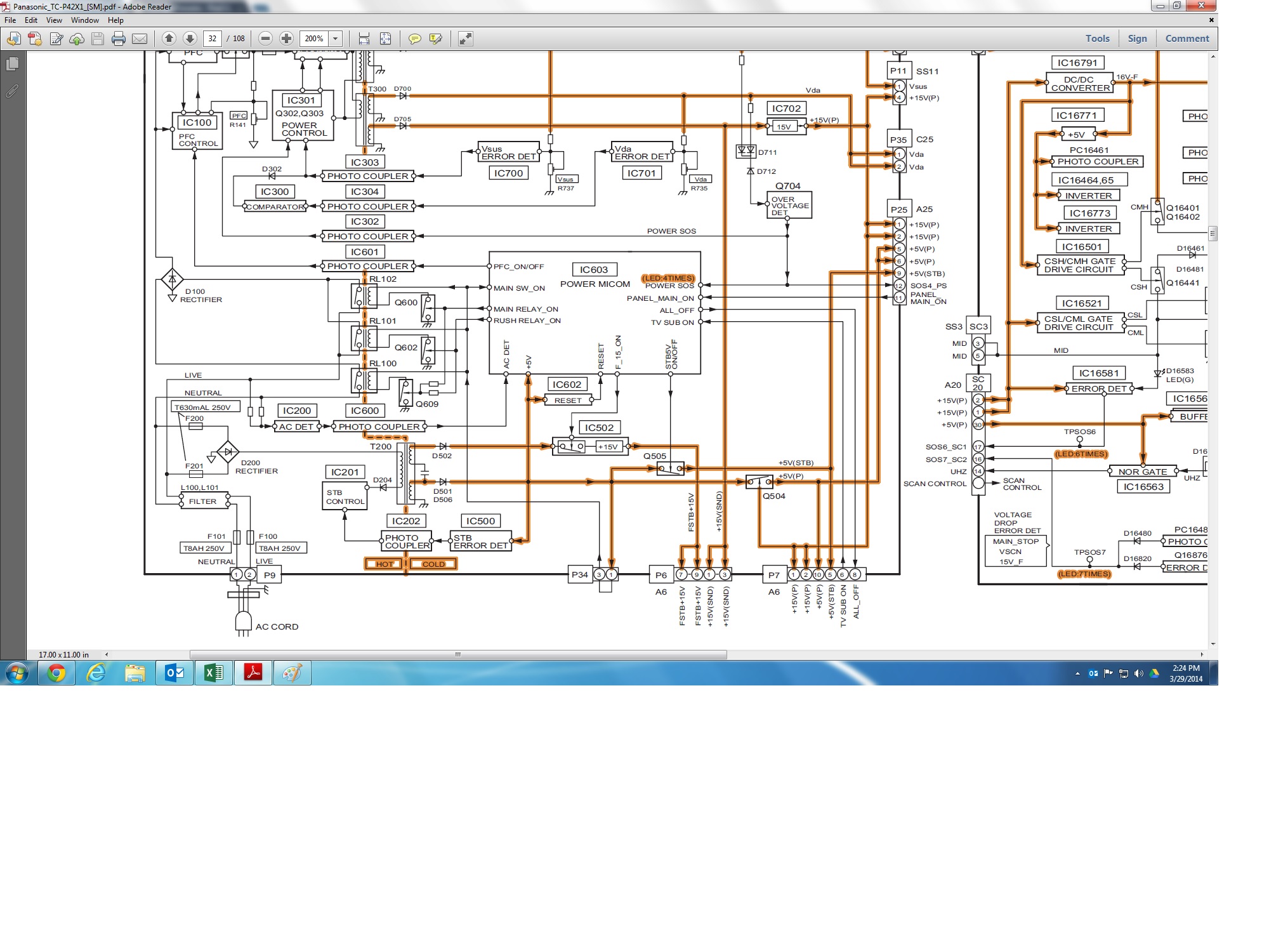
                On the flowchart it says check pin 1 on P6, which if you look at the pic below is +15V(SND). There is never any voltage there from plugging into AC to the blinking SOS.

                And that looks like it comes from D705 not where the FSTB+15V comes from right? So I wasn't sure if that had to be 'turned on' by the A board, because I basically get no voltages other than the 5 and 15 STBY.

                Oh another thing is I was not getting any voltage to VCC pin of IC301.
                Attached Files

                if you find these attachements useful please consider making a small donation to the site

                Last edited by kevinm34232; 03-30-2014, 03:37 PM.

                Comment

                • tom66
                  EVs Rule
                  • Apr 2011
                  • 32560
                  • UK

                  #9
                  Re: Panasonic TC-P42X1 Plasma 12 Blinks

                  Can you see transistor Q301 on power board? What about IC302?
                  Please do not PM me with questions! Questions via PM will not be answered. Post on the forums instead!
                  For service manual, schematic, boardview (board view), datasheet, cad - use our search.

                  Comment

                  • kevinm34232
                    Badcaps Legend
                    • May 2012
                    • 1884
                    • USA

                    #10
                    Re: Panasonic TC-P42X1 Plasma 12 Blinks

                    Yes here are some pics, those are on bottom of board.

                    Last pic from SM, not sure if you were looking at it but I have the 21V from IC101 at the one leg of Q301
                    Attached Files

                    if you find these attachements useful please consider making a small donation to the site

                    Last edited by kevinm34232; 03-30-2014, 04:57 PM.

                    Comment

                    • tom66
                      EVs Rule
                      • Apr 2011
                      • 32560
                      • UK

                      #11
                      Re: Panasonic TC-P42X1 Plasma 12 Blinks

                      This is going to be awkward. Can you check the voltage across the primary side ("HOT" side) of IC302 as it turns on and switches to the blink code? It might work best to solder wires to the terminals and measure those.
                      Please do not PM me with questions! Questions via PM will not be answered. Post on the forums instead!
                      For service manual, schematic, boardview (board view), datasheet, cad - use our search.

                      Comment

                      • kevinm34232
                        Badcaps Legend
                        • May 2012
                        • 1884
                        • USA

                        #12
                        Re: Panasonic TC-P42X1 Plasma 12 Blinks

                        It's 21V. I have the board upside down on a towel with just the connections to the main board.

                        So basically I have 21V on those 2 pins of Q301, but 0v on the pin going to VCC of IC301.
                        Last edited by kevinm34232; 03-30-2014, 05:39 PM.

                        Comment

                        • tom66
                          EVs Rule
                          • Apr 2011
                          • 32560
                          • UK

                          #13
                          Re: Panasonic TC-P42X1 Plasma 12 Blinks

                          IC302 is not being turned on, then. Check across the secondary, expecting near-zero. (<1V threshold.)
                          Please do not PM me with questions! Questions via PM will not be answered. Post on the forums instead!
                          For service manual, schematic, boardview (board view), datasheet, cad - use our search.

                          Comment

                          • kevinm34232
                            Badcaps Legend
                            • May 2012
                            • 1884
                            • USA

                            #14
                            Re: Panasonic TC-P42X1 Plasma 12 Blinks

                            Yes 0.1V across secondary side. What would happen if IC302 was turning on, voltage would go low across HOT side?

                            I tried to trace, looks like that signal is coming from pin 12 of IC603 Power Micom (Vreso_ON_L)?
                            Attached Files

                            if you find these attachements useful please consider making a small donation to the site

                            Last edited by kevinm34232; 03-30-2014, 07:17 PM.

                            Comment

                            • tom66
                              EVs Rule
                              • Apr 2011
                              • 32560
                              • UK

                              #15
                              Re: Panasonic TC-P42X1 Plasma 12 Blinks

                              OK, on the secondary of IC302, check the voltage on each end with respect to ground.
                              If both ends are near 5V, the OPTO is not being commanded to turn on for some reason.
                              Please do not PM me with questions! Questions via PM will not be answered. Post on the forums instead!
                              For service manual, schematic, boardview (board view), datasheet, cad - use our search.

                              Comment

                              • kevinm34232
                                Badcaps Legend
                                • May 2012
                                • 1884
                                • USA

                                #16
                                Re: Panasonic TC-P42X1 Plasma 12 Blinks

                                Yep both legs are around 5V when first plugged in, AND when switched on there is no change up to the 2 blinks...

                                So you think this is controlled by IC603?

                                Can we conclude yet going back to post 5, if there is no 15V at pin 1 of connector P6, that this is power supply issue and not an A board issue????
                                Attached Files

                                if you find these attachements useful please consider making a small donation to the site

                                Last edited by kevinm34232; 03-30-2014, 08:50 PM.

                                Comment

                                • tw2005
                                  Badcaps Legend
                                  • Oct 2011
                                  • 6458
                                  • Australia

                                  #17
                                  Re: Panasonic TC-P42X1 Plasma 12 Blinks

                                  So very first step, check resistance pin 1 P6, what happened there?

                                  This could be worth a go, disconnect SC2,SS11,P35,3 white ribbons at A and powerup.

                                  Comment

                                  • kevinm34232
                                    Badcaps Legend
                                    • May 2012
                                    • 1884
                                    • USA

                                    #18
                                    Re: Panasonic TC-P42X1 Plasma 12 Blinks

                                    No short, and disconnecting all of those cables still gives 2 blinks.

                                    Comment

                                    • tom66
                                      EVs Rule
                                      • Apr 2011
                                      • 32560
                                      • UK

                                      #19
                                      Re: Panasonic TC-P42X1 Plasma 12 Blinks

                                      Try checking voltage across secondary of IC600. It's the AC DET optocoupler.
                                      The power MCU controls all power sequencing: it is not turning on the 15V for some reason, but it is not known why yet.
                                      It could just as well be a main board fault due to incorrect PSON output or sequencing (bad firmware/EEPROM/config etc.)
                                      Please do not PM me with questions! Questions via PM will not be answered. Post on the forums instead!
                                      For service manual, schematic, boardview (board view), datasheet, cad - use our search.

                                      Comment

                                      • kevinm34232
                                        Badcaps Legend
                                        • May 2012
                                        • 1884
                                        • USA

                                        #20
                                        Re: Panasonic TC-P42X1 Plasma 12 Blinks

                                        IC600 has about 1.2v across secondary side thru startup to blinking.

                                        Comment

                                        Related Topics

                                        Collapse

                                        • jm1234
                                          Panasonic plasma TX-P42ST50 - 6 blinks
                                          by jm1234
                                          Hi,
                                          anyone able to provide the service manual for old plasma Panasonic TX-P42ST50E?
                                          It turns off almost immediately (0~5 seconds after pressing the on/off button) and starts flashing the red diode 6 times.
                                          I disconnected the left-hand side board (SC?, both the ribbon cable and the power cable to it) and also another ribbon going to bottom left board. Then the led signal is 8 flashes. According to service guide to another Panasonic plasma it would mean the left-hand side board is faulty. But I'm not sure it 100% applies to my model.
                                          I checked that board for any obvious faults...
                                          05-22-2024, 06:59 AM
                                        • Alicat
                                          Panasonic Plasma TH-50PZ85U No screen No blinks on red power light
                                          by Alicat
                                          Hello,

                                          Stopped by this site trying to fix my parents Panasonic Plasma TV.

                                          Model number is TH-50PZ85U

                                          Power comes on and the red power light stays on solid.

                                          Did a few checks like hold the power button on for 60 seconds, hold the - Volume while holding the menu button, no luck, still@ blank grey screen as the screen lights up very vague.

                                          I also hear a few clicks.

                                          I also think my parents said there was a thunderstorm and the TV failed after that.

                                          Section 6 in the service manual talks about power and no screen,...
                                          10-30-2024, 10:09 AM
                                        • nick31
                                          Panasonic Plasma ST50 TC-P55ST50 P55ST50 8 blinks
                                          by nick31
                                          Hello,
                                          My Oct 2012 panny plasma quit working yesterday.
                                          It was on when it happened. It let out a bit of burned plastic/circuit board smell. I was not able to find any burned parts though.
                                          Now it produces 8 blinks. According to the repair manual, that points to SS/SS2 board(s).
                                          I completed the steps in the guide: unplugged SS33, the TV turned on with a black screen, no blinking codes. Then I checked the continuity between pins 1 and 2 of the connectors SS52, SS54-SS57. The continuity is ok in all of them. Guide suggests to replace SS/SS2 boards so I placed an order...
                                          04-21-2021, 09:56 AM
                                        • stecos
                                          Panasonic Plasma main board repair (ST30 GT30 VT30 ST50 GT50 VT50),LED with 3 blincks
                                          by stecos
                                          Hi everyone!
                                          I happened several times, in the search for help from the web, to consult this very interesting forum.
                                          So I decided to sign up and I intend to participate actively by making available my knowledge and experience on the subject, I'm a new user but at the same time I'm old in the sense that I have 4 decades of experience in repairing and designing electronics but above all I'm a great passionate about the subject.

                                          Having said that I come to the gist of my post on the forum as the title suggests.
                                          For my passion for technology I'm now collecting several...
                                          11-28-2022, 11:39 AM
                                        • Biruslapio
                                          Panasonic P58V11B 8 and 12 blinks error "fix"
                                          by Biruslapio
                                          Bought this TV used not working, panel flashed briefly on power up and it was blinking 8 times, a quick look on SS board revealed a common fault on the 3uF 250V capacitors, C201 to C205 (C1620X in the service manual), the solder joints were all cracked, C201 and C205 pins were darkened and some sparking had occurred on them, C201 was split open and clearly overheated in its last hours, replaced that one and resoldered the others, 8 blinks fixed.

                                          Also the previous owner broke the antenna connector by taking the TV out of the wall mount forgetting to unplug it, I desoldered the tuner...
                                          04-13-2021, 07:13 AM
                                        • Loading...
                                        • No more items.
                                        Working...