panasonic blinking light chart

Collapse
X
 
  • Time
  • Show
Clear All
new posts
  • cb007cb
    Senior Member
    • Jan 2014
    • 51
    • usa

    #1

    panasonic blinking light chart

    Why is it that most of the time the chart gives incorrect results on
    the blinking light codes from Panasonic?
  • tw2005
    Badcaps Legend
    • Oct 2011
    • 6458
    • Australia

    #2
    Re: panasonic blinking light chart

    What do you mean? There's only so many checkpoints it can monitor. I always use them as a start point to begin fault finding and to prove whether that is the cause or something else.

    Shorted SC boards can cause for example a number of codes to trigger.

    Comment

    • tw2005
      Badcaps Legend
      • Oct 2011
      • 6458
      • Australia

      #3
      Re: panasonic blinking light chart

      Here's an example, bad SC in a 2010 FHD series can cause, 2,3,4,5,6,7,10.

      Comment

      • cb007cb
        Senior Member
        • Jan 2014
        • 51
        • usa

        #4
        Re: panasonic blinking light chart

        You just confirmed my question 6 or more codes for 1 problem!!!!!

        Comment

        • tom66
          EVs Rule
          • Apr 2011
          • 32560
          • UK

          #5
          Re: panasonic blinking light chart

          The blinking code tells you WHAT the problem is... for example, 4 blinks, POWER SOS, 10 blinks SUB POWER SOS.

          It does NOT tell you what caused that blink code necessarily. SC boards can cause a number of possible blink codes. 4 blinks is PSU overvolt, caused by a Vsus-15V low impedance connection; 10 blinks is a 15V or other rail going down somewhere, 6,7,8 are standard SC/SS trouble codes, etc.

          Use the blink code to figure out what is causing the set to shut off, then use that information to trace the fault.
          Last edited by tom66; 01-31-2014, 05:17 PM.
          Please do not PM me with questions! Questions via PM will not be answered. Post on the forums instead!
          For service manual, schematic, boardview (board view), datasheet, cad - use our search.

          Comment

          • tw2005
            Badcaps Legend
            • Oct 2011
            • 6458
            • Australia

            #6
            Re: panasonic blinking light chart

            Originally posted by cb007cb
            You just confirmed my question 6 or more codes for 1 problem!!!!!
            yes. Using the SC as the example 5,15 and Vsus is supplied to that.

            Shorted Vsus will short the PSU. Trips SOS4 which is sensed by the PSU Micom. So in this instance you check the PSU voltages, you find Vsus missing, next step is to isolate anything connected to the Vsus line, you find it comes up clearing the PSU, you know either SS or SC had to be shorting this, you then check those.

            To take this one a little further here's another scenario. Something on the buffer board fails, normally 7 blink, then blows the SC (6 or 7 blink) which in the process of failure causes a short on Vsus (4 blink).

            You could argue SOS4 is a buffer board fail.

            to go a little further, it will only blink one code so depends at what point something is triggered as well. You can get false detections. Not uncommon to see someone report a 10 blink then change to 4 and I suspect that may depend if the TV was running when it shutdown or if powered back on after the original fault or even further damage on the repower.

            i go back to the to the buffer board scenario because i've actually done this and it was my fault but replacing a shorted Sc without checking the buffers. On the first power cycle it gave me 7 blink (buffers). isolated the buffers and jumpered the SC, all good.
            thinking it was a connection issue and reseating everything, power on and bang, dead SC back to 4 blink (original fault) had I woken up a little in hindsight it was stupid not to check the buffers at the first 7 blink.

            And another real scenario, 4 blink shorted SS, easy, replace the SS, now 1 blink? How does the SM cover that one?

            Obviously they occurred simultaneously. The panel won't power on with either of those so in this case my best guess would be the SS shorted shutting the TV down and somehow the data on the SPI flash got corrupted or it was spiked. I did confirm that flash ic triggered the 1 blink.

            i was pissed off when I cleared the 4 blink repairing the SS to find I had a dud A. If i knew that was coming , i would have bailed out on that one in hind sight but i did learn something. SM did not help me with that one and neither would any manual for that matter. Just the way that one turned out and a rarity I would suspect.

            I believe the intent of the SM is to point you to the monitoring checkpoints and not to list every conceivable scenario some of which they may not even be aware of at the time of printing the SM.

            that's where those training guides can be really great because from what I've seen are compiled later with additional data and real field results of what resolved the blink code.

            I get what you mean and it would be nice if the SM had every answer but then that's when fault diagnosis comes in. They are intended for the technicians to use in which case a degree of assumed knowledge and ability is applied.

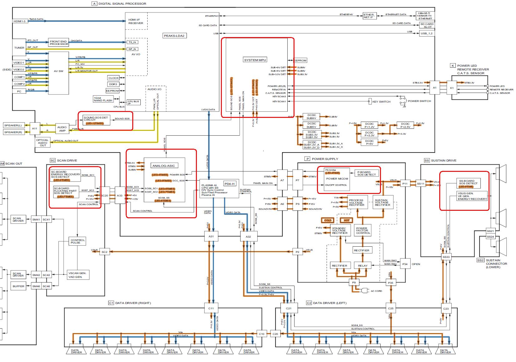
            You may have already had a close look at a block diagram but I've highlighted the SOS blocks I can see.

            Hope somehow this helps in some way.
            Attached Files
            Last edited by tw2005; 01-31-2014, 06:50 PM.

            Comment

            • Dax Corrin
              Member
              • Oct 2012
              • 13
              • USA

              #7
              Re: panasonic blinking light chart

              How quickly or slowly would this blink sequence occur? It seems my TV blinks over and over, how long is the pause between sequences? Maybe what I am seeing is 1 blink code over and over.

              Comment

              • tom66
                EVs Rule
                • Apr 2011
                • 32560
                • UK

                #8
                Re: panasonic blinking light chart

                The pause is a couple of seconds between each blink. Yes one blink every few seconds would be a 1 blink code.
                Please do not PM me with questions! Questions via PM will not be answered. Post on the forums instead!
                For service manual, schematic, boardview (board view), datasheet, cad - use our search.

                Comment

                Related Topics

                Collapse

                • mecha1166
                  QN750Q8FNBFXZA Service Error Codes Needed - Error code 1-3-1-2 ? Dead set, only blinking standby light in repeating sequence
                  by mecha1166
                  I am working on a QN750Q8FNBFXZA. Dead except the standby light. It blinks what appears to be 1 3 1 2. 1 long blink, pause, 3 short, pause, 1 long, pause, 2 short, pause, repeat. A service manual would be very helpful, or if anyone knows these error codes. Thanks!
                  03-28-2024, 08:31 AM
                • ItepK
                  Panasonic TX-P42G30E green light blinking, no video, no audio
                  by ItepK
                  Hey everyone!

                  I've gotten this TV for free, neither have it seen a TV repair man, neither have it been opened before.

                  This post describes my entire troubleshooting process of this TV.

                  When I turn it on using the ON/OFF switch at the side of the TV, the light rapidly flashes green, then it stays on, but it does not react to any of the remote buttons, side buttons, and doesn't play audio.

                  I've taken the unit apart, and I've started to check some voltages:

                  • On the P11 connector, there is 15V DC only for a brief moment, then it goes
                  ...
                  12-22-2023, 05:06 AM
                • YasaCh
                  Sony kdl 40p5500 red light keeps blinking 3 times
                  by YasaCh
                  Hello...
                  my tv almost 2 years not powerd on and when i turned it on nothing happened and only 3 red light keeps blinking
                  i opened the back cover no sign of damage on the powery suply or motherboard
                  when i plug in the power i hear the reley sound like tik first and another tik..after that only red keep blinking..
                  another thing is even after i unplugged the power, The tv keeps red blinking 3 times for 2 almost 2 munites
                  07-07-2025, 11:53 AM
                • Fergal22
                  Samsung UE40F5300AK blinking red light
                  by Fergal22
                  Hi,
                  I have the above tv that just shows a red light blinking twice 5 times, i have taken the back off and all the capacitors seem ok,
                  When i disconnect the mainboard from the PSU all the led's light up blinking fast but as soon as i reconnect the mainboard back to the power supply i get the red light blinking again twice 5 times,
                  I have attached pictures of the Mainboard, PSU and a small video (zipped) showing what happens when i disconnect the lead from the psu
                  Any help would be appreciated...
                  02-02-2023, 09:19 AM
                • matty24
                  Samsung UE50MU6172 - red light blinking
                  by matty24
                  Hello. I have problem with Samsung UE50MU6172.
                  TV won't turn on, red standby light is blinking.
                  Power supply BN44-00807A is fine. I replaced it with the new one.​
                  Main board BN41-02568B (BN94-12530E)

                  I've read a dump (W25Q40CL). Can someone check it od fix it for me?...
                  03-02-2025, 08:57 AM
                • Loading...
                • No more items.
                Working...