Insignia NS-LCD19-09 no standby LED; (new problem)

Collapse
X
 
  • Time
  • Show
Clear All
new posts
  • valvashon
    Senior Member
    • Oct 2020
    • 99
    • USA

    #1

    Insignia NS-LCD19-09 no standby LED; (new problem)

    Having a new problem with the 19" Insignia that I modified with one of my automatic turn on circuits. That is now completely disconnected so that is not the issue. I was doing some modifications on that circuitry and managed to short something out on the underside of the power board.
    Actually found and bought the service manual (who knew it was even available?!) which brought me to the High Voltage Startup Circuit controller chip.
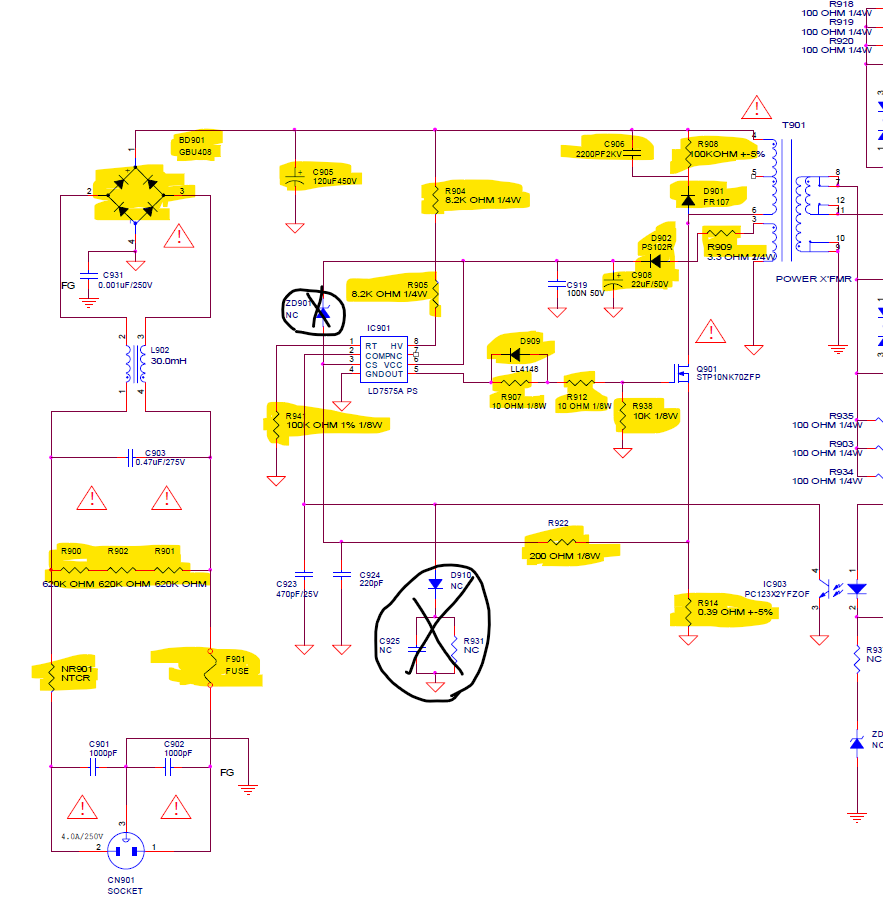
    Looking up that chip number- LD7575APS brought me to the attached datasheet. I have marked my voltage readings on the schematic sheet (open in new window to see voltages). I see good VCC (sort of) and good HV and maybe good voltage at the switching frequency pin (1) but variable voltages elsewhere (all are DC voltage measurements). I'm guessing that these are bad and the chip is toasted but there are no suggested voltages on the data sheet or the actual schematic which is almost identical to the data sheet circuit.
    If anybody knows what those voltages should be I'd appreciate it. The external MOSFET could also be bad so I'd like to know these voltages first before I just start throwing parts at it.
    Also, this is essentially obsolete but I can find replacements marked LD7575 not LD7575A. Any idea how much difference there is? Can't really find out from reading the two data sheets.
    Thanks
    Attached Files
    Last edited by valvashon; 08-30-2023, 10:44 AM. Reason: Added info
  • R_J
    Badcaps Legend
    • Jun 2012
    • 9610
    • Canada

    #2
    Re: Insignia NS-LCD19-09 no standby LED; (new problem)

    The service manual is available for free on line, the vcc voltage for the ic needs to be around 16v, if it falls below 10v it shuts down. C906 should be replaced as a it is likely weak. If the mosfet is bad it will likely be shorted, and R914 would likely be open.
    My guess would be that you shorted the secondary diodes D908, D911, D909 or one of the zener diodes. Allso check R909 D902
    The ld7575a will be fine, The LD7575APS is a sop-8 PB free, the LD7575APN is a DIP-8

    Not sure what you shorted so it is hard to say what you damaged.
    Last edited by R_J; 08-30-2023, 11:11 AM.

    Comment

    • valvashon
      Senior Member
      • Oct 2020
      • 99
      • USA

      #3
      Re: Insignia NS-LCD19-09 no standby LED; (new problem)

      At the risk of violating copyright for the service manual I bought (which may be different than the one that is available for free online) I'm attaching part of it. I have checked everything on the "hot" side of the power board aside from a few very small value SMT caps.
      Everything checks out as having the correct value; what I have measured is highlighted in yellow. Components circled with an X are not on the board. Unless I'm missing something the High Voltage Startup chip is the likely suspect. C 906 checked out at 2300 PF so I don't think that capacitor is weak. Unless somebody has any other ideas I will be replacing the LD7575 chip.

      Val
      Attached Files
      Last edited by valvashon; 08-31-2023, 12:25 PM. Reason: Added attachment

      Comment

      Related Topics

      Collapse

      • Thierry Wolffenbuttel
        Ps5 with bad standby voltages
        by Thierry Wolffenbuttel
        I have a few standby voltages that are 0, as seen in the picture. Is the Panasonic chip broken? In the picture I have all my voltages.
        ...
        04-08-2024, 08:04 AM
      • Crystaleyes
        iMac A1224 PSU, 614-0421 - no standby voltages
        by Crystaleyes
        Hi chaps.

        Having recently picking up two dead 2008 iMacs, one is now working, however there is still one to repair.

        I was told that they both had failed power supplies, and seeing how I intend to crack SMPS repairs, it was a challenge not to ignored.

        Anyway, this PSU in question had already had someone having a pop at soldering.

        The current problem is (at the very least) in the primary side.

        Fuse is ok
        MOV is ok
        NTC is ok
        Bridge rectifier is ok (~380vDC)
        Fat filter cap is ok
        ...
        10-11-2021, 05:07 PM
      • tbsmith
        Insignia NS-50F301NA24 No standby power, no +Va, Vm, +Vl etc.
        by tbsmith
        There is voltage on the bridge rectifier and main caps (163V). Fuses all check good. One of the smaller electrolytic caps (C9112 which is 50V, 100uF) looked bloated, it measured 60uF with one tester, and defective with another. I replaced it temporarily with same uF rating, higher voltage since I don't have the exact one. I also found that one of the switching mosfets (for lower voltage DC supply I think) was shorted. It is a 50R800CE which I didn't have, but had something with the same voltage and current rating and a similar Rds. None of these fixes helped. I'm out of ideas. Any suggestions...
        08-11-2025, 06:15 PM
      • Capacitorial
        Powersupply has all the voltages - Monitor still no power
        by Capacitorial
        Hello guys,

        I have a Philips 240B7QPJEB. The monitor seems completely dead.
        I opened it and measured the voltages of the powersupply. I found that a mosfet was dead and replaced it.
        On the connector, that goes to the TCON board, all voltages 15-19V and 5V are present.
        The small connector on the left of the PSU has two cables with 18V and all the other have 0.2V. It connects on this small connector on the left ontop of the panel. I guess the backlight? Seens fine I guess.
        The weird thing is, that the Power LED is powered over the TCON board.
        On The TCON...
        12-28-2024, 02:12 PM
      • zwerw3
        la-g07jp no standby voltages
        by zwerw3
        Hello. Please help. la-g07jp rev1.0 does not turn on. The 3 and 5 volt alarm goes up for 2 seconds and goes out. I opened the 3 and 5 volt power jumpers, removed the pu302, flashed the multimcontroller with different firmware, nothing helped. I noticed that on the u4104 the output is 1.5V, this voltage goes to the combined processor. Should there be such tension there?
        05-06-2024, 01:01 AM
      • Loading...
      • No more items.
      Working...