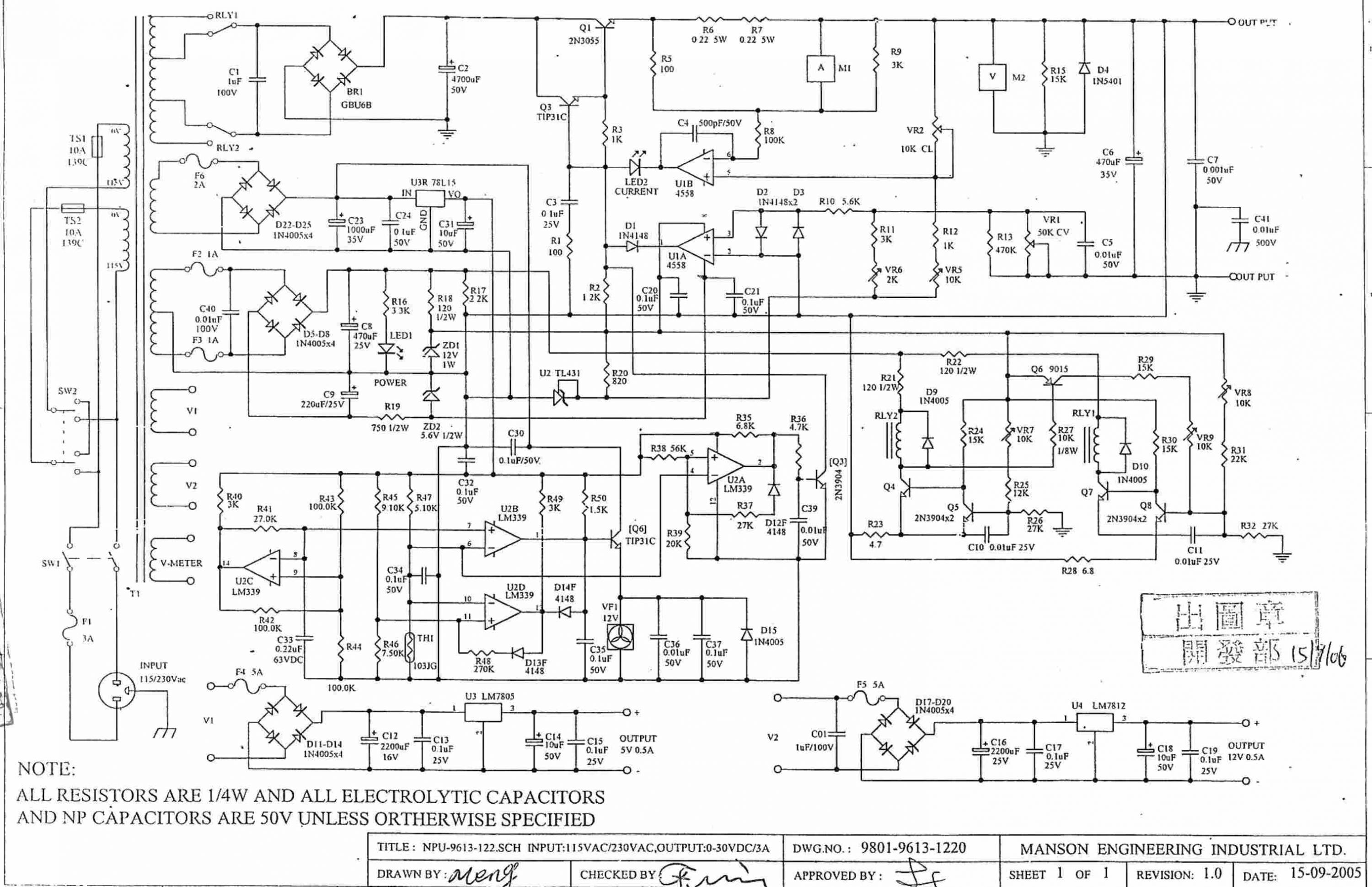
Hi, I have here a WEP 3010D PSU and I was recently using it to charge some 18650 LiIon cells, I had made a battery pack and was about to charge it, I had voltage set at 24v and current was set at about 100 - 300mA then i was going to increase when it was all connected but as i clipped the positive wire on to the pack i seen a spark and now it wont put out any voltage, also when i use multimeter on continuity setting i see a dead short between the positive and negative terminals on the PSU, Here is a video showing the fault,
http://tinypic.com/r/68g6er/8
http://tinypic.com/r/68g6er/8

Comment