To begin, this is the Bestec ATX-300-12EB3. In general appearance it looks much like the Bestec ATX-250 12Z, but is oriented toward the 12 volt processors. It has two 12 volt outputs each rated for 18 amps, and a 5 volt output rated for 25 amps. It uses the same 5vsb chip as the 12Z, the A6351 chip, therefore preventing the 5vsb overvoltage problem in the early 12E model. It also has four optoisolators, one of which is the crowbar circuit for added protection. When something causes the power supply to shut down, the crowbar circuit prevents you from turning the computer off then back on. You have to unplug it from the wall to release the crowbar. This prevents people from thinking the problem went away by using a simple restart.
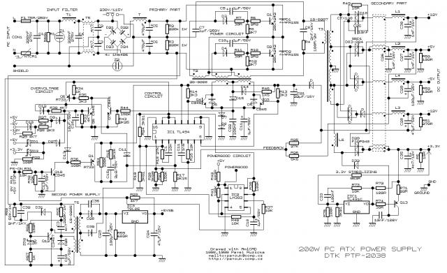
From the pictures you can see two shunts used for the two 12 volt overcurrent protection circuits. Something new added since the 12Z.
From the pictures you can see two shunts used for the two 12 volt overcurrent protection circuits. Something new added since the 12Z.


everell, you're the best in Bestec knowledge.
Comment