LENOVO BIOS AUTO-PATCHER for Supervisor Password Removal
Collapse
X
-
Hello Oh yes, the resistance is necessary.Comment
-
Hey, can you generate for me the bios file for bypass bios password
i already upload the informations P52S
Thank you
https://www.badcaps.net/forum/troubl...49#post3716449Comment
-
Try this files good luck ...Hey, can you generate for me the bios file for bypass bios password
i already upload the informations P52S
Thank you
https://www.badcaps.net/forum/troubl...49#post3716449Attached FilesComment
-
Hi Good day I really need help I have a Lenovo V110 -15IKB and every time I enter BIOS I get a password and I don't know if it can be removed or reset as I just bought the laptop , I don't really understand anything here from page 1 so a step by step guide will be much appreciated. V110 -15IKBLast edited by ELOGS; 09-18-2025, 06:07 AM.Comment
-
I can't find the chip I'm supposed to flash, not sure what I'm looking for. Could you send photos or any more details? Also, do I have to desolder an entire BGA chip to do this?
I think RT809H is the best price/value in this category...in fact every programmer has good and bad things but to use it once or twice a year then RT809H is a good choice.
In US you find a lot of RT809H programmers on Amazon or eBay. (ex. https://a.co/d/eUE6vcB)
Look for RT809H not for RT809F !Comment
-
OK, You asked for
Here are the details:
The chip you are looking for is U23 (MEC1653) and you don't need to desolder the chip !
Look on the first picture and find all soldering points for JTAG on your MB.
The second picture is how to connect these points to your programmer. ( don't wire #RST )
After connecting and checking all wires start your programmer software and select MEC1653 from EC List, connect the charger and read the chip it should be 290kb.
Save the reading to a file and check with an hexeditor ... it must be all sort of random data not all FFs or E3s or whatever single byte type...
Erase the chip and write the file back.
Swap back the R8796 to R8797 position before restart !
You will lose your laptop's data such as serial number, model, etc. like:
2200: Machine Type Invalid and Serial Number are invalid.
2201: Machine UUID is Invalid
2202: Product Name is invalid
2203: System configuration is invalid.
2204: System configuration data is invalid.
Don't worry that can be restored from the sticker (I hope is intact...if not then ..."Houston, We have a problem").
Use ThinkPad Config Information Update Utility v1.11 (attached) and an empty USB stick :
-Extract and run "usbfmtpw.exe" this will format your USB and copy the files over.
(check that the files copied after format. if not manually copy them to the root of the USB).
-Insert to laptop and boot to USB FDD it is EFI not Legacy (USB you just created).
-Now go to main menu and choose initialize EEPROM, this clears all keys plus UUID and now the overflow error wont happen.
-Now go 1, then use 1 to add new info, enter C0 then Enter.
-Now enter serial and model in long form will start with 1S so (1STTTTMMMMCCSSSSSSS like described below)
-Enter and Key is stored.
-If you like can add more or go back and use option 3 for a few more config details. (I set my brand name there)
-Once all info is set go to assign UUID, and say Yes.
(once you generate the UUID you cannot edit the serials unless you initialize and do them all over again.
-Reboot and check bios screen your info should be there no more beeps on boot.
Product ID: TTTT-MMMMCC
Serial#: SS-SSSSS
TTTT = Machine Type
MMMM = Model Type
CC = Country Code
SSSSSSS = Serial Number
...so yours will be 1S20HGS14D00PC0PTLL4
As a final advice before you try to flash your MEC1653:
Check and re-check every component around the BIOS chip and try to rewrite your saved dump with the new programmer because is far,far better then the CH341A.
Good Luck!Last edited by Stefan Steff; 09-18-2025, 09:14 AM.Comment
-
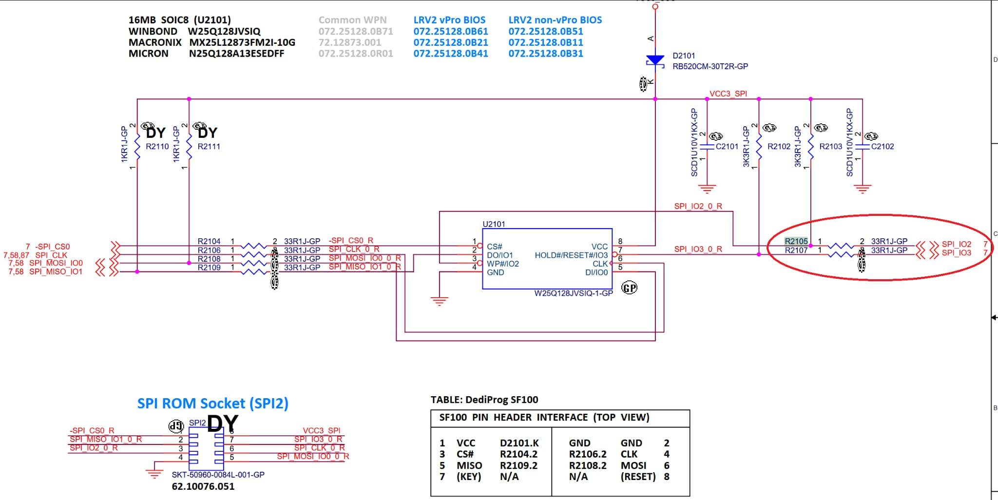
This may not be super relevant, but it happened while unlocking BIOS using clip.
Resistors next to the BIOS (33 ohms).
I'm attaching a snippet of the schematic with the resistor code.
It might be useful to someone.
These are SMD resistors 0201 or 0402 33R1J(33Ohm 5%).
0201 - ~0.6mm long.
0402 - ~1mm long - they are a bit too big, but they can be soldered.
Symptom is that the laptop is unresponsive.
After applying power (with the BIOS and laptop batteries disconnected), the power button (white LED in the button) blinks three times.Comment
-
I've attempted to use this for 5 password locked Lenovo M700 ThinkCentre TinyPCs, but when I attempt to run it in command line I get the message "<file> is corrupted or does not contain a valid dump. There was an error... Aborting."
I am using a CH341a programmer because the systems are ones that I bought at auction as part of a business asset sale, and spending much more on them isn't really worth the time. I have dumped the files using both AsProgrammer and "CH341A v1.31 Free", and each verifies fine against the chip, both separately and in the other tool (i.e. a file read and saved in AsProgrammer is able to be verified against the chip in CH341A v1.31 free).
Show this work on the M700 ThinkCentre tiny, or should I give up there?Comment
-
After autopatcher patched BIOS flash the motherboard is playing a nice melody tune and does not turn the display on. Found the error code via lenovo diagnostics app. I have taped the tamper switch.
Model: THINKPAD-P52-TYPE-20M9-20MA
Error code: 0285
Description: TGC-compliant functionality-related error (might be TPM initialization error)
Can I change some "Security Chip" variable in NVRAM to false so it would not go to TPM at all?
Any recommendations? I read and checksummed the bios after write just in case, it matched with what was sent.
Attached FilesComment
-
After patching, the notebook beeps 5 times, then pauses, and then beeps 5 times again. Then I see the ThinkPad logo, but the notebook freezes when trying to start the BIOS. It's a T450, and the extracted BIOS is attached.Attached FilesComment
-
hi, there try this..Comment
-
-
retry
GIve SERIAL NUMBER OR MODEL TYPE
Respect rules please !!!!!
You MUST:- Read BIOS guides, methods, resources and tools
- Try the method at BIOS guides, methods, resources and tools before requesting help
- Explain you were not able to succeed with the methods at BIOS guides, methods, resources and tools
- Use search function in case someone already answered your request
- Post under a related thread if it exists
- Provide the full machine model number, serial number (or Service tag, SNID) and the board model number (see https://www.badcaps.net/forum/showthread.php?t=88758 ) ,The serial number, make, full model number, motherboard model and revision (except QR codes) must be written/typed at your request as per the rules. Not as a picture, part of the file name and so on.
- Name your thread with make, full model numbers and request
- Provide a BIOS/EC dump if possible
- Attach files directly to your post instead of linking to external websites
- Post what the problem is, be specific - black screen, no boot, running slow, password. Do NOT post "clean me", "clear bios", "clean bios", "fix bios", "bios need" or other such terms
Attached FilesLast edited by Maxpower3; 09-22-2025, 11:05 AM.Comment
-
Related Topics
Collapse
-
by macabookHello everyone,
I’m currently working on a dead MSI GP75 Leopard (MS-17E71) motherboard (i7 CPU, NVIDIA GPU) with a no display/no backlight issue initially. After extensive investigation, I’m at a critical stage involving EC firmware, BIOS/ME region interaction, and possible deep corruption. I'm seeking advanced insight from anyone with experience in EC/BIOS sync issues or PCH-level behavior. Here’s a full breakdown:
🧩 Initial Issue- Board powers on (fans spin, keyboard lights up and can be adjusted, caps lock led lights), but no display or backlight
- External display (HDMI) shows
-
Channel: BIOS Requests ONLY!
07-24-2025, 02:17 PM -
by piratiHello everyone,
I recently bought a non-working Asus Zenbook Pro Duo OLED UX8402ZA that was listed for parts only. The seller mentioned that it had no display output but that the charging lights worked.
When the laptop arrived (without a charger and SSD), I connected a charger and confirmed with a multimeter that it was charging the battery. However, when I tried to power it on, only the backlight of the secondary display came on. There was no image, and it didn’t boot into the BIOS.
I decided to try flashing a new BIOS, but since I didn’t want to desolder...-
Channel: BIOS Requests ONLY!
-
-
by Vesko356First of all thanks to all of our members who have posted previously all methods posted here.
Please leave a comment if you find something new,or have anything else to add.
-----------------------------------------------------------------------------------------
Find by serial number,model number or series
If you know the laptop serial or model number go to HP support https://support.hp.com/us-en/drivers/laptops .
Enter the serial number or model number and click submit.On the next screen you will have to enter the OS
Operating system and OS version.If...-
Channel: BIOS Requests ONLY!
-
-
by jbonavitaHi, my laptop wont boot at all
With original bios no POST, only LED lights
With alternative BIOS from model TP500LN (flashed via programmer) the notebook works again
Some issues
A- with bios from 500LN, it won't update from bios of model 500LA (from 500LN v203 to 500LA v300)
B- If updated from 500LN version 203 to 300, the battery stops being recognized
Things I tried
1- Update / clear ME: Took the non working bios, made a backup, and did this: https://www.badcaps.net/forum/troubl...theory/trouble...-
Channel: BIOS Requests ONLY!
-
-
by zeniusHello, I have an old Dell G3 3579 (ST: 2WQ7LP2-8FC8) with a newer 8FC8 BIOS password. I have successfully attached to the flash chip (W25Q128JVSQ) on the motherboard with a CH341A programmer and made several modifications using Intel FIT (e.g., allow software SPI write) without bricking. I was also able to boot to a modified GRUB shell where I attempted to edit many BIOS security related options like BIOS Guard/Lock, Flash Signature Override, ME FW Image Re-Flash, etc.
Unfortunately, some of these modifications like to Intel BIOS Guard failed because it is fused into the PCH. Also,...-
Channel: BIOS Requests ONLY!
-
- Loading...
- No more items.
Comment