Acer 515-54G
DA0ZAWMB8G0
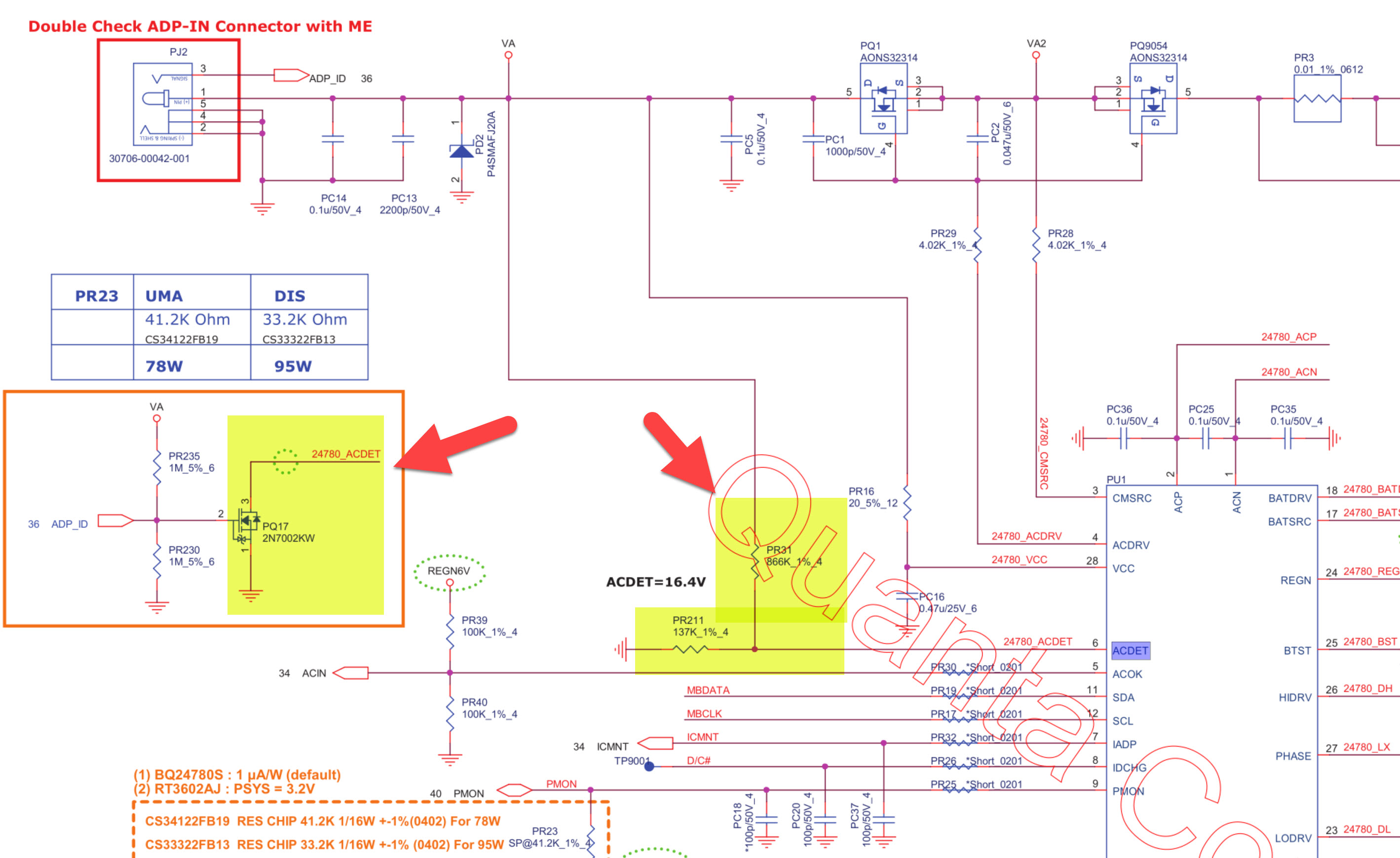
Board have badly burned Main power and second mosfet After repair ACDET is pulled to GND when apply power
i dont uderstand this. Charger ic BQ24780S
ACDET 6pin have voltage devider set to R1 110Kohm and R2 20Kohm. pin ACDET have 20K to GND. But when apply power R1 have 19V on one side and 2.3ohm on other side.
What is pulling my ACDET down when i apply power even without BQ ic
DA0ZAWMB8G0
Board have badly burned Main power and second mosfet After repair ACDET is pulled to GND when apply power
i dont uderstand this. Charger ic BQ24780S
ACDET 6pin have voltage devider set to R1 110Kohm and R2 20Kohm. pin ACDET have 20K to GND. But when apply power R1 have 19V on one side and 2.3ohm on other side.
What is pulling my ACDET down when i apply power even without BQ ic

Comment