ASUS ROG G14 (GA401) battery spark, dead.

Collapse
X
 
  • Time
  • Show
Clear All
new posts
  • mon2
    Badcaps Legend
    • Dec 2019
    • 14672
    • Canada

    #141
    Re: ASUS ROG G14 (GA401) battery spark, dead.

    Ok. This will be a painful one. I found some but from a paid service. Let me post some partial screen grabs.

    The BV file is horrible but may work.

    See attached.
    Attached Files
    Last edited by mon2; 06-05-2022, 08:20 AM.

    Comment

    • jacobtc
      Badcaps Veteran
      • Apr 2016
      • 274
      • Denmark

      #142
      Re: ASUS ROG G14 (GA401) battery spark, dead.

      Originally posted by mon2
      Ok. This will be a painful one. I found some but from a paid service. Let me post some partial screen grabs.

      The BV file is horrible but may work.

      See attached.
      Thank you, PR8904 are at 2.7V

      Comment

      • mon2
        Badcaps Legend
        • Dec 2019
        • 14672
        • Canada

        #143
        Re: ASUS ROG G14 (GA401) battery spark, dead.

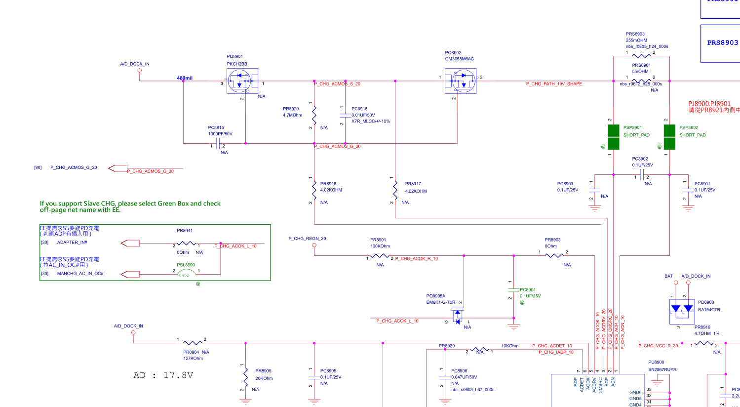
        ACDET is a good voltage.

        See attached. Confirm that the VCC pin is being fed a proper voltage for the charger IC.

        Confirm the voltage of ACOK status. Check & post the voltage.
        Attached Files

        Comment

        • jacobtc
          Badcaps Veteran
          • Apr 2016
          • 274
          • Denmark

          #144
          Re: ASUS ROG G14 (GA401) battery spark, dead.

          Originally posted by mon2
          ACDET is a good voltage.

          See attached. Confirm that the VCC pin is being fed a proper voltage for the charger IC.

          Confirm the voltage of ACOK status. Check & post the voltage.
          VCC on charging IC is 19.7V

          ACOK is fed 6V.

          Could it be a defective shorted battery? Voltage measures 0V on the battery, but it worked before, so maybe some internal protection got triggered?
          Last edited by jacobtc; 06-05-2022, 09:25 AM.

          Comment

          • Stevedb
            Stevedb
            • Feb 2018
            • 624
            • Belgium

            #145
            Re: ASUS ROG G14 (GA401) battery spark, dead.

            What is board number ?

            Comment

            • mon2
              Badcaps Legend
              • Dec 2019
              • 14672
              • Canada

              #146
              Re: ASUS ROG G14 (GA401) battery spark, dead.

              Does the logic board function without the battery ? It should.

              If it does not, the battery is not a factor. For now, work without the battery.

              You can inspect the SMBUS (I2C) lines on the battery connector.

              Remove all power. Meter in resistance mode.

              Check the resistance to ground of the following:

              P_SMB0_CLK - pin 3
              P_SMB0_SDA - pin 4


              Red meter lead on the pin; black to ground.

              What are the resistance readings for each ?

              Comment

              • jacobtc
                Badcaps Veteran
                • Apr 2016
                • 274
                • Denmark

                #147
                Re: ASUS ROG G14 (GA401) battery spark, dead.

                Originally posted by stevedb
                what is board number ?
                ga401iv r1.4

                Comment

                • jacobtc
                  Badcaps Veteran
                  • Apr 2016
                  • 274
                  • Denmark

                  #148
                  Re: ASUS ROG G14 (GA401) battery spark, dead.

                  Originally posted by mon2
                  Does the logic board function without the battery ? It should.

                  If it does not, the battery is not a factor. For now, work without the battery.

                  You can inspect the SMBUS (I2C) lines on the battery connector.

                  Remove all power. Meter in resistance mode.

                  Check the resistance to ground of the following:

                  P_SMB0_CLK - pin 3
                  P_SMB0_SDA - pin 4


                  Red meter lead on the pin; black to ground.

                  What are the resistance readings for each ?
                  Yes, the board works without the battery connected.

                  Should I measure resistance on the battery, when it is not connected to the board, or on the terminals on the board, when the battery is connected?

                  Also, the connector does not seem to have a P_SMB0_SDA pin, only a CLK and DAT pin, see pic.
                  Attached Files
                  Last edited by jacobtc; 06-05-2022, 10:49 AM.

                  Comment

                  • jacobtc
                    Badcaps Veteran
                    • Apr 2016
                    • 274
                    • Denmark

                    #149
                    Re: ASUS ROG G14 (GA401) battery spark, dead.

                    Just measured on both pins, both are at 0.5 Mohm.

                    Comment

                    • mon2
                      Badcaps Legend
                      • Dec 2019
                      • 14672
                      • Canada

                      #150
                      Re: ASUS ROG G14 (GA401) battery spark, dead.

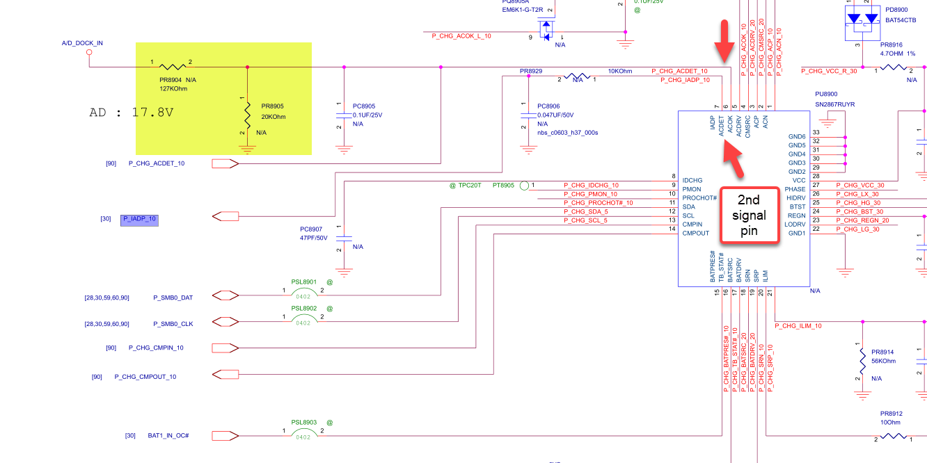
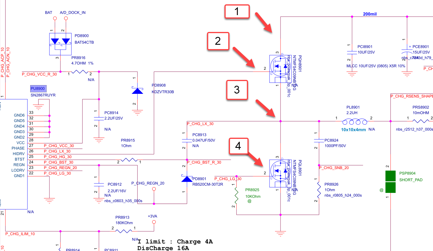
                      See attached.

                      Post the voltage readings for each point of interest on the battery charge mosfets.

                      Attach the external power adapter & battery.

                      Meter in 20V scale. Red meter lead to point to test; Black meter lead to ground.

                      Yes, it is possible that the battery BMS (battery management system) has shut down due to the spark but others can share their comment on this topic. If you have access to, try a replacement battery for testing.

                      When the system is booted, does Windows report the presence of the battery ? Battery level ?

                      The SMBUS / I2C lines seem to be ok with the posted resistance but you can also perform another test.

                      After the logic board is powered up with the battery -> measure the voltage of the battery connector pins (SCL & SDA) to check if the interface lines are defective or not.

                      What voltage do you read with respect to ground for the battery connector pins 3 & 4 ?
                      Attached Files

                      Comment

                      • Stevedb
                        Stevedb
                        • Feb 2018
                        • 624
                        • Belgium

                        #151
                        Re: ASUS ROG G14 (GA401) battery spark, dead.

                        Battery wil not give voltage if not connected. Can you measure voltage on the battery at all when it is. Connected

                        Comment

                        • Stevedb
                          Stevedb
                          • Feb 2018
                          • 624
                          • Belgium

                          #152
                          Re: ASUS ROG G14 (GA401) battery spark, dead.

                          @Mon2 can it not be the battery is overdischarged over is treasure limit.

                          Comment

                          • jacobtc
                            Badcaps Veteran
                            • Apr 2016
                            • 274
                            • Denmark

                            #153
                            Re: ASUS ROG G14 (GA401) battery spark, dead.

                            Originally posted by mon2
                            See attached.

                            Post the voltage readings for each point of interest on the battery charge mosfets.

                            Attach the external power adapter & battery.

                            Meter in 20V scale. Red meter lead to point to test; Black meter lead to ground.

                            Yes, it is possible that the battery BMS (battery management system) has shut down due to the spark but others can share their comment on this topic. If you have access to, try a replacement battery for testing.

                            When the system is booted, does Windows report the presence of the battery ? Battery level ?

                            The SMBUS / I2C lines seem to be ok with the posted resistance but you can also perform another test.

                            After the logic board is powered up with the battery -> measure the voltage of the battery connector pins (SCL & SDA) to check if the interface lines are defective or not.

                            What voltage do you read with respect to ground for the battery connector pins 3 & 4 ?
                            Here is the readings for the mosfets:
                            PQH8901:
                            D: 20V
                            S: 0,223V
                            G: 0,223V

                            PQL8901:
                            D: 0,223V
                            S: 0V
                            G: 0V

                            Yes, battery shows up in Windows and bios, and reports as 100% charged.

                            Comment

                            • jacobtc
                              Badcaps Veteran
                              • Apr 2016
                              • 274
                              • Denmark

                              #154
                              Re: ASUS ROG G14 (GA401) battery spark, dead.

                              Originally posted by Stevedb
                              Battery wil not give voltage if not connected. Can you measure voltage on the battery at all when it is. Connected
                              When connected, it stills shows as 0,5V on the battery.

                              Comment

                              • Stevedb
                                Stevedb
                                • Feb 2018
                                • 624
                                • Belgium

                                #155
                                Re: ASUS ROG G14 (GA401) battery spark, dead.

                                That is very strange how much voltage do you have on battery if you measure it on battery connector.

                                Comment

                                • jacobtc
                                  Badcaps Veteran
                                  • Apr 2016
                                  • 274
                                  • Denmark

                                  #156
                                  Re: ASUS ROG G14 (GA401) battery spark, dead.

                                  Originally posted by Stevedb
                                  @Mon2 can it not be the battery is overdischarged over is treasure limit.
                                  That is what I am thinking, but before I started diagnosing the machine, I was pretty sure that it was at close to 100% charge, and I didn't leave it in the machine, so having it discharge completely over a couple of months seems unusual.

                                  Comment

                                  • jacobtc
                                    Badcaps Veteran
                                    • Apr 2016
                                    • 274
                                    • Denmark

                                    #157
                                    Re: ASUS ROG G14 (GA401) battery spark, dead.

                                    Originally posted by Stevedb
                                    That is very strange how much voltage do you have on battery if you measure it on battery connector.
                                    The same.

                                    Comment

                                    • Stevedb
                                      Stevedb
                                      • Feb 2018
                                      • 624
                                      • Belgium

                                      #158
                                      Re: ASUS ROG G14 (GA401) battery spark, dead.

                                      By the way here is shematic and brdview
                                      Attached Files

                                      Comment

                                      • mon2
                                        Badcaps Legend
                                        • Dec 2019
                                        • 14672
                                        • Canada

                                        #159
                                        Re: ASUS ROG G14 (GA401) battery spark, dead.

                                        I think that the BMS logic inside the battery pack is not communicating properly and resulting in the 100% charge reading.

                                        What is the voltage readings on pins 3 & 4 of the battery connector ?

                                        Have seen cases where these I2C lines are defective and with similar results. If the charger IC believes the charge is full, no work is to be done so turns off the battery linked mosfets.

                                        Comment

                                        • jacobtc
                                          Badcaps Veteran
                                          • Apr 2016
                                          • 274
                                          • Denmark

                                          #160
                                          Re: ASUS ROG G14 (GA401) battery spark, dead.

                                          Originally posted by mon2
                                          I think that the BMS logic inside the battery pack is not communicating properly and resulting in the 100% charge reading.

                                          What is the voltage readings on pins 3 & 4 of the battery connector ?

                                          Have seen cases where these I2C lines are defective and with similar results. If the charger IC believes the charge is full, no work is to be done so turns off the battery linked mosfets.
                                          Both pins are reading 0.06V not connected to the board.

                                          Comment

                                          Related Topics

                                          Collapse

                                          Working...