Y580 works on battery, but not with charger

Collapse
X
 
  • Time
  • Show
Clear All
new posts
  • pingaroon
    Senior Member
    • Nov 2019
    • 121
    • uk

    #1

    Y580 works on battery, but not with charger

    Hi all,

    I have a Lenovo Y580 board which works fine on battery power, and the battery charges normally with a charger. The issue is when the input is from the charging port. The charger used is perfect and is in use in another Y580 laptop

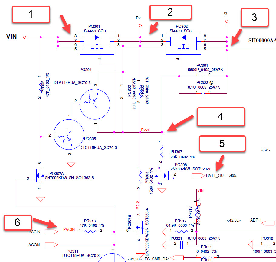
    the 19v comes into the + of the charging port and enters the first mosfet PQ301. Voltage on the other side drops slightly (by .5v), and enters the 2nd mosfet PQ302. The voltage on the other side, and thus at the main power rail current resistor at PR301, is 0.9V. However, the main power rail is NOT short at this point (as also evidenced by the fact the board works fine off a charged battery).

    Thinking this was an easy fix (the 2 mosfets mentioned above must be bad right?), I changed them over with 2 other p-channel mosfets (AO4435) off an old board, fully expecting the problem to be fixed, but NO CHANGE. Still 0.9v on PR301.

    I then changed the battery charging chip PU301, which made no difference either.

    I do have access to a good board, but couldn't work it out by comparing the 2.
    What is clear is that on the good board, the voltage that comes through on the + of the charging point is identical to the voltage on the current resistor at PU301, so on the bad board, something is already wrong as the voltage drops .5v after the 1st mosfet

    Another difference between the 2. On the good board, with the charger plugged in and the board off, 3 of the battery terminal pins have 3.3v as is common with many laptops and to be expected. On the bad board, these 3 pins have 0v. However, once the bad board is on using a charged battery, they then have 3.3v.

    Could it be that I have been unlucky in my choice of spare parts (they too are faulty???). The board has the exact same symptoms and voltages before and after both sets of changes. (ie the mosfets and the charging chip)

    Can anybody help me work out where the 19v voltage is disappearing to??

    Schematic attached.

    Thanks
    Attached Files
  • mon2
    Badcaps Legend
    • Dec 2019
    • 14662
    • Canada

    #2
    Re: Y580 works on battery, but not with charger

    Hi.

    Measure and post the voltages (to ground) for the attached with the adapter only. Remove the battery.
    Attached Files

    Comment

    • mon2
      Badcaps Legend
      • Dec 2019
      • 14662
      • Canada

      #3
      Re: Y580 works on battery, but not with charger

      After the above voltage checks, proceed to check each mosfet for shorts / leaks.

      Remove all power - no adapter & no battery.

      Meter in resistance mode (2k is ok).

      1) Measure and post the resistance for the following:

      between Source (1-2-3) & Drain (5-6-7-8) of PQ301
      between Source (1-2-3) & Gate (4) of PQ301
      between Gate (4) & Drain (5-6-7-8) of PQ301

      2) Repeat the same procedure for PQ302:

      between Source (1-2-3) & Drain (5-6-7-8) of PQ302
      between Source (1-2-3) & Gate (4) of PQ302
      between Gate (4) & Drain (5-6-7-8) of PQ302

      Then again for PQ310 & PQ312.

      Comment

      • pingaroon
        Senior Member
        • Nov 2019
        • 121
        • uk

        #4
        Re: Y580 works on battery, but not with charger

        Hi, and thanks for your assistance here - much appreciated.

        Here are values as requested:
        Val 1 19.45v
        Val 2 18.87v
        Val 3 0.93v
        Val 4 18.52v (gate)
        Val 5 18.54v (gate)
        Val 6 0v (ACDET)
        Val 7 0v (SDA)
        Val 8 0.93v (SCL)
        Val 9 0.93v (ILIM)
        Val 10 and Val 11 - see attached photo - I don't have a boardview, so I don't know which PC308 and PC309 are. They connect directly to PR301, the current resistor, but the schematic shows 4 pins but PR301 has just 2 ends?? The voltages on pins 1 and 2 of the chip both have 0V

        Resistances:
        PQ301
        S-D 2.1M
        S-G 199K
        G-D 594K

        PQ302
        S-D 9.6M
        S-G 199K
        G-D 10M

        PQ310
        S-D 900K
        S-G 153K
        G-D 1.09M

        PQ312
        S-D 125K
        S-G 196K
        G-D 630K

        Thank you.
        Attached Files

        Comment

        • mon2
          Badcaps Legend
          • Dec 2019
          • 14662
          • Canada

          #5
          Re: Y580 works on battery, but not with charger

          PR301 appears to be barely touching the bottom side pad.

          Can you confirm that it indeed is soldered properly onto this pad? Without PR301, the switching regulator will believe that the rail is being pulled down to zero volts = too much current to support so shut it down.

          Val 6 0v (ACDET)
          Val 7 0v (SDA)
          Val 8 0.93v (SCL)
          These are not valid and should be much higher.

          ACDET should be > 2V
          SDA & SCL should be about 3v ~ 3v3 due to pull-up resistors that are common to I2C (SMBUS) interfaces.

          See attached. Try to locate these 2 resistors that create the ACDET voltage.

          They are a resistor based voltage divider to accept the adapter (high voltage of 19v) and then lowering to a safe value for the charger IC. It should not be 0V for this junction. When this pin is 2V or higher, then the charger IC knows the adapter is connected.

          The mosfet resistance values look ok.
          Attached Files
          Last edited by mon2; 11-21-2021, 11:24 AM.

          Comment

          • mcplslg123
            Badcaps Legend
            • Jun 2015
            • 7262
            • india

            #6
            Re: Y580 works on battery, but not with charger

            Val 3 0.93v-This is also not correct. Should be 19V. This ppin is CMSRC and without proper 19V here, ACDRV will not work.

            Comment

            • pingaroon
              Senior Member
              • Nov 2019
              • 121
              • uk

              #7
              Re: Y580 works on battery, but not with charger

              Hi, ok I couldn't get anywhere with the ACDET, but that 19V->2.7V action still requires the 19v input which is missing. I think I had some bad luck with the 1st 2 mosfets I swapped out (PQ301 and PQ302). I changed them again for some other channel p and now I have 19v on PR301 (yes it is soldered on normally)! So some success. However, now the board powers on briefly and starts to spin the fan, then cuts power immediately when using the charger. When using the battery, it all works normally still, so it's not a dodgy buck power supply. Now, with both charger AND battery, you get a flashing orange charging light (about 10 times), then it cuts out (with the board off).

              I think I'll try to get hold of some original SI4459 mosfets (as per schematic) for pq301 and pq302 and see what happens. I'm currently using a 4407A at pq301 and a 4483A at pq302.

              Comment

              • mon2
                Badcaps Legend
                • Dec 2019
                • 14662
                • Canada

                #8
                Re: Y580 works on battery, but not with charger

                ACDET is based on a simple resistor voltage divider and makes use of VIN which is the raw DCIN from the adapter (no mosfets are involved).

                Can you confirm the value of ACDET? If this is not working then the resistors involved @ PR313 and PR317 need to be reviewed or replaced. If necessary, remove PC321 and check the value of ACDET again.

                Comment

                • mon2
                  Badcaps Legend
                  • Dec 2019
                  • 14662
                  • Canada

                  #9
                  Re: Y580 works on battery, but not with charger

                  Attaching the datasheet for the original and a suitable with improved specs for the first 2 mosfets. The replacement mosfet is available from Mouser at this time of posting. Believe it is a better mosfet than the original.

                  SI4497DY-T1-GE3
                  looks like an improved and valid replacement to the Si4459ADY (original).


                  https://www.mouser.com/ProductDetail...3l8dSp8P4e0%3D
                  Attached Files

                  Comment

                  • pingaroon
                    Senior Member
                    • Nov 2019
                    • 121
                    • uk

                    #10
                    Re: Y580 works on battery, but not with charger

                    Originally posted by mon2
                    ACDET is based on a simple resistor voltage divider and makes use of VIN which is the raw DCIN from the adapter (no mosfets are involved).

                    Can you confirm the value of ACDET? If this is not working then the resistors involved @ PR313 and PR317 need to be reviewed or replaced. If necessary, remove PC321 and check the value of ACDET again.
                    Hi, with the 19v now on the main rail ACDET is still 0.
                    I think I've found the voltage divider for ACDET (see photo).
                    Measuring resistances shows PR313 as 11K and PR317 as 47K when they should be 65K and 390K respectively. So it looks like your theory may be good here. The voltage of the input to the input side of PR313 (which should presumably be VIN, or 19 right?) is only 6V, presumably because this resistor is faulty.

                    Will try to find a 350K resistor and see what happens..

                    Thanks
                    Attached Files

                    Comment

                    • pingaroon
                      Senior Member
                      • Nov 2019
                      • 121
                      • uk

                      #11
                      Re: Y580 works on battery, but not with charger

                      Originally posted by mon2
                      Attaching the datasheet for the original and a suitable with improved specs for the first 2 mosfets. The replacement mosfet is available from Mouser at this time of posting. Believe it is a better mosfet than the original.

                      SI4497DY-T1-GE3
                      looks like an improved and valid replacement to the Si4459ADY (original).


                      https://www.mouser.com/ProductDetail...3l8dSp8P4e0%3D
                      Thanks will order these.

                      Comment

                      • mon2
                        Badcaps Legend
                        • Dec 2019
                        • 14662
                        • Canada

                        #12
                        Re: Y580 works on battery, but not with charger

                        Try to flux and reflow the 2 resistors if they are the proper sites.

                        Given that you have 0 volts on ACDET, something is pulling that line down to ground OR not allowing the high 19V to pass through to the ACDET junction.

                        Try the following:

                        Remove all power.

                        Meter in resistance mode.

                        Check the resistance to ground of ACDET. What is the reading ?

                        While you are ordering the replacement mosfets, consider to order a bunch of these resistors for replacement (they are quite small and easy to lose). Order 1% if possible.

                        Comment

                        • pingaroon
                          Senior Member
                          • Nov 2019
                          • 121
                          • uk

                          #13
                          Re: Y580 works on battery, but not with charger

                          Hi, ok, PROGRESS.
                          Acdet voltage was actually fine. Like a chump, I made the schoolboy error of reading the pin direction incorrectly, so my voltage readings were using pin 10 as pin 1 clockwise, so
                          I was looking at pin 5 for acdet instead of the actual pin 6 which registers 2.7v - the expected voltage.

                          So this is where I am at. I now have a perfect board right next to this board. I compared the voltages on all the pins at PU301 and they are the same on both boards.

                          I was using a universal charger rated at 90W and it was this charger which was causing the board to power off. When I used the Lenovo charger, rated at 120W, the board stayed on. Doh, doh and double-doh...

                          So here is where I am at. The board now powers on with charger and battery plugged in, boots normally, starts charging the battery and the battery charging light comes on (white). After around 30 seconds or less, the charging stops, the voltage on the battery + suddenly drops by around 0.4 volts and the charging light flashes amber. unplug the charger and replug, same thing. The board remains on when this happens, with picture on the screen - it's just the charging that stops.

                          When I put my multimeter on the + battery terminal on the good board (battery not attached), the voltage is around 1.7v and the reading appears instantly and remains at 1.7v

                          On the bad board, the reading is initially 1.7v, but then steadily climbs to around 2.3v after plugging the charger in. This happens every time. So it seems it this climbing voltage which is somehow responsible for the charging to stop after a short time when the battery is plugged in.

                          Where to go from here? Sorry for wasting your time with my earlier mistakes.

                          Thanks.
                          Last edited by pingaroon; 11-25-2021, 05:37 PM.

                          Comment

                          • pingaroon
                            Senior Member
                            • Nov 2019
                            • 121
                            • uk

                            #14
                            Re: Y580 works on battery, but not with charger

                            So the voltage that goes to the + battery terminal which is rising steadily, connects directly with the PM chip PU301, specifically pins 12, 13 and 19. Voltage measured at these pins is the same as the voltage on the battery + terminal. When this voltage gets to a certain point as it rises, the protection kicks in and it stops charging (flashing amber lights). What could be making the voltage rise like that when it should be around 1.7v constant with a battery disconnected? Can anybody help?

                            Comment

                            • mon2
                              Badcaps Legend
                              • Dec 2019
                              • 14662
                              • Canada

                              #15
                              Re: Y580 works on battery, but not with charger

                              The BATT+ rail is also connected to the battery mosfet PQ303.

                              1) What are the voltages on PQ303 while the adapter is powering the logic & the battery is connected ?

                              Voltage on drain (5-6-7-8) ?
                              Gate (pin 4) ?
                              Source (1-2-3) ?

                              2) Next, remove all power (no adapter / no battery). Meter in resistance mode.

                              Check the details of PQ303 to see if it is defective:

                              resistance between source & drain ?
                              source & gate ?
                              gate & drain ?


                              3) ILIM on the charger IC is also an important configuration for the battery charging.

                              What is the ILIM voltage for the non-working logic board ?

                              ILIM voltage on the working logic board ? I believe you said that ILIM is the same on both boards but let us confirm again.

                              Comment

                              • pingaroon
                                Senior Member
                                • Nov 2019
                                • 121
                                • uk

                                #16
                                Re: Y580 works on battery, but not with charger

                                ok with battery in and the board on (charger voltage is 19.5)
                                PQ303:
                                Gate: 18.98
                                Source: 19.33
                                Drain: 10.35 (== the battery voltage)

                                While those voltages are as described, battery charge light is on (it's orange - I said white earlier because the battery had reached full charge!), and the board is behaving normally.

                                Then when the battery charge flashes amber (the battery stops charging), the gate voltage drops at the same time suddenly to 3.7V.

                                All the resistance readings are haywire - I don't have an autoranging multimeter, but it won't settle down, so I can't seem to get a fixed reading in any of the directions??

                                The mosfet at PQ302 is an AO4423 (https://alltransistors.com/mosfet/tr...ansistor=20422)

                                After taking the readings, I changed it for another 4423 - same result, so I don't think it's the mosfet. The schematic has PQ301, PQ302 and PQ303 as SI4459 mosfets. The good board I have (which looks brand new) had substituted these for AO4483. Looking up the AO4423, this has higher specs than the datasheet, so should be fine right? I don't have any other 4483, or 4459 mosfets to use at the moment.

                                PU301 Pin 10 ILIM reading is 1.32V on good and bad board.

                                Thank you

                                Comment

                                • mon2
                                  Badcaps Legend
                                  • Dec 2019
                                  • 14662
                                  • Canada

                                  #17
                                  Re: Y580 works on battery, but not with charger

                                  1) What is the voltage of PL401, pin # 1 on both logic boards ?

                                  2) Voltage on pin #1 & #6 of PU401 while the battery is charging ? When the charger cuts the power to the battery ?

                                  3) What voltage readings do you see for the same on the working board ?

                                  Comment

                                  • pingaroon
                                    Senior Member
                                    • Nov 2019
                                    • 121
                                    • uk

                                    #18
                                    Re: Y580 works on battery, but not with charger

                                    Hi, I couldn't find any difference between the good and bad boards, even after the battery charging was cut on the bad board and in all combinations of states (board on/off, battery in/out)

                                    PL401 = 3.3v
                                    PU401 pin 1 = 0.85v
                                    PU401 pin 6 = 1.49v


                                    Thanks

                                    Comment

                                    • mon2
                                      Badcaps Legend
                                      • Dec 2019
                                      • 14662
                                      • Canada

                                      #19
                                      Re: Y580 works on battery, but not with charger

                                      See attached.

                                      Attach the power adapter (no battery).

                                      Measure and post the requested values.

                                      The Si4459 are p-channel mosfets. Therefore the GATE must be NEGATIVE voltage with respect to the SOURCE / DRAIN voltages to turn ON the mosfet.

                                      From your post # 4, the GATE = ~source / drain values so we have a fault as the mosfet is not being requested to turn on.

                                      The issue may be linked to the mosfet @ PQ308 which when turned ON, applies the pull-down resistor @ PR307 (confirm this resistor is onboard).

                                      When PR307 is enabled, the gate will be pulled down to turn on the mosfets.
                                      Attached Files

                                      Comment

                                      • pingaroon
                                        Senior Member
                                        • Nov 2019
                                        • 121
                                        • uk

                                        #20
                                        Re: Y580 works on battery, but not with charger

                                        Hi, I traced the unmarked resistors so have a much clearer idea of what is what underneath PQ301 and PQ302. Best to disregard earlier readings, as a dodgy charger and possibly bad mosfet were still in place. The board does now work normally albeit for a brief period whereas before it didn't reach that stage.

                                        Voltages with no battery attached:
                                        Good Board, Bad Board
                                        1: 19.5, 19.5
                                        2: 19.5, 19.5
                                        3: 19.5, 19.5
                                        4: 1.58, 8.3v (ie gate voltage much higher on bad board)
                                        5: 3.28, 0v (!)
                                        6: 3.26, 3.28

                                        How is the pin 4 gate voltage generated at this stage and why would it be so much higher on the bad board? Is PC303 responsible for dropping voltage? I don't understand the role of a capacitor like this which has neither end connected to ground. (my limited knowledge)

                                        I checked resistances of all the components in this part of the circuit and they match the schematic on both boards.

                                        PR307 is indeed present, but the area you specifically mentioned (PR307/PQ308) have different voltages to the good board, so promising!

                                        Many thanks.

                                        Comment

                                        Related Topics

                                        Collapse

                                        Working...