Motherboard la-9532p_r1.0
Problem:
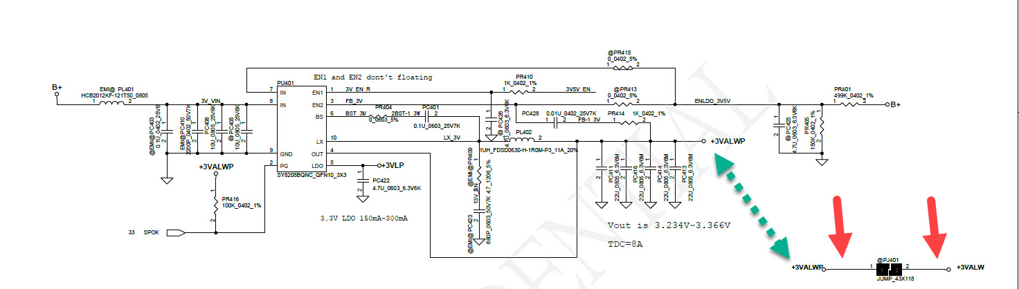
- Doesn't react to power button and doesn't charge battery
- The PU401 SY8208BQNC_QFN10_3X3 gets extremely hot when connecting
the power adapter.
Compal circuits show:
a SY8208DQNC_QFN10_3X3 on page 38 (PU601)
(an adjustable step-down switchmode converter with a feedback reference voltage of 0.6V)
and
a SY8208BQNC_QFN10_3X3 on page 35 (PU401)
(appears to be a fixed 3V converter)
I have replaced the PU401 IC and the problem persists and apparently the PU601 IC is also damaged.
Is it possible to use -for testing- a SY8208BQNC_QFN10_3X3 (+3VLP) as a replacement for SY8208DQNC_QFN10_3X3 (+3VALW) ???
Could you tell me how to find the cause of the PU401 regulator problem?
Greetings to All !!!
Problem:
- Doesn't react to power button and doesn't charge battery
- The PU401 SY8208BQNC_QFN10_3X3 gets extremely hot when connecting
the power adapter.
Compal circuits show:
a SY8208DQNC_QFN10_3X3 on page 38 (PU601)
(an adjustable step-down switchmode converter with a feedback reference voltage of 0.6V)
and
a SY8208BQNC_QFN10_3X3 on page 35 (PU401)
(appears to be a fixed 3V converter)
I have replaced the PU401 IC and the problem persists and apparently the PU601 IC is also damaged.
Is it possible to use -for testing- a SY8208BQNC_QFN10_3X3 (+3VLP) as a replacement for SY8208DQNC_QFN10_3X3 (+3VALW) ???
Could you tell me how to find the cause of the PU401 regulator problem?
Greetings to All !!!


Comment