HP dag54amb6d0 No Power

Collapse
X
 
  • Time
  • Show
Clear All
new posts
  • ronelex
    Senior Member
    • Oct 2016
    • 195
    • Philippines

    #1

    HP dag54amb6d0 No Power

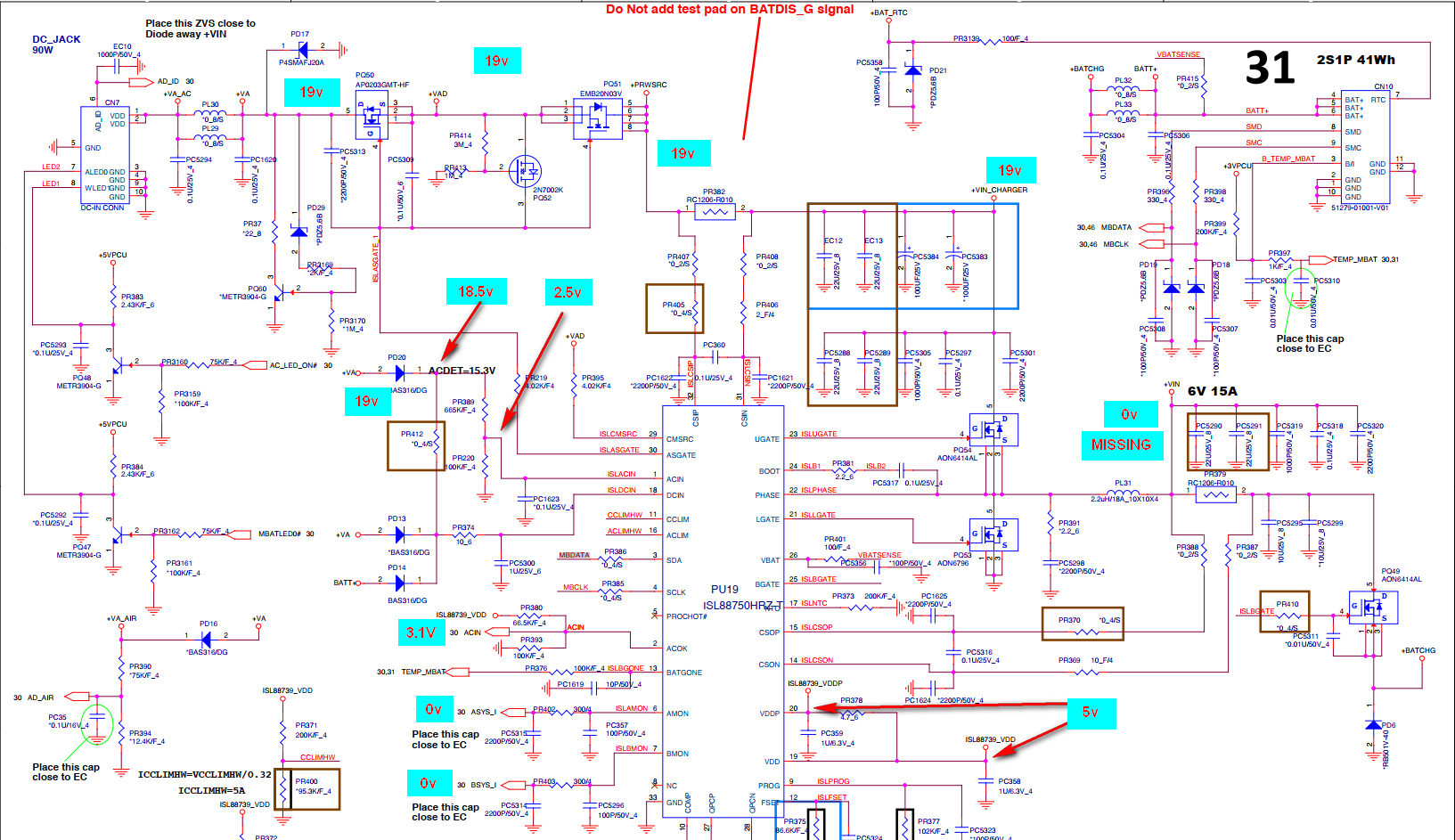
    I have this unit came from other shop, NO light on the charger.
    missing VIN Supply that is used to power up main regulator and other supplies.
    I have checked the charging IC but it is different from the board that I worked before.

    U19
    pin 18 DCIN - 19v
    Pin 1 ACIN - 2.5v
    Pin 2 ACOK - 3.1v
    Pin 20 VDD - 5.2v
    Pin 19 VDD - 5.2v
    Pin 29 ISLCMSRC - 19v

    Attached Files
  • stingerchamp
    Badcaps Veteran
    • Sep 2020
    • 425
    • Pakistan

    #2
    Re: HP dag54amb6d0 No Power

    What is voltage on cmsrc line pin 29 and gate of pq50 and pin 30 of ic, also check pq54 for short to ground
    Last edited by stingerchamp; 11-21-2020, 06:57 AM.

    Comment

    • stingerchamp
      Badcaps Veteran
      • Sep 2020
      • 425
      • Pakistan

      #3
      Re: HP dag54amb6d0 No Power

      Adding above pin ,6 of ic should be high when ic detects valid adapter, it is a signal to Io that adapter present.

      Comment

      • ronelex
        Senior Member
        • Oct 2016
        • 195
        • Philippines

        #4
        Re: HP dag54amb6d0 No Power

        This is what I read on those pins
        PQ50 - 25v
        Pin 29 - 19v
        Pin 30 - 25v
        Pin 6 - 0v

        Comment

        • stingerchamp
          Badcaps Veteran
          • Sep 2020
          • 425
          • Pakistan

          #5
          Re: HP dag54amb6d0 No Power

          Voltage on ad_id?
          Did you check pq54 ?

          Also check pc357 and pc 5315 capacitors short to ground

          You said main regulator ? Which one

          Comment

          • ronelex
            Senior Member
            • Oct 2016
            • 195
            • Philippines

            #6
            Re: HP dag54amb6d0 No Power

            ad_id meausures 1.09v
            PQ5is god
            No short
            Idont know how to create the VIN Supply rail

            Comment

            • stingerchamp
              Badcaps Veteran
              • Sep 2020
              • 425
              • Pakistan

              #7
              Re: HP dag54amb6d0 No Power

              check pc357 and pc 5315 capacitors in beep mode

              Comment

              • ronelex
                Senior Member
                • Oct 2016
                • 195
                • Philippines

                #8
                Re: HP dag54amb6d0 No Power

                No beep at all sir
                it reads 0.600V in diode mode

                Comment

                • stingerchamp
                  Badcaps Veteran
                  • Sep 2020
                  • 425
                  • Pakistan

                  #9
                  Re: HP dag54amb6d0 No Power

                  Your charging ic is not working properly
                  Replace it, before replacing do check pq53 .
                  Last edited by stingerchamp; 11-25-2020, 06:48 AM.

                  Comment

                  • Sametbey
                    Badcaps Veteran
                    • Jan 2021
                    • 229
                    • Turkey

                    #10
                    Re: HP dag54amb6d0 No Power

                    looking at the measurement values in your first message, it seems that the PR382 is also a VIN voltage. U5101 bios can be improved with flash program. If u5101 in 8 pin 3.3 v
                    I'm not happy to be so strong. because it's not humanly

                    Comment

                    Related Topics

                    Collapse

                    • Tynan Dill
                      Vizio e601i-A3 - Has Sound and Display, But No Backlight - Bad Power Supply Board or Bad LED Bulbs ?
                      by Tynan Dill
                      I was given this TV from my great uncle. He said it just wouldn't turn on one day out of nowhere, replaced the TV, and gave it to me to possibly fix and use for myself.

                      Upon bringing it home and plugging it up, it showed a standby light.

                      I powered it on and without a flashlight, the display showed the "V" but the lighting is very dim, but visible.

                      The screen seems to blackout and stay black, but with a flashlight I can see the display.

                      With my Playstation 4 connected via HDMI, and running a game I can hear sound.

                      Assuming...
                      11-22-2024, 01:46 PM
                    • PantherDave
                      Microsoft Surface Pro (5th gen) model 1796 - no power
                      by PantherDave
                      Hi all!

                      I'm trying to troubleshoot a Microsoft Surface Pro (5th gen) model 1796 that won't power on. Motherboard model is M1007506-015. My priority is retrieving data, but the SSD is integrated so it looks like if I can't repair it it'll need to go to a data recovery company. I've done a little basic board repair before, but nothing this advanced until now. So please forgive my ignorance in advance. 😅

                      I found the boardview for this laptop in the forums here, and am able to open it on my PC with FlexBV.
                      https://www.badcaps.net/forum/troubl...-hardware-devi...
                      05-29-2024, 02:01 PM
                    • GLISIT
                      Asus Probook P5440UF-XB74 power issue
                      by GLISIT
                      Hi all,

                      TL;DR - this laptop is driving me nuts with the oddball power-related behaviors. Appreciate any insight you can provide!


                      I'm experiencing a power issue on an Asus Probook P5440UF-XB74. Although I've worked with electronics and computers for decades, this is my first attempt at getting into motherboard-level component troubleshooting. Any help the community can provide is greatly appreciated!

                      A few weeks ago I was using the laptop (on battery power) for a Zoom meeting. The battery was running very low (long meeting) but I wasn't worried about...
                      01-16-2025, 02:29 PM
                    • sam_sam_sam
                      Desoldering gun station modified to use a 18 volt @ 20 amp switching power supply
                      by sam_sam_sam
                      I have wanting to do this project for quite sometime now and I finally found a switching power supply that will work on this desoldering gun station ZD-915 that the original switching power supply took a shit and just was not worth trying to fix it because this switching power is not quite big enough to handle the heater element and the vacuum pump

                      One note when I tested the switching power supply and the voltage control board I noticed that this desoldering gun heat up much faster than the original switching power supply which I was really surprised by to the point that I might buy...
                      03-31-2024, 02:12 PM
                    • Document Archive
                      HP Pavilion Power Pavilion Power 15-cb009nl Notebook 15 Specification for Upgrade or Repair
                      by Document Archive
                      This specification for the HP Pavilion Power Pavilion Power 15-cb009nl Notebook can be useful for upgrading or repairing a laptop that is not working. As a community we are working through our specifications to add valuable data like the Pavilion Power 15-cb009nl boardview and Pavilion Power 15-cb009nl schematic. Our users have donated over 1 million documents which are being added to the site. This page will be updated soon with additional information. Alternatively you can request additional help from our users directly on the relevant badcaps forum. Please note that we offer no warranties that...
                      09-06-2024, 05:59 AM
                    • Loading...
                    • No more items.
                    Working...