Working on a dell LA-9104P Motherboard

Collapse
X
 
  • Time
  • Show
Clear All
new posts
  • NickyD-
    Member
    • Apr 2020
    • 25
    • United States

    #1

    Working on a dell LA-9104P Motherboard

    I have attached a picture of the schematic i am looking at.

    this motherboard when turn it on the power led lights up for .5-1sec and turns off.
    while i was checking the 19.5 volt ac adapter power rail i notice on the two p channel mosfets PQ100 and PQ101 there are both p channel mosfets, and from my understanding when a p channel mosfet gate has voltage the mosfet should be off and turns on when the gate is grounded.

    when i check the gate voltage for both of these mosfets the gate voltage is 19.5 , which i would assume turns them off not allowing current to flow. but when check the source and drain they both have 19.5 volts. am i missing something???
    Attached Files
  • piernov
    Super Moderator
    • Jan 2016
    • 4439
    • France

    #2
    Re: Working on a dell LA-9104P Motherboard

    Are you sure you are checking the correct pins? If PQ101 has exact same voltage on drain/source/gate it's probably shorted.
    OpenBoardView — https://github.com/OpenBoardView/OpenBoardView

    Comment

    • NickyD-
      Member
      • Apr 2020
      • 25
      • United States

      #3
      Re: Working on a dell LA-9104P Motherboard

      appreciate the response. i solder on two new mosfets. pq101 is acting as i suspect it to. pq100 has 19.5 volts on the gate and still has 19.5 volts on both source and drain.
      in pic circled in green... pq103 i measured pin 3 at at 19.55v, pin 2 at 0.035v, pin 1 at 0v
      pq104 pin 1 0.035v, pin 2 5.27v, pin 3 0v

      circled in purple pq114 pin 6 5.27, pin 2 0v, pin 1 0v, pin 3 19.55, pin 5 0v, pin 4 0v
      Attached Files

      Comment

      • piernov
        Super Moderator
        • Jan 2016
        • 4439
        • France

        #4
        Re: Working on a dell LA-9104P Motherboard

        PQ103 pin 1 is connected to PQ100's gate so something is not consistent there.
        OpenBoardView — https://github.com/OpenBoardView/OpenBoardView

        Comment

        • Ikung
          Member
          • Nov 2013
          • 34
          • Malaysia

          #5
          Re: Working on a dell LA-9104P Motherboard

          Originally posted by NickyD-
          I have attached a picture of the schematic i am looking at.

          this motherboard when turn it on the power led lights up for .5-1sec and turns off.
          while i was checking the 19.5 volt ac adapter power rail i notice on the two p channel mosfets PQ100 and PQ101 there are both p channel mosfets, and from my understanding when a p channel mosfet gate has voltage the mosfet should be off and turns on when the gate is grounded.

          when i check the gate voltage for both of these mosfets the gate voltage is 19.5 , which i would assume turns them off not allowing current to flow. but when check the source and drain they both have 19.5 volts. am i missing something???
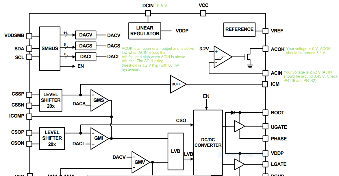
          Voltage on gates PQ100 and PQ101 should be around 8.36 V. Make sure PQ114 turns on and ACIN in high level (should be around 3 V).
          Attached Files
          Last edited by Ikung; 04-05-2020, 03:11 AM.

          Comment

          • NickyD-
            Member
            • Apr 2020
            • 25
            • United States

            #6
            Re: Working on a dell LA-9104P Motherboard

            just for the heck of it i removed transistor pq103 from the board and then checked the gate voltage again, they were still around 19v .
            then i removed pq114 and check the voltage again and it was still 19v at the gates. and where pq113 is marked on the board there is no mosfet there just blank pads. i there is no voltage at the current sensor. do you think power can somehow be leaking in from what ever p2 goes to.

            if it helps the schematic i am looking at can be found here:

            https://cdn.badcaps-static.com/pdfs/...8f64d7dba6.pdf
            Last edited by piernov; 04-05-2020, 02:06 PM. Reason: lowercase

            Comment

            • Ikung
              Member
              • Nov 2013
              • 34
              • Malaysia

              #7
              Re: Working on a dell LA-9104P Motherboard

              Originally posted by NickyD-
              do you think power can somehow be leaking in from what ever p2 goes to.

              if it helps the schematic i am looking at can be found here:

              https://cdn.badcaps-static.com/pdfs/...8f64d7dba6.pdf
              Normally, 19.5 V goes through PQ100 because of the body diode (even if it's turned off). Then the resistors PR101 and PR105 (a resistor divider) cause the voltage at the gates of PQ100/PQ101 to be 8.36 V (with PQ114 turns on). That turns them both on (PQ100 & PQ101).

              Better to do as much measuring as possible. Measure all pins on PU100.

              Comment

              • piernov
                Super Moderator
                • Jan 2016
                • 4439
                • France

                #8
                Re: Working on a dell LA-9104P Motherboard

                If you randomly remove parts without even measuring at least some voltage&resistance and reporting them here we can't help you.
                OpenBoardView — https://github.com/OpenBoardView/OpenBoardView

                Comment

                • NickyD-
                  Member
                  • Apr 2020
                  • 25
                  • United States

                  #9
                  Re: Working on a dell LA-9104P Motherboard

                  I follow. My intention was to see voltage dropped off, but after reading last couple post, I now understand why not to do that.

                  I didnt realize power always flowed thru p0100 due to the body diode.

                  Comment

                  • NickyD-
                    Member
                    • Apr 2020
                    • 25
                    • United States

                    #10
                    Re: Working on a dell LA-9104P Motherboard

                    Ok I'm measuring pu100 and on pin 26.. isnt the power input for the chip in order to work at all. Ac in is 2.62v.
                    ACOK is 0v and icout is .7v. Isnt icout also called vcc and is the power input for the chip to work

                    Comment

                    • Techtiger
                      Badcaps Legend
                      • Oct 2014
                      • 1602
                      • france

                      #11
                      Re: Working on a dell LA-9104P Motherboard

                      dont remove randomly parts if you need any help as piernov instructed

                      Originally posted by piernov
                      If you randomly remove parts without even measuring at least some voltage&resistance and reporting them here we can't help you.
                      Originally posted by NickyD-
                      Ok I'm measuring pu100 and on pin 26.. isnt the power input for the chip in order to work at all. Ac in is 2.62v.
                      ACOK is 0v and icout is .7v. Isnt icout also called vcc and is the power input for the chip to work
                      check the resistance to GND on PR102 make sure not short SGD on 1st 2 Fets ( check resistance 1st 2 Fets PQ100/101 ) whats is the voltage on PU100 pin 22 26? voltage on PR139 ? do you have a DC POWER LAB ?
                      Last edited by Techtiger; 04-06-2020, 09:57 AM.

                      Comment

                      • Ikung
                        Member
                        • Nov 2013
                        • 34
                        • Malaysia

                        #12
                        Re: Working on a dell LA-9104P Motherboard

                        Originally posted by NickyD-
                        Ok I'm measuring pu100 and on pin 26.. isnt the power input for the chip in order to work at all. Ac in is 2.62v.
                        ACOK is 0v and icout is .7v. Isnt icout also called vcc and is the power input for the chip to work
                        Can you measure all pins on PU100?
                        Attached Files

                        Comment

                        • NickyD-
                          Member
                          • Apr 2020
                          • 25
                          • United States

                          #13
                          Re: Working on a dell LA-9104P Motherboard

                          Pin 22: 19.55volts
                          Pin 26: .177 volts
                          Pin 2: 2.62 volts
                          Pin 4: .140 volts
                          Pin 13: .004 volts
                          Pin 27: .106 volts
                          Pin 28: .106 volts

                          All other pins not mentioned were 0v


                          I measured voltage on the gates of pq114 and didnt have any voltage and when measuring resistance from pin 2 of p0100 to the gates of pq114 its OL. If I'm not mistaken I would of expected to see 200k ohms due to pr139.

                          Pr139 isnt marked on the board either

                          Comment

                          • NickyD-
                            Member
                            • Apr 2020
                            • 25
                            • United States

                            #14
                            Re: Working on a dell LA-9104P Motherboard

                            Appreciate the assistance. Just really started digging into board repair to try and learn

                            Comment

                            • Ikung
                              Member
                              • Nov 2013
                              • 34
                              • Malaysia

                              #15
                              Re: Working on a dell LA-9104P Motherboard

                              Originally posted by NickyD-
                              Pin 22: 19.55volts
                              Pin 26: .177 volts
                              Pin 2: 2.62 volts
                              Pin 4: .140 volts
                              Pin 13: .004 volts
                              Pin 27: .106 volts
                              Pin 28: .106 volts

                              All other pins not mentioned were 0v
                              Something not right here. Can you turn on the laptop with charged battery (without adapter) only? Check both resistors value on PR116 and PR232.

                              Comment

                              • NickyD-
                                Member
                                • Apr 2020
                                • 25
                                • United States

                                #16
                                Re: Working on a dell LA-9104P Motherboard

                                Measuring resistance I found short to ground on pr121 current sensor. All three caps pc129 pc129 pc129 etc

                                When I test the battery pins on the board positive and negative terminals are shorted togather. Working on that path now

                                Comment

                                • NickyD-
                                  Member
                                  • Apr 2020
                                  • 25
                                  • United States

                                  #17
                                  Re: Working on a dell LA-9104P Motherboard

                                  Tell me if bad Idea. But something is shorting would pluggingac adapter in and spraying 91% isopropyl alcohol do damage

                                  Comment

                                  • NickyD-
                                    Member
                                    • Apr 2020
                                    • 25
                                    • United States

                                    #18
                                    Re: Working on a dell LA-9104P Motherboard

                                    Pc129, Pc130, pc139 were the caps I measured. My bad auto correct.

                                    But looks like everything on the circuit connecting to battery positive is shorted

                                    Comment

                                    • lapfix
                                      Badcaps Legend
                                      • Mar 2020
                                      • 2764
                                      • my workshop

                                      #19
                                      Re: Working on a dell LA-9104P Motherboard

                                      desolder PL100 and with diode mode test the impedance on the two sides ,side 1 from PU100 ,and side from pr121

                                      Comment

                                      • NickyD-
                                        Member
                                        • Apr 2020
                                        • 25
                                        • United States

                                        #20
                                        Re: Working on a dell LA-9104P Motherboard

                                        PL100 removed
                                        Resistance measurement: 0.2

                                        In diode mode measurement: 0.0000 volts

                                        Comment

                                        Related Topics

                                        Collapse

                                        Working...