HP 15-n027sa DA0U92MB6D0 not detecting charger / doesn't turn on

Collapse
X
 
  • Time
  • Show
Clear All
new posts
  • loser18
    Badcaps Veteran
    • Nov 2013
    • 274
    • UK

    #1

    HP 15-n027sa DA0U92MB6D0 not detecting charger / doesn't turn on

    Hey there...

    My problem is as described in title...

    I've got no DC jack light, when charger is plugged in. After presing power button the DC jack LED blinks 3 times and that's it.

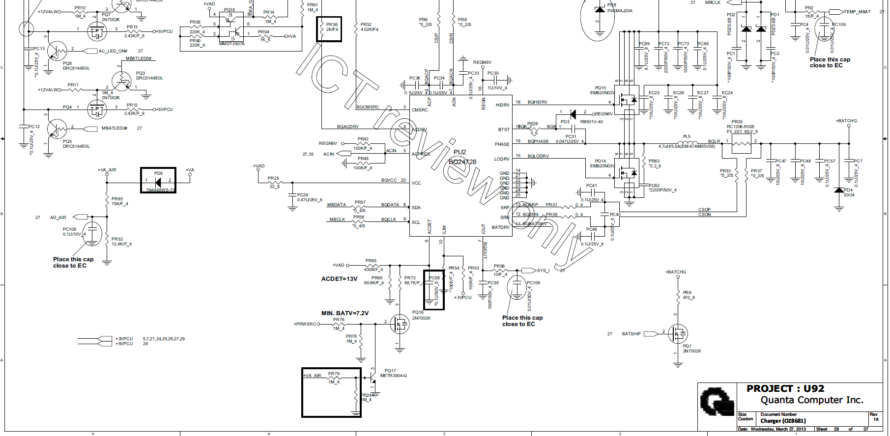
    So measured PU2 & PIN6 (ACDET) is only 2.7V...All other voltages on PU2 seems to be OK...
    Voltage on PR55 is 19V on one side & 2.7V on the other one...

    PU2 (BQ24728) voltages:

    PIN1=19V
    PIN2=19V
    PIN3=19V
    PIN4=25V
    PIN5=3V
    PIN6=2.7V???
    PIN7=0V???
    PIN8=3.3V
    PIN9=3.3V
    PIN10=3.3V
    PIN11=2.8V
    PIN12=2.8V
    PIN13=2.8V
    PIN14=0V (obviously AS GROUND)
    PIN15=0V
    PIN16=6V
    PIN17=6V
    PIN18=2.7V
    PIN19=2.7V
    PIN20=19V

    Also tried to re-flash BIOS SPI & replaced PQ16 & PQ17...

    Any help would be appreciated...Thanks
    Attached Files
    Last edited by loser18; 05-23-2018, 02:52 PM.
  • Stevie2001
    Senior Member
    • Apr 2018
    • 183
    • irland

    #2
    Re: HP 15-n027sa DA0U92MB6D0 not detecting charger / doesn't turn on

    Originally posted by loser18
    Hey there...

    My problem is as described in title...

    I've got no DC jack light, when charger is plugged in. After presing power button the DC jack LED blinks 3 times and that's it.

    So measured PU2 & PIN6 (ACDET) is only 2.7V...All other voltages on PU2 seems to be OK...
    Voltage on PR55 is 19V on one side & 2.7V on the other one...

    PU2 (BQ24728) voltages:

    PIN1=19V
    PIN2=19V
    PIN3=19V
    PIN4=25V
    PIN5=3V
    PIN6=2.7V???
    PIN7=0V???
    PIN8=3.3V
    PIN9=3.3V
    PIN10=3.3V
    PIN11=2.8V
    PIN12=2.8V
    PIN13=2.8V
    PIN14=0V (obviously AS GROUND)
    PIN15=0V
    PIN16=6V
    PIN17=6V
    PIN18=2.7V
    PIN19=2.7V
    PIN20=19V

    Also tried to re-flash BIOS SPI & replaced PQ16 & PQ17...

    Any help would be appreciated...Thanks
    Best thing is to get your self a dc power supply works flawlessly it is a must bench supply.

    With charger it can inject volts and if anything is blown inside the laptop then it cannot do anything further but with dc power supply it will reverse the power inject the voltage,this way the bad component will heat up and you can use your
    fingers
    freeze spray
    alcohol
    thermal camera

    to spot it and replace it,youtube dc power supply repair learn from it very good to diagnose.
    of course you use the multi-meter but its long process.
    thermal camera is what you can use to find faults using just the original adapter.

    change pu3 ISL6277
    Last edited by Stevie2001; 05-23-2018, 03:18 PM.

    Comment

    • loser18
      Badcaps Veteran
      • Nov 2013
      • 274
      • UK

      #3
      Re: HP 15-n027sa DA0U92MB6D0 not detecting charger / doesn't turn on

      THX for reply Steve...

      I've got a professional bench PSU already & do well understand electronics circuitry...The technique you're describing is good for "dead shorted" components, however my issue issue is different...

      Comment

      • Stevie2001
        Senior Member
        • Apr 2018
        • 183
        • irland

        #4
        Re: HP 15-n027sa DA0U92MB6D0 not detecting charger / doesn't turn on

        Originally posted by loser18
        THX for reply Steve...

        I've got a professional bench PSU already & do well understand electronics circuitry...The technique you're describing is good for "dead shorted" components, however my issue issue is different...
        change pu3 ISL6277

        Comment

        • loser18
          Badcaps Veteran
          • Nov 2013
          • 274
          • UK

          #5
          Re: HP 15-n027sa DA0U92MB6D0 not detecting charger / doesn't turn on

          Originally posted by Steve22
          change pu3 ISL6277
          You must have wrong schematics as PU3 is different chip in my one...Also ISL6277 got nothing to do with charger detection...

          Comment

          • Stevie2001
            Senior Member
            • Apr 2018
            • 183
            • irland

            #6
            Re: HP 15-n027sa DA0U92MB6D0 not detecting charger / doesn't turn on

            Originally posted by loser18
            You must have wrong schematics as PU3 is different chip in my one...Also ISL6277 got nothing to do with charger detection...
            your voltage is wrong so isl is main problem.

            PU8
            ISL6277A
            Last edited by Stevie2001; 05-23-2018, 03:31 PM.

            Comment

            • loser18
              Badcaps Veteran
              • Nov 2013
              • 274
              • UK

              #7
              Re: HP 15-n027sa DA0U92MB6D0 not detecting charger / doesn't turn on

              Originally posted by Steve22
              your voltage is wrong so isl is main problem.
              can u share shematic
              There's schematic...
              Attached Files

              Comment

              • Stevie2001
                Senior Member
                • Apr 2018
                • 183
                • irland

                #8
                Re: HP 15-n027sa DA0U92MB6D0 not detecting charger / doesn't turn on

                Originally posted by loser18
                there's schematic...
                pu8
                isl6277a


                change this guy
                should look like this but pu8 defo
                Last edited by Stevie2001; 05-23-2018, 03:35 PM.

                Comment

                • loser18
                  Badcaps Veteran
                  • Nov 2013
                  • 274
                  • UK

                  #9
                  Re: HP 15-n027sa DA0U92MB6D0 not detecting charger / doesn't turn on

                  Originally posted by Steve22
                  pu8
                  isl6277a


                  change this guy
                  should look like this but pu8 defo
                  This chip supplies voltages only when mobo is in S0 state & that's completely irrelevant to me...It's got nothing to do with charging circuit...

                  Comment

                  • Stevie2001
                    Senior Member
                    • Apr 2018
                    • 183
                    • irland

                    #10
                    Re: HP 15-n027sa DA0U92MB6D0 not detecting charger / doesn't turn on

                    Originally posted by loser18
                    This chip supplies voltages only when mobo is in S0 state & that's completely irrelevant to me...It's got nothing to do with charging circuit...
                    try it5

                    this chip controls voltages and if its short then you will get wrong voltages reading in some area or missing voltage.
                    the blinking led comes from this ic
                    Last edited by Stevie2001; 05-23-2018, 03:43 PM.

                    Comment

                    • loser18
                      Badcaps Veteran
                      • Nov 2013
                      • 274
                      • UK

                      #11
                      Re: HP 15-n027sa DA0U92MB6D0 not detecting charger / doesn't turn on

                      Originally posted by Steve22
                      try it5

                      this chip controls voltages and if its short then you will get wrong voltages reading in some area or missing voltage.
                      the blinking led comes from this ic

                      Replaced just for curiosity but the issue is still the same...

                      Comment

                      • SMDFlea
                        Super Moderator
                        • Jan 2018
                        • 21963
                        • UK

                        #12
                        Re: HP 15-n027sa DA0U92MB6D0 not detecting charger / doesn't turn on

                        PIN6 (ACDET) is ok .
                        Attached Files
                        All donations to badcaps are welcome, click on this link to donate. Thanks to all supporters

                        Comment

                        • loser18
                          Badcaps Veteran
                          • Nov 2013
                          • 274
                          • UK

                          #13
                          Re: HP 15-n027sa DA0U92MB6D0 not detecting charger / doesn't turn on

                          Originally posted by SMDFlea
                          PIN6 (ACDET) is ok .
                          So why I've got 3 blinks on DC Jack? I thought it's caused by charger not communicating with charging IC or KBC properly...Also can you PLS share the BQ24728 datasheet?Tried to google but couldn't find it...

                          Comment

                          • Stevie2001
                            Senior Member
                            • Apr 2018
                            • 183
                            • irland

                            #14
                            Re: HP 15-n027sa DA0U92MB6D0 not detecting charger / doesn't turn on

                            https://www.badcaps.net/forum/showthread.php?t=55032

                            Comment

                            • loser18
                              Badcaps Veteran
                              • Nov 2013
                              • 274
                              • UK

                              #15
                              Re: HP 15-n027sa DA0U92MB6D0 not detecting charger / doesn't turn on

                              Ok...

                              So the issue seems to be KBC (U14) or +3V rail as reads only 1.8V on PIN11 (VCC)...
                              I'm tired AF, so will update tomorrow...

                              Comment

                              • mcplslg123
                                Badcaps Legend
                                • Jun 2015
                                • 7262
                                • india

                                #16
                                Re: HP 15-n027sa DA0U92MB6D0 not detecting charger / doesn't turn on

                                Have you checked resistance to gnd on vcc pin of kbc?? Something must be pulling the voltage down from 3v to 1.8 v.

                                After a proprer measure you can try removing the kbc and then powering on mb(without kbc soldered) and observe the differences.

                                Comment

                                • mcplslg123
                                  Badcaps Legend
                                  • Jun 2015
                                  • 7262
                                  • india

                                  #17
                                  Re: HP 15-n027sa DA0U92MB6D0 not detecting charger / doesn't turn on

                                  Originally posted by Steve22
                                  try it5

                                  this chip controls voltages and if its short then you will get wrong voltages reading in some area or missing voltage.
                                  the blinking led comes from this ic
                                  Dear Steve, Dont give suggestions which have no logic. Its a technical forum and there is no compulsion for anyone to comment without understanding it and thereby diverting the thought process in troubleshooting.

                                  Dont be offended by my criticism-its in your interest only.

                                  Comment

                                  • SMDFlea
                                    Super Moderator
                                    • Jan 2018
                                    • 21963
                                    • UK

                                    #18
                                    Re: HP 15-n027sa DA0U92MB6D0 not detecting charger / doesn't turn on

                                    Check PU6 and PQ35
                                    All donations to badcaps are welcome, click on this link to donate. Thanks to all supporters

                                    Comment

                                    • loser18
                                      Badcaps Veteran
                                      • Nov 2013
                                      • 274
                                      • UK

                                      #19
                                      Re: HP 15-n027sa DA0U92MB6D0 not detecting charger / doesn't turn on

                                      KBC Voltages:

                                      PIN71=0.8V???
                                      PIN11=1.8V???
                                      PIN74=3.3V
                                      PIN127=3.3V
                                      PIN26=3.3V(assume all other VSTBY have correct voltage)

                                      Resistance on PIN11 is about 114KΩ

                                      Comment

                                      • loser18
                                        Badcaps Veteran
                                        • Nov 2013
                                        • 274
                                        • UK

                                        #20
                                        Re: HP 15-n027sa DA0U92MB6D0 not detecting charger / doesn't turn on

                                        I was giving you wrong voltage of PIN 11 on KBC...I was reading PIN12 instead...Just checked it under microscope...Really sorry about that...

                                        KBC:

                                        PIN11=0V
                                        PIN12=1.8V

                                        The +3V should be suspend voltage so 0V is correct...
                                        Attached Files

                                        Comment

                                        Related Topics

                                        Collapse

                                        Working...