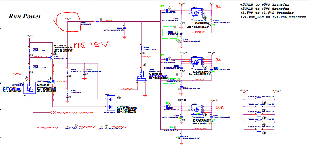
HP Probook 450 G1 charging white LED Continuously flashing after plgging the charger. I've programmed with fresh bios but still same problem. No 15v in run power section. Some days ago I got a probook 4540s with same problem. I couldn't fix that. Anyone here to help me?
The schematic is attached with a picture of 15v of page no 36.
The board model is
Rampage_MB
12241-1
48.4YW05.011
The schematic is attached with a picture of 15v of page no 36.
The board model is
Rampage_MB
12241-1
48.4YW05.011
Comment