ASUS N61JQ won't start

Collapse
X
 
  • Time
  • Show
Clear All
new posts
  • DeniS182
    Badcaps Veteran
    • Jun 2014
    • 328
    • Slovakia

    #1

    ASUS N61JQ won't start

    Hi all,
    I have problem with this notebook. When is power adapter connected , after press a power button only led around this button once blink and notebook don't turn on. After few pressing power button led stay on , but nothing happens, only black screen.. What you thinking? What is the problem? Is this graphic card problem? I ask you before disassembling.. thanks for answer.
    Denis.
  • jasko_jacker
    Badcaps Legend
    • Oct 2014
    • 1140
    • italy

    #2
    Re: ASUS N61JQ won't start

    In these cases, it is usually necessary to verify some voltage on the motherboard (bios ic, Super I / O, 5V and 3V, etc.) and you need to disassembly I assume you have to change ram ...
    After disassembly of the unit and tensions are present it is possible that there is a problem of bios and you can try to reprogram If you have the basic tools (multimetr etc.) I can help if a schematic is on the web.

    Comment

    • DeniS182
      Badcaps Veteran
      • Jun 2014
      • 328
      • Slovakia

      #3
      Re: ASUS N61JQ won't start

      Thanks for answer!
      I disassembly it yesterday and problem is in motherboard. Some component near voltage input connector is bad - I attached a photo. I mean it's a mosfet in SOP8. I don't measure other components, I can find schematic first. Someone have schematic of this notebook?
      Attached Files

      Comment

      • DeniS182
        Badcaps Veteran
        • Jun 2014
        • 328
        • Slovakia

        #4
        Re: ASUS N61JQ won't start

        Hi,
        can someone help me with this? I found service manual only for model N61JV. I attached this manual here and some screens.
        Second mosfet near this burned-out is 4435BZ and in schematic both mosfets are same. I have 4407A mosfet to replace this burned-out mosfet and I don't sure if this is good replacement? I have to replace both mosfets for same or I can replace only one bad mosfet with 4407A? Thanks for answer !
        Attached Files

        Comment

        • meritosari
          Senior Member
          • Oct 2010
          • 774
          • Indonesia

          #5
          Re: ASUS N61JQ won't start

          better you clean and desolder/remove burn mosfet first. then check if any short component especially another 4435bz.
          try with ohm red probe to component and black probe to grnd

          its really difficult to read pcb without marking, better way with board view + schematic

          sorry for bad english

          Comment

          • ktmmotocross
            Boardkiller
            • Feb 2014
            • 3627
            • slovakia

            #6
            Re: ASUS N61JQ won't start

            what else marking u need to know? u see J8803.

            Comment

            • DeniS182
              Badcaps Veteran
              • Jun 2014
              • 328
              • Slovakia

              #7
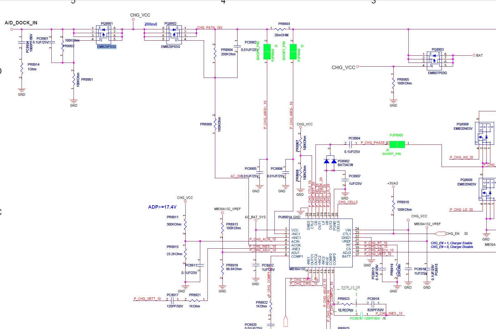
              Re: ASUS N61JQ won't start

              HI all,
              I replaced burned out mosfet and also second mosfet near this burned out. I used same type as original - 4435 - in schematic are both mosfets same. PCB under burned out mosfet was burned too and I had to connect gate of mosfet with wire - pad was damaged, but I measured where was connected .. Also I replaced 4 shorted ceramic capacitors. After replacing these components I connected motherboard to regulated power supply with current limiting set to 300mA, but it is not working. Without current consumption.

              edit:
              Now I look better to schematic and in there are mosfets drains connected to each other and on PCB are sources connected to each other.. Now I mean I need replace mosfet who I replaced before, with N-channel mosfet. I attached schematic and I don't know where on pcb is the part which I mark ???. Schematic from N61JV is too different. I'm confused now. Can someone help me? Thanks!
              Attached Files
              Last edited by DeniS182; 12-28-2014, 02:39 PM. Reason: add something

              Comment

              • meritosari
                Senior Member
                • Oct 2010
                • 774
                • Indonesia

                #8
                Re: ASUS N61JQ won't start

                try this, its a little different with your project, but i think its can help you.
                Attached Files

                Comment

                • DeniS182
                  Badcaps Veteran
                  • Jun 2014
                  • 328
                  • Slovakia

                  #9
                  Re: ASUS N61JQ won't start

                  Thanks for it, but i don't know how to open these files?
                  Last edited by DeniS182; 12-29-2014, 05:26 AM.

                  Comment

                  • meritosari
                    Senior Member
                    • Oct 2010
                    • 774
                    • Indonesia

                    #10
                    Re: ASUS N61JQ won't start

                    Originally posted by DeniS182
                    Thanks for it, but i don't know how to open these files?
                    asus tsic
                    Attached Files

                    Comment

                    • DeniS182
                      Badcaps Veteran
                      • Jun 2014
                      • 328
                      • Slovakia

                      #11
                      Re: ASUS N61JQ won't start

                      I opened it with this program thanks. This pcb layout is same as in service manual who is attached in fourth post, but not same as my motherboard.. Can I find type of mosfet from this pcb layout in asus tsic? I opened some .dat file in excel, but for example PQ8903 is no type written here. Only values of resistors, capacitors, inductors...

                      edit:
                      I found this motherboard on ebay and I asked the seller what is written on these mosfets and he answered me - 4835gm a3779g and both are identical.
                      Last edited by DeniS182; 12-29-2014, 08:00 AM. Reason: add something

                      Comment

                      • DeniS182
                        Badcaps Veteran
                        • Jun 2014
                        • 328
                        • Slovakia

                        #12
                        Re: ASUS N61JQ won't start

                        I can't find where is input voltage connected. I measured 19V only on connector. Also I tried to find it with ohm-meter..Connector is good soldered to pcb and input voltage is not elsewhere than in the area marked in the picture. Can someone help with this?
                        Attached Files

                        Comment

                        • meritosari
                          Senior Member
                          • Oct 2010
                          • 774
                          • Indonesia

                          #13
                          Re: ASUS N61JQ won't start

                          i think after dc connector is L6003 & L6004, see my attachment. look like as caps, but a bigger than caps. but be carefull.

                          i'm not a master, so be patient. wait and see if any guy for better suggestion, cause its 19v rail. very dangerous to other component with low volt
                          Attached Files

                          Comment

                          • DeniS182
                            Badcaps Veteran
                            • Jun 2014
                            • 328
                            • Slovakia

                            #14
                            Re: ASUS N61JQ won't start

                            Good idea! These are capacitors what I replaced because they were short-circuited ( 0.6ohm) but if these is L6003 & L6004 it's makes sense. Thanks and I wait for other answer.

                            Comment

                            • DeniS182
                              Badcaps Veteran
                              • Jun 2014
                              • 328
                              • Slovakia

                              #15
                              Re: ASUS N61JQ won't start

                              Because no answers here I tried jumped this L6003,l6004 and now it doing the same thing as in first post. Only all leds blinks once.. Can someone help me? I will measure what you need to help me. Thank you.

                              Comment

                              • DeniS182
                                Badcaps Veteran
                                • Jun 2014
                                • 328
                                • Slovakia

                                #16
                                Re: ASUS N61JQ won't start

                                Without CPU motherboard stay on..

                                Comment

                                • meritosari
                                  Senior Member
                                  • Oct 2010
                                  • 774
                                  • Indonesia

                                  #17
                                  Re: ASUS N61JQ won't start

                                  without adapter and battery, try to measure the resistance in all large coil.

                                  Comment

                                  • DeniS182
                                    Badcaps Veteran
                                    • Jun 2014
                                    • 328
                                    • Slovakia

                                    #18
                                    Re: ASUS N61JQ won't start

                                    0.3-0.4R on all

                                    Comment

                                    • Th3_uN1Qu3
                                      Believe in
                                      • Jul 2010
                                      • 6031
                                      • Romania

                                      #19
                                      Re: ASUS N61JQ won't start

                                      You're measuring wrong then. You should measure the resistance between one end of the coil (doesn't matter which one) and ground, which would be one of the mounting holes of the motherboard.
                                      Originally posted by PeteS in CA
                                      Remember that by the time consequences of a short-sighted decision are experienced, the idiot who made the bad decision may have already been promoted or moved on to a better job at another company.
                                      A working TV? How boring!

                                      Comment

                                      • DeniS182
                                        Badcaps Veteran
                                        • Jun 2014
                                        • 328
                                        • Slovakia

                                        #20
                                        Re: ASUS N61JQ won't start

                                        Of course , sorry. I marked two coils with low resistance on picture. Only on 1 coil I measured stable resistance , near cpu - 10-12 ohm. Others are not measurable, often changing the value on lcd.
                                        Attached Files

                                        Comment

                                        Related Topics

                                        Collapse

                                        • lazaro.089
                                          Asus Zephyrus M16 / GU603ZW problem
                                          by lazaro.089
                                          Full name/ Model: Asus Zephyrus M16 / GU603ZW-M16.I93070T
                                          CPU: Core i9-12900H
                                          Onboard 8GB DDR5 4xMT60B1G16HC-48B:A

                                          Problem: This laptop was brought to the shop with the board already meddled with. Last technician (maybe without the right tools) removed an electrolytic capacitor (PCE9203) sensing resistor (PRS9801) and probably flashed both BIOS (U2802) and VBIOS(U7802).
                                          The laptop's behavior is: When connected, it tries to power up. CPU powers on, and (allegedly) the power sequence finishes and goes to S0 (PLT_RST = 3.3V). It consumes 600mA, ramps up to 1.100 A and...
                                          08-26-2025, 06:33 PM
                                        • AtelierRepa
                                          ASUS X712JA problem
                                          by AtelierRepa
                                          Hello,

                                          I have a problem with the bios, let me explain.

                                          With BIOS 1, the pc takes +- 30 seconds to display the ASUS logo (black screen) and to boot.

                                          I did a clear ME, my black screen problem for 30 seconds at boot is solved, it gives me directly the display and boots quickly.

                                          My problem is that now, once the charger is plugged in and I put a slight load on the processor, it bogs down to 0.39GHz...
                                          The only solution is to unplug the charger to get the cpu back up to speed. But as soon as I plug in the charger, it goes straight back down....
                                          06-15-2024, 04:33 AM
                                        • greg1985
                                          Asus dabkxmb18b0 rev.b bios problem
                                          by greg1985
                                          Hi. I bought a damaged Asus motherboard, model dabkxmb18b0 rev.b. The problem with the motherboard was a faulty processor.
                                          I replaced the processor, but it arrived without a BIOS chip. I found one post on the forum, but my problem is
                                          I don't know which chip to program, and I don't have a schematic. Does anyone know which BIOS chip models are compatible with this motherboard? If so, please let me know. Thanks.
                                          10-20-2025, 11:34 AM
                                        • boticario
                                          problem with asus tuf A17 FA707NUR
                                          by boticario
                                          Hello everyone,

                                          I’m trying to recover an ASUS TUF Gaming A17 FA707NUR (Ryzen + RTX 4050, 2023 model).
                                          The laptop powers on, fans spin, but the dGPU (NVIDIA) is not properly initialized — sometimes it shows up in Device Manager with Code 43, sometimes black screen.
                                          After several BIOS downgrades/upgrades (versions 300, 301, 303) and EC resets, it thinking looks like the EC firmware (IT5570VG-256) might have a persistent fault or flag stored in flash.

                                          I already extracted the BIOS .CAP files and DXE sections with UEFITool and IFRExtractor, but I couldn’t find...
                                          10-18-2025, 04:37 PM
                                        • boticario
                                          problem with asus tuf A17 FA707NUR
                                          by boticario
                                          Hello everyone,

                                          I’m trying to recover an ASUS TUF Gaming A17 FA707NUR (Ryzen + RTX 4050, 2023 model).
                                          The laptop powers on, fans spin, but the dGPU (NVIDIA) is not properly initialized — sometimes it shows up in Device Manager with Code 43, sometimes black screen.
                                          After several BIOS downgrades/upgrades (versions 300, 301, 303) and EC resets, it thinking looks like the EC firmware (IT5570VG-256) might have a persistent fault or flag stored in flash.

                                          I already extracted the BIOS .CAP files and DXE sections with UEFITool and IFRExtractor, but I couldn’t find...
                                          10-14-2025, 08:38 PM
                                        • Loading...
                                        • No more items.
                                        Working...