la-c582p blown transistor

Collapse
X
 
  • Time
  • Show
Clear All
new posts
  • mawa1105
    Member
    • Nov 2021
    • 16
    • Germany

    #1

    la-c582p blown transistor

    I found a blown transistor (q24) in the picture. I replaced it, and it blew again 🤔
    If I measure the Voltage while turned on without the transistor on the pads, it is 10V, 3.3V, 0V The resistance if turned on: High, High, 0.
    Anny idea how I could proceed?

    Regards
    Mawa
    Attached Files
  • mon2
    Badcaps Legend
    • Dec 2019
    • 14659
    • Canada

    #2
    Hi.

    1) never measure resistance with the power on.

    2) what is the part number of the original component? Which part was applied as the replacement?

    3) do make a note of the pin #1 dot on the top surface of this part. Most likely the part polarized.

    Comment

    • mawa1105
      Member
      • Nov 2021
      • 16
      • Germany

      #3
      Hi,
      Resistance with power off:
      5 MOhm, 55 KOhm, 0,2ohm.
      The part is supersmall but As far as I can read on a similar looking one on the other side its F28 (Picture attatched)
      Pin 1 is marked in another picture.

      Thanks in advance
      Mawa


      Attached Files

      Comment

      • mon2
        Badcaps Legend
        • Dec 2019
        • 14659
        • Canada

        #4
        From the LA-C581P schematic, Q24 = TPCF8002. There is a polarity to the component so be 100% the replacement is aligned in the same orientation as the original. Part should be inexpensive so do order some spares and test again.

        Q24 = TPCF8002

        reference:

        TPCF8002 N Channel MOS 30V 7A SOT23-8 MARKING F2B Low drain-source ON resistance Low leakage current|Welcome to Eric Online Store - Shenzhen ERIC Electronics Co., Ltd. (eric1688.com)


        Tpcf8002 Printing F:2b F28 F2b Sot23-8 - Contactors - AliExpress​


        Datasheet is attached.


        Click image for larger version  Name:	Q24_LAC581P.jpg Views:	0 Size:	122.6 KB ID:	3167232
        Last edited by mon2; 12-23-2023, 11:02 AM.

        Comment

        • mawa1105
          Member
          • Nov 2021
          • 16
          • Germany

          #5
          Hey,
          I tried it again, with a desoldered part from another board. Same phenomenon. Its blowing imedeately and the Fan starts spinning continously.
          Maybe there is sth. wrong with the "Think-Engine"? The IC U101, thats controlling this little Mosfet?

          Also Im struggling to find where VCC3M and VCC3B is comming from?! Could you tell me on which page in the Datasheet it is listed?

          Thanks for your awesome support.


          Attached Files

          Comment

          • mon2
            Badcaps Legend
            • Dec 2019
            • 14659
            • Canada

            #6
            Suspecting that you have an excessive loading condition on VCC3B which is causing this mosfet to burn out.

            Remove all power -> meter in resistance mode -> measure the resistance to ground of VCC3B. Perhaps a good idea to flux and carefully remove this now defective mosfet out of the circuit before you make the resistance measurement.

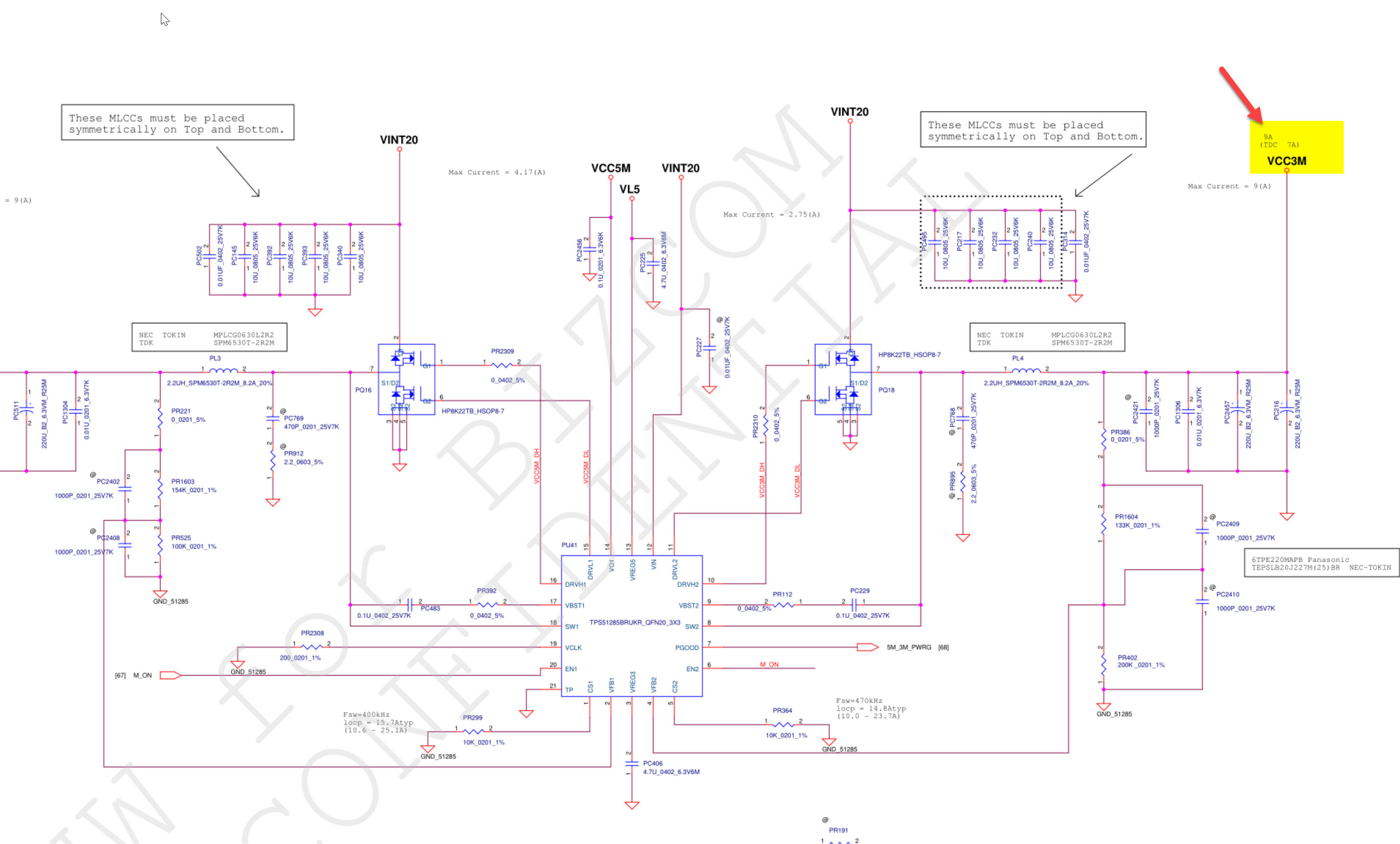
            Will post the source of this switched power rail in a sec from the other similar board schematic. In summary, this mosfet is acting like a solid state relay to power the downstream rail of VCC3B ON / OFF. When it is ON, the load is too much and burns out this part.


            VCC3M = power rail producer.
            VCC3B = power rail consumer.

            Click image for larger version  Name:	vcc3m.jpg Views:	0 Size:	456.4 KB ID:	3167276

            Comment

            • mawa1105
              Member
              • Nov 2021
              • 16
              • Germany

              #7
              EDIT: I mixed the readings between working and broken😣

              Okay,
              on the broken board, that I need to run once again:
              between Pin 5 and GND we have 0,3Ohm
              between Pin 4 and GND 8,45KOhm
              between Pins 123678 and Pin 4 10k (rising)
              between Pins 123678 and Pin 5 440Ohm /Reversed Polarity: 500k

              on the initial not broken board:
              between Pin 5 and GND we have 2k (rising)
              between Pin 4 and GND 11,65kOhm
              between Pins 123678 and Pin 4 10k (rising)
              between Pins 123678 and Pin 5 3kOhm (rising)

              Could c19 be broken? And how can I identify "Cs" there is no writing on the silkscrenn.

              Thanks so far.
              I have the feeling it might boot up sometime again...
              Last edited by mawa1105; 12-23-2023, 03:11 PM.

              Comment

              • mon2
                Badcaps Legend
                • Dec 2019
                • 14659
                • Canada

                #8
                Is it possible that the readings are reversed from the good to the bad part?

                pin #5 to ground are the measurements of interest.

                if a low resistance = heavier load = burning out this mosfet.

                Comment

                • mon2
                  Badcaps Legend
                  • Dec 2019
                  • 14659
                  • Canada

                  #9
                  Ok - now the readings are making sense. Pin #5 resistance is the root cause of the mosfet damage.

                  Do you have any connected cables to the main logic board? If yes, remove each and check if the pin #5 resistance increases.

                  Would you have an adjustable power supply for voltage injection? Often can be used to heat up the shorted part on the board.


                  Comment

                  • mawa1105
                    Member
                    • Nov 2021
                    • 16
                    • Germany

                    #10
                    Jeah... Sorry, mixed the readings..

                    when I apply a voltage from my laboratory power supply, ther is a current of 3A at 3V immediately flowing. But nothing is getting noticably hotter...

                    How can I find the the short circuit?

                    Comment

                    • mawa1105
                      Member
                      • Nov 2021
                      • 16
                      • Germany

                      #11
                      There is nothing connected to the board. Not even the Wifi-card

                      Comment

                      • mon2
                        Badcaps Legend
                        • Dec 2019
                        • 14659
                        • Canada

                        #12
                        Are you applying this voltage from your external power supply onto pin # 5 where there is the low resistance? If yes, someone is heating up and this part must be located. Apply IPA (Costco pharmacy alcohol is great) onto the board and then perform this voltage injection. The area where the IPA evaporates fastest due to the heating process is the guilty component.

                        Comment

                        Related Topics

                        Collapse

                        • cind12
                          GTX 1080 TI Gigabyte Aorus low resistance on vmem
                          by cind12
                          Hi guys, i was wondering, i've got 9Ohms on Vmem, one of the mosfet was shortet to ground, so i've desoldered hi and low mosfets nad still low res, then i removed all of the memory chips, and the resistance is still low, so did you had maybe a card with that low res on memories, and the card was working fine ?
                          Removed the U1866Q and still without result, i dont have thermal cam so can't see where is hot spot when incjeting voltage.
                          The resistance on core is ok 0.1Ohm ((Power 0.8V when on)
                          Resistance on 12V 4K ohms (Power present when on)
                          Resistance on 12V PEX 4K ohms...
                          12-08-2023, 09:09 AM
                        • Nagy Daniel
                          Lowest possible resistance on laptop motherboard rail - Guide Table request
                          by Nagy Daniel
                          Hi, I'm Daniel, and I'm new to the world of repairing motherboards.

                          I would like to create a table, or more likely a guideline about the voltage rails and their possible resistance rail.

                          I know that the motherboard design has a very big depend on the rail's resistance, but I would like to know what is the smallest value for a rail that can be acceptable. For example, I heard that some new gaming motherboards can have 0,5 Ohm resistance on the GPU rail, but on an older type, it could be a sign of a shorted GPU rail.

                          So, I generated a table with AI so I can...
                          03-04-2025, 08:24 AM
                        • cmlewis89
                          LG 47LB5DF blown power supply board
                          by cmlewis89
                          Hi folks,

                          I'm new to this forum. So my trusty 17-year-old LG 47" LCD recently died. As I was booting it up, I heard a hum followed by a loud bang, sounds of pieces flying around, and loss of power to the unit. Inspecting the PSU, I saw two obvious problems: a blown thermistor (bang + flung pieces) and a visibly bulging main cap. Inspecting as many components as I could with my Fluke MM, I diagnosed that the following components on the "hot side" of the board were also bad: one of the 2 main MOSFETs, main 8A fuse, small cap (25V 47uF) connected to main caps, and a blown...
                          09-03-2024, 07:50 PM
                        • gcrezz
                          GV-N2060OC-6GD REV 2.0 GIGABYTE video card troubleshooting assistance needed.
                          by gcrezz
                          The issue with this video card is the HDMI port. Specifically on pin 19 (Diode checks on all other pins are normal). When i do a diode check on it from the pin on the board itself, I have nothing. There is also no short on the pin. Resistance reads about 200k. Normally on any HDMI pin 19 I would expect some voltage drop anywhere from .5v to 1.2v but here, I have nothing. The card is operational and can be used via the displayPort ports, but not through the HDMI. Attached you will find the pdf schematics for the card on page 22. I have verified that all of the resistors on this line before the...
                          07-25-2024, 09:49 AM
                        • jamespeterh
                          APC SMART SUA 2200 XL 640-0800G REV 7 cannot detect any load placed
                          by jamespeterh
                          Hi, all

                          I've posted a similar Q&A on alternative site but this site seems to be more focused in saving UPS.

                          The system is a SUA 2200XL Rev 7 230V 640-0800G Rev 7

                          I have UPS that has a strange fault, it does not show or indicate any load on the system, via display or internally coms, LED test front panel works all light up.
                          has anyone else seen a fault like this , operates but no load recorded, or just blown one of the important non replacable IC's


                          1. internal monitoring via cable direct into the CPU that no load is present even...
                          06-21-2025, 06:19 PM
                        • Loading...
                        • No more items.
                        Working...