La-7912p

Collapse
X
 
  • Time
  • Show
Clear All
new posts
  • ziko07
    Senior Member
    • Jun 2021
    • 99
    • Somewhere

    #1

    La-7912p

    Hi, I have 2 same bords for repair
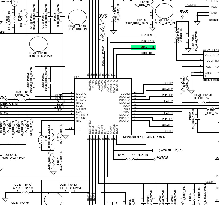
    -On first one I founded shorted first fet and a shorted CAP to mail rail. I tought will be ok but there is missing +VGFX_CORE voltage. Same controler for +VGFX_CORE and +CPU_CORE
    +CPU_CORE is present on both phases. I found 15 Ohms on UGATE1G on controler that drive highside fet (on other board this pin is in kohms)
    Can be only this part of controler shorted internally?

    -second power led ok when press button VR_ON present but no +CPU_CORE

    First board take 28mA,what I think its much second board only 8mA,before pwrbtn pressed

    Any tips?
    See images, one for first other for second board
    Attached Files
    Last edited by ziko07; 09-15-2023, 09:50 AM.
  • mon2
    Badcaps Legend
    • Dec 2019
    • 14675
    • Canada

    #2
    Re: La-7912p

    Start with the voltage to ground of B+ main rail with the official and recommended power adapter.

    What is the measurement?
    Attached Files

    Comment

    • ziko07
      Senior Member
      • Jun 2021
      • 99
      • Somewhere

      #3
      Re: La-7912p

      its, 19.2v (not have ori adapter) I use labaratory bench power
      Speak for second board, but firs also has 19v powe rail OK

      Comment

      • Techtiger
        Badcaps Legend
        • Oct 2014
        • 1602
        • france

        #4
        Re: La-7912p

        is the Run Power sector work fine VS ? Link the schematic in the Schematic section

        Comment

        • ziko07
          Senior Member
          • Jun 2021
          • 99
          • Somewhere

          #5
          Re: La-7912p

          UPDATE:
          -first board had shorted first fet and shorted CAO on main rail (repl and and laptop start but no voltage on +VGFX_CORE coil

          -second ahd power but no VCC_core, and I saw no +5VS on CPU controler pin, actually +5vs was missingfrom +5valw to +vs, and found open 20k resistor (see image)

          Summary, now both boards has all power except voltage on +VGFX_CORE coil
          I not have LCD and testing on external HDMI but no have picture of course

          Now any other ingo about +VGFX_CORE

          Tnx
          Attached Files

          Comment

          • ziko07
            Senior Member
            • Jun 2021
            • 99
            • Somewhere

            #6
            Re: La-7912p

            There is PGOOD and PGOODG
            First is enable for CPU_CORE, second is for +VGFX_CORE
            As you can see from image on working cpu_core on both sides or resistor there is 3v3
            On not working PGOODG is 3v3 form one side of resistor only

            Resistance +VGFX_CORE to GND is 16 Ohms
            When board are powered take 650mA and I can see PCH getting hot and not have heat sink on it

            Also I put usb keyboard and no any light on keyboard, with both boards.
            5v is present on usb port
            Attached Files
            Last edited by ziko07; 09-15-2023, 01:15 PM.

            Comment

            • ziko07
              Senior Member
              • Jun 2021
              • 99
              • Somewhere

              #7
              Re: La-7912p

              I apologise for too many posts but I do car electronics, this is new for me.
              So,one board has shorted main rail, I fixed
              Second led comes ON but missed CPU_CORE voltage, I found open resistor because +5VS was missing, I fixed that too.
              Now....both boards fixed (were different problems) and both have no vgfx_core, so my final question is: is it possible because no screen connected? Because I doubt both boards now to have same problem after fixing other problems on them

              P.S. please see also above post, about no 3v3 on pgoodg line
              Last edited by ziko07; 09-15-2023, 01:50 PM.

              Comment

              • mcplslg123
                Badcaps Legend
                • Jun 2015
                • 7262
                • india

                #8
                Re: La-7912p

                This board doesnt require screen to be connected for post,so this cant be the reason for missing GFX core. Try replacing ISL95836,replacing the CPU and flashing a known good Main bios+EC.

                Comment

                • mcplslg123
                  Badcaps Legend
                  • Jun 2015
                  • 7262
                  • india

                  #9
                  Re: La-7912p

                  If you have oscilloscope, Measure Upper gate and lower gate of Fets on VGFX rail. you can expect 20-24V on UG and 5V on LG(Just a rough idea and may differ from board to board).

                  Comment

                  • Sephir0th
                    Badcaps Legend
                    • Oct 2020
                    • 1289
                    • Germany

                    #10
                    Re: La-7912p

                    I have the feeling in this thread +VGFX_CORE was confused with +VGA_CORE multiple times. The behaviour was discussed many times before. +VGFX_CORE is not a requirement to perform the P.O.S.T since it only shows up under load, like when loading the OS for example.
                    Last edited by Sephir0th; 09-16-2023, 02:41 AM.
                    FairRepair on YouTube

                    Comment

                    • ziko07
                      Senior Member
                      • Jun 2021
                      • 99
                      • Somewhere

                      #11
                      Re: La-7912p

                      Originally posted by Sephir0th
                      I have the feeling in this thread +VGFX_CORE was confused with +VGA_CORE multiple times. The behaviour was discussed many times before. +VGFX_CORE is not a requirement to perform the P.O.S.T since it only shows up under load, like when loading the OS for example.
                      I will search for screen to test that's I asked becouse can't be 2 boards same problem after repair other problems
                      Tnx

                      Comment

                      • ziko07
                        Senior Member
                        • Jun 2021
                        • 99
                        • Somewhere

                        #12
                        Re: La-7912p

                        Tried with screen,hdd,hdmi and not work, no image
                        Also when insert usb keyboard caps lock is not light
                        On DIMM_DRAMRST# has 1.5v, shouldn't be half voltage 0.75v ?

                        Comment

                        • ziko07
                          Senior Member
                          • Jun 2021
                          • 99
                          • Somewhere

                          #13
                          Re: La-7912p

                          I saw on YouTube when missing gfx they put external buck convertor. Can I try,what voltage exactly need?

                          Tnx

                          Comment

                          • mcplslg123
                            Badcaps Legend
                            • Jun 2015
                            • 7262
                            • india

                            #14
                            Re: La-7912p

                            Originally posted by Sephir0th
                            I have the feeling in this thread +VGFX_CORE was confused with +VGA_CORE multiple times. The behaviour was discussed many times before. +VGFX_CORE is not a requirement to perform the P.O.S.T since it only shows up under load, like when loading the OS for example.
                            Agree but only partially. On older boards with 1st-3rd gen socket type cpu,+VGFX Core is a must for posting and it appears as soon you trigger the Motherboard. Eg, Sony MBX-269.

                            Comment

                            • mcplslg123
                              Badcaps Legend
                              • Jun 2015
                              • 7262
                              • india

                              #15
                              Re: La-7912p

                              Originally posted by ziko07
                              I saw on YouTube when missing gfx they put external buck convertor. Can I try,what voltage exactly need?

                              Tnx
                              You can remove the +VGFX Coil and inject voltage on the consumer side. Should start with 0.5V and may gradually go up to maximum 0.9V. ANything higher will kill the cpu. Usually on older boards i inject 0.5-0.9V with my dc supply for test purpose.

                              Comment

                              • ziko07
                                Senior Member
                                • Jun 2021
                                • 99
                                • Somewhere

                                #16
                                Re: La-7912p

                                update: I get other ddr3 memory. put and finaly 0.45v on gfx and picture comes
                                now boart takes 08-0.9A before 0.65A

                                second board with new ram, it comes and goes off twice, in that time cpu core present and lost, "without ram memory cpu_core is present"
                                VR_ON signal is present
                                Any sugestion?

                                both board has same flash in both flash memory
                                now will play with second board

                                Tnx to all
                                Last edited by ziko07; 09-18-2023, 06:55 AM.

                                Comment

                                Related Topics

                                Collapse

                                • reessi
                                  Acer Alienware Nitro 5 (GH51G LA-L181P Rev: 1C) & Dell Alienware M15 (GDP50 LA-k452P Rev:1) - Both Shorted PCH (SRKMA)!
                                  by reessi
                                  Hello:

                                  I have both these laptops that appeared to have the same fault so I thought I would have a go at replacing the PCH as something to learn, they both are using the same PCH.


                                  I started on the ACER:

                                  Up on connecting power no signs of life but current is consumed from the bench power supply and the PCH is hot.
                                  All the caps on the top of the PCH are showing 0 ohms and the 3.3v rail is shorted.

                                  I followed the videos from Sorin, Electronics Repair School on Youtube heating from the bottom to install. I practised on around 10 scrap...
                                  10-29-2024, 11:31 AM
                                • Yanleb
                                  Panasonic TC-P50S1 shorted TXNSC1EDUU (TNPA4782AB) SC Board
                                  by Yanleb
                                  Hi every one. I just want to share the successful repair of my shorted Panasonic TNPA4782AB SC board.

                                  I don't usually do it but so many parts were shorted that I decided to buy the ShopJimmy repair kit instead of sourcing each components individually. Here is the list of components the kit contained, with a remark indicating if I needed that part or not :

                                  D608, good
                                  D618 RF101L4S, good (See warning 1 below)
                                  D619 RF101L4S, good (See warning 1 below)
                                  D865 RF101L4S, shorted (See warning 1 below)

                                  IC464 Inverter HA MC74HC1G14, shorted...
                                  03-09-2020, 12:00 AM
                                • BalkanBoy
                                  Dead Razer Blade 14 2022, shorted CPU?
                                  by BalkanBoy
                                  Hi,

                                  today I got Razer Blade 14, Ryzen 9 6900HX and RTX 3070Ti.

                                  Laptop was completely dead. I found shorted CPU VRM mosfet, shorted 19V mosfet and blown battery fuse.

                                  I replaced it all, but still on CPU coil where mosfet was shorted I got very low resistance, near 0 ohms. On other CPU coils I got around 3 ohms.

                                  Laptop now raises voltage on whole board, but still nothing comes on the screen. CPU gets 0.7V on all coils except the shorted one. CPU gets only slightly hot, below 40 C.

                                  I removed coil and injected 0.7V, it draw around...
                                  09-27-2024, 12:44 PM
                                • barry101
                                  Apple 820-3662 VCore shorted to ground.
                                  by barry101
                                  Hi, Would appreciate some help.
                                  I have an Apple Late 2013 15" A1398 MacBook Pro with Logic Board 820-3662.
                                  Get charger light but no fan spin or chime. No liquid damage.
                                  Found PPBUS and VCORE both shorted to ground. Other rails were ok.
                                  Removed VCORE MOSFETS U7310, U7320 and U7330. Found U7330 was in fact shorted.
                                  With the 3 MOSFETS removed, get PPBUS and fan spin. VCORE is still hard shorted to ground (0 ohms).
                                  Attempted voltage insertion on VCORE to locate short using bench supply set at 1.0 VDC and 4.95 Amps (max current for my...
                                  06-24-2025, 07:34 AM
                                • guizmo1967
                                  Dell Latitude 5501 LA-H181P shorted power rail
                                  by guizmo1967
                                  Hello,

                                  This is my problem:

                                  Laptop: Dell Latitude 5501
                                  Motherboard: EDC51 LA-H181P

                                  I have two power rails shorted to ground, +1.0V_PRIM and +3.3V_ALW_PCH. I removed solder on PJP302, +1.05VALWP (pad1) not shorted but +1.0V_PRIM (pad2) shorted.

                                  I also cleaned PJP38, pad1 not shorted, pad2 (+3.3V_ALW_PCH) shorted to ground.

                                  I measure the resistance of all the coils on the motherboard and they all were not shorted to ground except coil PL301 before I removed the solder on PJP302.

                                  I injected +1.05V - 2A...
                                  07-25-2023, 06:56 PM
                                • Loading...
                                • No more items.
                                Working...