820-02382-a

Collapse
X
 
  • Time
  • Show
Clear All
new posts
  • mrfxr
    Member
    • Sep 2015
    • 14
    • usa

    #1

    820-02382-a

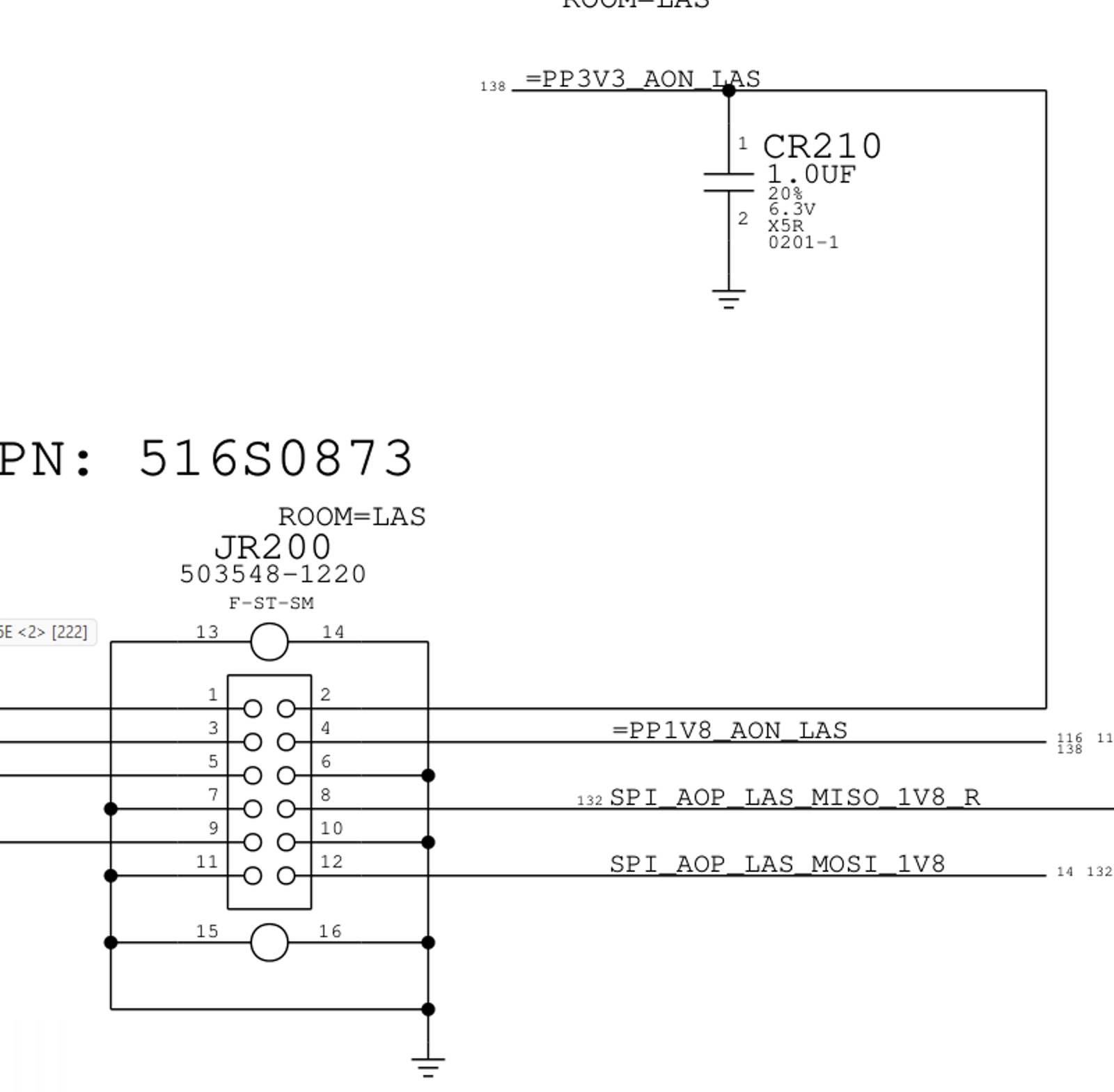
    just an FYI - just recently had an 820-02382-a in the shop - liquid damage - the area seems to be where this may be a common issue - wanted to note that the current boardview doesn't show the component that was corroded. and since i could not identify it with the boardview, i couldn't located the values on the schematic. but i went around it a different way.

    it was a capacitor located near U5660 - i pulled it then connected a wire to the line side. flipped the board and tested the connector JR200 on the flip side - turns out pin2 rang out. i was then able to head over to the schematic and looked up JR200 and it showed connected to CR210 0201 1.0uf 6.3v.

    found a replacement off of 820-00165 C5620 but i'm sure there are options elsewhere on the same board or other boards.

    hope this helps someone save some time.
    Attached Files

Related Topics

Collapse

  • survivalbloke
    Acer Predator Helios 300 - will not power up if battery is CONNECTED
    by survivalbloke
    This was a no power initially. Thanks to your help, I discovered it was the first mosfet, so I replaced. Now, the device will power up only if the battery is NOT connected. As soon as I connect the battery, it shuts off. If I connected the battery while the device is off, it simply will not respond to the power button. I replaced the battery, and while I suppose the new battery could be faulty, I'm assuming it is not. I'm having the same behavior with the new battery. I measure .2v at the charging coil. Manually applying power to the + and - at the battery header, there is no charging happening....
    06-25-2025, 12:20 PM
  • muhuruu
    PS5 too many USB devices connected
    by muhuruu
    Hello. I have a problem with a PS5 console that I bought to learn electronics repair. The auction description indicated that the console had been dropped. The HDMI port and USB ports were damaged. The HDMI port was replaced by the previous owner, and after his repair, the console worked for 2 days and then became dead. After receiving the console, I replaced all the USB ports. After replacing them, the console started to turn on. On the logo screen, it displays "too many USB devices connected". My further attempts to fix the error involved replacing the Southbridge, 4 TPS2001D chips,...
    05-19-2025, 07:14 AM
  • beogeek
    820-2915-A Wont power on with battery connected
    by beogeek
    Ok so this doing my head in and hopefully someone more knowledgeable will be able to assist.

    I've got a MacBook Pro 820-2915-A it will power on without the battery connected, but when the battery is connected it will do a 2,3-second fan spin when pressing the power button and then nothing.

    After measuring and probing around I found that R7051 was bad, reading high instead of 2.2Ω so I replaced it. Still the same issue, I have the green light on the charger but it won't power on or charge the battery.

    So to cut the long story short I've replaced U7000,...
    02-26-2022, 01:29 AM
  • versionlab
    Weird problem, laptop stays on when connected to another pc
    by versionlab
    Hi, I want to ask for advice about an interesting issue I've been having with a sony vaio laptop.

    Client came and said that "a desklamp touched the back of the lid while laptop was operating normally and it caused the office's circuit breaker to trip. Laptop had never turned on since".

    After taking the laptop apart (checked dc adapter everythin ok), I found a faulty MOSFET on the motherboard which I replaced. Laptop managed to turn on. However, while booting it shut down. Nothing else seemed faulty and thermals were ok. Shutting down was coming at random...
    10-26-2022, 03:43 AM
  • wraster
    Laptop stays on for only ~10sec when battery is connected, fine otherwise (Lenovo ThinkBook 15 G4 AMD)
    by wraster
    I have a Lenovo ThinkBook 15 G4 AMD (HLXB5 LA-M062P) that, when the battery is connected, starts up and shuts off in about 10 seconds, even when connected to power supply via USB-C charger. When the battery is disconnected, the computer stays on as in normal/expected operation (powered by USB-C charger input). I bought a new battery and see the exact same thing. My conclusion is it is not the battery itself but maybe some circuit or component involved in battery/DC-in crosstalk. I found a schematic but not boardview (request link below - sorry for the formatting, I'm not sure how to make an inline...
    Hi, I have a TB 15 Gen 4 that has an issue with the battery circuits. I believe the schematic is the same as this one: https://www.badcaps.net/forum/troubleshooting-hardware-devices-and-electronics-theory/troubleshooting-laptops-tablets-and-mobile-devices/schematic-requests-only/3522169-lenovo-thinkbook-14s-yoga-gen2-la-m062p
    02-25-2025, 11:33 PM
  • Loading...
  • No more items.
Working...