Asus tuf 506l FX506lh no power boot

Collapse
X
 
  • Time
  • Show
Clear All
new posts
  • azemar
    Member
    • Nov 2022
    • 46
    • France

    #1

    Asus tuf 506l FX506lh no power boot

    Hello I am contacting you because I have a tuf506l laptop which does not start just the keyboard and the power light which lights up for 1 second then nothing. I did not find a short circuit on the main rails. The battery charges well. I have already flashed the bios but no change. I also tried other rams even without any change either.Thank you in advance for your help .
    Last edited by azemar; 02-06-2023, 11:19 AM.
  • mon2
    Badcaps Legend
    • Dec 2019
    • 14663
    • Canada

    #2
    Re: Asus tuf 506l FX506lh no power boot

    Start with the charger IC review.

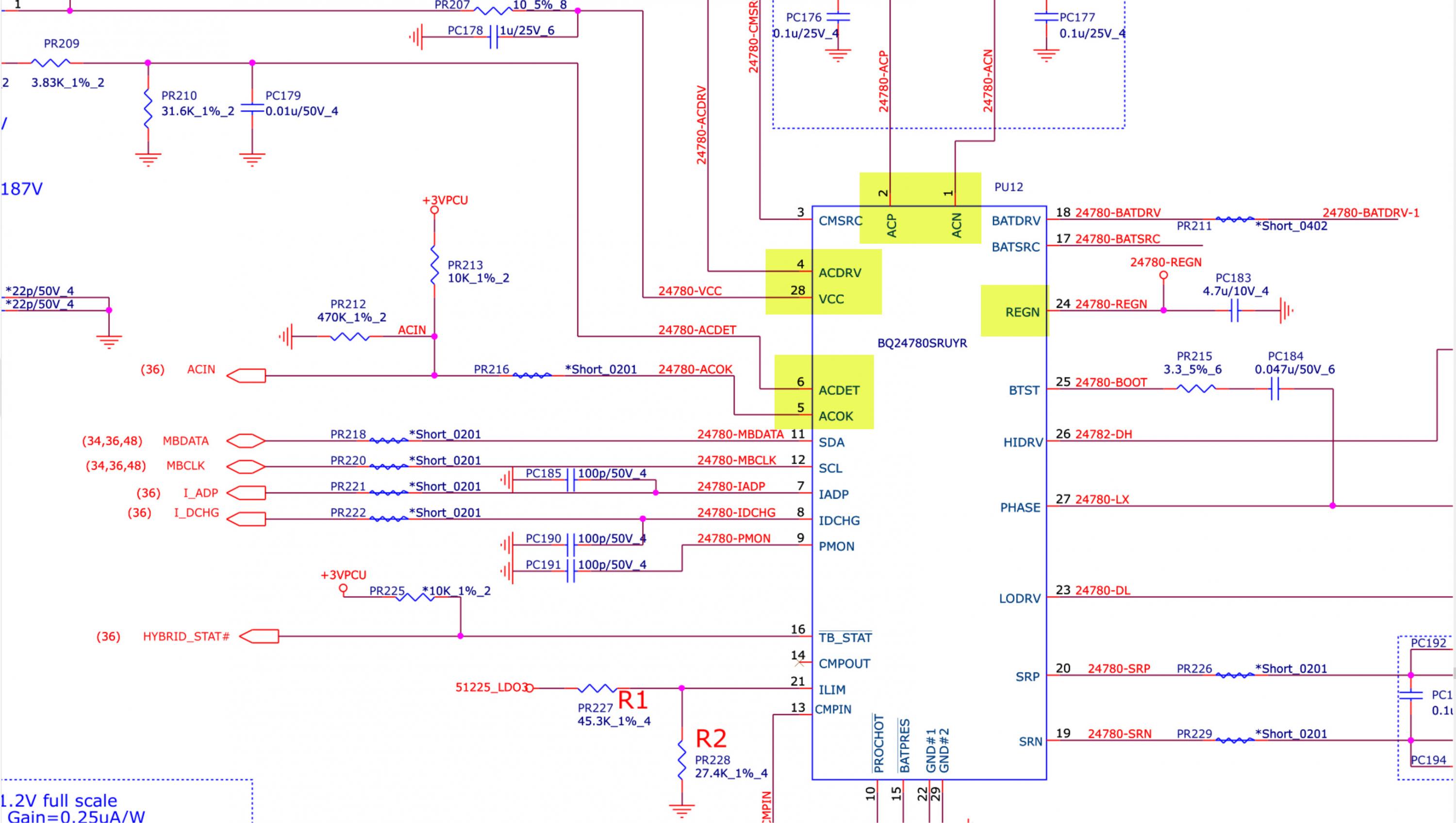
    Remove all power. Check the resistance to ground of the main power rail @ pin # 1 (ACN) of the BQ charger IC.

    What is the reading ?

    Assuming there is no short / low resistance, power up:

    Same pin - this is the main power rail and should be ~19 volts (steady).

    Also review the other highlighted pins as per attachment.
    Attached Files

    Comment

    • azemar
      Member
      • Nov 2022
      • 46
      • France

      #3
      Re: Asus tuf 506l FX506lh no power boot

      Originally posted by mon2
      Start with the charger IC review.

      Remove all power. Check the resistance to ground of the main power rail @ pin # 1 (ACN) of the BQ charger IC.

      What is the reading ?

      Assuming there is no short / low resistance, power up:

      Same pin - this is the main power rail and should be ~19 volts (steady).

      Also review the other highlighted pins as per attachment.



      here are the measurements on the BA charge

      1 on gnd = OL

      1=20.2v
      2=20.2v
      4=26.1v
      5=3.2v
      6=2.7v
      24=18.2v
      28=19.3v
      Last edited by azemar; 02-06-2023, 12:59 PM.

      Comment

      • mon2
        Badcaps Legend
        • Dec 2019
        • 14663
        • Canada

        #4
        Re: Asus tuf 506l FX506lh no power boot

        Can you check the voltage to ground on pin #24 (REGN) again?

        It should be ~6 volts.

        Comment

        • azemar
          Member
          • Nov 2022
          • 46
          • France

          #5
          Re: Asus tuf 506l FX506lh no power boot

          Sorry 24=6.04v

          Comment

          • azemar
            Member
            • Nov 2022
            • 46
            • France

            #6
            Re: Asus tuf 506l FX506lh no power boot

            Hello
            the computer boots now i don't know the reason but it gets very hot at the gpu power rail. if I take charge, it heats up much more and turns off after 30 seconds. on battery the computer stays on but it only lasts about 20 minutes because it consumes a lot.

            Comment

            Related Topics

            Collapse

            • meraklinetx
              Asus Z97-a power cycle, no boot no cpu voltage
              by meraklinetx
              Hello, I have an asus Z97-A motherboard and it doesn't start which was working properly before, the problem isn't related by ram, ram slots or psu (I changed all and nothing work), the exact problem is when you switch it on , it starts and after 1 seconds (no boot or display picture) it's off and then on cycle continuously until you power it off from psu also it's responding to the power switch for turning it off if you keep pressing it 3 or 4 seconds (power button pin has 3.3v) , also when you start it with eatx 12v socket connected this is happening (power cycle also all voltages are resetting...
              05-10-2023, 06:08 AM
            • jrodefeld
              Asus laptop won't boot (no power) - possible bad caps?
              by jrodefeld
              I would like to see if anyone could help me salvage a very expensive laptop that is no longer working.






              The model:
              Asus Zenbook Pro Duo UX582L

              I have used this laptop lightly since I purchased it new in 2022. I have always taken precautions to take care of it the best I could, and have never done anything that would risk causing damage to it or shorten it's life.

              However, around six months ago, the laptop stopped working on battery power. It continued to work fine when plugged in, but as soon as power was disconnected,...
              09-02-2024, 04:55 PM
            • Tynan Dill
              Vizio e601i-A3 - Has Sound and Display, But No Backlight - Bad Power Supply Board or Bad LED Bulbs ?
              by Tynan Dill
              I was given this TV from my great uncle. He said it just wouldn't turn on one day out of nowhere, replaced the TV, and gave it to me to possibly fix and use for myself.

              Upon bringing it home and plugging it up, it showed a standby light.

              I powered it on and without a flashlight, the display showed the "V" but the lighting is very dim, but visible.

              The screen seems to blackout and stay black, but with a flashlight I can see the display.

              With my Playstation 4 connected via HDMI, and running a game I can hear sound.

              Assuming...
              11-22-2024, 01:46 PM
            • PantherDave
              Microsoft Surface Pro (5th gen) model 1796 - no power
              by PantherDave
              Hi all!

              I'm trying to troubleshoot a Microsoft Surface Pro (5th gen) model 1796 that won't power on. Motherboard model is M1007506-015. My priority is retrieving data, but the SSD is integrated so it looks like if I can't repair it it'll need to go to a data recovery company. I've done a little basic board repair before, but nothing this advanced until now. So please forgive my ignorance in advance. 😅

              I found the boardview for this laptop in the forums here, and am able to open it on my PC with FlexBV.
              https://www.badcaps.net/forum/troubl...-hardware-devi...
              05-29-2024, 02:01 PM
            • ShadowAi
              ASUS TUF X570-PLUS doesn't power on: no VRM_EN signal.
              by ShadowAi
              Hello, I have an issue with the motherboard. Specifically, it doesn't power on, more precisely, the POST initialization doesn't occur.

              Let me start from the beginning, the motherboard suddenly stopped working one day. There are no beep signals from the speaker, and the debug LEDs are not lighting up. After inspecting it under a microscope and using thermal imaging, I didn't find anything that could be damaged.

              After that, I began voltage measurements, in which I noticed the absence of VDDQ, VDDP, VTT, and VPP lines. Later, I checked if there is an EN state on these lines,...
              03-15-2024, 10:46 AM
            • Loading...
            • No more items.
            Working...