Macbook A2141 820-01700

Collapse
X
 
  • Time
  • Show
Clear All
new posts
  • Instafixx
    Badcaps Veteran
    • Jul 2022
    • 374
    • India

    #1

    Macbook A2141 820-01700

    Hello,
    We have a Macbook A2141. LIQUID DAMAGE. Customer must have showed it somewhere , as many caps are are removed or burnt out around UB000 and U8900 (assuming this was the region of liquid spill)

    AMP Meter is Pulling 5V on all 4 Ports. (Using a 96W Charger)
    PPBUS_G3H is 12.3V.

    Can anyone help me out on this?
  • mon2
    Badcaps Legend
    • Dec 2019
    • 14659
    • Canada

    #2
    Re: Macbook A2141 820-01700

    Check the voltage to ground of each LDO rail of the ACE (CD 321x) controllers. Each ACE controller must be working to select the 20v power delivery contract from the power adapter.

    Post each measurement.

    Comment

    • Instafixx
      Badcaps Veteran
      • Jul 2022
      • 374
      • India

      #3
      Re: Macbook A2141 820-01700

      Originally posted by mon2
      Check the voltage to ground of each LDO rail of the ACE (CD 321x) controllers. Each ACE controller must be working to select the 20v power delivery contract from the power adapter.

      Post each measurement.
      PPVBUS_USBC_XA at 5V
      PPVBUS_USBC_XB at 5V
      PPVBUS_USBC_TA at 5V
      PPVBUS_USBC_TB at 5V

      When the charger is being plugged in the corresponding Ports.

      Comment

      • mon2
        Badcaps Legend
        • Dec 2019
        • 14659
        • Canada

        #4
        Re: Macbook A2141 820-01700

        No, there are pins on each controller with the pin name if LDO. Need to measure each such pin for a voltage.

        Comment

        • Instafixx
          Badcaps Veteran
          • Jul 2022
          • 374
          • India

          #5
          Re: Macbook A2141 820-01700

          Originally posted by mon2
          No, there are pins on each controller with the pin name if LDO. Need to measure each such pin for a voltage.
          Sorry but i am unable to understand. Can you please guide?

          Comment

          • mon2
            Badcaps Legend
            • Dec 2019
            • 14659
            • Canada

            #6
            Re: Macbook A2141 820-01700

            https://boards.rossmanngroup.com/thr...-solved.62923/

            In diode mode testing, remove all power. Meter in diode mode.

            Red meter probe, yes red, to ground.
            Black meter probe to point to test.

            Post your updates.

            Comment

            • Instafixx
              Badcaps Veteran
              • Jul 2022
              • 374
              • India

              #7
              Re: Macbook A2141 820-01700

              Originally posted by mon2
              https://boards.rossmanngroup.com/thr...-solved.62923/

              In diode mode testing, remove all power. Meter in diode mode.

              Red meter probe, yes red, to ground.
              Black meter probe to point to test.

              Post your updates.
              (Meter Set to 2k Scale)

              PP1V5_UPC_TA_LDO_CORE is 450 (CB304)
              PP3V3_UPC_TA_LDO is 450 (CB308 The Cap is Missing)

              PP1V5_UPC_TB_LDO_CORE is 450 (CB404 This Came Off When Testing)
              PP3V3_UPC_TB_LDO is 450 (CB408 The Cap is Missing)

              PP1V5_UPC_XA_LDO_CORE is 450 (C3104)
              PP3V3_UPC_XA_LDO is 350 (C3108)

              PP1V5_UPC_XB_LDO_CORE is 450 (C3204)
              PP3V3_UPC_XB_LDO is 350 (C3208)


              THE TA AND TB LOCATION IS THE AFFECTED AREA WITH MANY CAPS MISSING AS MENTIONED ABOVE ALSO.

              Comment

              • piernov
                Super Moderator
                • Jan 2016
                • 4439
                • France

                #8
                Re: Macbook A2141 820-01700

                SSD circuit (2V5 rail buck converter and SSD ICs) will most likely be damaged as it is so common after liquid damage on A2141
                OpenBoardView — https://github.com/OpenBoardView/OpenBoardView

                Comment

                • Instafixx
                  Badcaps Veteran
                  • Jul 2022
                  • 374
                  • India

                  #9
                  Re: Macbook A2141 820-01700

                  Originally posted by piernov
                  SSD circuit (2V5 rail buck converter and SSD ICs) will most likely be damaged as it is so common after liquid damage on A2141
                  How to resolve this?
                  PP2V5_NAND_SSD1 is at 0 Volts.

                  Comment

                  • mon2
                    Badcaps Legend
                    • Dec 2019
                    • 14659
                    • Canada

                    #10
                    Re: Macbook A2141 820-01700

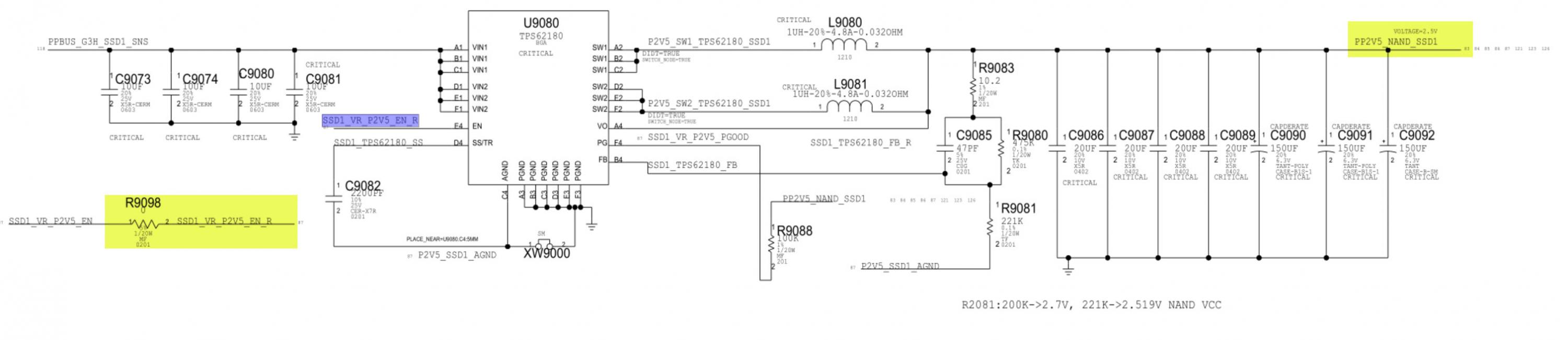
                    Focus on U9080.

                    What is the voltage to ground of SSD1_VR_P2V5_EN_R ?

                    You can measure @ R9098. This is the ENable pin for the missing voltage rail needed by the SSD.

                    If this EN pin is a logic '1' = high, then U9080 is being requested to turn ON but due to the possible liquid damage, the output is not present.

                    So this will mean that U9080 needs to be replaced.

                    With no power, do measure the resistance to ground of PP2V5_NAND_SSD1.
                    Attached Files

                    Comment

                    • Instafixx
                      Badcaps Veteran
                      • Jul 2022
                      • 374
                      • India

                      #11
                      Re: Macbook A2141 820-01700

                      Originally posted by mon2
                      Focus on U9080.

                      What is the voltage to ground of SSD1_VR_P2V5_EN_R ?

                      You can measure @ R9098. This is the ENable pin for the missing voltage rail needed by the SSD.

                      If this EN pin is a logic '1' = high, then U9080 is being requested to turn ON but due to the possible liquid damage, the output is not present.

                      So this will mean that U9080 needs to be replaced.

                      With no power, do measure the resistance to ground of PP2V5_NAND_SSD1.
                      SSD1_VR_P2V5_EN_R at R9098 is 0 Volts


                      Resistance at PP2V5_NAND_SSD1 is 70.
                      (Meter set to lowest scale i.e 200)

                      Comment

                      Related Topics

                      Collapse

                      • sofles
                        Macbook Pro 16" A2141 screen artefacts, kernel panic
                        by sofles
                        Hi there.

                        I have Macbook Pro 16" 2019, model number A2141, motherboard number 820-01700. I have some problem with dedicated graphic card. When Macbook switches to dedicated GPU it is getting instantly hot and starts to show glitches on screen, then it freezes (trackpad is not clicking anymore) and shuts down.
                        I tried to reinstall MacOS But it was a pain, it started to show glitches in middle of installation and I could not finish it. I only was able to reinstall MacOS when I put Macbook outside (it is winter and -2 Celcius).

                        Now situation looks like this, If...
                        02-05-2025, 05:05 AM
                      • Arshad alam4659
                        MACBOOK PRO A2141 SSD SHORT
                        by Arshad alam4659
                        I HAVE A MACBOOK PRO A2141 820-01700 THIS BOARD IS PP2V5_NAND_SSD1 SHORT TO GROUND THEN I CHECK ONE SIDE U8600 IS SHORT THIS SIDE IS ONLY ONE CHIP U8600 OTHER SIDE
                        PP2V5_NAND_SSD1 IS OK AND U9100 U9200 U9300 U9400 IS ALSO OK Will removing the U8600 fix the board or will I have to install a new one

                        Link to boardview --> https://www.badcaps.net/forum/troubl...91#post1449091
                        10-01-2024, 08:26 AM
                      • mitchw
                        MacBook Pro 16 M1 Pro Liquid Damage (820-02100)
                        by mitchw
                        Got a MacBook Pro M1 Pro 16'' to rescue immediately after liquid accident - I got it in less than 30 minutes after the spill.
                        It got spilled from behind when the laptop was closed. It mostly affected the rear of the mainboard and the bottom of the LCD.

                        I quickly took it apart and washed the liquid residue off the mainboard.
                        The area around the UP800 had some light corrosion, but it just washed away with some IPA. Other areas looked undamaged.

                        The mainboard got a thorough cleaning, as did the top case and LCD connectors / cables.

                        Now the laptop...
                        07-16-2025, 07:55 AM
                      • mon2
                        A1466 Macbook Air (Liquid damage repair)
                        by mon2
                        Hi. Recently serviced a damaged A1466 Macbook Air. Thought to post the issues and resolution for each.

                        Macbook AIR Model A1466 Diagnostic 09-01-2021

                        Issue: Liquid damaged (beer spill) Macbook AIR will not power up.


                        Problems & Resolutions

                        1) Attached Apple magsafe power adapter. No green / no orange light. This confirms the absence of the PP3V42_G3H voltage rail. The PP3V42_G3H rail is the primary voltage rail necessary to communicate with the magsafe power adapter to report the green or orange light status to the end user....
                        09-01-2021, 09:31 AM
                      • rounin
                        MacBook Pro A2442 (Board No. 820-02443-05) – Liquid Damage Repair Assistance
                        by rounin
                        Device Information
                        • Model: MacBook Pro 14” M1 Pro (A2442)
                        • Logic board number: 820-02443-05

                        Original Issue
                        The device suffered liquid damage, causing a short circuit on the logic board.
                        Near the audio jack area, the CR852 capacitor pad was severely burned, creating a clear short-circuit path. The board could not power on properly.

                        Work Performed
                        Removed the short circuit by drilling through the board (bypassing the short path) in the CR852 area.

                        Current Status
                        • When powered on, the screen shows support.apple.com/mac/restore....
                        10-20-2025, 11:15 PM
                      • Loading...
                      • No more items.
                      Working...