EVGA GTX 980 TI black screen when launching a game - Why?

Collapse
X
 
  • Time
  • Show
Clear All
new posts
  • fab13
    Senior Member
    • Dec 2021
    • 109
    • France

    #1

    EVGA GTX 980 TI black screen when launching a game - Why?

    I have a problem with an EVGA GTX 980 TI,

    I have a problem with an EVGA GTX 980 TI it displays a black screen when starting a game on the menu for example either in HDMI OR DISPLAY PORT.

    The basic problem is that the card does not boot, the FDMF 6823A mosfet shorts internally on the 12V line and I also changed an original one and now the card boots.

    Driver installation OK
    Detection of the card OK
    No black screen on the desktop
    No short circuit on the GPU
    All voltages stable

    The problem is when starting a game, black screen with the game sound in the background.
    The problem seems to happen at a higher current demand on the gpu.
    The card doesn't shut down and when I turn it back on the desktop is displayed.

    Work done
    - Changed again the controller by an original FDMF 6823A always black screen when starting a game (Value 6 Kohm on the 12 Volts seems ok), ohm test on the two internal mosfets at the gate ok about 30 Kohm) of the controller

    - Flash bios by a new version always black screen in game.

    What would be the cause ?
    Is it a bad soldering of the FDMF 6823A?
    What else should I check?


    Many thanks to you =D =D

    Translated with www.DeepL.com/Translator (free version)
    Attached Files
  • fab13
    Senior Member
    • Dec 2021
    • 109
    • France

    #2
    Re: EVGA GTX 980 TI black screen when launching a game - Why?

    See on GPUZ monitor everything seems detected

    1) GPU clock and well at 1102 mhz stable from the start of a game

    2) No code 43 in device manager

    What I just tried:
    Revert to old bios still same problem

    New 27 mhz crystal oscillator still same problem.

    I don't know what to do ^^
    Attached Files

    Comment

    • ktmmotocross
      Boardkiller
      • Feb 2014
      • 3628
      • slovakia

      #3
      Re: EVGA GTX 980 TI black screen when launching a game - Why?

      make memory error test

      Comment

      • ktmmotocross
        Boardkiller
        • Feb 2014
        • 3628
        • slovakia

        #4
        Re: EVGA GTX 980 TI black screen when launching a game - Why?

        try to run furmark on low resolution like 640x480

        Comment

        • fab13
          Senior Member
          • Dec 2021
          • 109
          • France

          #5
          Re: EVGA GTX 980 TI black screen when launching a game - Why?

          Thanks for the feedback.

          Still the same in low resolution 640x480 in HDMI or DP at launch furmark
          Still rotating fan.

          VCORE test goes from 0.93 V to 0 V during black screen which is logical and stays at 0
          Reboot of the card and display ok on the desktop etc..
          Mosfet VRAM test ok in kiloOhm
          Test of all mosfets FDMF 6823A Gate,LGATE value in kiloohm and PWM too.
          Vcore ok in ohm no short circuit

          Test Mats some slight errors not exceeding 64 ? The numbers are low?

          I am lost, my resources are empty
          Another idea or test =D
          Attached Files

          Comment

          • ktmmotocross
            Boardkiller
            • Feb 2014
            • 3628
            • slovakia

            #6
            Re: EVGA GTX 980 TI black screen when launching a game - Why?

            check function of all phases with scope

            Comment

            • fab13
              Senior Member
              • Dec 2021
              • 109
              • France

              #7
              Re: EVGA GTX 980 TI black screen when launching a game - Why?

              Checking all phases ok in the office and stable at 0.90V and even VRAM 1.50V
              As soon as the game is started 0V all phases Vcore and Vmeme and VPEX and with the thermal camera there is not one that overheats.
              I can hear a slight bang on the board but no short circuit.
              The previous owner tells me that he had to underclock the card to get it to work.

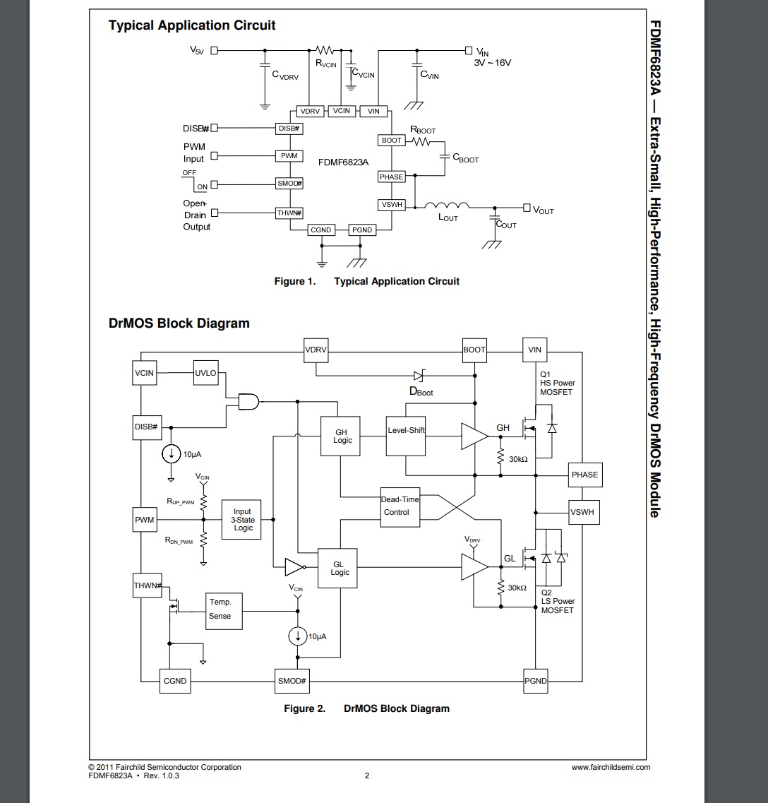
              Here are the measurements for each phase on the FDMF6823A dual mosfet controllers.
              All are approximately equal

              1 SMOD# = 300 Kohm / 0.7V diode mode
              2 Vcin= 1.7 k / 0.4V
              3 VDRV = 1.68 K / 0.45V
              4 Boot = Between 290 Kohm and 378 Kohm / 0.48V
              5 = Ground
              6 Gate Hight = Between 30 Kohm and 35K / 0.427 V
              7 PH = 2.4 ohm to GPU coil
              8 = NC
              9 to 14 = VIN = 12 Volts ok
              15 VSWH = 2.3 Ohm also goes to GPU coil
              16 to 28 = Ground
              29 and 35 = VSWH = 2.3 Ohm
              36 Gate Low = 30 Kohm / 0.427 V
              37 Ground
              38 THWN (Thermal warning flag) = No value
              39 Disb = between 290 kohm and 99 k
              40 PWM = between 6.2 Kohm and 7 Kohm = 0.427 V

              What is strange is that the first FDMF6823A row 1 on VIN pin 9 to 14 shows me no value in KOhm, Mohm, Ohm
              12V input measurement ok and 0.470 V

              Here's another idea? lol
              Attached Files

              Comment

              • ktmmotocross
                Boardkiller
                • Feb 2014
                • 3628
                • slovakia

                #8
                Re: EVGA GTX 980 TI black screen when launching a game - Why?

                i mean check function of vgpu phases with osciloscope

                Comment

                • fab13
                  Senior Member
                  • Dec 2021
                  • 109
                  • France

                  #9
                  Re: EVGA GTX 980 TI black screen when launching a game - Why?

                  Thanks for your feedback
                  Do you find anything wrong with the measurements?


                  Ouch lol I don't have an oscilloscope yet

                  Is that enough on Aliexpress?

                  https://fr.aliexpress.com/item/10050...yAdapt=glo2fra

                  Comment

                  • ktmmotocross
                    Boardkiller
                    • Feb 2014
                    • 3628
                    • slovakia

                    #10
                    Re: EVGA GTX 980 TI black screen when launching a game - Why?

                    better is usb scope like hantek or instrustar

                    Comment

                    Related Topics

                    Collapse

                    • HTR-Informatique
                      Dell G3 15 3500 - Battery bug (black screen and flashing keyboard backlight)
                      by HTR-Informatique
                      Hello,

                      YouTube video of the problem encountered: https://youtube.com/shorts/q7TLNv36LUo

                      I am a pro and I have a problem that I have never seen despite my 7.5 years of experience on my own and my thousands of repairs, on a customer's Dell G3 15 3500.

                      On this PC I have already changed the complete palmrest because the keyboard was no longer working properly.

                      I also changed the screen because the PC fell and the screen was broken.

                      I changed the battery with a new and original battery.

                      I also had corrosion/oxidation on the...
                      02-09-2025, 06:51 AM
                    • howardc64
                      A1312 (27” iMac 2009-2011) A1407 (Thunderbolt Display) A1316 (Cinema Display) Display Black Screen Repair
                      by howardc64
                      Problem

                      This is an LG edge LED lit LCD Display. The LEDs are on the bottom edge of the display. There are 2 bars (left and right) Each bar has many LEDs and a 6 pin connector. Each pin drive several LEDs thus is the highest current flow / heat junction. The weak lead free solder gradually fails with thermal expansion/contraction cycling and increases resistance. PSU will compensate up to a point, then when the current is too high, PSU just shut down the backlight causing a dark display. I have even seen one which the connector just fell off as solder points became completely detached....
                      08-04-2024, 10:36 PM
                    • VcemPzd
                      Black screen Lenovo legion 5 pro 16ACH6H gaming laptop
                      by VcemPzd
                      Hello everyone !

                      My name is Chris, I am a 30 years old embedded software developer working in the automotive industry. I am really passionate about learning new skills and repairing/crafting stuff. I came around this forum last week with the goal of repairing my faulty gaming laptop, indeed, I was video editing on it when suddenly a black screen popped and never disappeared I bought some stuff to try to repair it and learn as many things as possible about computer repairs but nothing worked so far. When the black screen appeared, my legion 5 pro was connected to my external monitor...
                      04-28-2025, 10:14 AM
                    • DaniK
                      Acer Aspire E5-574-52RH - black screen
                      by DaniK
                      Hi everyone,
                      I have this strange behaviour with Acer Aspire E5-574-52RH, i5 6200U, intel graphics, DA0ZRWMB6G0 Rev G, model ZRW.
                      Laptop came in for a SSD upgrade, took everything apart to install the SSD.
                      Everything started after modifying BIOS settings to boot UEFI instead of Legacy.
                      Laptop works fine, i installed windows 10 and drivers/updates, everything works ok(when it works)
                      The black screen problem is random, maybe 5 out 10 times, laptop remains with the black screen, no image

                      Symptoms are:
                      - random black screen after displaying Acer logo...
                      02-21-2024, 06:27 AM
                    • turmix
                      AOC U34G3XM, new monitor, black screen with backlight on, possible shortcircuit during dissassembly
                      by turmix
                      Hello, I'm working on a new deskmod pc project and have a problem with my monitor, an AOC U34G3XM, well, I may have bricked it.

                      The monitor was dismanteled and the separate parts parts integrated in the desk. the screen panel alone is on the upper part, and main board/video board + power board on the back of the desk (not enough place on the cover to fit it)
                      At first everything was working smoothly, then I decided to change the connexion between the video board and the screen for a longer one. Still working fine

                      During another reassembly, I made a mistake, and...
                      01-29-2024, 03:48 AM
                    • Loading...
                    • No more items.
                    Working...