Samsung Syncmaster 245BW

Collapse
X
 
  • Time
  • Show
Clear All
new posts
  • jetadm123
    Badcaps Legend
    • Feb 2010
    • 2169

    #521
    Re: Samsung Syncmaster 245BW

    Originally posted by tibimakai
    My problem is as everybody else's, black screen, power button is solid blue and no 5.3V or 24V(they are 0V). PFC stage won't start, it sits at 165V. No PS_ON voltage, only ST_BY.
    If you're seeing 5V ST_BY voltage, then that's what providing power to the logic board. If you're not seeing any voltage at the PS_ON pin when you press the on/off button, then I would suggest checking the voltage regulator(s) on the logic board for proper output.
    Last edited by jetadm123; 07-20-2012, 03:18 PM.

    Comment

    • tibimakai
      Badcaps Legend
      • Jan 2012
      • 3680
      • USA

      #522
      Re: Samsung Syncmaster 245BW

      I have measured today the PS_ON and it has the 3.2V. I have replaced all the capacitors, 3x68Ohm resistors, 18nF capacitor, the main 82uF one also, just in case because I want to keep it for myself. Maybe these help in a way, but it still won't start.
      Not sure how come I have now PS_ON?
      Last edited by tibimakai; 07-23-2012, 12:28 AM.

      Comment

      • selldoor
        Slow Learner
        • Dec 2010
        • 7870

        #523
        Re: Samsung Syncmaster 245BW

        Hi - There are different boards used in this monitor. Perhaps you can post good clear pictures of your boards and state the Board Part Numbers.
        If you have PS-ON have you tried setting it up but without the LVDS cable plugged in
        to see if the the other voltages come up?
        Please upload pictures using attachment function when ask for help on the repair
        http://www.badcaps.net/forum/showthread.php?t=39740

        Comment

        • budm
          Badcaps Legend
          • Feb 2010
          • 40746
          • USA

          #524
          Re: Samsung Syncmaster 245BW

          Is this the same board you are working on? I drew the pin out of the board.
          http://s807.photobucket.com/albums/y...msung%20245BW/
          Never stop learning
          Basic LCD TV and Monitor troubleshooting guides.
          http://www.badcaps.net/forum/showthr...956#post305956

          Voltage Regulator (LDO) testing:
          http://www.badcaps.net/forum/showthr...999#post300999

          Inverter testing using old CFL:
          http://www.badcaps.net/forum/showthr...er+testing+cfl

          Tear down pictures : Hit the ">" Show Albums and stories" on the left side
          http://s807.photobucket.com/user/budm/library/

          TV Factory reset codes listing:
          http://www.badcaps.net/forum/showthread.php?t=24809

          Comment

          • tibimakai
            Badcaps Legend
            • Jan 2012
            • 3680
            • USA

            #525
            Re: Samsung Syncmaster 245BW

            Yes, is the same.

            Comment

            • jetadm123
              Badcaps Legend
              • Feb 2010
              • 2169

              #526
              Re: Samsung Syncmaster 245BW

              To recap:

              You're getting 5V_STBY and 3.2V for PS_ON and no output from the 24V/5V outputs. Correct?


              1) Eventhough you replaced CM802, check it again for a bad solder joint, etc.

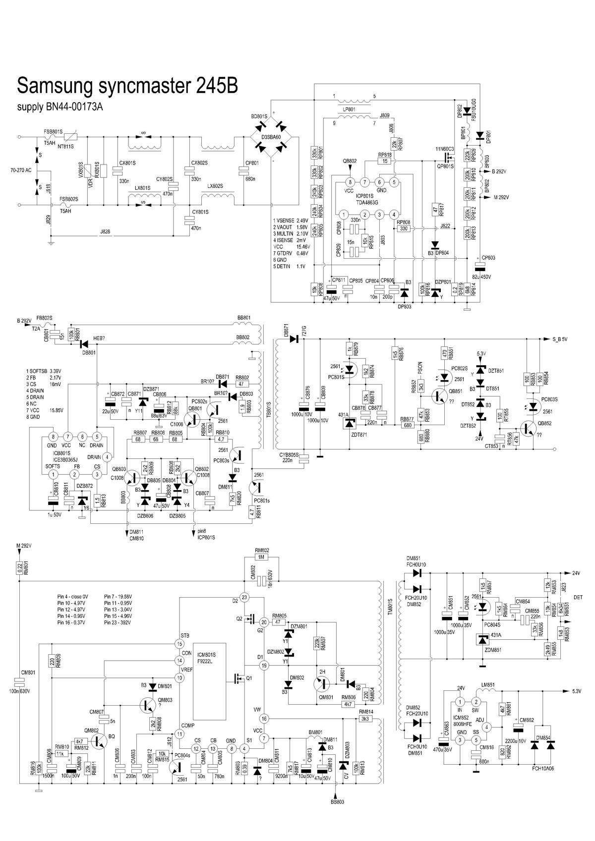
              2) That leads us to the F9222L (ICM801) controller. I suggest checking the voltage at the pins specified on the schematic located somewhere in this thread. Warning: there are high voltages on some of the pins.
              Last edited by jetadm123; 07-23-2012, 06:34 PM.

              Comment

              • tibimakai
                Badcaps Legend
                • Jan 2012
                • 3680
                • USA

                #527
                Re: Samsung Syncmaster 245BW

                That is correct.
                I haven't identify the pin numbers yet(do you know which is pin#1?), but I'm measuring high voltage at three pins, which I don't think that is a good thing.(2x 150V and 1x 168V)
                I have just received in the mail the new F9222L. Should I just replace it?
                I have fixed a Vizio VW42L in 30 minutes and with these two monitors(this 245BW and an Asus MK241H) I'm spending way to much time. Same goes with another Vizio VO42L.

                Comment

                • jetadm123
                  Badcaps Legend
                  • Feb 2010
                  • 2169

                  #528
                  Re: Samsung Syncmaster 245BW

                  Trying to find a F9222L datasheet is pretty difficult. The link below has a schematic in post #1. Also, there are 10 listed voltages for the F9222L. From what I can see, only 1 pin should be at a high voltage.

                  https://www.badcaps.net/forum/showth...ighlight=cm802

                  Comment

                  • tibimakai
                    Badcaps Legend
                    • Jan 2012
                    • 3680
                    • USA

                    #529
                    Re: Samsung Syncmaster 245BW

                    That's why I think that it's bad.

                    Comment

                    • jetadm123
                      Badcaps Legend
                      • Feb 2010
                      • 2169

                      #530
                      Re: Samsung Syncmaster 245BW

                      You can try performing a resistance check across the 2 pins reading 150V to see if it's shorted internally. Also, If you're seeing 150/168V at pins that are supposed be at low voltage, then some of the external components connected to those pins might very well be damaged. And replacing the F9222L may not solve the problem.

                      Comment

                      • tibimakai
                        Badcaps Legend
                        • Jan 2012
                        • 3680
                        • USA

                        #531
                        Re: Samsung Syncmaster 245BW

                        Good point. I will measure some components around the IC and I will check the resistance between those high voltages pins. I guess one pin has to have high voltage, but the other two, no.

                        Comment

                        • Philboye
                          New Member
                          • Jul 2012
                          • 3
                          • Canada

                          #532
                          Re: Samsung Syncmaster 245BW

                          I recieved my new components in and replaced the 68 ohm resistor as well as most caps as I don't want to fix this monitor again.
                          All works well and also my bulk voltage is at 390v instead of the 165v I originally reported. I did not have to change the bulk cap CP803.
                          Thanks for everyones help.

                          Philboye

                          Comment

                          • tibimakai
                            Badcaps Legend
                            • Jan 2012
                            • 3680
                            • USA

                            #533
                            Re: Samsung Syncmaster 245BW

                            Good for you, I'm not that lucky as you.

                            Comment

                            • tibimakai
                              Badcaps Legend
                              • Jan 2012
                              • 3680
                              • USA

                              #534
                              Re: Samsung Syncmaster 245BW

                              I did some more checking and I have realized, that the F9222L it's not supplied with the right voltage. That should be like 292V as specified in the diagram. I don't have that voltage, I have only 164V.
                              The two other high voltage pins that I was measuring were the FET outputs from the F9222L pins 15-16.
                              Tomorrow I will have to check the TDA4863G chip's voltages. I have a feeling that my problem is there.
                              I need to repair at least this monitor or the Asus MK, since I don't have a monitor at my workplace. I have sold the one I had(22" Samsung 226BW).
                              I want to have two 24" monitors, one at each workbench/table.

                              Comment

                              • tibimakai
                                Badcaps Legend
                                • Jan 2012
                                • 3680
                                • USA

                                #535
                                Re: Samsung Syncmaster 245BW

                                The TDA 4863AG is not getting enough VCC either.
                                I have traced it to the ICE3B0365J which gets the right voltage, but from there the voltage received by the TDA it's very low.
                                Basically it looks like the 3x68 Ohm resistors won't let through enough voltage.
                                They receive 26.6V and after the three resistors I'm only getting 2.4V and it should be over 15V there(I assume). The only other component between the three 68 Ohm resistors and the TDA is the QB802 transistor.
                                The voltage drop between the three resistors is as follows(roughly what I remember), after the first one is 18.xV, after the second is 10.xV and after the third one is 2.4V.
                                I'm wondering what would happen if I would exclude on of the resistors?
                                By the way they run very hot.
                                Not sure where does it go the QB802? it shows DM810(can't even find it).
                                Attached Files
                                Last edited by tibimakai; 08-02-2012, 08:09 PM.

                                Comment

                                • budm
                                  Badcaps Legend
                                  • Feb 2010
                                  • 40746
                                  • USA

                                  #536
                                  Re: Samsung Syncmaster 245BW

                                  Darn! where did you find this circuit? Do you have it in PDF?
                                  I have to study the circuit, I have been trying to find out why those 3-68Ohms resistors keep blowing open for a long time.
                                  Can I get the link to the diagram? Thanks.
                                  Never stop learning
                                  Basic LCD TV and Monitor troubleshooting guides.
                                  http://www.badcaps.net/forum/showthr...956#post305956

                                  Voltage Regulator (LDO) testing:
                                  http://www.badcaps.net/forum/showthr...999#post300999

                                  Inverter testing using old CFL:
                                  http://www.badcaps.net/forum/showthr...er+testing+cfl

                                  Tear down pictures : Hit the ">" Show Albums and stories" on the left side
                                  http://s807.photobucket.com/user/budm/library/

                                  TV Factory reset codes listing:
                                  http://www.badcaps.net/forum/showthread.php?t=24809

                                  Comment

                                  • tibimakai
                                    Badcaps Legend
                                    • Jan 2012
                                    • 3680
                                    • USA

                                    #537
                                    Re: Samsung Syncmaster 245BW

                                    It is in here a couple of pages back.

                                    Comment

                                    • budm
                                      Badcaps Legend
                                      • Feb 2010
                                      • 40746
                                      • USA

                                      #538
                                      Re: Samsung Syncmaster 245BW

                                      The one in post 512 is not the same as yours.
                                      Never stop learning
                                      Basic LCD TV and Monitor troubleshooting guides.
                                      http://www.badcaps.net/forum/showthr...956#post305956

                                      Voltage Regulator (LDO) testing:
                                      http://www.badcaps.net/forum/showthr...999#post300999

                                      Inverter testing using old CFL:
                                      http://www.badcaps.net/forum/showthr...er+testing+cfl

                                      Tear down pictures : Hit the ">" Show Albums and stories" on the left side
                                      http://s807.photobucket.com/user/budm/library/

                                      TV Factory reset codes listing:
                                      http://www.badcaps.net/forum/showthread.php?t=24809

                                      Comment

                                      • tibimakai
                                        Badcaps Legend
                                        • Jan 2012
                                        • 3680
                                        • USA

                                        #539
                                        Re: Samsung Syncmaster 245BW

                                        Check post #139:
                                        https://www.badcaps.net/forum/showth...?t=9343&page=7
                                        It's as mine but it's not all in there.

                                        Comment

                                        • budm
                                          Badcaps Legend
                                          • Feb 2010
                                          • 40746
                                          • USA

                                          #540
                                          Re: Samsung Syncmaster 245BW

                                          Please see the markup diagram.
                                          If the output side of the 3-68 Ohms resistor is only have 2.4V, and it is running hot, then the load after the 20V regulator QB803 is shorted (its output is for ICM801S VCC), or the output of the regulator transistor QB802 (its output is for the VCC of ICP801S PFC Controller IC) is feeding shorted circuits, check ceramic cap CP805 which is in parallel with CP811. Also check CM811 which is connected to VCC pin7 of ICM801S.
                                          You can lift one leg of the choke BB803 which is connected to the Output Emitter of the regulator transistor QB803. Also try lifting the Emitter leg of the QB802 to see if the voltage output of the resistor will rise up.
                                          When the circuits operating normally, I expect to see around 35V at the input side of the 68 Ohms resistors.
                                          Right now you have shorted circuits that is why the resistors are getting hot. You have either shorted caps or shorted ICs.
                                          Attached Files
                                          Never stop learning
                                          Basic LCD TV and Monitor troubleshooting guides.
                                          http://www.badcaps.net/forum/showthr...956#post305956

                                          Voltage Regulator (LDO) testing:
                                          http://www.badcaps.net/forum/showthr...999#post300999

                                          Inverter testing using old CFL:
                                          http://www.badcaps.net/forum/showthr...er+testing+cfl

                                          Tear down pictures : Hit the ">" Show Albums and stories" on the left side
                                          http://s807.photobucket.com/user/budm/library/

                                          TV Factory reset codes listing:
                                          http://www.badcaps.net/forum/showthread.php?t=24809

                                          Comment

                                          Related Topics

                                          Collapse

                                          • Document Archive
                                            Samsung Galaxy Book 2 Notebook Specification for Upgrade or Repair
                                            by Document Archive
                                            This specification for the Samsung Galaxy Book 2 Notebook can be useful for upgrading or repairing a laptop that is not working. As a community we are working through our specifications to add valuable data like the Galaxy Book 2 boardview and Galaxy Book 2 schematic. Our users have donated over 1 million documents which are being added to the site. This page will be updated soon with additional information. Alternatively you can request additional help from our users directly on the relevant badcaps forum. Please note that we offer no warranties that any specification, datasheet, or download...
                                            09-07-2024, 05:50 AM
                                          • soopacrucial
                                            Samsung Syncmaster 740BF repair
                                            by soopacrucial
                                            Hi folks,

                                            I'm new here and was wondering whether you might be kind enough to give me some advice on troubleshooting the following problem:

                                            Quite a few years ago now, a couple of years from new, my Samsung Syncmaster 740BF LCD monitor starting playing up by making a buzzing noise and then the display would go blank. I seem to remember the blue power led would also go off when this happened but that I'm not 100% sure of. By pressing the power button I do remember I could at first get it working again but eventually the problem would come back. At the time I had read about...
                                            10-29-2024, 02:40 PM
                                          • Document Archive
                                            Samsung Galaxy Book Ion NP930XCJ Notebook Specification for Upgrade or Repair
                                            by Document Archive
                                            This specification for the Samsung Galaxy Book Ion NP930XCJ Notebook can be useful for upgrading or repairing a laptop that is not working. As a community we are working through our specifications to add valuable data like the NP930XCJ boardview and NP930XCJ schematic. Our users have donated over 1 million documents which are being added to the site. This page will be updated soon with additional information. Alternatively you can request additional help from our users directly on the relevant badcaps forum. Please note that we offer no warranties that any specification, datasheet, or download...
                                            09-06-2024, 11:40 PM
                                          • Document Archive
                                            Samsung Galaxy Book Ion NP950XCJ Notebook Specification for Upgrade or Repair
                                            by Document Archive
                                            This specification for the Samsung Galaxy Book Ion NP950XCJ Notebook can be useful for upgrading or repairing a laptop that is not working. As a community we are working through our specifications to add valuable data like the NP950XCJ boardview and NP950XCJ schematic. Our users have donated over 1 million documents which are being added to the site. This page will be updated soon with additional information. Alternatively you can request additional help from our users directly on the relevant badcaps forum. Please note that we offer no warranties that any specification, datasheet, or download...
                                            09-06-2024, 11:40 PM
                                          • Document Archive
                                            Samsung Galaxy Book Ion NP950XCJ Notebook Specification for Upgrade or Repair
                                            by Document Archive
                                            This specification for the Samsung Galaxy Book Ion NP950XCJ Notebook can be useful for upgrading or repairing a laptop that is not working. As a community we are working through our specifications to add valuable data like the NP950XCJ boardview and NP950XCJ schematic. Our users have donated over 1 million documents which are being added to the site. This page will be updated soon with additional information. Alternatively you can request additional help from our users directly on the relevant badcaps forum. Please note that we offer no warranties that any specification, datasheet, or download...
                                            09-06-2024, 08:40 PM
                                          • Loading...
                                          • No more items.
                                          Working...