Yamaha RX-V373 automatic shutdown after 5 seconds

Collapse
X
 
  • Time
  • Show
Clear All
new posts
  • Solo_Yamaha
    New Member
    • Jun 2020
    • 4
    • Lebanon

    #1

    Yamaha RX-V373 automatic shutdown after 5 seconds

    Hello,

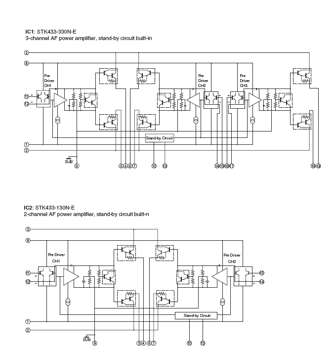
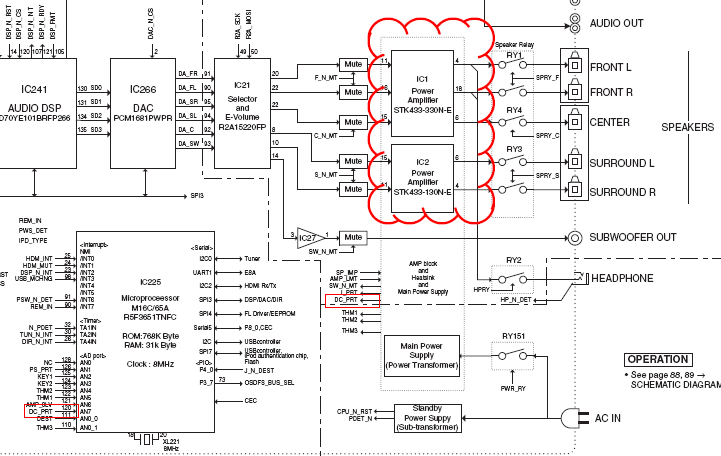
    I am new to this forum and this is my first post. I was googling and found this forum with experts in Yamaha repairing. i would be thankful if someone could help to fix my receiver. When starting the self diagnostic mode it shows a dc_prt 255H message and shuts down after 5 secods. By checking the service manual downloaded from i found that the voltage at the power amplifier DC voltage is high.

    I have removed the cover to check for any burnouts or leakage bu didn't find any. I have all the tools to start checking and repairing but i need some guidance were to start.

    Any help would be appreciated!!
  • tibimakai
    Badcaps Legend
    • Jan 2012
    • 3680
    • USA

    #2
    Re: Yamaha RX-V373 automatic shutdown after 5 seconds

    Usually, I just go to the final transistors and measure for short.

    Comment

    • Solo_Yamaha
      New Member
      • Jun 2020
      • 4
      • Lebanon

      #3
      Re: Yamaha RX-V373 automatic shutdown after 5 seconds

      i couldn't find the final transistors i can only see the capacitors, resistors and relays at the outputs.
      I got the service manual from manualslib.com/manual/1082963/Yamaha-Rx-V373.html

      Comment

      • budm
        Badcaps Legend
        • Feb 2010
        • 40746
        • USA

        #4
        Re: Yamaha RX-V373 automatic shutdown after 5 seconds

        Please upload good clear pictures using 'Go Advanced' so we can see what we are dealing with.
        Never stop learning
        Basic LCD TV and Monitor troubleshooting guides.
        http://www.badcaps.net/forum/showthr...956#post305956

        Voltage Regulator (LDO) testing:
        http://www.badcaps.net/forum/showthr...999#post300999

        Inverter testing using old CFL:
        http://www.badcaps.net/forum/showthr...er+testing+cfl

        Tear down pictures : Hit the ">" Show Albums and stories" on the left side
        http://s807.photobucket.com/user/budm/library/

        TV Factory reset codes listing:
        http://www.badcaps.net/forum/showthread.php?t=24809

        Comment

        • petehall347
          Badcaps Legend
          • Jan 2015
          • 4440
          • United Kingdom

          #5
          Re: Yamaha RX-V373 automatic shutdown after 5 seconds

          output devices are generally fastened to large heat-sinks

          Comment

          • Solo_Yamaha
            New Member
            • Jun 2020
            • 4
            • Lebanon

            #6
            Re: Yamaha RX-V373 automatic shutdown after 5 seconds

            I am sorry for the late reply but i had very busy week. i have attached pictures of circuit boards with few diagrams from the service manual i found online that i think might help.
            Attached Files

            Comment

            Related Topics

            Collapse

            • RATIM SIDDIQUE
              hp fpw50-la-h323p rev 1.0 automatic shutdown after 30 sec, need help
              by RATIM SIDDIQUE
              hp fpw50-la-h323p rev 1.0
              automatic shutdown after 30 sec of display coming
              do not shutdown without ramstick
              someone give me idea plz
              08-20-2024, 03:50 AM
            • sew333
              Pc shutdown, monitor flickered with no signal after 10 seconds
              by sew333
              My pc:
              10850K stock 4800mhz stock Kraken X73 good temps
              2x16 GB DDR4 GSKILL 3000mhz XMP
              Seasonic Tx-850 Ultra Titanium
              Gigabyte Rtx 3090 Gaming OC
              Aorus Z490 Pro Gaming
              1 TB SSD


              4 weeks ago i launched Metro Exodus Enhanced and during cinematic advertisement part ( 30 fps ), pc just shutdown.
              Also monitor flickered with NO SIGNAL 10 seconds after shutdown. So only monitor and pc was affected.

              Next i pressed only power button, rebooted again and its fine again. Happened once and i cant reproduce.


              Power...
              02-22-2022, 10:27 AM
            • DrFalken
              Dell Inspiron 5593 shutdown after 5 seconds
              by DrFalken
              Hello everyone!
              Motherboard model: FDI55 LA-J081P
              Today a customer delivered this laptop completely dead, with the original power supply shorting when plugged into the connector.
              I found and replaced a shorted MOSFET (PQZ3).
              Now the laptop turns on (fan runs fine but no video signal) and after 5 seconds it turns off.
              BIOS has already been updated (both 64MB and 128MB IC)

              +3VALW and +5VALW are still present.
              +VCCIN = 1.8V stable (measured on PLZ1 at power up)

              Abnormal readings:
              PLZ1 to GND = 0 Ohm
              PLZ2 to GND = 0 Ohm
              ...
              04-09-2025, 10:45 AM
            • rex98
              Msi b250m bazooka shutdown after few seconds
              by rex98
              Does anyone here encountered the same problem i have on this motherboard? It shutdown after few seconds PCH is hot. The bios is fine. All voltage signals are normal it just shutsdown when it turned on a few seconds like 30sec the logo shows up ang bios settings shows the pch heats up then shutsdown itself. Can someone help me. I need schematics and boardview of this motherboard....
              04-09-2023, 09:27 PM
            • Pygo86
              Liyama G-Master GB3466WQSU-B1 - Backlight on - Shutdown after a few Seconds
              by Pygo86
              Hey Folks,

              i'm not far into Monitor troubleshooting. It's my first time. Normaly i try to repair Laptops.
              The Monitor is powering up. And the Backlight turns on. After a few Seconds the Backlight shuts off and the Power LED turns form Blue to Red.
              I can power it up again, but it's always the same Result.
              No Matter which Connection is used.

              I can't see anything obvius after disassembling. No Heatspots with the Thermalcam visible.
              The Powerboard is looking great. There is 12V and 5V everywhere on the Logicboard.
              So, i decided to swap that Logicboard....
              03-04-2024, 11:38 AM
            • Loading...
            • No more items.
            Working...