Receiver Onkyo HT-R570 no sound .

Collapse
X
 
  • Time
  • Show
Clear All
new posts
  • RogerioBarbosa
    Rogério Perroti
    • Jul 2019
    • 18
    • Brasil

    #1

    Receiver Onkyo HT-R570 no sound .

    My receiver stopped playing any sound suddenly. I tried all the entrees and nothing.
    I decided to measure +/- 7V which are responsible for the operation of the R2A15218FP chip, and the + 7V was only +6V. I measured the + 15V and it was only + 14V. The line - 7V, was ok. After many measurements and exchange of some caps, I realized that when I disconnect the turner pack, the + 7V returns to normal, but the -7V drops to -6V. From the tests I did, it does not seem to be a source problem. Any idea? Thank you very much, because this receiver is really hard to repair.
  • budm
    Badcaps Legend
    • Feb 2010
    • 40746
    • USA

    #2
    Re: Receiver Onkyo HT-R570 no sound .

    Do you hear speaker protection relays click on a few seconds later after turning on the receiver?
    Do you get audio at the RCA Tape out jacks on the rear panel of the receiver?
    Never stop learning
    Basic LCD TV and Monitor troubleshooting guides.
    http://www.badcaps.net/forum/showthr...956#post305956

    Voltage Regulator (LDO) testing:
    http://www.badcaps.net/forum/showthr...999#post300999

    Inverter testing using old CFL:
    http://www.badcaps.net/forum/showthr...er+testing+cfl

    Tear down pictures : Hit the ">" Show Albums and stories" on the left side
    http://s807.photobucket.com/user/budm/library/

    TV Factory reset codes listing:
    http://www.badcaps.net/forum/showthread.php?t=24809

    Comment

    • RogerioBarbosa
      Rogério Perroti
      • Jul 2019
      • 18
      • Brasil

      #3
      Re: Receiver Onkyo HT-R570 no sound .

      Yes I hear speaker protection relays click on a few seconds later.
      No audio at the RCA Tape out jacks on the rear panel of the receiver.

      Comment

      • RogerioBarbosa
        Rogério Perroti
        • Jul 2019
        • 18
        • Brasil

        #4
        Re: Receiver Onkyo HT-R570 no sound .

        I changed the Tuner Pack and the problem remained the same. It may be some circuit that may be draining more current than it should. I measured the current that the Turner Pack is consuming and it was 60mA, less than specified in the service manual (100mA).
        Last edited by RogerioBarbosa; 07-18-2019, 03:43 PM. Reason: Incomplete

        Comment

        • RogerioBarbosa
          Rogério Perroti
          • Jul 2019
          • 18
          • Brasil

          #5
          Re: Receiver Onkyo HT-R570 no sound .

          Any help?

          Comment

          • R_J
            Badcaps Legend
            • Jun 2012
            • 9594
            • Canada

            #6
            Re: Receiver Onkyo HT-R570 no sound .

            Have you tried doing a master reset on the receiver

            Comment

            • RogerioBarbosa
              Rogério Perroti
              • Jul 2019
              • 18
              • Brasil

              #7
              Re: Receiver Onkyo HT-R570 no sound .

              Thank you, Yes I did.
              It seems to be really an electronic problem. I made a table with the V + and V- with the Turner pack and without the Turner pack.
              --------------------------------------------------------------------------------------------
              Should be +22V / -B / +15V / +7V / - 7V
              With Turner pack +20.2V / -31.6V / +8.9V / +1V / -12.7V
              Without Turner pack +27,1V / -26V / +15,5V / +7,5V / -6,1V
              -------------------------------------------------------------------------------------------
              Any suggestion?
              Thank´s a lot.

              Comment

              • RogerioBarbosa
                Rogério Perroti
                • Jul 2019
                • 18
                • Brasil

                #8
                Re: Receiver Onkyo HT-R570 no sound .

                I forgot -15 V, With turner pack -> -20,5V
                Without turner pack -> -13,8V

                Comment

                • RogerioBarbosa
                  Rogério Perroti
                  • Jul 2019
                  • 18
                  • Brasil

                  #9
                  Re: Receiver Onkyo HT-R570 no sound .

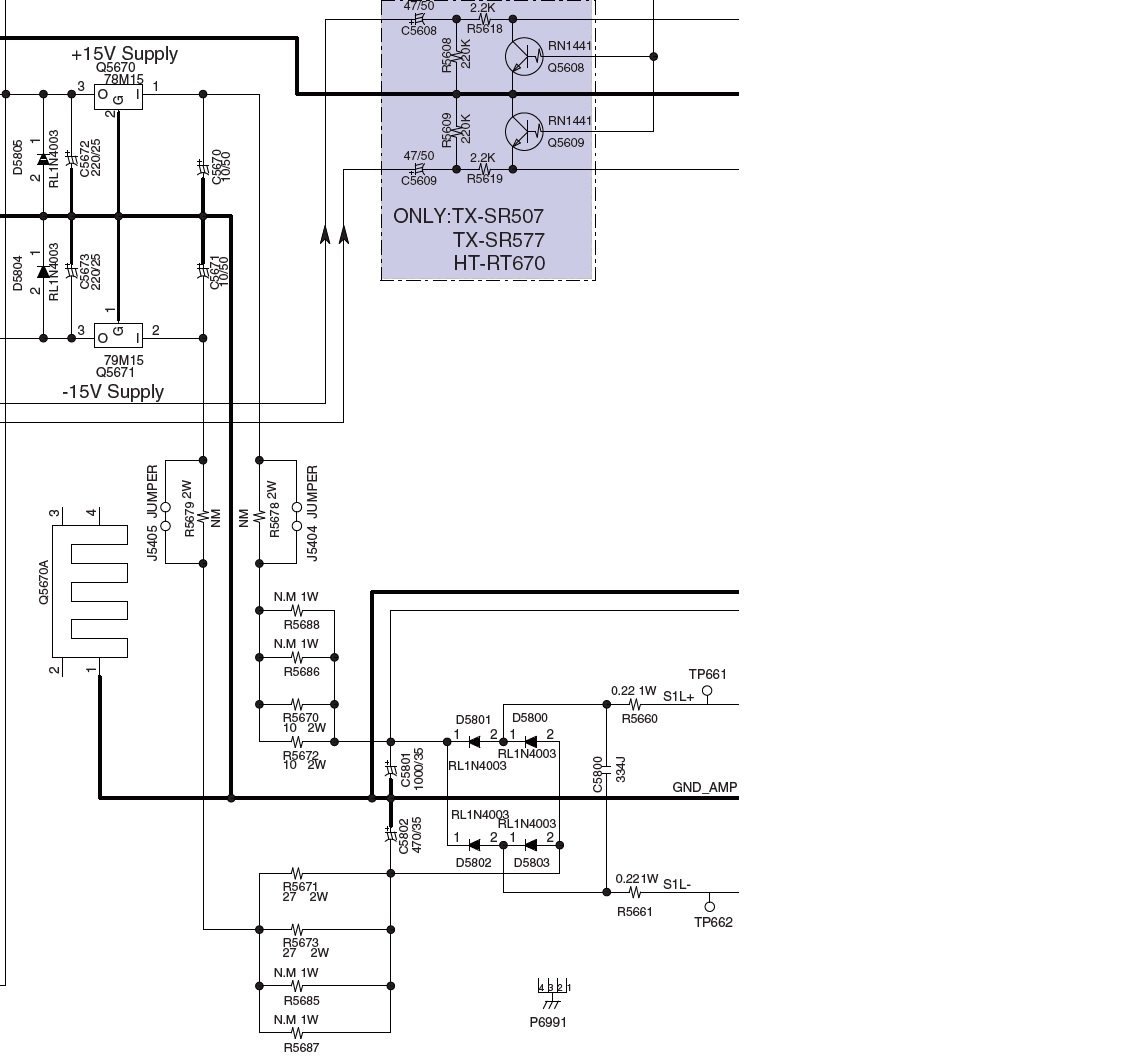
                  +- 15V power supply and +- 7V power supply and service manual.
                  Attached Files

                  Comment

                  • R_J
                    Badcaps Legend
                    • Jun 2012
                    • 9594
                    • Canada

                    #10
                    Re: Receiver Onkyo HT-R570 no sound .

                    The tuner should not effect the NO AUDIO condition. The amp should operate without it connected to P101A and the tuner operates from 9 volts which is supplied via Q111 from the +12 [+15v] volt supply
                    I can't see how connecting the tuner pack would have that much effect on the voltages, unless it's vcc is shorted.

                    If the tuner +9VTU is shorted, that would kill the 9 volts on Q111 and load the +15 volts causing it to drop. or Q111 could be shorted?
                    Last edited by R_J; 07-20-2019, 09:05 AM.

                    Comment

                    • RogerioBarbosa
                      Rogério Perroti
                      • Jul 2019
                      • 18
                      • Brasil

                      #11
                      Re: Receiver Onkyo HT-R570 no sound .

                      tuner is ok I exchanged the original for another and the problem persisted. I'll check the transistor. Thank you.

                      Comment

                      • RogerioBarbosa
                        Rogério Perroti
                        • Jul 2019
                        • 18
                        • Brasil

                        #12
                        Re: Receiver Onkyo HT-R570 no sound .

                        what I do not understand how the tuner can affect the -15V power suply, if its power suply is only + 9V, derived from the + 15V .

                        Comment

                        • R_J
                          Badcaps Legend
                          • Jun 2012
                          • 9594
                          • Canada

                          #13
                          Re: Receiver Onkyo HT-R570 no sound .

                          It almosts looks like an open ground somewhere. If you are working on the amp with it disassembled, it could be a ground path is missing, this happens a lot with these amps, as an example they sometimes rely on the rear plate for completing the ground between some of the boards.
                          Last edited by R_J; 07-20-2019, 11:14 AM.

                          Comment

                          • budm
                            Badcaps Legend
                            • Feb 2010
                            • 40746
                            • USA

                            #14
                            Re: Receiver Onkyo HT-R570 no sound .

                            [QUOTE=R_J;906254]It almosts looks like an open ground somewhere. If you are working on the amp with it disassembled, it could be a ground path is missing, this happens a lot with these amps, as an example they sometimes rely on the rear plate for completing the ground between some of the boards.[/QUOTE]

                            +1

                            That may explain why you have that strange reading below in your post 8:
                            "I forgot -15 V, With turner pack -> -20,5V
                            Without turner pack -> -13,8V"


                            Most of these rely on metal chassis to complete the circuit ground, that is why it is important to make sure all the board mounting screws are tight.
                            Last edited by budm; 07-20-2019, 02:28 PM.
                            Never stop learning
                            Basic LCD TV and Monitor troubleshooting guides.
                            http://www.badcaps.net/forum/showthr...956#post305956

                            Voltage Regulator (LDO) testing:
                            http://www.badcaps.net/forum/showthr...999#post300999

                            Inverter testing using old CFL:
                            http://www.badcaps.net/forum/showthr...er+testing+cfl

                            Tear down pictures : Hit the ">" Show Albums and stories" on the left side
                            http://s807.photobucket.com/user/budm/library/

                            TV Factory reset codes listing:
                            http://www.badcaps.net/forum/showthread.php?t=24809

                            Comment

                            • RogerioBarbosa
                              Rogério Perroti
                              • Jul 2019
                              • 18
                              • Brasil

                              #15
                              Re: Receiver Onkyo HT-R570 no sound .

                              Thank you very much. You are completly right! When I put the 37 screws back into the back cover, all +/- V returned to normal. I was putting some screws back in place to measure. But now the original problem persists: No sound. It all started when I decided to measure the +/- 7V, because for me the problem is in the Q5501 IC that seems not to be working. I do not know how to test it, I started by testing the +/- 7V, and measured + 6V instead of + 7V. I thought this is the problem because this IC works with values between +6.5V and 7.5V, but I was wrong about +7V because now with the back screws I have +/- 7V back on the IC. I do not know if this IC could burn. But the problem appeared after the device had been disconnected for a year. A year before when I turned it off, it was working perfectly, when I turned it on a year later it did not have any sound. I thought: some cap must have dried up. Now I do not know what to do, because changing that IC is not so simple. and I'm not sure if the problem is really in Q5501. Any suggestion?

                              Comment

                              • RogerioBarbosa
                                Rogério Perroti
                                • Jul 2019
                                • 18
                                • Brasil

                                #16
                                Re: Receiver Onkyo HT-R570 no sound .

                                With +/- 7V ok, I've injected audio into the CD IN, CAB / SAT IN jacks, and got audio out on TV / TAPE OUT, This suggests that the Q5501 IC is ok. The inputs are being switched by IC. So why do not I have audio output? I went back into the darkness. I tried to find datasheet of R2A15218FP, but I could not get the pdf. Any suggestion? Thank you.

                                Comment

                                • R_J
                                  Badcaps Legend
                                  • Jun 2012
                                  • 9594
                                  • Canada

                                  #17
                                  Re: Receiver Onkyo HT-R570 no sound .

                                  Does this receiver have the speaker test/setup feature? Page 25 of owners manual,
                                  Use q/w to select “Audyssey Quick Start” or “Audyssey 2EQ Full Calibration"
                                  If it does this should produce test tones to check the outputs.
                                  It's hard to trace audio signals without a scope.

                                  Comment

                                  • RogerioBarbosa
                                    Rogério Perroti
                                    • Jul 2019
                                    • 18
                                    • Brasil

                                    #18
                                    Re: Receiver Onkyo HT-R570 no sound .

                                    Thank you,Yes, it has speaker test/setup feature, but no sound during the test.
                                    I think the receiver is muting, because there is a protection circuit that doesn't allow the sound to reach the power amplifiers in case of something goes wrong. I measured the *V at the base of one of these transistors, and it is positive(2,5V), indicating that it is conducting and ground the power amplifier imput signal , after the pre-anplifier.(Q5600 at part5:G5).The problem now is: Why this V at the transistor base? There is a signal called AMUT, I don´t know exatly it means, but could be this signal that is doing the transistor ground the signal that goes to the power amplifiers.

                                    Comment

                                    • RogerioBarbosa
                                      Rogério Perroti
                                      • Jul 2019
                                      • 18
                                      • Brasil

                                      #19
                                      Re: Receiver Onkyo HT-R570 no sound .

                                      This signal (AMUT) is controlled by a signal from the Q701 IC called AMUT_COM (I also don't know what this signal means). But I suppose it should act in case the something goes wrong. I don´t know what yet. Any suggestion? Thank you very much.

                                      Comment

                                      • R_J
                                        Badcaps Legend
                                        • Jun 2012
                                        • 9594
                                        • Canada

                                        #20
                                        Re: Receiver Onkyo HT-R570 no sound .

                                        Is there a MUTE button on the remote? and does it change this line? This looks like it is only for muting the audio and not for any protection in case of a fault.
                                        AMUT_CON = audio mute control, It is just the control line for the mute circut.
                                        Last edited by R_J; 07-21-2019, 01:48 PM.

                                        Comment

                                        Related Topics

                                        Collapse

                                        • ai.need.help
                                          Onkyo TX-8050 AV-Receiver no sound
                                          by ai.need.help
                                          Hello,

                                          I have a problem with my Onkyo TX-8050 Receiver. I got it from aftermarket and it was just delivered today.

                                          It doesn't play music. There is no real output from:
                                          pre-out
                                          amp-out A and B
                                          phones out

                                          The only real sound I hear is a humming from the speakers when I play a song from usb or select a analog source. And when stopping and starting songs from usb or switching sources, I hear a crack from the speakers.

                                          I tested with analog-input, usb and radio.

                                          I know that there is a common problem with...
                                          12-20-2022, 05:54 PM
                                        • CDNBrewer
                                          Running out of Ideas, hoping someone smart can provide some for my ONKYO TX-SR353 Receiver
                                          by CDNBrewer
                                          Hello Everyone,

                                          I have an Onkyo TX-SR353 Audio/Video Receiver (5.1 ch with HDMI) that I am having a really hard time diagnosing and I'm about to throw this in the junk and go buy a new unit that is on sale until the 7th.

                                          Symptoms:
                                          • Intermittent (part of the reason why i'm having a hard time isolating problem), sometimes will work for 10+h at a time without issue
                                          • Original symptom was wife reported loud banging noise (like someone was banging on the wall with their fists) from the LEFT SURROUND speaker and then the unit shut off.
                                          • I swapped the Left and Right surround
                                          ...
                                          08-05-2025, 09:29 PM
                                        • JRade
                                          Audio video receiver KENWood KR-V990D,no sound
                                          by JRade
                                          When I select the FM receiver, I find a radio station, the sound is heard on REC OUT(L,R), REC TAPE1(L,R),REC TAPE2(L,R) on high-ohm headphones, the sound regulation does not work.
                                          The output reacts when I connect the record player to PRE OUT FRONT L, the sound is heard in the speaker but the sound regulation does not work. Then it does not matter what I chose on the front selector.
                                          I replaced the capacitor C303/0.047F, nothing changes.
                                          I'm asking for help, what should I do next?
                                          Thanks in advance!...
                                          08-05-2025, 10:23 PM
                                        • ChaosLegionnaire
                                          what i went through dealing with my mobo with dead onboard sound!
                                          by ChaosLegionnaire
                                          so i took out one of my spare gigabyte ep35-ds3r mobos from storage for use to do some cpu, ram and video card testing of stuff i bought from ebay and got for free from momaka. he bought 50 e8400 cpus for cheap from ebay some years ago and i decided to help him relieve him of some of his supply since he had waaaay too many!! what did we say about hoarding too much stuff and depriving others of them?! *cough* socialism *cough* lol!

                                          i had to blow some dust off the board and heatsinks with the datavac as i didnt clean it up before putting it in storage. after finishing...
                                          09-13-2022, 09:02 AM
                                        • Sisko
                                          Onkyo-593 No power and now clicking sound
                                          by Sisko
                                          Hi all!!

                                          Ok just got a Onkyo SKW-593 sub woofer that has no power person told me that it smoked and that his GF let the volume full when she powered off the amp and when he came to turn it on the sub played but then suddenly smoke was coming out, didn't say from where. So opened it up and saw a resistor made of metal (pic) but can't see any writing on metal par so what ever was written on it was burnt. So I'm kinda stuck here with this. I did ask for a repair or schematics in the other group section and waiting for this but I hope someone here might lend me a hand to try and identify...
                                          10-03-2025, 02:18 PM
                                        • Loading...
                                        • No more items.
                                        Working...