Pioneer DEX-P99rs "No EEProm " diagnostic code.

Collapse
X
 
  • Time
  • Show
Clear All
new posts
  • dmccul2698
    Member
    • Apr 2024
    • 20
    • United States

    #1

    Pioneer DEX-P99rs "No EEProm " diagnostic code.

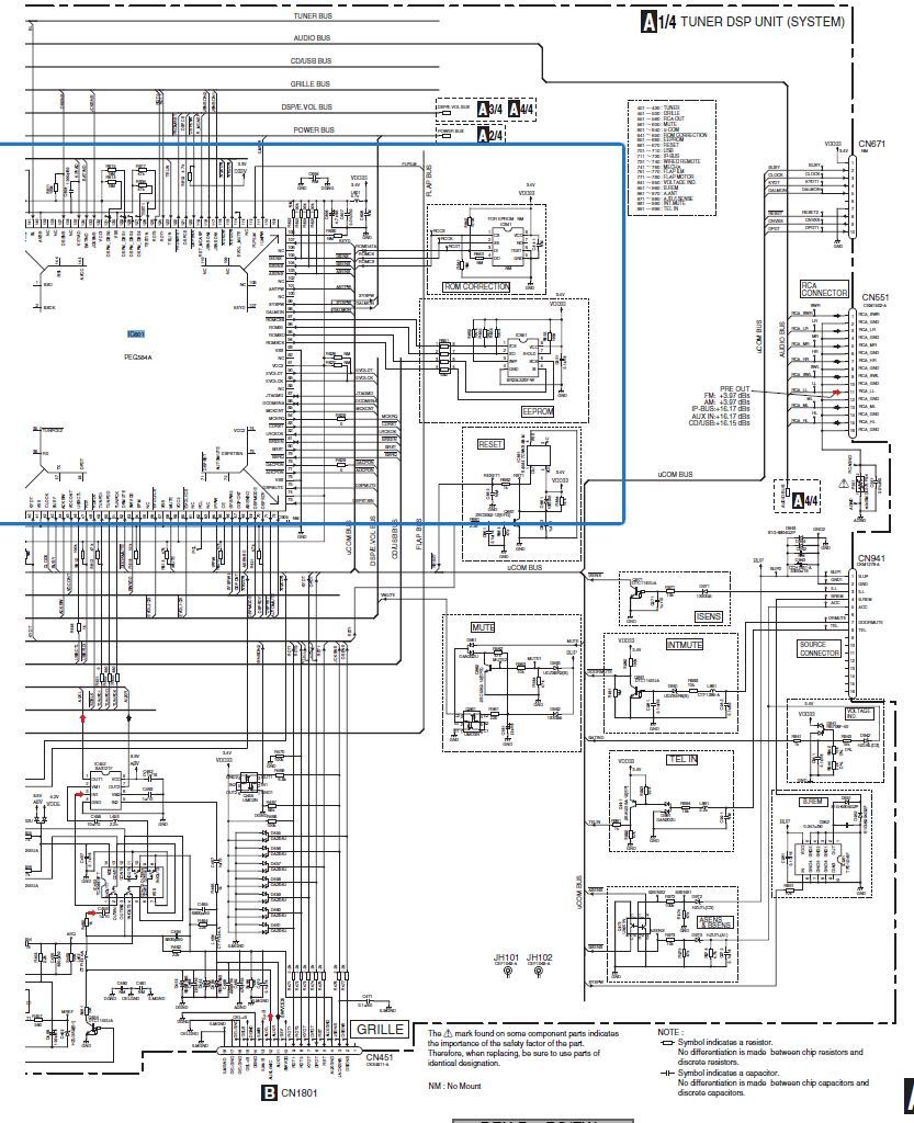
    Hello, My head unit developed strange behaviors so I ran the built-in diagnostic package which returned "No EEProm". The service manual says there is no EEProm connected. I approached Pioneer and they said to swap out the DSP board. All said and good but the DSP board is $860 USD. I am hoping someone can help me

    1). Understand the schematic and check the connections between the EEProm and DSP
    2). Check the functionality of the EEProm

    I don't know if this is the unit's problem but it's a place to start.

    I have little to no electronic experience but I am a fast learner. I have a decent DMM and a cheap pocket O-scope. After reviewing the manual I have some thoughts but not enough to make intelligent inferences. i have included some clips from the service manual regarding the EEProm (IC651).
  • dmccul2698
    Member
    • Apr 2024
    • 20
    • United States

    #2
    Ok, Maybe Im not asking the questions properly. Please refer to the image (Fig. 1) Legs 5,6,1 and 2 go through a resister bank labeled R651. I don't understand the # configuration next to the individual resisters.

    Leg 5 is Signal in from DSP?
    Leg 2 is Signal out to DSP?
    why does Leg 2 go to R654 then to VCC (Protection?)
    Leg 1 goes to ROMCSB. What is this?
    I don't know what legs 7 and 3 contribute to the circuit.

    I will start w some continuity cks. please forward your thoughts about any of this.
    Attached Files

    Comment

    • frankusb
      Senior Member
      • Apr 2015
      • 111
      • United States

      #3
      It's a SPI EEPROM. A SPI bus uses 4 signals, clock (SCK from DSP), chip select (/CS from DSP), data in (SI or slave in from DSP) and data out (SO or slave out to DSP). When CS is asserted (low) the EEPROM will accept data on SI every clock cycle (SCK) and potentially output data on SO every clock cycle. WP is write protect.

      Comment

      • dmccul2698
        Member
        • Apr 2024
        • 20
        • United States

        #4
        The original problem from the diagnostic output was " No ROM Correction"(misstated earlier and I cannot edit the post)

        When /CS asserts "Low" the EEPROM (IC651) accepts correction from ROM (IC641), correct or not?

        If I am correct should I investigate interactions between IC651 and IC641?

        I don't know which will be helpful but I am going to include some measurements I took last night, all are a learning experience for me. BTW I would be excited to use my o-scope but I am afraid I could damage the unit. Further thoughts on correct usage would be appreciated knowing I am responsible for all actions and I assume complete liability. in the next post, I will give images with labels to separate the ideas.
        I am new to forums and unfamiliar with advanced formatting.

        Comment

        • dmccul2698
          Member
          • Apr 2024
          • 20
          • United States

          #5
          Some measurements. there are some misspellings but I can remember how to spellcheck in paint. I do not know if the lack of continuity is normal. Continuity is seen between( the green side) resister bank R651 and associated pins 94.95,96 and 97 respectively. There is no continuity across R651 to IC601 just resistance of .670k ohms


          Click image for larger version

Name:	first paint p99.png
Views:	109
Size:	73.5 KB
ID:	3251283

          Comment

          • dmccul2698
            Member
            • Apr 2024
            • 20
            • United States

            #6
            I have taken a magnified image of the resister if helpful, I did not want to waste space if it is not necessary 😊

            Comment

            • frankusb
              Senior Member
              • Apr 2015
              • 111
              • United States

              #7
              Originally posted by dmccul2698
              The original problem from the diagnostic output was " No ROM Correction"(misstated earlier and I cannot edit the post)

              When /CS asserts "Low" the EEPROM (IC651) accepts correction from ROM (IC641), correct or not?

              If I am correct should I investigate interactions between IC651 and IC641?
              I would assume you mean "No ROM Connection"?

              When /CS is low the EEPROM should be accepting data from pin 95. It's likely commands to set the address to read from but could also be an address to write to as well.

              You could verify that the four SPI signals are toggling. If everything toggles except for SO then the EEPROM is not working. CLK, CS and SI are driven by the DSP. The EEPROM toggles SO.

              Comment

              • dmccul2698
                Member
                • Apr 2024
                • 20
                • United States

                #8
                hello everyone, the site does not allow r posting the complete manual so here is the clip of the error from the manual.
                Attached Files

                Comment

                • dmccul2698
                  Member
                  • Apr 2024
                  • 20
                  • United States

                  #9
                  Looking around the web, it seems best to test this problem with a 4-channel o-scope. I don't have one of those. Is there another way?

                  Comment

                  • frankusb
                    Senior Member
                    • Apr 2015
                    • 111
                    • United States

                    #10
                    You would really only need 4 channels if you want to look at all signals at the same time to decode the chip operations. Verify whether each signal toggles individually first.

                    If the clock speed is low enough you can use a cheap logic analyzer.
                    Last edited by frankusb; 04-13-2024, 09:42 AM.

                    Comment

                    • dmccul2698
                      Member
                      • Apr 2024
                      • 20
                      • United States

                      #11
                      The EEPROM IC 651 takes ROM correction from IC 641. IC 641 is not offered for purchase from Pioneer. You can only source it by purchasing the PCB @ $860. There are more ICs not offered for this unit. Is this a common practice in the industry? IS there a way to source a doner chip?

                      Comment

                      • dmccul2698
                        Member
                        • Apr 2024
                        • 20
                        • United States

                        #12
                        I'm waiting for the analyzer to come from China. In the meantime, I wanted to check out IC 641. Its got the pads on the top side, I thought it was through the board but it is not! There is nothing on the other side of the board in that place but a bunch of labeling for the chipsets that are on side B.

                        Comment

                        • dmccul2698
                          Member
                          • Apr 2024
                          • 20
                          • United States

                          #13
                          In the first image I posted, the diagram shows IC 641 labeled "NM". I went to look for it and its not there. I am missing something.

                          Comment

                          • lotas
                            Badcaps Legend
                            • Jan 2016
                            • 4805
                            • Russia

                            #14
                            ​"NM" this may be missing components in the circuit (not obligatory)
                            Attached Files

                            Comment

                            • dmccul2698
                              Member
                              • Apr 2024
                              • 20
                              • United States

                              #15
                              Hello everyone, sorry for the delay in the follow-up.
                              I was able to obtain a 341A SO8 chip reader and used the AsProgrammer software to create two .bin files of IC651 (EEPROM). Using Guify software, I confirmed there were no differences between the two files. Based on this, I am assuming IC651 is functioning correctly.
                              Next, I connected the unit to power, fingers crossed, and used a D-shell single-channel oscilloscope to test voltages. I observed that the EEPROM is receiving 3.5V at pin 8. There are signals present at pins 1, 2, 3, and 5, but no signal at pin 6 (SCK). A quick Google search indicated that an EEPROM chip without a clock signal cannot operate properly.
                              At this point, I shifted my focus to IC601 (the CPU) and checked pins 94 through 97:
                              • Pins 95, 96, and 97 tested good.
                              • However, pin 94 (ROMSCK) showed no signal.
                              I located a datasheet for the M32C chip, but given my current level of understanding, it didn't clarify the acronyms or functions as I'd hoped. From examining the diagram, it appears that ROMSCK is not shared with any of the buses. Is ROMSCK generated directly by the CPU?
                              With no clear direction, I did some additional probing on IC601 and found the following:
                              • Pin 1 (BSO, output): No signal
                              • Pin 2 (BSCK, output): Signal present
                              • Pin 7 (DSPCLK, output to DSP Vol Bus): No signal
                              • Pin 18 (ROMDATA, output): Signal present
                              • Pin 42 (CLK, output): No signal
                              • Pin 43 (BUSY, output): No signal
                              Based on these findings, I suspect the CPU is faulty. My question is: Have I overlooked anything in my workup? Any insights would be greatly appreciated!
                              Click image for larger version

Name:	ic601 1.jpg
Views:	81
Size:	168.4 KB
ID:	3547149 Click image for larger version

Name:	ic601 2.jpg
Views:	45
Size:	175.2 KB
ID:	3547150

                              Comment

                              • stj
                                Great Sage 齊天大聖
                                • Dec 2009
                                • 31259
                                • Albion

                                #16
                                NM is a prefix used by National Semiconductor on their chips.
                                that pinout is a 93'series so it probably says "NM93LC???" on it.

                                Comment

                                • lotas
                                  Badcaps Legend
                                  • Jan 2016
                                  • 4805
                                  • Russia

                                  #17
                                  Originally posted by stj
                                  NM is a prefix used by National Semiconductor on their chips.
                                  that pinout is a 93'series so it probably says "NM93LC???" on it.
                                  NM
                                  Attached Files

                                  Comment

                                  • dmccul2698
                                    Member
                                    • Apr 2024
                                    • 20
                                    • United States

                                    #18
                                    Thank you for your input, STj. A note on the schematic clarified the NM abbreviation. NM stands for Non-Mounted. It's a placeholder for a component needed for the board's construction, testing, etc., but it serves no purpose in the end product and is removed before the unit is sold, as I have been told.

                                    Comment

                                    Related Topics

                                    Collapse

                                    • SidneyCanadas
                                      93C46 and 93C56 EEPROM
                                      by SidneyCanadas
                                      I tore apart my instrument cluster for my 2008 Toyota Corolla made in 2007 in Cambridge, Ontario, Canada and pcb location: IC6=EEPROM is a surface mounted device with part # of 93C46W7, some claim the EEPROM out of a Camry part # 93C56 will allow odometer to roll over 299 999 KM or miles. The data sheet for both is below:

                                      https://cdn.badcaps-static.com/pdfs/...c6e42b20d3.pdf 2

                                      Anyone know if the Camry one will work on my Corolla?. And which EEPROM reader/writers do you all recommend I purchase that will allow me to read the old values of the old...
                                      06-14-2023, 01:16 PM
                                    • ttmi100x
                                      HANNSG Hi221 -- 2 secs to black feat. CCFL flicker & "burn" marks on power board
                                      by ttmi100x
                                      Greetings everyone,


                                      I have a HANNSG Hi221 monitor that exhibits two seconds to black issues (backlight goes off, display is still on as confirmed by shining a flashlight on it) with some additional oddities...


                                      The monitor failed on me with a standard "2 seconds to black" some time ago prompting me to initially replace most of the electrolytic capacitors (some of them were bulging/leaking).
                                      Things kinda sorta worked for a night, then the problem returned along with some flickering and "buzzing" noises.

                                      Upon closer inspection...
                                      07-31-2024, 06:36 PM
                                    • Document Archive
                                      Postcard 32 4-Bit 4-Digit Diagnostic Card PC Analyzer Manual
                                      by Document Archive
                                      Postcard 32 4-Bit 4-Digit Diagnostic Card PC Analyzer Manual

                                      Diagnostic Card is a powerful diagnostic tool for technicians and administrators to troubleshoot
                                      various problems of IBM compatible PCs. It is easy to install, yet extremely powerful to use. With
                                      Diagnostic Card in hand, you no longer have to go through tedious and time consuming process of
                                      trying to figure out what is wrong with your PC hardware. Diagnostic Card will tell you exactly
                                      what is wrong with your PC in just seconds. It saves you time and money.

                                      Our new and improved design...
                                      11-01-2024, 06:29 AM
                                    • nodols
                                      Pioneer Elite VSX-52 DSP EEPROM
                                      by nodols
                                      Alright had to make a thread for this receive as I felt like the other one was not really for this specific model.
                                      Would highly appreciate it if anyone has the bin dump for this EEPROM on this specific model number.

                                      The circuit is Location: IC9004 and Make is: MX25L1606E.

                                      The IC is quite easy to get to as it is on the top side of the pcb, popping the cover off and it's there for the world to see.

                                      I flashed the IC with another Pioneer model and I got sound, only thing is that FM is now all out and funky. Basically tunes in to every single frequency...
                                      01-30-2023, 09:38 AM
                                    • mecmast
                                      Need help about "G2920T11U" / "G2990" / "2990(x) SMD SOT23-5 replacement
                                      by mecmast
                                      Hi,

                                      I've searched the internet but couldn't flnd a replacement/substitute for this part.

                                      It is marking as "2920N" SOT23-5 case.

                                      I am looking for the "G2920T11U" 3.3v version.

                                      Also uploading the datasheet.

                                      Thank you all....
                                      10-15-2025, 11:39 AM
                                    • Loading...
                                    • No more items.
                                    Working...