Dual CV-1260 amplifier Component replacement.

Collapse
X
 
  • Time
  • Show
Clear All
new posts
  • Benass
    Senior Member
    • Oct 2020
    • 73
    • Uk

    #1

    Dual CV-1260 amplifier Component replacement.

    Hello,

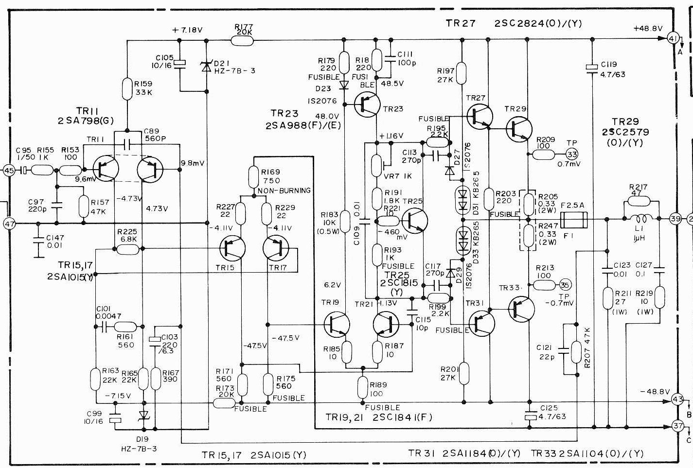
    I am currently working on the Dual CV-1260 amplifier. Unfortunately, one channel has stopped working. After conducting some troubleshooting, I discovered that D34 is exhibiting an incorrect voltage drop, as opposed to D31, D32, and D33, which have a 1.2V drop. D34, on the other hand, has a 0.6V drop. This leads me to believe that one diode may be open.

    F1 (the fuse) is showing 0.1V, and the channel is working fine. However, F2 (the fuse) is blown and reads -48V.

    In summary, Line 39 has nearly zero voltage and is working normally, while Line 40 has -48V with a blown fuse.

    Now, I'm in the process of searching for a replacement for the KB265 diode. I require assistance from individuals who understand schematics and can recommend alternative components for obsolete parts. Does anyone know if I can use two 1N4148 signal switching diodes in series to achieve a similar voltage drop, or perhaps suggest another alternative?
    https://pdfhost.io/v/66THv3cdo_Dual_CV_1260
    I have Reddit Conversation as alternative.
    https://www.reddit.com/r/AskElectron...eb2x&context=3
  • petehall347
    Badcaps Legend
    • Jan 2015
    • 4448
    • United Kingdom

    #2
    Re: Dual CV-1260 amplifier Component replacement.

    try and match a pair of diodes that track vf the same as a good one . i just measure them whilst warming them in my fingers .
    f1 f2 are speaker fuses . one with high voltage has railed check everything starting with the output transistors .
    there are lots of fuse resistors that might be out of spec .
    Last edited by petehall347; 11-08-2023, 03:52 PM.

    Comment

    • Benass
      Senior Member
      • Oct 2020
      • 73
      • Uk

      #3
      Re: Dual CV-1260 amplifier Component replacement.

      I have Obtained some information in this website with similar problem.
      https://audiokarma.org/forums/index....n-part.369068/
      Im getting some diodes delivered in few days, will perform some testing and update accordingly.

      Comment

      • redwire
        Badcaps Legend
        • Dec 2010
        • 3912
        • Canada

        #4
        Re: Dual CV-1260 amplifier Component replacement.

        "KB265A" or "KB-265" cross is 1N4148 or 1N914.
        "KB265" cross NTE601 Silicon Varistor Temperature Compensating Diode 0.59-0.64V at 1.5mA, and max. 1.1V 10mA, -2.0mV/C at 1.5mA.
        Strange the fact they are an oddball dual diode I think makes you need two in series.

        But in this amplifier, the diodes are for over-current protection of the output transistor and driver - they are not part of the bias or audio signal path.
        So you have a lot of slack with the replacement parts.
        Do not use 1N400x because they are too slow, long recovery time.
        Attached Files

        Comment

        • Benass
          Senior Member
          • Oct 2020
          • 73
          • Uk

          #5
          Re: Dual CV-1260 amplifier Component replacement.

          Weirdly diode measured correct once removed, put it back in and it's measuring correctly to other same diode.

          Any ideas why I have -48v on F1 fuse? I can't find anything obvious and not smart enough to understand it.

          Any tips would be appreciated.

          Comment

          • petehall347
            Badcaps Legend
            • Jan 2015
            • 4448
            • United Kingdom

            #6
            Re: Dual CV-1260 amplifier Component replacement.

            check everything like i said .
            might just be an open or high resistance resistor . could be shorted transistors .

            Comment

            • redwire
              Badcaps Legend
              • Dec 2010
              • 3912
              • Canada

              #7
              Re: Dual CV-1260 amplifier Component replacement.

              You'll have to test each and every transistor to figure out what kind of damage there might be.
              I do a first pass in-circuit with a multimeter on diode-test to find the obvious shorts and opens. Or comparison readings with the other channel, if it works.

              The output stuck at -48V usually means the output transistors have failed, likely driver transistors as well. Some shorted, some open.
              A shorted transistor E-B junction would explain the D34 reading lower Vf when in circuit.

              There are many fusible resistors that might have fused and gone open circuit.
              So take a multimeter on Ohms and check the fusible resistors.

              Comment

              • CapLeaker
                Leaking Member
                • Dec 2014
                • 8344
                • Canada

                #8
                Re: Dual CV-1260 amplifier Component replacement.

                If there is -48V where there is supposed to be 0V is bad. Could be any transistor from the output down to the pre driver or these disable resistors as mentioned above.
                If you can measure each transistor and note down the hfe (gain). Maybe there are some transistors working harder than others. I’ve got a stack of older amps here and the hfe is all over the place.

                Comment

                • petehall347
                  Badcaps Legend
                  • Jan 2015
                  • 4448
                  • United Kingdom

                  #9
                  Re: Dual CV-1260 amplifier Component replacement.

                  blown fuse suggests that channel was shorted or overdriven . either way its likely to have shorted out at least one transistor and caused resistors to go high ohms .
                  i would firstly remove the output transistors and test them . and leave them out for now even if good . then solder 1k resistors in place of them between where base and emitters go . also replace the fuse ..i just noticed it needs the fuse for feedback so it might just be a blown fuse ..do not connect anything to speaker terminals for now
                  Last edited by petehall347; 11-11-2023, 06:28 AM.

                  Comment

                  • Benass
                    Senior Member
                    • Oct 2020
                    • 73
                    • Uk

                    #10
                    Re: Dual CV-1260 amplifier Component replacement.

                    Hello. Sorry i was away for few days. I will take all suggestions on board and update accordingly.
                    Thank you.

                    Comment

                    • Benass
                      Senior Member
                      • Oct 2020
                      • 73
                      • Uk

                      #11
                      Re: Dual CV-1260 amplifier Component replacement.

                      i just noticed it needs the fuse for feedback so it might just be a blown fuse
                      I replaced the fuse. And now voltages gone back to nearly zero.

                      Tested with speakers(carefully) and this faulty channel playing but very quietly,
                      I ramped up volume half way to to hear it.

                      So tomorrow I will have to figure out why its so quiet.

                      Also, I have removed main transistors and used component testers to validate them.

                      Comment

                      • petehall347
                        Badcaps Legend
                        • Jan 2015
                        • 4448
                        • United Kingdom

                        #12
                        Re: Dual CV-1260 amplifier Component replacement.

                        Originally posted by Benass

                        Also, I have removed main transistors and used component testers to validate them.
                        was this before or after testing with speaker ? or in other words did you try without them .if so the output will be low

                        Comment

                        • Benass
                          Senior Member
                          • Oct 2020
                          • 73
                          • Uk

                          #13
                          Re: Dual CV-1260 amplifier Component replacement.

                          Originally posted by petehall347
                          was this before or after testing with speaker ? or in other words did you try without them .if so the output will be low
                          I tested them when I was troubleshooting -48v issue.
                          I posted here when I found nothing wrong to begin with.

                          Now all is back as it should but Output is low in one channel. That me having a brain Fart. Used tuner input with AUX connector from my phone.

                          Swiched to DC/AUX channel and its back to normal. Ajusted to zero on test points and both channels playing nice and smoth.

                          So ultimately, no idea why fuse blown, and no idea why doubble diode was showing 0.6 and gone back to normal 1.2 after delordering.

                          Ultimate high in repairs.

                          thanks eveyone for tips and suggestions.
                          Last edited by Benass; 11-12-2023, 02:32 PM.

                          Comment

                          • redwire
                            Badcaps Legend
                            • Dec 2010
                            • 3912
                            • Canada

                            #14
                            Re: Dual CV-1260 amplifier Component replacement.

                            I missed that they included the fuse in the feedback loop. Douglas Self talks about "fuse distortion" on bass due to the element heating/cooling during low frequency.

                            You'd have to narrow down what section is low volume - pre-amp, power amp, tone controls etc. Or do you know it's the right ch pwr amp?

                            This amplifier's age, I would recap it, only 6 caps per channel on the power amps. It wouldn't cause them to go quiet though.

                            Comment

                            • Benass
                              Senior Member
                              • Oct 2020
                              • 73
                              • Uk

                              #15
                              Re: Dual CV-1260 amplifier Component replacement.

                              Originally posted by redwire
                              I missed that they included the fuse in the feedback loop. Douglas Self talks about "fuse distortion" on bass due to the element heating/cooling during low frequency.

                              You'd have to narrow down what section is low volume - pre-amp, power amp, tone controls etc. Or do you know it's the right ch pwr amp?

                              This amplifier's age, I would recap it, only 6 caps per channel on the power amps. It wouldn't cause them to go quiet though.
                              Im not sure, why tuner input playing low on one channel, But maybe it can't understand my phone.

                              My phone was playing music thro 3.5mm jack and it was split into two old type audio connectors.

                              CD/AUX on the other hand works fine.

                              Phono/Turntable also was overamplifying and distorting my phone's music.

                              Comment

                              • petehall347
                                Badcaps Legend
                                • Jan 2015
                                • 4448
                                • United Kingdom

                                #16
                                Re: Dual CV-1260 amplifier Component replacement.

                                Originally posted by Benass
                                Im

                                Phono/Turntable also was overamplifying and distorting my phone's music.
                                that is normal .turntables output low signal .

                                Comment

                                • petehall347
                                  Badcaps Legend
                                  • Jan 2015
                                  • 4448
                                  • United Kingdom

                                  #17
                                  Re: Dual CV-1260 amplifier Component replacement.

                                  Originally posted by Benass
                                  Im not sure, why tuner input playing low on one channel, But maybe it can't understand my phone.

                                  .
                                  maybe the selector switch has corrosion .

                                  Comment

                                  • Benass
                                    Senior Member
                                    • Oct 2020
                                    • 73
                                    • Uk

                                    #18
                                    Re: Dual CV-1260 amplifier Component replacement.

                                    Originally posted by petehall347
                                    maybe the selector switch has corrosion .
                                    I'm taking this amplifier to a friend of mine who has all kinds of old school equipment for proper testing. Will see if it performs well.

                                    Comment

                                    • petehall347
                                      Badcaps Legend
                                      • Jan 2015
                                      • 4448
                                      • United Kingdom

                                      #19
                                      Re: Dual CV-1260 amplifier Component replacement.

                                      Originally posted by redwire
                                      I missed that they included the fuse in the feedback loop. .
                                      took me a couple of looks at it to notice it .. cant say i have seen it like that before.

                                      Comment

                                      • Benass
                                        Senior Member
                                        • Oct 2020
                                        • 73
                                        • Uk

                                        #20
                                        So final update.
                                        Tested on reasonable system with good speakers, all is good and work.
                                        thanks again everyone.

                                        Comment

                                        Related Topics

                                        Collapse

                                        • tfm
                                          Drop-in replacement for STR-W6052S?
                                          by tfm
                                          The ma​in board of this LG washing and drying machine was damaged due to overvoltage. It is rated for 127V and was powered on 380V.



                                          Inicial visual inspection revealed that only some components at the input of the SMPS were damaged:






                                          Ironically, both fuses are intact. Probably the X2 cap and the bridge are also damaged. The whole board is immersed in an epoxy resin. I am removing it so I get access to the components.

                                          The SMPS is built around an STR-W6052S, which is discontinued and I can't get a replacement....
                                          02-16-2024, 08:29 AM
                                        • Coert van Dorsten
                                          Sansui Integrated Amplifier replacement volume control troubles
                                          by Coert van Dorsten
                                          Hi all you clever electronmic gooroos!

                                          I was wondering if you could help me with the below issues Im having on a Sansui Integrated amplifier. I bought this unit as a project to repair as Im playing around with basic electromics.The unit has a faulty volume control pot. The service maual refers to a 150K Logarithmic pot (A) tapered stereo. Im struggling to find this value. Seem to be a jump from 100K to 250K. Im now trying a 250K pot. It works but the problem is that as the volume is turned up from starting at Min the Left channel will come on first just slightly before the Right...
                                          10-15-2025, 02:54 PM
                                        • r2digital
                                          klipsch kda-500 amplifier suitable power supply capacitor replacement ?
                                          by r2digital
                                          I have a klipsch kda-500 that would turn on and allow me to get into the web management but it was picking up a lot of noise from audio sources so i decided to replace the smd caps on the power supply along with radial one. Some one was in here before me and they basically burned the bottom side of the traces off for the radial cap but i was able to repair it without any real problem. I thought i did a good job sourcing out replacement caps but apparently not and now i can't get the power supply to turn on it just constantly try's to keep turning on. Attached is a picture of the power supply before...
                                          04-18-2024, 03:50 PM
                                        • DoOm86
                                          Dual mosfet replacement help
                                          by DoOm86
                                          Hello.
                                          I have a notebook with a shorted mosfet, it's a E6930 GA8125.
                                          It seems to be a 30V dual asymmetric N-channel AlphaMos.
                                          Luckily the notebook is working, so I just need to find a good replacement for this mosfet.

                                          And here is where I need help!
                                          It's the first time I have to replace this kind of mosfet, I checked on mouse and I found this: (mouser No) = 512-FDPC5030SG.
                                          I need your help to be sure is a good replacement or there is another with better compatibility, since I can't find the same exact (just from China).
                                          Thanks!...
                                          10-31-2023, 12:03 PM
                                        • Document Archive
                                          HP EliteDesk 800 G3 + OfficeConnect OC20 2x2 Dual Radio 802.11ac (RW) Access Point EliteDesk 800 i7-7700T Specification for Upgrade or Repair
                                          by Document Archive
                                          This specification for the HP EliteDesk 800 G3 + OfficeConnect OC20 2x2 Dual Radio 802.11ac (RW) Access Point can be useful for upgrading or repairing a desktop PC that is not working. As a community we are working through our specifications to add valuable data like the EliteDesk 800 G3 + OfficeConnect OC20 2x2 Dual Radio 802.11ac (RW) Access Point boardview and EliteDesk 800 G3 + OfficeConnect OC20 2x2 Dual Radio 802.11ac (RW) Access Point schematic. Our users have donated over 1 million documents which are being added to the site. This page will be updated soon with additional information....
                                          09-12-2024, 02:00 PM
                                        • Loading...
                                        • No more items.
                                        Working...