Wine Fridge Power Board

Collapse
X
 
  • Time
  • Show
Clear All
new posts
  • keeney123
    Lauren
    • Sep 2014
    • 2536
    • United States

    #121
    Re: Wine Fridge Power Board

    Originally posted by budm
    I think the main power supply is OK, it is the switching circuit that is not working.
    I still think those diodes and capacitors are in backwards. That is C13, D10, C14 and D12.
    Last edited by keeney123; 09-14-2015, 01:20 PM.

    Comment

    • fzabkar
      Badcaps Veteran
      • Mar 2009
      • 772
      • Australia

      #122
      Re: Wine Fridge Power Board

      I realise it probably won't be of any help in solving the immdiate problem, but I've drawn the area of the circuit that controls the TL494 regulator. ISTM that the regulator gets feedback from the Peltier output, the NTC sensor (via IC2), its own internal 5V reference voltage (?), and IC3 (uC). IC3 is a microcontroller whose function appears to be to monitor the ambient temperature, but I could be wrong about this.

      Code:
                  ___
        Vcc (TL494-12) <---|___|--+---+
                     |  |
                     |+ |
                     === |
                     --- |
                     |  |    C
           5Vref   5Vref   === |   ||
            +     +    GND | +--||---+
            |     |      | | ||  |
           .-.    .-.  +------)--| ___ |---+
           | |    | |  |   | +-|___|-+  |
           | |    | |  |   |   R    |
           '-'    '-'  |   |8       |
            |     |   |  2|\|       |
        +-------+----+  +-----+----|-\ 1      | ___  D
        |    |  |  |    IC2| >-------------+-|___|-->|--> TL494-1
       +| NTC .-.  |  .-.  +----|+/ LM358
       ===   | |  |  | |  |  3|/|4
       --- +->| |  |  | |  |   |
        |  | '-'  |  '-'  |   |
        |  +---|  |  |   |   ===
       ===   ===  |  ===  |   GND
       GND   GND  |  GND  |
              |     |
              +----------+
      Code:
                  .-------------------------.
                  |             |
              +------|1           14 |-- NC
              |   |      IC3      |
              | o---|2 NC?        13 |-- NC
              |   |      uC      |
              | o---|3 NC?        12 |-- NC
              |   |             |
         5Vref <----+------|4 VCC        11 |------+
                  |             |   |
             ||    |             |   ===
           +--||---+----|5 OSC1         |   GND
           | ||  |  |             |
           |   _-_  |             |
        +-----+ X1 |___| |             |
        |   |    -  |           10 |-- NC
        |   | ||  |  |             |
        ===  +--||---+----|6 OSC2        9 |-- NC
        GND    ||    |             |
               +----|7 ADC in?  DAC out? 8 |--->|----> TL494-1
               |  |             |   D
               |  '-------------------------'
               |
           Link  o
           under  |   |---------|  TO92
           IC3?  o   | o o o |
               |   \ | | | /  Temperature
               |   -|--|--|-   Sensor ?
               |    | | |
               |    | | +--------------------> 5Vref
               |    | | |
               |    | | .-.
               |    | | | |
               +-------+ | | |
                   | | '-'
                   | | |
                 +---+ +--+
                 |  |   |
                 | .-.  .-.
                 --- | |  | |
                 --- | |  | |
                 | '-'  '-'
                 |  |   |
                 +---+-----+
                   |
                   ===
                   GND
      Code:
       +------------+
       |      |
       |      ---            D
       |      ---         +------>|---+-----> Fans / LEDs
       |      |          |      |+
       |      |         .-.     ===
       |      .-.         | |     ---
       |      | |         | |     |
       |      | |         '-'     ===
       |      '-' D1a   L1   |     GND
       |      |       ___  |
       |   -. ,--+---->|--+----UUU---+------+--o  Peltier +
       |    )|(      |     |   |
       |    )|(      |     |+   |     ___  ___
       |  TR2 )|(-----------)-----+  ===   +--------|___|--|___|--+--+
       |    )|(      |   |  ---              | |
       |    )|(      |   |  |               | .-.
       |   -' '--+---->|--+   +----+---------o  Peltier -    | | |
       |      |    |     |               | | |
       +------------| D1b  |     ===              | '-'
                  |     GND              | |
                  |                    | ===
                  |            +----------------+ GND
                 D |            |
                  V  .----------.    |
                  -  | TL494  |    |  D
                  |  |     |    +----|<--- IC3 (uC)
                  +---|Vcc    |    |
                   12|     |    |
                    |    /| |1    |  D
                    |   / |-|--------+----|<--- IC2 (LM358)
                    |  -< E| |    |
                    |   \ |-|--+   |
                   13|    \| |2 |   |
            5Vref <----+----|5Vref   | |   |  +----- 5Vref
                 |  |     | |   |  |
                 .-.  '----------' |   | .-.
                 | |         |   - | |
                 | |         |   ^ | |
                 '-'         |  D | '-'
                 |         |   |  |
                 +------------------+   +---+
                 |              |
                 .-.             .-.
                 | |             | |
                 | |             | |
                 '-'             '-'
                 |              |
                 ===             ===
                 GND             GND
      
      (created by AACircuit v1.28.7 beta 02/28/13 www.tech-chat.de)

      Comment

      • keeney123
        Lauren
        • Sep 2014
        • 2536
        • United States

        #123
        Re: Wine Fridge Power Board

        The temperature sensor is a thermo-couple and a rheostat controls how cold it gets. I think the thermo-couple is a K type but am not sure. One of the IC s should control the duty cycle of the PWM supply. That way as the frig. gets colder the duty cycle decreases as it approaches the temp that was set. Also, there maybe a LED inside the frig. that stays on all the time. It is just used as a light.

        Comment

        • fzabkar
          Badcaps Veteran
          • Mar 2009
          • 772
          • Australia

          #124
          Re: Wine Fridge Power Board

          AFAICT, the offboard temperature sensor (the one inside the fridge) is an NTC thermistor, not a thermocouple. Its resistance, together with the rheostat, forms the bottom end of a potential divider. As the fridge becomes colder, the non-inverting input of the opamp rises, causing the opamp's output to increase. This then causes the Peltier's supply voltage to fall.

          The TO92 packaged device adjacent to IC3 appears to be a second temperature sensor. I believe it senses the ambient room temperature. I would very much like to see its markings, but for some reason it has been removed from the PCB.

          Comment

          • keeney123
            Lauren
            • Sep 2014
            • 2536
            • United States

            #125
            Re: Wine Fridge Power Board

            Originally posted by fzabkar
            AFAICT, the offboard temperature sensor (the one inside the fridge) is an NTC thermistor, not a thermocouple. Its resistance, together with the rheostat, forms the bottom end of a potential divider. As the fridge becomes colder, the non-inverting input of the opamp rises, causing the opamp's output to increase. This then causes the Peltier's supply voltage to fall.

            The TO92 packaged device adjacent to IC3 appears to be a second temperature sensor. I believe it senses the ambient room temperature. I would very much like to see its markings, but for some reason it has been removed from the PCB.
            I was just going by the one I was repairing frig. about 6 months ago. They all must be a little different.The problem I had was the Peltiers could not withstand more than 2.4 amps of current at 12 volts DC. I bought them from China. Another person had the wine cooler, in a earlier post he bought American Peltiers that were driving at 6.5 Amps of current at 12 volts and they were removing the heat, but then something happen and they stop getting hot and never cool much down below 68 f. I guess he gave up. I think what happen is the Peltiers failed. I have yet to see one of these things really work. Those Peltiers are rather small to remove 1.5 cubic feet of heat. I believe the power supplies are big enough to drive them.

            Comment

            • fzabkar
              Badcaps Veteran
              • Mar 2009
              • 772
              • Australia

              #126
              Re: Wine Fridge Power Board

              If I were testing this PCB on the bench, I would replace the Peltier cooler with a 12V dummy load. I would also lift the two diodes that feed pin #1 of the TL494 from IC2 and IC3. This will allow the supply to reach its full design voltage. Let's call this voltage Vp.

              I would then reconnect the diode from IC2 and substitute a dummy resistor for the NTC/rheostat. Typical thermistors will have a resistance of 10K or 5K at 25degC, and a much higher resistance at 0degC. I would then vary the resistance between these two settings (or -10C to +40C) while observing the Peltier output voltage. The voltage should be less than or equal to Vp, never greater. I expect that the voltage should fall as the temperature falls.

              Next I would examine the effect of ambient temperature by reconnecting IC3 and heating or cooling the TO92 device (with spray freeze or a hair dryer). Do this with the NTC set at 25degC. As before, the voltage should be less than or equal to Vp, never greater.

              Comment

              • keeney123
                Lauren
                • Sep 2014
                • 2536
                • United States

                #127
                Re: Wine Fridge Power Board

                The Peltiers are a big problem with these cooler. First the Chinese ones one can connect a ATX 12 volt power supply directly to them and without putting them in the unit they will draw maximum amperage. The Manufacturer claims they are capable of drawing 6.5 amps at 12 volts DC. My measuring them for current outside of the heat sink the maximum they will draw if 2.6 amps. If you let them continue to draw that current they will burn out. I have tested them. Actually if you look at there graph you will see they are only capable of drawing about 4.5 amps at 12 volts. As the surface become the same temperature on each side the draw of current becomes less until they equal practically 0 Amps. The Black & Decker unit I tried to repair was not even listed on the B&D site and I read that they did not even support repairing their thermo-electric frig. I though perhaps the US supplier would have better quality Peltiers and I guess they do as one person bought these and was able to obtain 6.5 Amps of current out of them and they actually had a high heat output until something happen and they no longer drew out heat. Of course 6.5 amps was a lot and perhaps they could not hold up to that. The other problem is cost of them. The Chinese sell them for about $3 a piece, but they do not work. The US sells them for minimum $21 each which prohibits buying them as $42 dollar investment in a cooler one can by used for $60. The problem is not so much testing the power supply and temperature control as it is can these two Peltier actually cool 1.5 cubic foot of air from 70 F down to 37 F. and if the ambient is greater than 70F are the Peltiers incapable of overcoming that temp. These numbers are in the specifications of the frig. I was working on and 70F to 37F were maximum ratings. They also say that it will take at least 10 hours to do this. They also say if you open the door frequently, more than one time a hour, the inside will heat up again and will take time to re-cool again. This is the problem. Perhaps if one were only cooling off enough area just for a sandwich and coke that might work. One would have to figure out how many BTUs each Peltier is really capable of cooling.

                Comment

                • dunkel
                  New Member
                  • Sep 2015
                  • 7
                  • mexico

                  #128
                  Re: Wine Fridge Power Board

                  Originally posted by fzabkar
                  I think that there may be errors in the hand drawn circuit diagram, but ISTM that there is enough symmetry in the circuit to enable the values of some of the damaged components to be inferred from other components.

                  R35 = R38
                  R34 = R37
                  D10 = D12
                  Thank you so much, now i just need to find out the value of the D12 diode which i have in good conditions.

                  do you know a replacement for the transistors 13005D ? T6, T7? can I use the MJE13007 ?

                  Thanks!
                  Last edited by dunkel; 09-19-2015, 08:41 AM.

                  Comment

                  • dunkel
                    New Member
                    • Sep 2015
                    • 7
                    • mexico

                    #129
                    Re: Wine Fridge Power Board

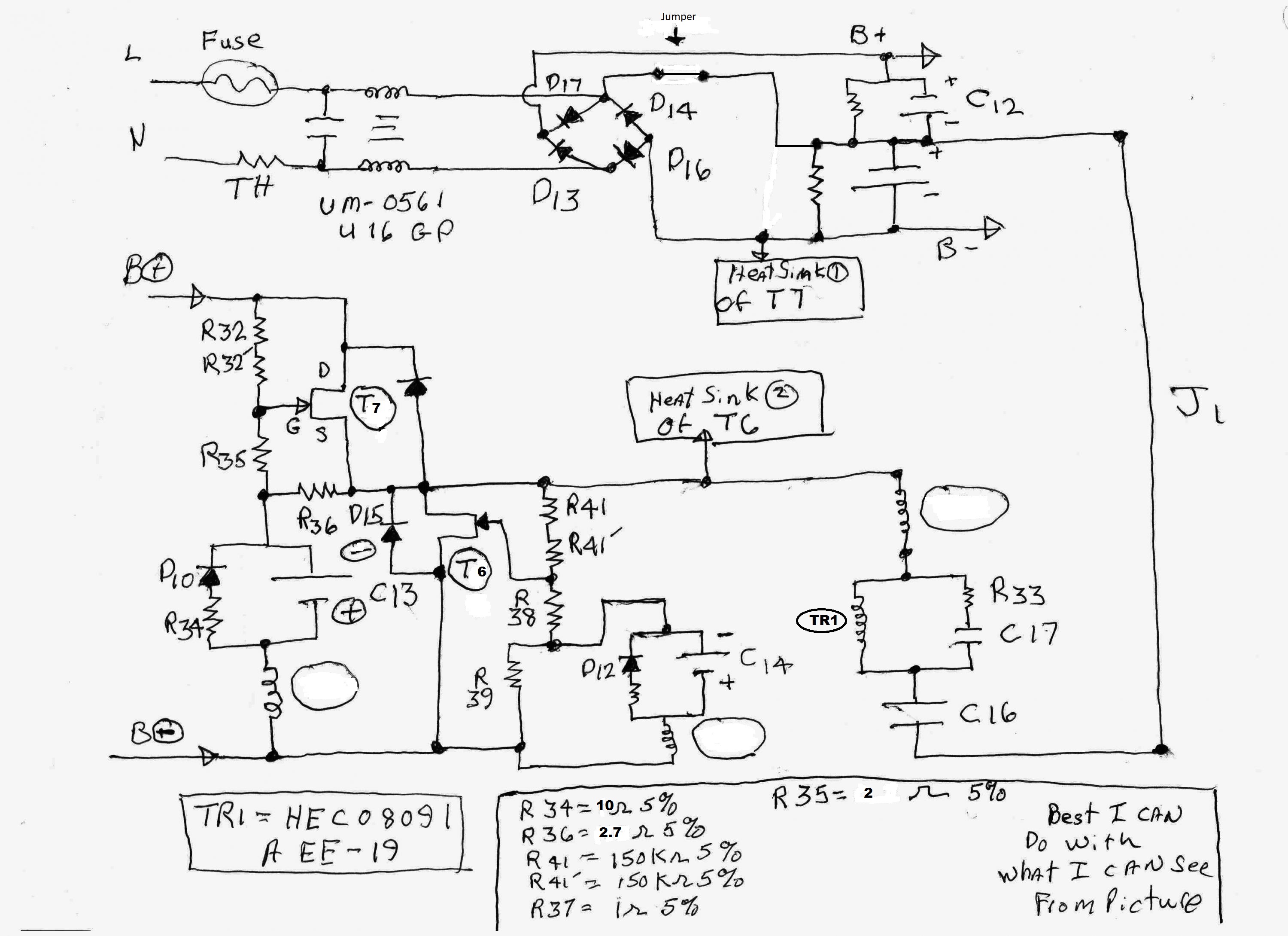
                    according my resistors and the pictures, i get this:

                    R34 10ohms 5%
                    R35 2ohms 5%
                    R36 2.7kohms 5%

                    R35 = R38
                    R34 = R37
                    R36 = R39
                    Last edited by dunkel; 09-19-2015, 08:41 AM.

                    Comment

                    • keeney123
                      Lauren
                      • Sep 2014
                      • 2536
                      • United States

                      #130
                      Re: Wine Fridge Power Board

                      Originally posted by dunkel
                      according my resistors and the pictures, i get this:

                      R34 10ohms 5%
                      R35 2ohms 5%
                      R36 2.7kohms 5%

                      R35 = R38
                      R34 = R37
                      R36 = R39
                      I will add these values to my schematic. If you find out they are different please tell me.

                      Comment

                      • keeney123
                        Lauren
                        • Sep 2014
                        • 2536
                        • United States

                        #131
                        Re: Wine Fridge Power Board

                        Updated schematic as of dunkel observation of his board. Value resistor changed R 34, R35 and R36
                        Attached Files

                        if you find these attachements useful please consider making a small donation to the site

                        Comment

                        • fzabkar
                          Badcaps Veteran
                          • Mar 2009
                          • 772
                          • Australia

                          #132
                          Re: Wine Fridge Power Board

                          I can't identify the transistor. I found two candidates with similar specs, but they have different pinouts. I don't know if the difference is real, or whether there is an error in the datasheet. IME the BCE pinout is the commonest one.

                          BTW, the circuit diagram is drawn with FETS, but the markings suggest that T6 and T7 are NPN transistors. Can you confirm this by testing the B-E and B-C junctions with your meter's diode test? This will also verify the pinout.

                          What is also strange is that there are diodes between C-E (or D-S) in the circuit, but each of my candidates has an integrated C-E diode.

                          STT13005D, STMicroelectronics, fast switching NPN transistor, 2A, 700V, Veb = 9V, hfe(min) = 8, SOT-32, integrated CE diode:


                          APT13005D, Diodes Inc, 700V, 4A, Veb = 9V, hfe = 8, integrated CE diode:


                          Code:
                          STT13005D APT13005D
                          
                          |-----|   |-----|
                          | O |   | O |
                          |_____|   |_____|
                           | | |    | | |
                           | | |    | | |
                           E C B    B C E
                          As for D12 and D10, I would think that they would need to be fast switching diodes. ISTM that a current rating of 1A would be more than enough.

                          max base current = IC(max) / hfe(min) = 4A / 8 = 0.5A

                          Can you tell us the markings on the TO92 device next to IC3?

                          Can you also tell us the resistance between R34 and the source/emitter pin of T7? I believe there may be an error in the circuit diagram in this area.
                          Last edited by fzabkar; 09-19-2015, 03:21 PM.

                          Comment

                          • dunkel
                            New Member
                            • Sep 2015
                            • 7
                            • mexico

                            #133
                            Re: Wine Fridge Power Board

                            Originally posted by fzabkar
                            I can't identify the transistor. I found two candidates with similar specs, but they have different pinouts. I don't know if the difference is real, or whether there is an error in the datasheet. IME the BCE pinout is the commonest one.

                            BTW, the circuit diagram is drawn with FETS, but the markings suggest that T6 and T7 are NPN transistors. Can you confirm this by testing the B-E and B-C junctions with your meter's diode test? This will also verify the pinout.

                            What is also strange is that there are diodes between C-E (or D-S) in the circuit, but each of my candidates has an integrated C-E diode.

                            STT13005D, STMicroelectronics, fast switching NPN transistor, 2A, 700V, Veb = 9V, hfe(min) = 8, SOT-32, integrated CE diode:


                            APT13005D, Diodes Inc, 700V, 4A, Veb = 9V, hfe = 8, integrated CE diode:


                            Code:
                            STT13005D APT13005D
                            
                            |-----|   |-----|
                            | O |   | O |
                            |_____|   |_____|
                             | | |    | | |
                             | | |    | | |
                             E C B    B C E
                            As for D12 and D10, I would think that they would need to be fast switching diodes. ISTM that a current rating of 1A would be more than enough.

                            max base current = IC(max) / hfe(min) = 4A / 8 = 0.5A

                            Can you tell us the markings on the TO92 device next to IC3?

                            Can you also tell us the resistance between R34 and the source/emitter pin of T7? I believe there may be an error in the circuit diagram in this area.
                            Hello, I cant find any TO92.

                            and I think the resistance in the emitter of T7 is my R36

                            R35 goes to the Base )having in mind this transistor is like the BUL39Q i think i found as replacement but I also wanted to know if i can change it to MJE13007 because on the same thread i found i can use both but now im not sure.

                            Comment

                            • dunkel
                              New Member
                              • Sep 2015
                              • 7
                              • mexico

                              #134
                              Re: Wine Fridge Power Board

                              This is my IC3
                              Attached Files

                              if you find these attachements useful please consider making a small donation to the site

                              Comment

                              • fzabkar
                                Badcaps Veteran
                                • Mar 2009
                                • 772
                                • Australia

                                #135
                                Re: Wine Fridge Power Board

                                If there is no TO92, then I can't see the purpose of IC3. AISI, IC3 has a single output but no inputs, yet it controls the TL494 in some way ???

                                I understand where R35 and R36 go. I want to know where R34 goes. In the diagram it connects to B- via the transformer winding. I believe that the other end of the transformer winding should connect to the emitter of T7, not B-.

                                As for your question regarding the transistor, please tell us the pinout of the original transistors. Is it BCE or ECB, and have you confirmed that it tests like an NPN transistor, not a MOSFET?
                                Last edited by fzabkar; 09-19-2015, 04:26 PM.

                                Comment

                                • dunkel
                                  New Member
                                  • Sep 2015
                                  • 7
                                  • mexico

                                  #136
                                  Re: Wine Fridge Power Board

                                  Originally posted by fzabkar
                                  If there is no TO92, then I can't see the purpose of IC3. AISI, IC3 has a single output but no inputs, yet it controls the TL494 in some way ???

                                  I understand where R35 and R36 go. I want to know where R34 goes. In the diagram it connects to B- via the transformer winding. I believe that the other end of the transformer winding should connect to the emitter of T7, not B-.

                                  As for your question regarding the transistor, please tell us the pinout of the original transistors. Is it BCE or ECB, and have you confirmed that it tests like an NPN transistor, not a MOSFET?
                                  OK, let me remove the transistor to check the BCE or ECB and also my D12 to realize the D10.

                                  did you see my picture I dont have TO92, nor even the empty space for it. thanks

                                  Comment

                                  • fzabkar
                                    Badcaps Veteran
                                    • Mar 2009
                                    • 772
                                    • Australia

                                    #137
                                    Re: Wine Fridge Power Board

                                    The MJE13005G appears to be similar in specs to the others:

                                    https://cdn.badcaps-static.com/pdfs/...8910f762a5.pdf

                                    Its pinout is BCE (left to right). The MJE13007 is a higher current, higher wattage version of the MJE13005G, so ISTM that it should be a good choice, provided that the pinout is correct. Just make sure to use heatsink insulation if necessary. I also notice that neither transistor has a CE diode, so that explains the one on the PCB.

                                    Comment

                                    • keeney123
                                      Lauren
                                      • Sep 2014
                                      • 2536
                                      • United States

                                      #138
                                      Re: Wine Fridge Power Board

                                      Originally posted by fzabkar
                                      The MJE13005G appears to be similar in specs to the others:

                                      https://cdn.badcaps-static.com/pdfs/...8910f762a5.pdf

                                      Its pinout is BCE (left to right). The MJE13007 is a higher current, higher wattage version of the MJE13005G, so ISTM that it should be a good choice, provided that the pinout is correct. Just make sure to use heatsink insulation if necessary. I also notice that neither transistor has a CE diode, so that explains the one on the PCB.
                                      Yes, I remember replacing this on the board I had, it can be done with the MJE13007. Of course I modified the board to try and get more power out of it because I thought the power supply was not driving hard enough because the inline current measurement only got to 2.4 Amps at 12V per Peltier. Bud M kept telling me to use a 12volt car battery to see if the Peltiers would drive harder. He was right. Although, I used an 12V ATX directly to the Peltiers and they would not drive more than 2.4 Amps. I left this set up over night and the temperature only got to 68 F.
                                      Last edited by keeney123; 09-19-2015, 05:22 PM.

                                      Comment

                                      • fzabkar
                                        Badcaps Veteran
                                        • Mar 2009
                                        • 772
                                        • Australia

                                        #139
                                        Re: Wine Fridge Power Board

                                        You can calculate the maximum design output of the PSU by measuring the resistances in each of the potential dividers attached to pins 1 and 2 of the TL494. If the figure turns out to be 12V, then that would point to unsuitable Peltiers. Alternatively, if you want to crank up the voltage, you could increase the value of either of the two resistors in the upper part of the potential divider attached to pin 2 of the TL494.
                                        Last edited by fzabkar; 09-20-2015, 01:30 AM.

                                        Comment

                                        • fzabkar
                                          Badcaps Veteran
                                          • Mar 2009
                                          • 772
                                          • Australia

                                          #140
                                          Re: Wine Fridge Power Board

                                          Here is a PSU circuit that uses two MJE13007 transistors in a similar configuration:

                                          http://320volt.com/wp-content/upload...e13007-v13.png

                                          The diodes in the base circuit are general purpose signal types (1N4148). The polarities of the diodes and electrolytics match the circuit drawn by keeney123. However, the positions of the windings confirm that there is an error in our circuit diagram. Note that there is also a missing B- reference at the emitter of Q2 in the ATX circuit. :-)
                                          Last edited by fzabkar; 09-20-2015, 03:05 AM.

                                          Comment

                                          Related Topics

                                          Collapse

                                          Working...