Hi All,
I am working on a Mickey Mouse novelty table light which is powered by an external 24V 3A AC supply.
It was DOA and when I opened it I could see evidence of heat around the larger bridge rectifier consisting of 4x 1N5404 diodes. The internal 5A fuse had blown as had one of the diodes.
I replaced the diode and the fuse which brought it back to life with the exception of the 24V DC supplied lamp which is switched with a MTP60N06 N-channel MOSFET via an opto-isolator.
When the light switch (single contact button) is operated the lamp makes an appropriate sound and a motor powered animation takes place. At the same time +5V is fed via a red wire (STPA) to the opto which in turn is connected to the MFET. I have tested the opto & MOSF off the board and test OK.
I have also tested all the other components on the PS board: LM317 (7.96Vo/p), diodes, electrolytic, resistors but cannot get the lamp to switch on..
There are 2 boards: one with the power supply, LM317 and the MFET. The second board has the animation & sound control, etc.
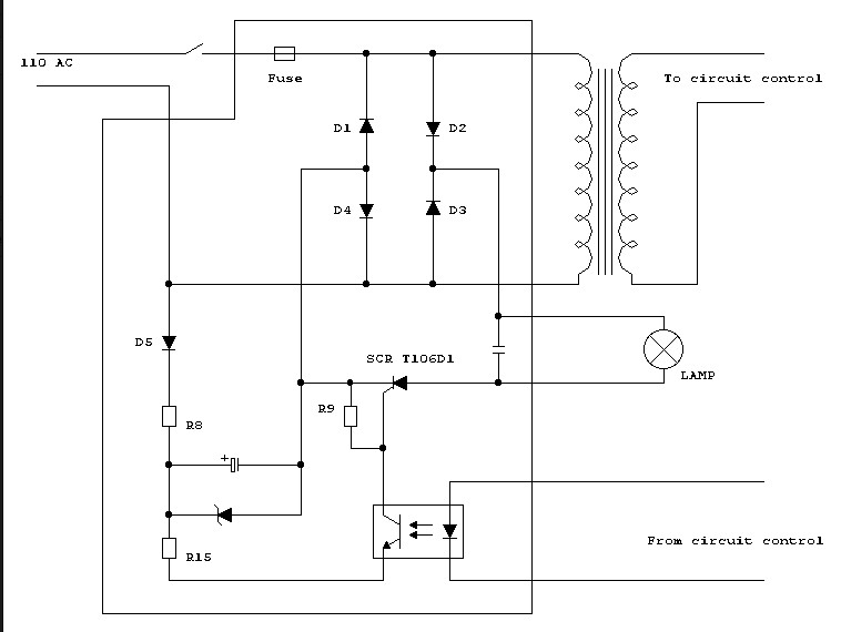
The attached schematic is from a version of the light that has the mains transformer built in and a SCR for the lamp control.
Any thoughts pointers would be great.
Many thanks.



I am working on a Mickey Mouse novelty table light which is powered by an external 24V 3A AC supply.
It was DOA and when I opened it I could see evidence of heat around the larger bridge rectifier consisting of 4x 1N5404 diodes. The internal 5A fuse had blown as had one of the diodes.
I replaced the diode and the fuse which brought it back to life with the exception of the 24V DC supplied lamp which is switched with a MTP60N06 N-channel MOSFET via an opto-isolator.
When the light switch (single contact button) is operated the lamp makes an appropriate sound and a motor powered animation takes place. At the same time +5V is fed via a red wire (STPA) to the opto which in turn is connected to the MFET. I have tested the opto & MOSF off the board and test OK.
I have also tested all the other components on the PS board: LM317 (7.96Vo/p), diodes, electrolytic, resistors but cannot get the lamp to switch on..
There are 2 boards: one with the power supply, LM317 and the MFET. The second board has the animation & sound control, etc.
The attached schematic is from a version of the light that has the mains transformer built in and a SCR for the lamp control.
Any thoughts pointers would be great.
Many thanks.
Comment