What Does This Thing Do?

Collapse
X
 
  • Time
  • Show
Clear All
new posts
  • EasyGoing1
    Shock Therapist
    • Sep 2016
    • 977
    • USA

    #1

    What Does This Thing Do?

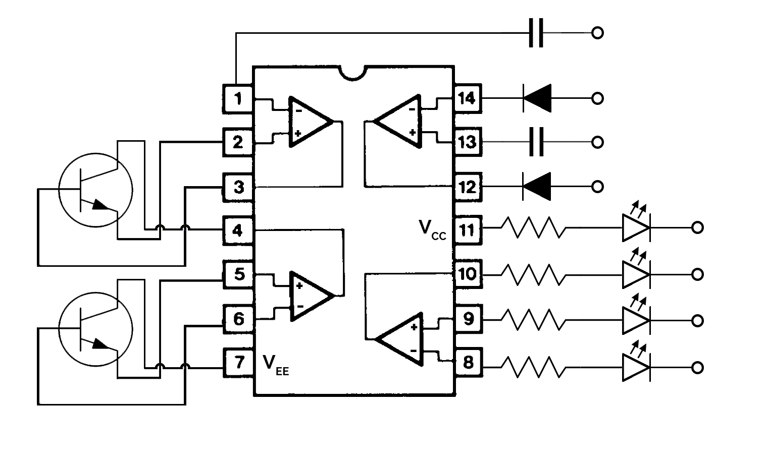
    I bought a pack of misc electronic things for $5. They said it was a student kit for some classes.. It came with various components and this circuit ... which I can't determine what it does or what it's used for. I tried finding a datasheet for the chip but the closest thing I can find indicates it is a quad op amp but when I work the op amp diagram into the schematic of this circuit it makes no sense.

    Attached is the photo of the circuit as well as the schematic I drew up based on what info I could find.

    Any ideas?


    Attached Files
    sigpic
  • PeteS in CA
    Badcaps Legend
    • Aug 2005
    • 3581
    • USA, Unsure of Planet

    #2
    Re: What Does This Thing Do?

    Well, it does appear to be an Exar quad op-amp. The "7711" date code means it was produced in the 11th week of 1977. From the datasheet, it looks like the performance of the op-amps would be similar to an LM324, but NOT the same pin-out.

    I don't know whether this helps make the circuit make any better sense, but pin 1 of the IC is in the bottom left corner as the IC is seen in your picture, not the top left corner. I'm kind of wondering whether it's some sort of assembly or soldering test board rather than a meaningful circuit.
    PeteS in CA

    Power Supplies should be boring: No loud noises, no bright flashes, and no bad smells.
    ****************************
    To kill personal responsibility, initiative or success, punish it by taxing it. To encourage irresponsibility, improvidence, dependence and failure, reward it by subsidizing it.
    ****************************

    Comment

    • rievax_60
      Badcaps Veteran
      • May 2012
      • 897
      • australia

      #3
      Re: What Does This Thing Do?

      I don't think it does anything. There are no distinct power input points. I'm confident that the IC is being identified correctly as a quad op amp. so the way the other parts are connected make no sense at all.
      It just looks like practice at building a useless circuit.

      Comment

      • EasyGoing1
        Shock Therapist
        • Sep 2016
        • 977
        • USA

        #4
        Re: What Does This Thing Do?

        Originally posted by PeteS in CA
        Well, it does appear to be an Exar quad op-amp. The "7711" date code means it was produced in the 11th week of 1977. From the datasheet, it looks like the performance of the op-amps would be similar to an LM324, but NOT the same pin-out.
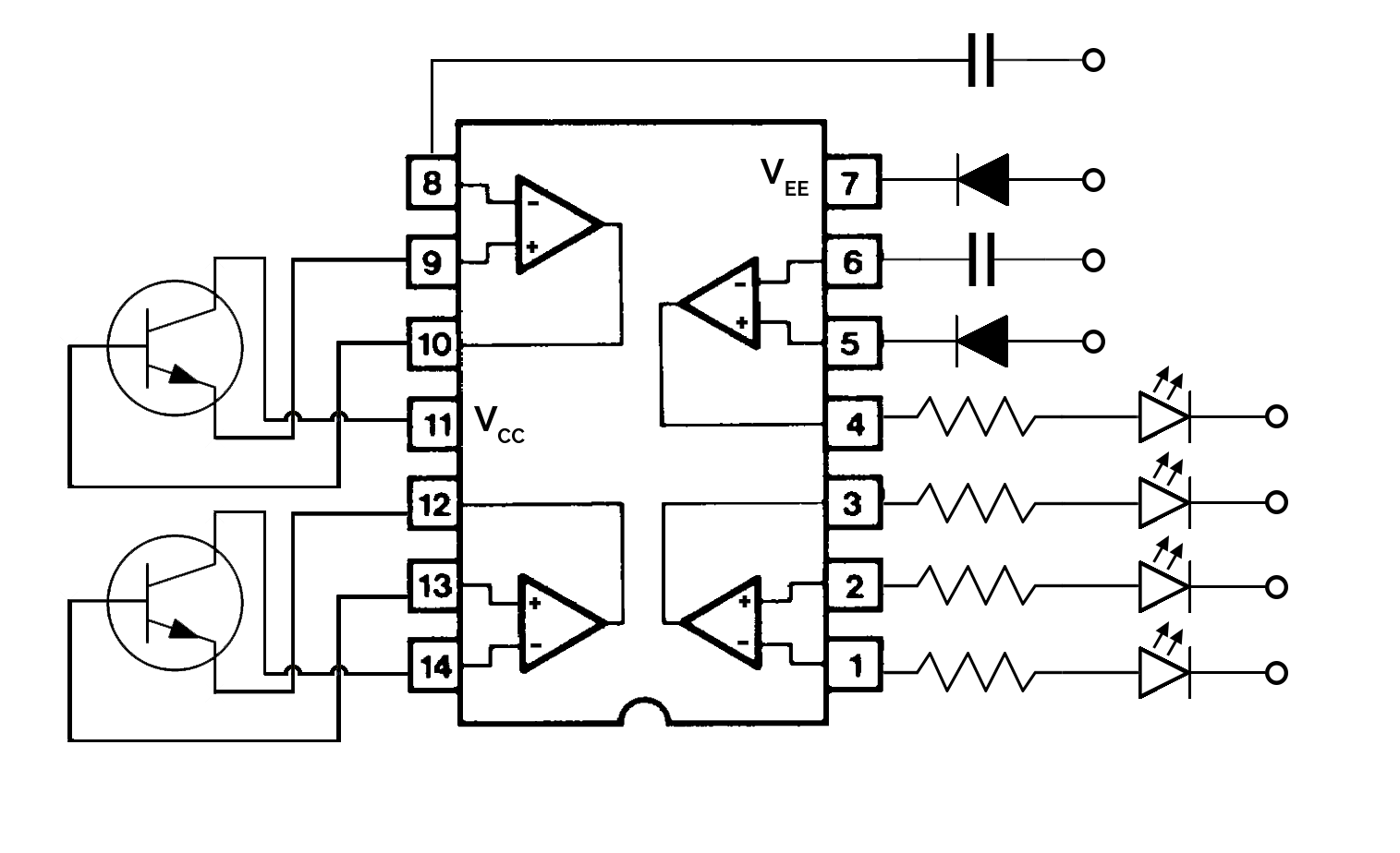
        Good call on the pinout ... I changed the schematic given the proper pin placement ...

        Attached Files
        sigpic

        Comment

        • EasyGoing1
          Shock Therapist
          • Sep 2016
          • 977
          • USA

          #5
          Re: What Does This Thing Do?

          Perhaps it was someone's project, but it received an 'F' ... lol
          sigpic

          Comment

          • petehall347
            Badcaps Legend
            • Jan 2015
            • 4439
            • United Kingdom

            #6
            Re: What Does This Thing Do?

            it wont work properly .the resistors should be all same value ...
            it needs more parts to do anything .. maybe it ends up as a touch this bit and a light comes on .. or flashes .
            shit the pinouts changed after i posted .. vcc is not in a good place now
            Last edited by petehall347; 07-11-2017, 05:00 PM.

            Comment

            • petehall347
              Badcaps Legend
              • Jan 2015
              • 4439
              • United Kingdom

              #7
              Re: What Does This Thing Do?

              4136 ic ....

              Comment

              • EasyGoing1
                Shock Therapist
                • Sep 2016
                • 977
                • USA

                #8
                Re: What Does This Thing Do?

                I forgot to include an image of the backside and some markings that I left out ... they might be relevant???

                Attached Files
                sigpic

                Comment

                • stj
                  Great Sage 齊天大聖
                  • Dec 2009
                  • 31187
                  • Albion

                  #9
                  Re: What Does This Thing Do?

                  it's electrically bullshit.
                  infact i cant imagine any chip that could hook to transistors like that.

                  i suspect it's just some random crap made to teach stuffing and soldering.
                  and on that subject, i give the student an F.
                  infact it's so bad i'd tell them to get the F out and find another course.

                  Comment

                  • eccerr0r
                    Solder Sloth
                    • Nov 2012
                    • 8701
                    • USA

                    #10
                    Re: What Does This Thing Do?

                    Is that IC in a socket? Perhaps someone swapped the IC to confuse us all.

                    BTW, even if the pinout of that 4136 is the same as the LM324, I would not use the 4136 in a pinch. The characteristics look more like two LM1458's than LM324...
                    Last edited by eccerr0r; 07-11-2017, 08:33 PM.

                    Comment

                    • Spork Schivago
                      Badcaps Legend
                      • Mar 2012
                      • 4734
                      • United States of America

                      #11
                      Re: What Does This Thing Do?

                      I found a site, esssales.com. I believe they sell various kits from other companies. Maybe the ESS/IEU means ESS sold it, for a company that went by IEU? Maybe the PDC means Practice Development Circuit?

                      Even though I cannot find the circuit on their site, they do sell practice circuits, for soldering. Maybe if we had some sort of date, we could use he wayback machine and try to figure it out?
                      Last edited by Spork Schivago; 07-12-2017, 11:14 AM. Reason: Realized I was wrong, changed my post
                      -- Law of Expanding Memory: Applications Will Also Expand Until RAM Is Full

                      Comment

                      • EasyGoing1
                        Shock Therapist
                        • Sep 2016
                        • 977
                        • USA

                        #12
                        Re: What Does This Thing Do?

                        Originally posted by eccerr0r
                        Is that IC in a socket? Perhaps someone swapped the IC to confuse us all.
                        NO, it's soldered onto the board.
                        sigpic

                        Comment

                        • EasyGoing1
                          Shock Therapist
                          • Sep 2016
                          • 977
                          • USA

                          #13
                          Re: What Does This Thing Do?

                          Originally posted by Spork Schivago
                          I found a site, esssales.com. I believe they sell various kits from other companies. Maybe the ESS/IEU means ESS sold it, for a company that went by IEU? Maybe the PDC means Practice Development Circuit?

                          Even though I cannot find the circuit on their site, they do sell practice circuits, for soldering. Maybe if we had some sort of date, we could use the wayback machine and try to figure it out?
                          I could only guess ... sometime within the last 10 years.

                          Im just going to desolder the components and throw them in the pile.
                          sigpic

                          Comment

                          • EasyGoing1
                            Shock Therapist
                            • Sep 2016
                            • 977
                            • USA

                            #14
                            Re: What Does This Thing Do?

                            Originally posted by stj
                            it's electrically bullshit.
                            infact i cant imagine any chip that could hook to transistors like that.

                            i suspect it's just some random crap made to teach stuffing and soldering.
                            and on that subject, i give the student an F.
                            infact it's so bad i'd tell them to get the F out and find another course.
                            sigpic

                            Comment

                            Related Topics

                            Collapse

                            • Astonished
                              Fixing the Charge Circuit of the Batteries of the DC Motor
                              by Astonished
                              Hi friends of electronics

                              What you see in the video and pictures attached is the circuit for charging the batteries of a DC motor.

                              The problem is that this circuit cannot charge the batteries (3 1800mAH NiMH batteries) any more. When the circuit was OK, its green LEDs lit up one at a time to show that the batteries have charged more. But now that the circuit is flawed, LEDs light up as you see in the video and at the same time successive beeps are heard.

                              Please help me fix this circuit.

                              (the datasheet of the IC: https://pdf.datasheet.live/28...
                              01-28-2025, 06:24 AM
                            • Tarot Superstars
                              Short Circuit tester
                              by Tarot Superstars
                              Hello.
                              I have seen a short circuit tester made with 3 * 9V batteries, a voltage limiter component and a resistor connected to the probes of a multimeter.
                              The theory is that the meter becomes sensitive enough to read very low resistances and the lowest resistance to ground on a circuit is likely to be a short circuit in that area.

                              Link
                              The Amazing $1 Short Finder Upgraded! Convert ... - YouTube
                              https://www.youtube.com/watch?v=0eixDdCpiO4

                              My multimeter isn't normally sensitive to very small resistance, but when I put a 1 mega ohm resistor...
                              09-25-2023, 09:11 AM
                            • Alimash
                              op amp circuit function?
                              by Alimash
                              Hi,
                              I am repairing a ups which doesn't turn on ,it has the following ICs:
                              SG3525 used to drive inverter mosfets.
                              couple of uc3483, one for the power supply and another to drive a big mosfet at the output stage(i think the technique is called boost)
                              A LM358 and TL074 for control mechanism and of course the uController.

                              The SG3525 is shutting down every time the ups is turned on.
                              I want your help to know the function of LM358 and TL074 in the system.
                              I reverse engineered the LM358 circuit and i think that one of the block(A) is used for battery level...
                              07-31-2025, 07:45 AM
                            • M1NEBLANK SHOW
                              MSI B250 Gaming M3 Short circuit in CPU power supply circuit
                              by M1NEBLANK SHOW
                              Hello. MSI B250 Gaming M3 board, short-circuit on the power supply. Found a problematic mosfet VQ1
                              (N-PK616BA_PDFN8-HF) soldered it out - short circuit is gone. I replaced VQ1 + VQ5 (N-PK632BA_PDFN8-HF). VQ1 was replaced with PK618. After starting attempt VQ1 is lit again. What can be the problem? In the driver?

                              Schematic and Boardview here
                              ...
                              04-04-2025, 03:57 PM
                            • прямо
                              Viper22A 5VSB circuit
                              by прямо
                              So I have a cheap non working ATX PSU that I was learning to repair a decade ago. At the time, it blew the main fuse, bridger rectifier, NTC, and primary 9A 900V MOSFET. Replaced all except the MOSFET. 5VSB came back online. Then I poked around in it so much, measuring components one by one to a point I accidentally made the 5VSB circuit primary side went bang. Blown the AP8022 (Viper22A) PWM chip, along with a low resistance resistor and the PC817 opto isolator. I replaced them all.

                              In the process of poking around, I also lost a zener diode that stabilize the voltage coming from...
                              01-13-2024, 07:05 PM
                            • Loading...
                            • No more items.
                            Working...