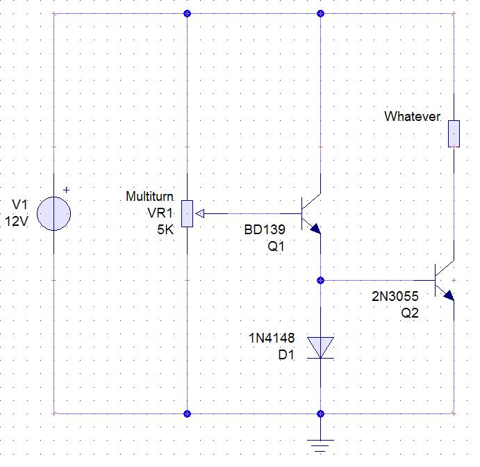
I've just built myself a 20A current source using a BD139 and two 2N3055s (in the schematic there's only one figured, i use two in parallel for Q2). I feed it with a 9.5Ah SLA battery, just the thing for getting a boatload of amps. 
I built it to use it along with my inductance measuring multimeter to check DC saturation current of inductors for SMPS supplies. But soon i figured there's more things it can be used for.
What other uses can you think of?

I built it to use it along with my inductance measuring multimeter to check DC saturation current of inductors for SMPS supplies. But soon i figured there's more things it can be used for.
- Testing fusing current of wire (for replacing fuses with a piece of wire without tripping the breaker or setting my house on fire)
- Testing current capability and voltage drop of diodes
What other uses can you think of?
Comment