Sony Bravia KDL-40EX720 no backlight

Collapse
X
 
  • Time
  • Show
Clear All
new posts
  • olegau
    Member
    • Aug 2017
    • 15
    • Australia

    #1

    Sony Bravia KDL-40EX720 no backlight

    It seems to me all work except the backlight.
    The red standby and the green power on lights are stable, no flashing.

    I try to identify which board or the screen is faulty.

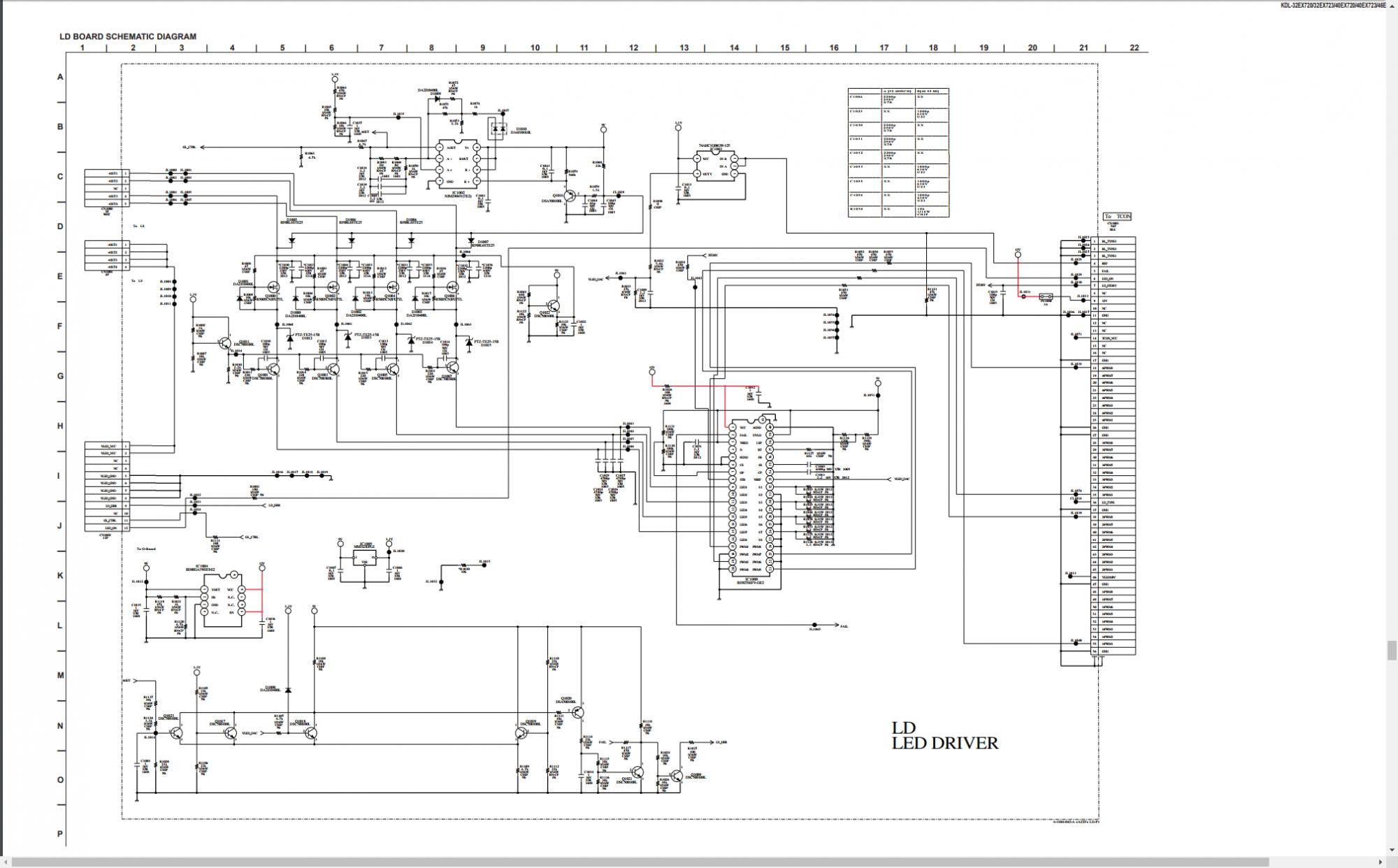
    Connections on LD board:
    CN1001 (4pins)+122V each
    CN1000 (5pins) four pins+28V each

    What confuse me is CN1001 voltages. They suppose to be negative but it is +122V each.
    I think the problem is somewhere around here.

    I appreciate any opinion.
    Attached Files

    if you find these attachements useful please consider making a small donation to the site

  • dick_barton
    Badcaps Legend
    • Aug 2015
    • 6643
    • Wales

    #2
    Re: Sony Bravia KDL-40EX720 no backlight

    There are no negative voltages. The "+Out" indicates the power to the leds and the "-Out" is the return connection from the leds.
    Willing to help but I'm no expert.

    Comment

    • olegau
      Member
      • Aug 2017
      • 15
      • Australia

      #3
      Re: Sony Bravia KDL-40EX720 no backlight

      Thanks for the clarification.

      So it looks LD board and screen leds are okey.

      Who knows how to identify a faulty board?
      Last edited by olegau; 08-11-2017, 03:00 AM.

      Comment

      • dick_barton
        Badcaps Legend
        • Aug 2015
        • 6643
        • Wales

        #4
        Re: Sony Bravia KDL-40EX720 no backlight

        Unfortunately the power supply schematics within the above pdf are not readable which would have been of help.
        Willing to help but I'm no expert.

        Comment

        • olegau
          Member
          • Aug 2017
          • 15
          • Australia

          #5
          Re: Sony Bravia KDL-40EX720 no backlight

          I checked supply 12V on conections CN6151 and CN6801. All of them 12.5V.
          Power on/off 3V/0V works.

          Comment

          • Biruslapio
            Badcaps Veteran
            • Nov 2013
            • 552
            • Brasil

            #6
            Re: Sony Bravia KDL-40EX720 no backlight

            Hi,i had a 40EX725 but i broke its display,i still have all the boards except signal board,this one that you're having problems with is the exact same,and it was working when i pulled out,if you need measurements from it i can do it and you compare to see what is faulty,still have the LEDs and power supply also,but i don't know how to hotwire the PSU for it to supply voltage to this board.
            edit:you should also check the LED stripes inside the panel,it is not rare for them to burn out for this model.
            Last edited by Biruslapio; 08-11-2017, 04:07 AM.

            Comment

            • olegau
              Member
              • Aug 2017
              • 15
              • Australia

              #7
              Re: Sony Bravia KDL-40EX720 no backlight

              It would be great but a lot of hassle. Maybe take measurements only the power board without the load. But it may not work because the PSU will not get feedback from other boards.

              Comment

              • budm
                Badcaps Legend
                • Feb 2010
                • 40746
                • USA

                #8
                Re: Sony Bravia KDL-40EX720 no backlight

                Can we see the pictures of the whole back side of the TV showing all the boards?
                What DCV do you have on
                CN1002:
                LD_ERR
                LED_ON
                GL_CTRL

                CN1003:
                1-PWM1
                2-PWM8
                3-PWM1
                4-PWM8

                Also leave the probe on one of the (+OUT) and record what you read when the TV is OFF and when the TV is turned on to see if it goes up to more than 122v and then drops down to 122V or less.
                Last edited by budm; 08-11-2017, 09:12 AM.
                Never stop learning
                Basic LCD TV and Monitor troubleshooting guides.
                http://www.badcaps.net/forum/showthr...956#post305956

                Voltage Regulator (LDO) testing:
                http://www.badcaps.net/forum/showthr...999#post300999

                Inverter testing using old CFL:
                http://www.badcaps.net/forum/showthr...er+testing+cfl

                Tear down pictures : Hit the ">" Show Albums and stories" on the left side
                http://s807.photobucket.com/user/budm/library/

                TV Factory reset codes listing:
                http://www.badcaps.net/forum/showthread.php?t=24809

                Comment

                • budm
                  Badcaps Legend
                  • Feb 2010
                  • 40746
                  • USA

                  #9
                  Re: Sony Bravia KDL-40EX720 no backlight

                  Is this your power supply board?
                  Sony 1-474-300-11 (APS-293, APS-293(CH)) G6 Power Supply.

                  Pictures provided by shojimmy.
                  Attached Files

                  if you find these attachements useful please consider making a small donation to the site

                  Never stop learning
                  Basic LCD TV and Monitor troubleshooting guides.
                  http://www.badcaps.net/forum/showthr...956#post305956

                  Voltage Regulator (LDO) testing:
                  http://www.badcaps.net/forum/showthr...999#post300999

                  Inverter testing using old CFL:
                  http://www.badcaps.net/forum/showthr...er+testing+cfl

                  Tear down pictures : Hit the ">" Show Albums and stories" on the left side
                  http://s807.photobucket.com/user/budm/library/

                  TV Factory reset codes listing:
                  http://www.badcaps.net/forum/showthread.php?t=24809

                  Comment

                  • olegau
                    Member
                    • Aug 2017
                    • 15
                    • Australia

                    #10
                    Re: Sony Bravia KDL-40EX720 no backlight

                    Yes, that is my power supply board.

                    Comment

                    • olegau
                      Member
                      • Aug 2017
                      • 15
                      • Australia

                      #11
                      Re: Sony Bravia KDL-40EX720 no backlight

                      Pics of the TV:
                      General view
                      Connections of PCU
                      Connections of T-CON
                      Attached Files

                      if you find these attachements useful please consider making a small donation to the site

                      Comment

                      • olegau
                        Member
                        • Aug 2017
                        • 15
                        • Australia

                        #12
                        Re: Sony Bravia KDL-40EX720 no backlight

                        Today I was following an advice to disconnect one after another the T-CON two flat ribbons going down to the screen. Nothing happened.

                        Comment

                        • Biruslapio
                          Badcaps Veteran
                          • Nov 2013
                          • 552
                          • Brasil

                          #13
                          Re: Sony Bravia KDL-40EX720 no backlight

                          This model generaly fails the main board,LEDs,display(crap quality) or ribbon cables between the T-CON and display,the power supply and inverter sells for nothing because they are reliable,maybe the T-CON fuse is blown.
                          Do you have sound AND picture?Aiming a flashlight at the display works,but you need to put back the Display<>T-CON flat cables.

                          Comment

                          • olegau
                            Member
                            • Aug 2017
                            • 15
                            • Australia

                            #14
                            Re: Sony Bravia KDL-40EX720 no backlight

                            Originally posted by Biruslapio
                            This model generaly fails the main board,LEDs,display(crap quality) or ribbon cables between the T-CON and display,the power supply and inverter sells for nothing because they are reliable,maybe the T-CON fuse is blown.
                            Do you have sound AND picture?Aiming a flashlight at the display works,but you need to put back the Display<>T-CON flat cables.
                            There is sound but I cannot say about the picture because the screen is black.

                            Comment

                            • budm
                              Badcaps Legend
                              • Feb 2010
                              • 40746
                              • USA

                              #15
                              Re: Sony Bravia KDL-40EX720 no backlight

                              Read Post #8.
                              Never stop learning
                              Basic LCD TV and Monitor troubleshooting guides.
                              http://www.badcaps.net/forum/showthr...956#post305956

                              Voltage Regulator (LDO) testing:
                              http://www.badcaps.net/forum/showthr...999#post300999

                              Inverter testing using old CFL:
                              http://www.badcaps.net/forum/showthr...er+testing+cfl

                              Tear down pictures : Hit the ">" Show Albums and stories" on the left side
                              http://s807.photobucket.com/user/budm/library/

                              TV Factory reset codes listing:
                              http://www.badcaps.net/forum/showthread.php?t=24809

                              Comment

                              • olegau
                                Member
                                • Aug 2017
                                • 15
                                • Australia

                                #16
                                Re: Sony Bravia KDL-40EX720 no backlight

                                Measurements:

                                CN1002: off/on

                                LD_ERR 0/0V something moving around 0 Volts
                                LED_ON 0.1/3.3V
                                GL_CTRL 0.7/0.0V

                                CN1003: off/on

                                1-PWM1 0/3V goes up slowly from 0V to 3.0V
                                2-PWM8 0/3V goes up slowly
                                3-PWM1 0/3V goes up slowly
                                4-PWM8 0/3V goes up slowly

                                "Also leave the probe on one of the (+OUT) and record what you read when the TV is OFF and when the TV is turned on to see if it goes up to more than 122v and then drops down to 122V or less".
                                All measurements of connection SN1001 show quick jump voltage from approximately 0V to 140V and then quick down to constant 122V.

                                Comment

                                • budm
                                  Badcaps Legend
                                  • Feb 2010
                                  • 40746
                                  • USA

                                  #17
                                  Re: Sony Bravia KDL-40EX720 no backlight

                                  Originally posted by olegau
                                  Measurements:

                                  CN1002: off/on

                                  LD_ERR 0/0V something moving around 0 Volts
                                  LED_ON 0.1/3.3V
                                  GL_CTRL 0.7/0.0V

                                  CN1003: off/on

                                  1-PWM1 0/3V goes up slowly from 0V to 3.0V
                                  2-PWM8 0/3V goes up slowly
                                  3-PWM1 0/3V goes up slowly
                                  4-PWM8 0/3V goes up slowly

                                  "Also leave the probe on one of the (+OUT) and record what you read when the TV is OFF and when the TV is turned on to see if it goes up to more than 122v and then drops down to 122V or less".
                                  All measurements of connection SN1001 show quick jump voltage from approximately 0V to 140V and then quick down to constant 122V.
                                  The booster circuit is working, I need to look at the LED driver board circuit in more details to give you the test points.
                                  Last edited by budm; 08-13-2017, 12:18 PM.
                                  Never stop learning
                                  Basic LCD TV and Monitor troubleshooting guides.
                                  http://www.badcaps.net/forum/showthr...956#post305956

                                  Voltage Regulator (LDO) testing:
                                  http://www.badcaps.net/forum/showthr...999#post300999

                                  Inverter testing using old CFL:
                                  http://www.badcaps.net/forum/showthr...er+testing+cfl

                                  Tear down pictures : Hit the ">" Show Albums and stories" on the left side
                                  http://s807.photobucket.com/user/budm/library/

                                  TV Factory reset codes listing:
                                  http://www.badcaps.net/forum/showthread.php?t=24809

                                  Comment

                                  Related Topics

                                  Collapse

                                  • JUCaESAl
                                    Sony bravia KD-65AF9
                                    by JUCaESAl
                                    Hola a todos, necesito el esquema electronico de la placa 1-983-356-11 de un televisor sony bravia KD-65AF9.
                                    Hello everyone, I need the electronic diagram for the 1-983-356-11 board of a Sony Bravia KD-65AF9 television.
                                    10-20-2025, 04:03 AM
                                  • ryandesign
                                    Sony Bravia KDL-40v4100 has no picture but has power, backlight, and sound
                                    by ryandesign
                                    Hello! I would like to repair my father's Sony Bravia KDL-40v4100 LCD TV. It was in perfect working order the last time I used it before the pandemic. Then it sat plugged in but unused for a year or more. And now everything still works except that there is no picture on the screen. A relay can be heard to click when the power cable is connected. When the power button is pressed there is a green power LED and then the backlight turns on. If I connect an HDMI cable and play something with audio I can hear it through the speakers. The remote control buttons are recognized. There is just never anything...
                                    05-30-2021, 01:07 PM
                                  • alegatorul
                                    sony bravia kdl-43w756c, no power, no sound
                                    by alegatorul
                                    sony bravia kdl-43w756c, no power, no sound
                                    the charger brick has 19,2-19,3 vcc
                                    changed the inverter board same result.
                                    where should i start?
                                    cheers
                                    11-15-2025, 10:00 AM
                                  • triplefour
                                    UN65TU700DF picture and sound but no backlight. BL tests ok but repl. PSU didnt fix!
                                    by triplefour
                                    this tv is throwing me for a loop. do samsung tvs no longer have the backlight self test feature built into the power supply?
                                    i tested the backlight with my LED tester and it lights up both strips. one of them reads 100v and the other reads 63.7v.
                                    unplugged mainboard from power supply but left backlight plugged in, and then plugged psu wall power in. expected to see backlights light up but see nothing.
                                    according to how ive diagnosed in the past, this would almost always be a bad power supply. replacement power supply was cheap like 20$ from ebay. but still i get not even...
                                    09-13-2023, 10:43 PM
                                  • justin35
                                    Sony bravia kdl-43w755c - boot loop
                                    by justin35
                                    Hello,
                                    i have this sony bravia kdl-43w755c which boot loops. After sony logo, it shows the android animation loading then it restarts…
                                    from what i read online it looks to be an emmc issue…
                                    i’m not familiar with this kind of tv repairs… i’m repairing laptops and gpu’s…
                                    i took out the board and say an samsung 16gb emmc
                                    i don’t have an exact replacement, but i have a few 32 and 64gb emms’s from laptops…
                                    i could try to put one instead of the 16gb one, but will it work?
                                    where do i get the software from?
                                    any help will be much appreciated!...
                                    03-06-2024, 12:26 PM
                                  • Loading...
                                  • No more items.
                                  Working...