Samsung LE32B350F1W starting PROBLEM

Collapse
X
 
  • Time
  • Show
Clear All
new posts
  • mr.cool
    Member
    • Dec 2013
    • 22
    • Austria

    #1

    Samsung LE32B350F1W starting PROBLEM

    My dear friends !

    I have a Samsung TV with strange symptoms ...

    Model : LE32B350F1W
    Power supply : bn44-00289a

    When i connect to AC, there is no red power led, no picture, no backlight, no sound !


    BUT ... I have :
    5,3 Volt stable
    and 13 Volt unstable (varies between 13V and 21V)
    (The voltage on the MainCap CP811 (100µ/450V) also varies between 300V and 390V )
    ..and the heatsink on the mainboard becomes warm.

    With "unstable" i mean that the voltage is rising and falling permanently!!
    When i warm up the capacitors (i marked with green) the Tv starts and all is fine !
    I changed the caps but unfortunately the problem persists....
    But when i disconnect the AC for 5 sec.---- same Shit same Station !
    In "cold state" i unplug CN802 the backlight comes on the 13V and the 5,3V are stable .

    CN802
    Normally(warmed up capacitors)
    Main Cap voltage is stable with 395V
    1. Power On/Off 2,2V
    2. 5,3V
    3. GND
    4. 13V
    5. GND
    6. GND
    7. 5,3V
    8. 5,3V
    9. GND
    10. 13V
    11. 13V
    12. InverterOn/Off 5,1V
    13. E-PWM 3,1V
    14. DET_5V 2,5V
    15. GND
    16. GND
    CN802 plugged in BUT NOT WARMED UP !:
    Voltage is rising up and down
    Main Cap voltage varies from 300V <--> 390V
    1. Power On/Off 2,2V <--> 0V
    2. 5,3V stable
    3. GND
    4. 13V <--> 21V
    5. GND
    6. GND
    7. 5,3V stable
    8. 5,3V stable
    9. GND
    10. 13V <--> 21V
    11. 13V <--> 21V
    12. InverterOn/Off 0,17V <--> 0V
    13. E-PWM 1,6V <--> 0V
    14. DET_5V 0,01V <--> 0V
    15. GND
    16. GND

    No diodes or transistors are shorted.

    The last experiment was...:
    When the Tv is "cold" and i remove pin12 and pin13 of CN802 the Tv starts with picture and sound.
    BUT when i power off with the remote control the backlight still is on and the standby led lights.

    Any Idea my friends ?

    Best regards...!
  • mr.cool
    Member
    • Dec 2013
    • 22
    • Austria

    #2
    Re: Samsung LE32B350F1W starting PROBLEM

    Oooops i forgot the pics ....

    1. These are the caps that i warmed up for starting the set !
    2. Power supply
    3. The Tv opened (Mainboard & Power supply)
    Attached Files
    Last edited by mr.cool; 06-22-2015, 11:41 AM. Reason: forgot Text

    Comment

    • budm
      Badcaps Legend
      • Feb 2010
      • 40746
      • USA

      #3
      Re: Samsung LE32B350F1W starting PROBLEM

      It looks to me that the STBY Voltage is stable to feed the main baord but the PS-ON signal is cycling on and off so the PFC and the rest of the power supplies that are controlled by the PS-ON is just cycling up and down. You have main board problem.
      Never stop learning
      Basic LCD TV and Monitor troubleshooting guides.
      http://www.badcaps.net/forum/showthr...956#post305956

      Voltage Regulator (LDO) testing:
      http://www.badcaps.net/forum/showthr...999#post300999

      Inverter testing using old CFL:
      http://www.badcaps.net/forum/showthr...er+testing+cfl

      Tear down pictures : Hit the ">" Show Albums and stories" on the left side
      http://s807.photobucket.com/user/budm/library/

      TV Factory reset codes listing:
      http://www.badcaps.net/forum/showthread.php?t=24809

      Comment

      • mr.cool
        Member
        • Dec 2013
        • 22
        • Austria

        #4
        Re: Samsung LE32B350F1W starting PROBLEM

        Hmmmm, yes i think so....
        But whats the reason that the set is starting when i warm up the caps ? (1000uF/25V)
        Unfortunately i have no SM from the mainboard :o(

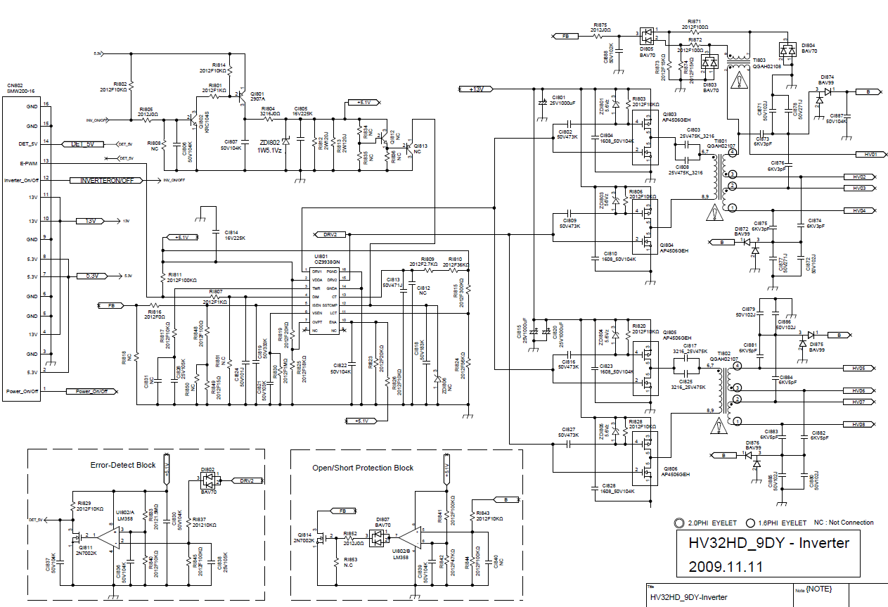
        The SM from the Power supply....
        Attached Files

        Comment

        • victor_cj
          Senior Member
          • May 2015
          • 90
          • Romania

          #5
          Re: Samsung LE32B350F1W starting PROBLEM

          BN44-00289A with soldering problem or main board with 24C512 eeprom problem.
          Attached Files
          Last edited by victor_cj; 06-22-2015, 02:17 PM.
          The art of fighting without fighting

          Comment

          • budm
            Badcaps Legend
            • Feb 2010
            • 40746
            • USA

            #6
            Re: Samsung LE32B350F1W starting PROBLEM

            Those 1000uF are for the 13V power supply.
            "10. 13V <--> 21V
            11. 13V <--> 21V"

            So just to be sure, you are saying that the 13V jumps up to 21V? and for sure that the 5.3V is stable since the 5V and the 13V are generated by the same power transformer. ICM852 is the 13V regulator IC, so I may be when you heat up around those caps you may have also heated up the IC too.

            Try replacing them and see what happen.
            Attached Files
            Never stop learning
            Basic LCD TV and Monitor troubleshooting guides.
            http://www.badcaps.net/forum/showthr...956#post305956

            Voltage Regulator (LDO) testing:
            http://www.badcaps.net/forum/showthr...999#post300999

            Inverter testing using old CFL:
            http://www.badcaps.net/forum/showthr...er+testing+cfl

            Tear down pictures : Hit the ">" Show Albums and stories" on the left side
            http://s807.photobucket.com/user/budm/library/

            TV Factory reset codes listing:
            http://www.badcaps.net/forum/showthread.php?t=24809

            Comment

            • steviewonder
              Senior Member
              • Dec 2013
              • 183
              • england

              #7
              Re: Samsung LE32B350F1W starting PROBLEM

              Nope, not the mainboard.How could the 13v supply rise to 21v if this was the case? it's strictly regulated by the psu, not ruled by the motherboard.
              more likely one of the much smaller caps on the psu at fault.try heating each one up individually, (there aren't many)

              Comment

              • mr.cool
                Member
                • Dec 2013
                • 22
                • Austria

                #8
                Re: Samsung LE32B350F1W starting PROBLEM

                My friends !
                I know that the 4 caps are for 13V ! I changed all 4 caps but same problem!
                I also warmed up the 4 new caps ---> same shit same....
                I heated up the Ic´s , all the other caps but ..... nothing happens.
                I also changed the little caps on primary side of the psu !

                A little correction of the voltages...
                Yes the 13V rises up to 21V ...in the next half second again to 13V.
                This goes in steps. 13 - 15 - 13- 16 -13 - 18 - 13 - 21.......and so on.

                The 5,3V sometimes varies to 4,75V !

                Comment

                • victor_cj
                  Senior Member
                  • May 2015
                  • 90
                  • Romania

                  #9
                  Re: Samsung LE32B350F1W starting PROBLEM

                  The main board has a problem on 5,3V feed usually eeprom is faulty, i had this problem and the 13V feed rises to 16,9V.
                  The art of fighting without fighting

                  Comment

                  • mr.cool
                    Member
                    • Dec 2013
                    • 22
                    • Austria

                    #10
                    Re: Samsung LE32B350F1W starting PROBLEM

                    @victor_cj:
                    Was it the same Tv ? (le**B350f1w)
                    Did your set turn on ?
                    What did you do with the Eeproms?
                    Do you have a SM from Mainboard ? (Main AV - BN41-01207B - BN94-03095H - SURVIVAL_DVB)
                    Eeprom = MX25L6405D (64Mbit 16Pin)
                    Attached Files

                    Comment

                    • victor_cj
                      Senior Member
                      • May 2015
                      • 90
                      • Romania

                      #11
                      Re: Samsung LE32B350F1W starting PROBLEM

                      Same tv LE32B350F1W. MX25L6405D is flash spi, 24C512 is the eeprom we replaced, take a look at my pictures, SAM_8523.
                      Attached Files
                      Last edited by victor_cj; 06-23-2015, 07:05 AM.
                      The art of fighting without fighting

                      Comment

                      • mr.cool
                        Member
                        • Dec 2013
                        • 22
                        • Austria

                        #12
                        Re: Samsung LE32B350F1W starting PROBLEM

                        Oh yes ! Sorry its a spi flash !
                        Is the 24c512 defective or the soft on it ?

                        Comment

                        • mr.cool
                          Member
                          • Dec 2013
                          • 22
                          • Austria

                          #13
                          Re: Samsung LE32B350F1W starting PROBLEM

                          I read the atmlh922....
                          there are the names of the channels i stored !
                          Please explain for what this is EEPROM responsible?

                          Comment

                          • budm
                            Badcaps Legend
                            • Feb 2010
                            • 40746
                            • USA

                            #14
                            Re: Samsung LE32B350F1W starting PROBLEM

                            Originally posted by victor_cj
                            The main board has a problem on 5,3V feed usually eeprom is faulty, i had this problem and the 13V feed rises to 16,9V.
                            I do not see the relationship between the 5.3V feeding the main board and the 13V Regulator IC, if the out put is no longer regulated to 13V and putting out 16.9V then it sounds more like regulator problems.
                            Never stop learning
                            Basic LCD TV and Monitor troubleshooting guides.
                            http://www.badcaps.net/forum/showthr...956#post305956

                            Voltage Regulator (LDO) testing:
                            http://www.badcaps.net/forum/showthr...999#post300999

                            Inverter testing using old CFL:
                            http://www.badcaps.net/forum/showthr...er+testing+cfl

                            Tear down pictures : Hit the ">" Show Albums and stories" on the left side
                            http://s807.photobucket.com/user/budm/library/

                            TV Factory reset codes listing:
                            http://www.badcaps.net/forum/showthread.php?t=24809

                            Comment

                            • mr.cool
                              Member
                              • Dec 2013
                              • 22
                              • Austria

                              #15
                              Re: Samsung LE32B350F1W starting PROBLEM

                              .... so, i tested the eeprom.. and leave it blank (without soft) !
                              I resoldered it and started the Tv with my hair dryer !
                              The only effect was, that i had to change all settings NEW !! (language, channels...and so on !!) LOL
                              Now ! ...definitely this eeprom has nothing to do with the start cycle !!
                              The voltage on the regulator output can be so high as the input because its not a fixed regulator like a LM78**....so the adjust input varies too, right ?
                              If the voltage before the regulator is too high than its NOT a problem of the mainboard.

                              Comment

                              • budm
                                Badcaps Legend
                                • Feb 2010
                                • 40746
                                • USA

                                #16
                                Re: Samsung LE32B350F1W starting PROBLEM

                                It is adjustable LDO regulator, the resistor network on pin 4 of the IC set the output Voltage, similar to LM1117 series. For the regulator to regulate you need to have minimum Vin-Vout on the device.
                                The regulator may be Oscillating or bad resistor network.
                                BTW, sinc eyou can warm that area to make it function, then may be you should inspect the soldering works and connection real close.
                                Attached Files
                                Last edited by budm; 06-23-2015, 12:31 PM.
                                Never stop learning
                                Basic LCD TV and Monitor troubleshooting guides.
                                http://www.badcaps.net/forum/showthr...956#post305956

                                Voltage Regulator (LDO) testing:
                                http://www.badcaps.net/forum/showthr...999#post300999

                                Inverter testing using old CFL:
                                http://www.badcaps.net/forum/showthr...er+testing+cfl

                                Tear down pictures : Hit the ">" Show Albums and stories" on the left side
                                http://s807.photobucket.com/user/budm/library/

                                TV Factory reset codes listing:
                                http://www.badcaps.net/forum/showthread.php?t=24809

                                Comment

                                • mr.cool
                                  Member
                                  • Dec 2013
                                  • 22
                                  • Austria

                                  #17
                                  Re: Samsung LE32B350F1W starting PROBLEM

                                  I will try....
                                  thank you !

                                  Comment

                                  • budm
                                    Badcaps Legend
                                    • Feb 2010
                                    • 40746
                                    • USA

                                    #18
                                    Re: Samsung LE32B350F1W starting PROBLEM

                                    Correction, this is the correct spec for the IC. The one in post 16 is for KIA278R000pi which only has 10V Vin max.
                                    Attached Files
                                    Last edited by budm; 06-23-2015, 02:21 PM.
                                    Never stop learning
                                    Basic LCD TV and Monitor troubleshooting guides.
                                    http://www.badcaps.net/forum/showthr...956#post305956

                                    Voltage Regulator (LDO) testing:
                                    http://www.badcaps.net/forum/showthr...999#post300999

                                    Inverter testing using old CFL:
                                    http://www.badcaps.net/forum/showthr...er+testing+cfl

                                    Tear down pictures : Hit the ">" Show Albums and stories" on the left side
                                    http://s807.photobucket.com/user/budm/library/

                                    TV Factory reset codes listing:
                                    http://www.badcaps.net/forum/showthread.php?t=24809

                                    Comment

                                    • victor_cj
                                      Senior Member
                                      • May 2015
                                      • 90
                                      • Romania

                                      #19
                                      Re: Samsung LE32B350F1W starting PROBLEM

                                      Originally posted by mr.cool
                                      Oh yes ! Sorry its a spi flash !
                                      Is the 24c512 defective or the soft on it ?
                                      In my case was defective, this was in october 2013.
                                      The art of fighting without fighting

                                      Comment

                                      • mr.cool
                                        Member
                                        • Dec 2013
                                        • 22
                                        • Austria

                                        #20
                                        Re: Samsung LE32B350F1W starting PROBLEM

                                        Hello :o)
                                        I´m still waiting for the KIA278R00P1....
                                        I´m reporting further when i get the LDO....

                                        Comment

                                        Related Topics

                                        Collapse

                                        • Document Archive
                                          Samsung Galaxy Book 2 Notebook Specification for Upgrade or Repair
                                          by Document Archive
                                          This specification for the Samsung Galaxy Book 2 Notebook can be useful for upgrading or repairing a laptop that is not working. As a community we are working through our specifications to add valuable data like the Galaxy Book 2 boardview and Galaxy Book 2 schematic. Our users have donated over 1 million documents which are being added to the site. This page will be updated soon with additional information. Alternatively you can request additional help from our users directly on the relevant badcaps forum. Please note that we offer no warranties that any specification, datasheet, or download...
                                          09-07-2024, 05:50 AM
                                        • K212
                                          Samsung QE65Q700TATXXC is not starting
                                          by K212
                                          Hi,

                                          my Samsung QE65Q700TATXXC has stopped working recently. It worked fine during the morning, and when trying to start it later the same day it just refused to start.

                                          The standby LED is working, but nothing happens when pushing the power button, other then the LED blinking once. No picture, no sound, no chime, no relay click. I tried a cold start, and other recommended fixes from Samsung. Nothing worked. Then i even tried to reflash the firmware, but nothing happened, not even flashing of the standby led etc.

                                          I contacted Samsung support who said it is most...
                                          07-31-2025, 12:45 PM
                                        • Document Archive
                                          Samsung Galaxy Book Ion NP950XCJ Notebook Specification for Upgrade or Repair
                                          by Document Archive
                                          This specification for the Samsung Galaxy Book Ion NP950XCJ Notebook can be useful for upgrading or repairing a laptop that is not working. As a community we are working through our specifications to add valuable data like the NP950XCJ boardview and NP950XCJ schematic. Our users have donated over 1 million documents which are being added to the site. This page will be updated soon with additional information. Alternatively you can request additional help from our users directly on the relevant badcaps forum. Please note that we offer no warranties that any specification, datasheet, or download...
                                          09-06-2024, 11:40 PM
                                        • Document Archive
                                          Samsung Galaxy Book Ion NP930XCJ Notebook Specification for Upgrade or Repair
                                          by Document Archive
                                          This specification for the Samsung Galaxy Book Ion NP930XCJ Notebook can be useful for upgrading or repairing a laptop that is not working. As a community we are working through our specifications to add valuable data like the NP930XCJ boardview and NP930XCJ schematic. Our users have donated over 1 million documents which are being added to the site. This page will be updated soon with additional information. Alternatively you can request additional help from our users directly on the relevant badcaps forum. Please note that we offer no warranties that any specification, datasheet, or download...
                                          09-06-2024, 11:40 PM
                                        • Document Archive
                                          Samsung Galaxy Book Ion NP950XCJ Notebook Specification for Upgrade or Repair
                                          by Document Archive
                                          This specification for the Samsung Galaxy Book Ion NP950XCJ Notebook can be useful for upgrading or repairing a laptop that is not working. As a community we are working through our specifications to add valuable data like the NP950XCJ boardview and NP950XCJ schematic. Our users have donated over 1 million documents which are being added to the site. This page will be updated soon with additional information. Alternatively you can request additional help from our users directly on the relevant badcaps forum. Please note that we offer no warranties that any specification, datasheet, or download...
                                          09-06-2024, 08:40 PM
                                        • Loading...
                                        • No more items.
                                        Working...