Roadstar 7" LCD-7111KL - Dead - Solution - LCD picture problem

Collapse
X
 
  • Time
  • Show
Clear All
new posts
  • sententia
    Badcaps Veteran
    • Oct 2013
    • 269
    • Greece

    #1

    Roadstar 7" LCD-7111KL - Dead - Solution - LCD picture problem

    Hello everyone!

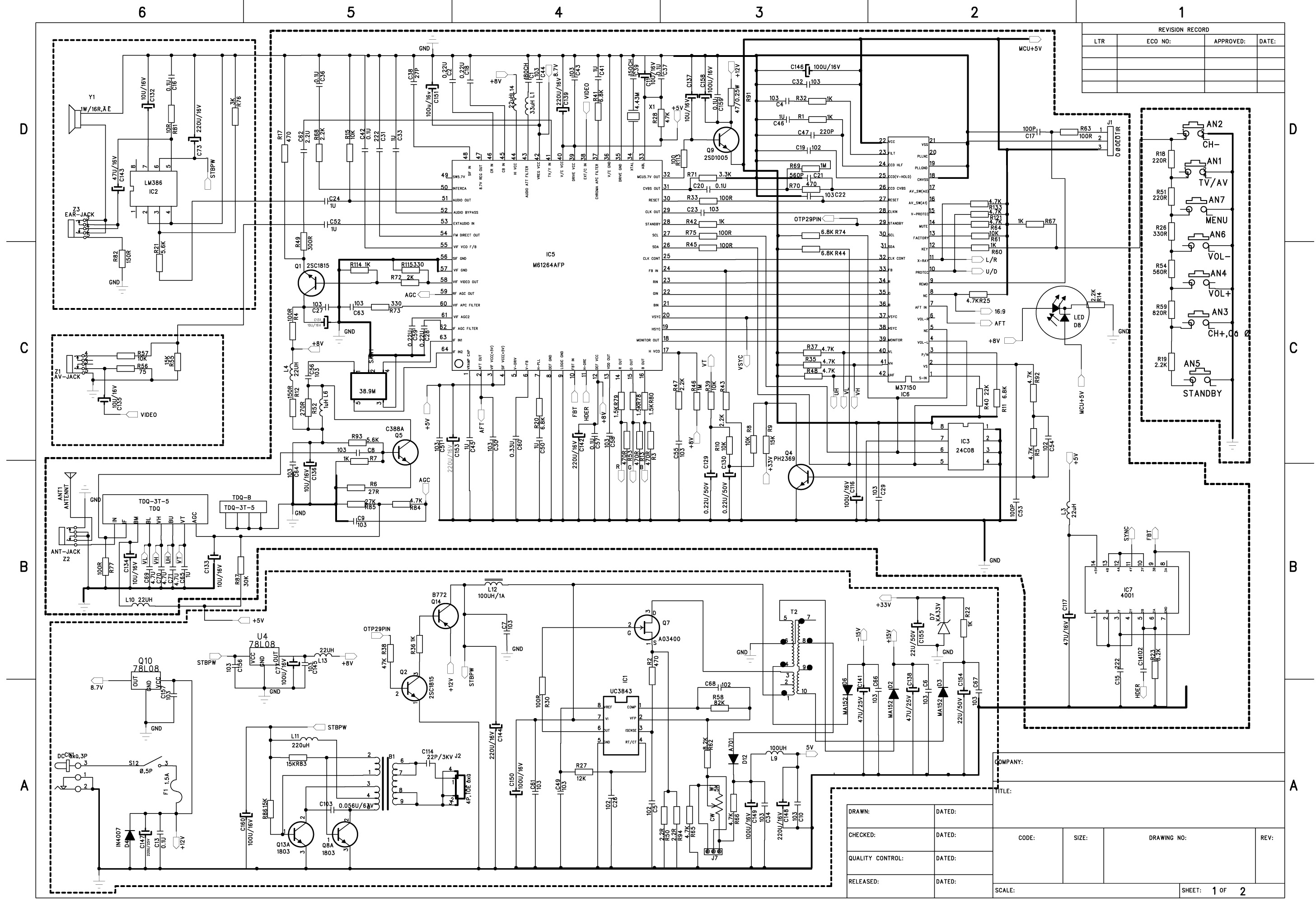
    This 7" TV was operated as a secuirity monitor for many years and was dead. No led no reaction.

    The main problem was with Q7 a SOT-23 AO3400 mosfet which was shorted.
    I replaced that part with IRLML6244TRPBF.

    Some capacitors had high ESR so i replaced about 4-5 with such a problem.

    Upon putting everything back together the image ofo LCD has "lines" and seems to be missing a colour or something. (Check images). If i applied less pressure or "twist" the case it did disappear for some time. I thought it could be the LCD's flex but moving it around doesn't seem to cure the problem. Now the problem is always there.

    I ended up replacing almost all electrolytic capacitors (30+) but problem still there. Do you think it is a problem of the LCD panel?

    Voltages are:

    +33V = 32.5V
    +15V = 15V
    +8V = 8.1V
    -15V = -16.1V (A bit off)

    IC5 operates quite hot at around 70 celcius.

    P.S. Sorry i could not find a photo of the bottom of the PCB. If it is needed i will dissasemble the TV to get some more pics.

    Thanks for any input!
    Attached Files

    if you find these attachements useful please consider making a small donation to the site

  • sententia
    Badcaps Veteran
    • Oct 2013
    • 269
    • Greece

    #2
    Re: Roadstar 7" LCD-7111KL - Dead - Solution - LCD picture problem

    Here is a good pic of the bottom side of PCB, in case the others didn't help.

    Also i noticed that IC5 (main chip) gets hot even without the LCD panel connected.

    Thanks!
    Attached Files

    if you find these attachements useful please consider making a small donation to the site

    Comment

    • sententia
      Badcaps Veteran
      • Oct 2013
      • 269
      • Greece

      #3
      Re: Roadstar 7" LCD-7111KL - Dead - Solution - LCD picture problem

      Problem with image was originating from the smd FPC connector of the LCD.

      It needed some reflowing as connection was not good.

      Comment

      Related Topics

      Collapse

      • theone111
        Problem with LG Plasma 60PM6700 - Random power downs
        by theone111
        I have an LG Plasma TV 60PM6700 for the past ~12 years.

        In the last ~3-4 months I have been having some issues.
        1. Problem: It started with random picture disappearing (sound still worked).
          Frequency: Happened about once a week.
          Solution: Had to turn off TV wait a few seconds before turning it on again.
        2. Problem: Then it got worse and the TV started to shut down and when turning on the no picture just sound.
          Frequency: Happened about once a week.
          Solution: Had to turn off TV wait about 10-20 seconds and turn it on again to solve.
        3. Problem: TV shuts down
        ...
        07-22-2024, 10:36 AM
      • doorzon
        AOC AGON AG273QCG refresh problem picture shifts
        by doorzon
        Hi all,

        hopefully someone on this board has an idea on how to begin with troubleshooting this problem.

        The monitor AOC AGON AG273QCG (curved 27" QHD monitor) has problems refreshing every 1 to 2 seconds or so. A line appears in the middle of the screen and the lower half of the screen is shifted to the right.

        See attached picture.

        I am leaning towards an issue with bad soldering of the graphics chip, because the problem used to go away after some time (minutes) but now it is here to stay.
        However, this could also be related...
        08-12-2023, 02:36 AM
      • retrorepair
        SONY KDL-40P3600 Picture Problem
        by retrorepair
        Hello gurus, hope you can assist me...

        I have a Sony KDL.40P3600, with an issue on the left side of the screen (pictures attached).

        I think the problem is the panel, but before send it to trash, i would like to get a second opinion.

        Thanks in advance.
        10-11-2024, 05:12 PM
      • pkslowk
        Debug Card Error Code and Solution
        by pkslowk
        Sr. Motherboard Debug Error Code Solution
        1 Intel 845 E9 Bios Related Problem
        2 Intel 845 D4 CPU Socket Related problem
        3 Intel 845 37 Bios Related Problem
        4 Intel 845 7C Bios Related Problem
        5 Intel 945GCPE 34 Bios Related Problem
        6 Gigabyte 845 2 Ram Related Problem
        7 IBM Server A6 A7 Ram Mismatch Problem
        8 Asus 845 29 CPU Related Problem
        9 Lenovo I946 97 C-Mos Jumper related
        10 Gigabyte 845 A0 CPU Related Problem
        11 Asrock G31M-VS D7 Bios Related Problem
        12 Compaq 845 BD-70G B0 CPU Socket Related problem...
        01-28-2021, 12:51 PM
      • KYBOSH
        Samsung UN55MU8000 - Backlight But No Picture Problem
        by KYBOSH
        Hello all

        I pick this up free as a repair project for the holidays.
        The original symptom was power cycling after 3-4 seconds with a single red light flash.

        To remedy this I went through and unplugged each component 1x1 and discovered that when the FFC cables were disconnected the backlights stayed on and the TV did not reboot.

        I tried remove one or the other to see which side of the display was causing the issue (expecting to see half a picture to show) but didn't see anything. But the boot loop only appears when the top FFC cable (right side...
        12-21-2022, 12:42 AM
      • Loading...
      • No more items.
      Working...