Sony KP-57WS510 bad convergence

Collapse
X
 
  • Time
  • Show
Clear All
new posts
  • Mrx3750
    Badcaps Veteran
    • Jul 2013
    • 311
    • USA

    #1

    Sony KP-57WS510 bad convergence

    I found a Sony KP-57WS510 last night. Surprise surprise the convergence is shot.

    So I went online and looked up the cost of a convergence repair kit. Almost $80.00. So after I got done laughing, I decided to see about testing the components and find out what failed and just replace that. From what I can tell, this bastard uses IC's, fusable resistors, and pico fuses! Kinda like Sony built in as many failure points as they could.

    Right now I'm working on getting the board that the convergence IC's are on out of the TV. I have everything disconnected except the wire leading from the flyback to what I guess is the tripler. I'm not sure if I can just pull it out, or if there's some trick I need to know.

    Don't have pics yet. Can get them if necessary. Was planning on getting them once I got the board out.
    Last edited by Mrx3750; 09-09-2013, 09:48 AM.
  • RON_CET
    Badcaps Veteran
    • Jun 2012
    • 217
    • USA

    #2
    Re: Sony KP-57WS510 bad convergence

    lift the rubber cap from the HV lead @ tripler then push down lead wire @ tripler and rotate 90 degrees
    Attached Files

    if you find these attachements useful please consider making a small donation to the site

    Last edited by RON_CET; 09-09-2013, 12:49 PM.
    Ron Driver,BSEE,CET,ISCET,NESDA

    Comment

    • Mrx3750
      Badcaps Veteran
      • Jul 2013
      • 311
      • USA

      #3
      Re: Sony KP-57WS510 bad convergence

      Thank you RON CET. That did it!

      Okay attached is a pic of the convergence board, and a shot of the area that I believe I need to focus on.

      The convergence IC's are STK392-560 IC's

      I see various ELNA branded capacitors near the IC's. Far as I know, ELNA caps are all right.

      There are 6 big resistors under the heatsink, 120 ohm, unsure of wattage rating.

      So I'm wondering where to start, and if it's possible to test the convergence IC's with my multimeter to see if only one is bad.

      Also wondering where the pico fuses are.
      Attached Files

      if you find these attachements useful please consider making a small donation to the site

      Last edited by Mrx3750; 09-09-2013, 03:43 PM.

      Comment

      • RON_CET
        Badcaps Veteran
        • Jun 2012
        • 217
        • USA

        #4
        Re: Sony KP-57WS510 bad convergence

        most common would be replacement of both convergence ic's also check all those pico fuses,I think there the yellow(I attached your drawing and circled them) I think there's total of 4 also can't tell from the photo but those 120 ohm resistor look to be have been exposed to stress they look discolored,I also have the service manual if needed
        Attached Files

        if you find these attachements useful please consider making a small donation to the site

        Ron Driver,BSEE,CET,ISCET,NESDA

        Comment

        • Mrx3750
          Badcaps Veteran
          • Jul 2013
          • 311
          • USA

          #5
          Re: Sony KP-57WS510 bad convergence

          Service manual would be nice.

          I'm seeing the IC's on Ebay for next to nothing, but I would bet they're Chinese knockoffs.
          Last edited by Mrx3750; 09-09-2013, 10:27 PM.

          Comment

          • RON_CET
            Badcaps Veteran
            • Jun 2012
            • 217
            • USA

            #6
            Re: Sony KP-57WS510 bad convergence

            Service Manual attached
            Attached Files

            if you find these attachements useful please consider making a small donation to the site

            Ron Driver,BSEE,CET,ISCET,NESDA

            Comment

            • truep
              Badcaps Veteran
              • Aug 2010
              • 373
              • USA

              #7
              Re: Sony KP-57WS510 bad convergence

              I had a Hitachi with the same problem. I replaced the IC's and several Low ohm rest1sors and it worked fine. Be sure to use flame proof resistors here as they are designed to blow in the case the IC shorts without causing a fire. As I remember they wer all under 1 qhm.

              Comment

              • Mrx3750
                Badcaps Veteran
                • Jul 2013
                • 311
                • USA

                #8
                Re: Sony KP-57WS510 bad convergence

                Yeah I am familiar with replacing convergence parts. Done it a few times. problem is that I need to do this on the cheap.

                Suppose the issue is just a blown pico fuse? or a bad resistor?

                Comment

                • Mrx3750
                  Badcaps Veteran
                  • Jul 2013
                  • 311
                  • USA

                  #9
                  Re: Sony KP-57WS510 bad convergence

                  Okay, I tested the big 120 ohm resistors out of circuit, and they all read fine.

                  I also tested (in circuit) all the orange pico fuses that I could find and they tested fine.

                  So my last suspect is the convergence IC's themselves. Can I test them with my multimeter to see if they're bad?

                  Comment

                  • Mrx3750
                    Badcaps Veteran
                    • Jul 2013
                    • 311
                    • USA

                    #10
                    Re: Sony KP-57WS510 bad convergence

                    Well the Service manual happens to be almost useless. There's no specific section related to convergence issues, which is funny seeing as how that's what most often fails in these behemoths.

                    However I've been researching, and it seems there may be two more pico fuses on another board. What if I find that just those fuses are bad?

                    Comment

                    • RON_CET
                      Badcaps Veteran
                      • Jun 2012
                      • 217
                      • USA

                      #11
                      Re: Sony KP-57WS510 bad convergence

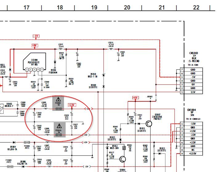
                      Those other 2 pica fuse your referencing to are on the "G" board see attached
                      If one or both of theses fuses are open naturally would suspect convergence IC's cause these fuses are connected to the +/- 22 volt rails to convergence ic.
                      Attached Files

                      if you find these attachements useful please consider making a small donation to the site

                      Last edited by RON_CET; 09-12-2013, 10:06 AM.
                      Ron Driver,BSEE,CET,ISCET,NESDA

                      Comment

                      • Mrx3750
                        Badcaps Veteran
                        • Jul 2013
                        • 311
                        • USA

                        #12
                        Re: Sony KP-57WS510 bad convergence

                        Thank you. I found two orange pico fuses on the G board, and testing them in circuit, I got 0 ohms.

                        Not sure where to proceed from here.

                        Comment

                        • RON_CET
                          Badcaps Veteran
                          • Jun 2012
                          • 217
                          • USA

                          #13
                          Re: Sony KP-57WS510 bad convergence

                          I would measure the +/- 22 volt supply to both convergence ic as i have circled in red and just make sure none of the 4.7 ohm resistor which are circled in green are not open from your yoke return to convergence ic if all that appears good i would then replace both convergence ic
                          Attached Files

                          if you find these attachements useful please consider making a small donation to the site

                          Ron Driver,BSEE,CET,ISCET,NESDA

                          Comment

                          • Mrx3750
                            Badcaps Veteran
                            • Jul 2013
                            • 311
                            • USA

                            #14
                            Re: Sony KP-57WS510 bad convergence

                            The 4.7 ohm resistors, judging by what I can make out on that schematic are those all the blue ones that are under the convergence IC heatsinks?

                            Comment

                            • RON_CET
                              Badcaps Veteran
                              • Jun 2012
                              • 217
                              • USA

                              #15
                              Re: Sony KP-57WS510 bad convergence

                              yes
                              Ron Driver,BSEE,CET,ISCET,NESDA

                              Comment

                              • Mrx3750
                                Badcaps Veteran
                                • Jul 2013
                                • 311
                                • USA

                                #16
                                Re: Sony KP-57WS510 bad convergence

                                All right. I'll desolder those and test them out of circuit. When I do that I'll reply with what I found.

                                Thank you again RON CET

                                Comment

                                • Mrx3750
                                  Badcaps Veteran
                                  • Jul 2013
                                  • 311
                                  • USA

                                  #17
                                  Re: Sony KP-57WS510 bad convergence

                                  All right I've been thinking.

                                  Those resistors under the heatsink, they're all wired up in parallel in several banks. If one failed, that whole bank would fail. Testing in circuit across all the resistors basically nets me 0 ohms, so I surmise that the resistors are fine. I guess I'll know more if and when I can get those IC's, but it makes sense to me.

                                  Comment

                                  Related Topics

                                  Collapse

                                  • Carlos#2003%
                                    Schematic de una Sony VAIO PCG-41217u, Sony VPCSB45FL (MBX-237), 1p-0117j01-a012 mbx-237.
                                    by Carlos#2003%
                                    Buenas mi nombre es carlos me uni al foro porque estoy buscando el schematic de una sony vaio pcg-41217u otras formas de escribirlo son 1p-0117j01-a012 mbx-237 numero de placa revision 1.2 o Sony VPCSB (MBX-237), en fin me gustaria y ayudaria un monton si alguien me puede dar dichi svhematic para hacer las mediciones de una laptop de la mencionada anteriormente(Sony VAIO PCG-41217U) con el fin de repararla dejo de funcionar solo prende el led de la bateria al pulsar el boton de power el disco empiesa a hacer ruido de actividad pero los leds del frontas no reflejan acividad y no enciende la pantalla....
                                    02-15-2024, 07:52 PM
                                  • dkneyle
                                    Sony KDL-46HX850 Can't upgrade/update firmware
                                    by dkneyle
                                    Diagnosed this TV as having a failed main board which I've replaced with one from a KDL 55HX850. They are (supposedly) the same board.

                                    Being 'Smart TV' it requires a firmware reboot when you swap out boards such as T-Con or main board. It starts with a black screen and flashing yellow and green LEDS, indicating it needs that firmware boot. The procedure described all over the web is to put the software into the root directory of a FAT32 formatted USB drive and it should load that up once plugged into USB1 port. But not for me. I can see the LED on the USB chip flash for about...
                                    09-25-2024, 10:44 PM
                                  • Document Archive
                                    Sony VAIO SVF11N1L2E Hybrid (2-in-1) Fit multi-flip Specification for Upgrade or Repair
                                    by Document Archive
                                    This specification for the Sony VAIO SVF11N1L2E Hybrid (2-in-1) can be useful for upgrading or repairing a laptop that is not working. As a community we are working through our specifications to add valuable data like the SVF11N1L2E boardview and SVF11N1L2E schematic. Our users have donated over 1 million documents which are being added to the site. This page will be updated soon with additional information. Alternatively you can request additional help from our users directly on the relevant badcaps forum. Please note that we offer no warranties that any specification, datasheet, or download...
                                    09-06-2024, 05:27 AM
                                  • Document Archive
                                    Sony VAIO Duo 11 Hybrid (2-in-1) Duo 11 Specification for Upgrade or Repair
                                    by Document Archive
                                    This specification for the Sony VAIO Duo 11 Hybrid (2-in-1) can be useful for upgrading or repairing a laptop that is not working. As a community we are working through our specifications to add valuable data like the Duo 11 boardview and Duo 11 schematic. Our users have donated over 1 million documents which are being added to the site. This page will be updated soon with additional information. Alternatively you can request additional help from our users directly on the relevant badcaps forum. Please note that we offer no warranties that any specification, datasheet, or download for Sony VAIO...
                                    09-06-2024, 05:30 AM
                                  • Document Archive
                                    Sony VAIO SVT1122I4E Hybrid (2-in-1) Tap 11 Specification for Upgrade or Repair
                                    by Document Archive
                                    This specification for the Sony VAIO SVT1122I4E Hybrid (2-in-1) can be useful for upgrading or repairing a laptop that is not working. As a community we are working through our specifications to add valuable data like the SVT1122I4E boardview and SVT1122I4E schematic. Our users have donated over 1 million documents which are being added to the site. This page will be updated soon with additional information. Alternatively you can request additional help from our users directly on the relevant badcaps forum. Please note that we offer no warranties that any specification, datasheet, or download...
                                    09-06-2024, 05:27 AM
                                  • Loading...
                                  • No more items.
                                  Working...