Panasonic TH-42PX60U Plasma Turning Off Occasionally 7 Blinks

Collapse
X
 
  • Time
  • Show
Clear All
new posts
  • allsmith
    Senior Member
    • Aug 2012
    • 179
    • United States

    #1

    Panasonic TH-42PX60U Plasma Turning Off Occasionally 7 Blinks

    Just picked up this panasonic plasma that the original owner stated it would sometimes stay on for hours on end,and sometimes it would shut off before 30min. I dont believe he or anybody has took it apart.

    I brought it home and opened it up and the first thing i noticed was the fans were very dirty and the gaskets around the fans that seal them to the back was deteriorating,so i cleaned the fans and put new foam gasket on the fans.

    Second thing i noticed is a capacitor on the power supply was slightly domed,it is one of two caps under the biggest heat sink on the power board.
    Its not bloated much but is some and all the other caps are perfectly flat,its a nichicon 200uf 450v.

    I put the back,back on the tv and hooked it up to a dvd player setting the tv on garage floor,and the tv worked fine with a good picture for 7 1/2 hours before it shut off and showing 7 blink code.

    Unplugged tv and plugged it back in and turned on the tv and it turned back on and stayed on for another hour untill i turned it off.

    Second day in garage with dvd player the tv stayed on for 8 hours and never shut off.

    3rd day i moved the tv into living room 4'' from the wall and hooked up antenna, Tv shut off after about 20 mins,with 7 blinks.I unplugged and turned it back on and it started up but shut off again with 7 blinks in about 20mins.Unplugged and turned it back on and its been on for 10 hrs and has not shut off again.

    I was kinda thinking heat issue so i been monitoring temp with infared temp gauge at the fans and it has got no higher than about 105 degrees in both garage and house.But after it shut off twise in the first hr in the house im starting to not think its a heat issue.

    The fans start up in high speed when power button is first pushed but slow down as soon as the screen lights up,and then they seem to always run in the slow speed.

    Ive searched this site and internet trying to find other sets with my symptoms but cant find many,most wont turn on at all with 7 blinks.

    I downloaded the service manual and 7 blinks is... Driver SOS 2 (SC floating voltage area) Test points SU/SD/SS board

    I did the self test on tv and everthing says ok,but it has SOS 7 A in red.

    When the tv shuts off, the screen will first start to go dim and then it will shut off with 7 blinks.

    Any ideas on what could be going on? Do you all think it could be the slightly bloated cap on the power supply?

    Think i should try replacing the two caps under the heat sink on power board first?

    Ive read a little on testing by unplugging boards to see if blink code changes or tv starts up and that is suppossed to lead you to the faulty board,but im not really sure how exactly the procedure is done.

    Any help would greatly be appreciated!

    Thanks,Lonny
    Attached Files
  • tom66
    EVs Rule
    • Apr 2011
    • 32560
    • UK

    #2
    Re: Panasonic TH-42PX60U Plasma Turning Off Occasionally 7 Blinks

    I have a suspicion you have a cold joint or a dodgy Vsus voltage adjustment potentiometer. The screen going dim is an important symptom.

    It's quite normal for big caps to look a tiny bit domed from the right angle. Panasonic use very high quality caps in their older sets (newer ones are getting crappier ) so it's unlikely to be the problem.

    Do you have a DMM (multimeter?) There is a test point for Vsus. It should be around 205V for older Panasonic, I think. Monitor it - if it starts dropping just before the picture goes, you have the problem.
    Please do not PM me with questions! Questions via PM will not be answered. Post on the forums instead!
    For service manual, schematic, boardview (board view), datasheet, cad - use our search.

    Comment

    • allsmith
      Senior Member
      • Aug 2012
      • 179
      • United States

      #3
      Re: Panasonic TH-42PX60U Plasma Turning Off Occasionally 7 Blinks

      Originally posted by tom66
      I have a suspicion you have a cold joint or a dodgy Vsus voltage adjustment potentiometer. The screen going dim is an important symptom.

      It's quite normal for big caps to look a tiny bit domed from the right angle. Panasonic use very high quality caps in their older sets (newer ones are getting crappier ) so it's unlikely to be the problem.

      Do you have a DMM (multimeter?) There is a test point for Vsus. It should be around 205V for older Panasonic, I think. Monitor it - if it starts dropping just before the picture goes, you have the problem.
      Thanks Tom, I was worried this one would be hard to troubleshoot as it is very unperdictable to when it shuts off,

      I knew it would be hard to see in the picture, but the top of the one cap under the heatsink definitely looks different on top than all the rest of the caps on the tv.Understandable that they are high quality caps though.

      Could i temporarily sort of hard wire my Dmm to the check point,with the tv running in my living room with the dmm visable so i could try and catch it when the screen starts to go dim?

      can i run the tv without the back on it for extended periods of time,or would it get too hot without the back on to channel the air through?

      And yeah i forgot to add the tv was manufactured in 2006.

      Do you want me to get a close up picture of the area that the test point is at,so you can point it out to me?I can do it in about 9 hours from now as im about to hit the hay here soon.

      Thank you

      Comment

      • tom66
        EVs Rule
        • Apr 2011
        • 32560
        • UK

        #4
        Re: Panasonic TH-42PX60U Plasma Turning Off Occasionally 7 Blinks

        For now, I would say that cap is OK, as the symptoms don't really fit with that cap going bad.

        It would be fine to leave the cover off for a short period of time (couple of hours). Wiring in the DMM and watching normally is a good idea. On the back of the plasma panel there will be a sticker indicating Vsus, probably hand written as the older ones were calibrated by hand by technicians. If it drops by any more than a couple of volts while running (even that wouldn't be ideal), I would say you have a problem.

        One thing you can try is watching darker scenes then brighter scenes; see if it shuts off quicker on the brighter scenes.
        Please do not PM me with questions! Questions via PM will not be answered. Post on the forums instead!
        For service manual, schematic, boardview (board view), datasheet, cad - use our search.

        Comment

        • retiredcaps
          Badcaps Legend
          • Apr 2010
          • 9271

          #5
          Re: Panasonic TH-42PX60U Plasma Turning Off Occasionally 7 Blinks

          Originally posted by tom66
          Panasonic use very high quality caps in their older sets (newer ones are getting crappier ) so it's unlikely to be the problem.
          The teal colored caps are Rubycon 135C caps. I believe they are RX series.
          --- begin sig file ---

          If you are new to this forum, we can help a lot more if you please post clear focused pictures (max resolution 2000x2000 and 2MB) of your boards using the manage attachments button so they are hosted here. Information and picture clarity compositions should look like this post.

          We respectfully ask that you make some time and effort to read some of the guides available for basic troubleshooting. After you have read through them, then ask clarification questions or report your findings.

          Please do not post inline and offsite as they slow down the loading of pages.

          --- end sig file ---

          Comment

          • retiredcaps
            Badcaps Legend
            • Apr 2010
            • 9271

            #6
            Re: Panasonic TH-42PX60U Plasma Turning Off Occasionally 7 Blinks

            Originally posted by allsmith
            T
            Could i temporarily sort of hard wire my Dmm to the check point,with the tv running in my living room with the dmm visable so i could try and catch it when the screen starts to go dim?
            If your multimeter supports min/max functionality, most will beep when it makes a new low or new high. Or if your multimeter has data logging, you could set it up to datalog.
            --- begin sig file ---

            If you are new to this forum, we can help a lot more if you please post clear focused pictures (max resolution 2000x2000 and 2MB) of your boards using the manage attachments button so they are hosted here. Information and picture clarity compositions should look like this post.

            We respectfully ask that you make some time and effort to read some of the guides available for basic troubleshooting. After you have read through them, then ask clarification questions or report your findings.

            Please do not post inline and offsite as they slow down the loading of pages.

            --- end sig file ---

            Comment

            • tom66
              EVs Rule
              • Apr 2011
              • 32560
              • UK

              #7
              Re: Panasonic TH-42PX60U Plasma Turning Off Occasionally 7 Blinks

              Originally posted by retiredcaps
              The teal colored caps are Rubycon 135C caps. I believe they are RX series.
              See, you don't see that kind of quality any more. You could put those caps in the core of the sun and they'd still work well.

              It's a shame the newer Panasonic use Aishi. I have just encountered another case of the "buzzing" CFL - and again, it appears to be a failed Aishi capacitor.
              Please do not PM me with questions! Questions via PM will not be answered. Post on the forums instead!
              For service manual, schematic, boardview (board view), datasheet, cad - use our search.

              Comment

              • retiredcaps
                Badcaps Legend
                • Apr 2010
                • 9271

                #8
                Re: Panasonic TH-42PX60U Plasma Turning Off Occasionally 7 Blinks

                Just found some that will go has high as 150C

                http://www.ebay.com/itm/300384247868

                And yes, egekecu is one of the few that are selling legit (not fake) caps on the ebay.
                --- begin sig file ---

                If you are new to this forum, we can help a lot more if you please post clear focused pictures (max resolution 2000x2000 and 2MB) of your boards using the manage attachments button so they are hosted here. Information and picture clarity compositions should look like this post.

                We respectfully ask that you make some time and effort to read some of the guides available for basic troubleshooting. After you have read through them, then ask clarification questions or report your findings.

                Please do not post inline and offsite as they slow down the loading of pages.

                --- end sig file ---

                Comment

                • allsmith
                  Senior Member
                  • Aug 2012
                  • 179
                  • United States

                  #9
                  Re: Panasonic TH-42PX60U Plasma Turning Off Occasionally 7 Blinks

                  Originally posted by tom66
                  On the back of the plasma panel there will be a sticker indicating Vsus, probably hand written as the older ones were calibrated by hand by technicians. If it drops by any more than a couple of volts while running (even that wouldn't be ideal), I would say you have a problem.
                  I found the sticker..Vsus 193v

                  I found the Vsus pot on the power board.

                  I found the Vsus test point on the sc board.

                  I found the Vsus test point on the ss board.

                  Will i need to be testing voltage on the Sc or SS board or both?

                  Do i need to attach my Red DMM probe to the bottom of the test point diode or can i hook to either side? Is my black probe going to chassis ground?

                  I have clip on probes for my DMM,should i get them all attached when tv is off for saftey? Any other tips on saftey as i see it says discharge at the test points,I do understand there is more voltage in these plasma tvs so i wanna be extra cautious!

                  I seen a you tube video of a guy working on a panisonic plasma and he discharged the caps on the power supply with a resistor at the lead wires that run to the SS board as he had the SS board disconnected and he said if you dont discharge the caps the wires will arc when you plug the SS board back in.

                  Am i correct that you dont have to discharge the power supply caps, if you have not had any boards disconnected and have not turned on the tv with any boards disconnected, that they will discharge on there own if no boards have been disconnected?

                  Do you want me to first get you a voltage reading at the test points with tv working,as it might take awhile to see if i can catch a reading when the tv turns off as it hardly ever shuts off on its own!

                  Thanks
                  Attached Files

                  Comment

                  • retiredcaps
                    Badcaps Legend
                    • Apr 2010
                    • 9271

                    #10
                    Re: Panasonic TH-42PX60U Plasma Turning Off Occasionally 7 Blinks

                    Originally posted by allsmith
                    Am i correct that you dont have to discharge the power supply caps, if you have not had any boards disconnected and have not turned on the tv with any boards disconnected, that they will discharge on there own if no boards have been disconnected?
                    No, don't assume, always check with your multimeter if the large caps are charged or not.

                    I worked on a 2008 made LG 22 inch monitor. I unplugged the lcd from the power bar before I went to sleep (like I do with all my projects that I'm working on). The large filter cap kept its 165V DC charge overnight. I had to manually discharge the cap with a 100K ohm resistor.

                    The grabber clips are an excellent way to work with high voltage.
                    Last edited by retiredcaps; 09-19-2012, 01:06 AM.
                    --- begin sig file ---

                    If you are new to this forum, we can help a lot more if you please post clear focused pictures (max resolution 2000x2000 and 2MB) of your boards using the manage attachments button so they are hosted here. Information and picture clarity compositions should look like this post.

                    We respectfully ask that you make some time and effort to read some of the guides available for basic troubleshooting. After you have read through them, then ask clarification questions or report your findings.

                    Please do not post inline and offsite as they slow down the loading of pages.

                    --- end sig file ---

                    Comment

                    • retiredcaps
                      Badcaps Legend
                      • Apr 2010
                      • 9271

                      #11
                      Re: Panasonic TH-42PX60U Plasma Turning Off Occasionally 7 Blinks

                      Originally posted by allsmith
                      I seen a you tube video of a guy working on a panisonic plasma and he discharged the caps on the power supply with a resistor at the lead wires that run to the SS board as he had the SS board disconnected and he said if you dont discharge the caps the wires will arc when you plug the SS board back in.
                      Norcal715's videos are excellent. I have watched all his TV ones and he definitely knows his stuff. I would follow his advice as a precaution.
                      --- begin sig file ---

                      If you are new to this forum, we can help a lot more if you please post clear focused pictures (max resolution 2000x2000 and 2MB) of your boards using the manage attachments button so they are hosted here. Information and picture clarity compositions should look like this post.

                      We respectfully ask that you make some time and effort to read some of the guides available for basic troubleshooting. After you have read through them, then ask clarification questions or report your findings.

                      Please do not post inline and offsite as they slow down the loading of pages.

                      --- end sig file ---

                      Comment

                      • tom66
                        EVs Rule
                        • Apr 2011
                        • 32560
                        • UK

                        #12
                        Re: Panasonic TH-42PX60U Plasma Turning Off Occasionally 7 Blinks

                        Measure it at the PSU.

                        Interesting design, this plasma appears to use a Ve voltage instead of Vda. Also, 193V is low for a Panasonic.
                        Please do not PM me with questions! Questions via PM will not be answered. Post on the forums instead!
                        For service manual, schematic, boardview (board view), datasheet, cad - use our search.

                        Comment

                        • allsmith
                          Senior Member
                          • Aug 2012
                          • 179
                          • United States

                          #13
                          Re: Panasonic TH-42PX60U Plasma Turning Off Occasionally 7 Blinks

                          Originally posted by retiredcaps
                          No, don't assume, always check with your multimeter if the large caps are charged or not.
                          Right,yeah i should have mentioned that i always hold a board by its edges when i remove it ,then lay it upside down on workbench,then i use a 10k ohm 5 watt resistor with leads i soldered and heat shrinked on to it,and hold the leads on the caps pins for about 10 seconds, then check caps with my meter,then i even use a screw driver across the caps just to make sure.

                          But i notice you said to use a 100k ohm resistor for discharging,is my 5 watt 10k ohm big enough or should i get a 100 k ? how many watt?

                          Thanks RC!

                          Comment

                          • allsmith
                            Senior Member
                            • Aug 2012
                            • 179
                            • United States

                            #14
                            Re: Panasonic TH-42PX60U Plasma Turning Off Occasionally 7 Blinks

                            Originally posted by tom66
                            Measure it at the PSU.
                            I didnt see a test point for Vsus on the power supply board,Just the pot.

                            But i probably didnt look good enough,I will look again.

                            So I dont test at the test points on the sc and ss board,but a test point on the power supply board?

                            Thanks

                            Comment

                            • retiredcaps
                              Badcaps Legend
                              • Apr 2010
                              • 9271

                              #15
                              Re: Panasonic TH-42PX60U Plasma Turning Off Occasionally 7 Blinks

                              Originally posted by allsmith
                              But i notice you said to use a 100k ohm resistor for discharging,is my 5 watt 10k ohm big enough or should i get a 100 k ? how many watt?
                              I first read about discharging via

                              http://www.repairfaq.org/REPAIR/F_sm...ml#SMPSFAQ_019

                              The 100K ohm resistor was salvaged from a power board and it was the only one I had. I think from the size it is only 0.5 or 1W.
                              --- begin sig file ---

                              If you are new to this forum, we can help a lot more if you please post clear focused pictures (max resolution 2000x2000 and 2MB) of your boards using the manage attachments button so they are hosted here. Information and picture clarity compositions should look like this post.

                              We respectfully ask that you make some time and effort to read some of the guides available for basic troubleshooting. After you have read through them, then ask clarification questions or report your findings.

                              Please do not post inline and offsite as they slow down the loading of pages.

                              --- end sig file ---

                              Comment

                              • tom66
                                EVs Rule
                                • Apr 2011
                                • 32560
                                • UK

                                #16
                                Re: Panasonic TH-42PX60U Plasma Turning Off Occasionally 7 Blinks

                                Originally posted by allsmith
                                I didnt see a test point for Vsus on the power supply board,Just the pot.

                                But i probably didnt look good enough,I will look again.

                                So I dont test at the test points on the sc and ss board,but a test point on the power supply board?

                                Thanks
                                You could use those too, there shouldn't be a problem.
                                Please do not PM me with questions! Questions via PM will not be answered. Post on the forums instead!
                                For service manual, schematic, boardview (board view), datasheet, cad - use our search.

                                Comment

                                • allsmith
                                  Senior Member
                                  • Aug 2012
                                  • 179
                                  • United States

                                  #17
                                  Re: Panasonic TH-42PX60U Plasma Turning Off Occasionally 7 Blinks

                                  Originally posted by tom66
                                  You could use those too, there shouldn't be a problem.
                                  Here are the test points from the service manual.

                                  Should i use chassis for ground?

                                  Thanks
                                  Attached Files

                                  Comment

                                  • allsmith
                                    Senior Member
                                    • Aug 2012
                                    • 179
                                    • United States

                                    #18
                                    Re: Panasonic TH-42PX60U Plasma Turning Off Occasionally 7 Blinks

                                    Originally posted by retiredcaps
                                    I first read about discharging via

                                    http://www.repairfaq.org/REPAIR/F_sm...ml#SMPSFAQ_019

                                    The 100K ohm resistor was salvaged from a power board and it was the only one I had. I think from the size it is only 0.5 or 1W.
                                    Wow thats a good read! thanks i favorited it.

                                    Its gonna take me a long time to understand how these SMPS work, My brain is a little slow on this complicated stuff,but im starting to understand some of it.

                                    I like the idea of the isolation transformer,think i'll will invest in one,I see that he did a diy one ,but it might be too complicated for me to build one just yet,but i could probably get the parts cheap from my local salvage yard

                                    Thanks

                                    Comment

                                    • tw2005
                                      Badcaps Legend
                                      • Oct 2011
                                      • 6458
                                      • Australia

                                      #19
                                      Re: Panasonic TH-42PX60U Plasma Turning Off Occasionally 7 Blinks

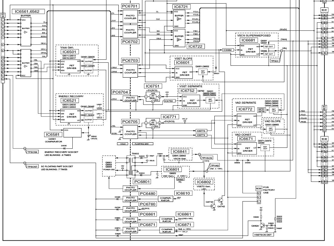
                                      I had a panasonic where the VAD had dropped to the low point of the protection cct cutoff and gave 7 blinks. i could sometimes get the set to fire for a short period and picture was a little dim and slight flicker.

                                      Fixed with Sc replacement. Pot made no difference on that board and could not pin it to a single component. Bypassed the shutdown cct to get the set to fire just to confirm it was just the SC board.

                                      I don't know what the limits are but you havethe manual so there should be enough info in there. I'd check the test points on the SC. The schematic shows all the voltages that are part of the SOS7.
                                      Attached Files
                                      Last edited by tw2005; 09-19-2012, 02:58 AM. Reason: wrong schematic

                                      Comment

                                      • tw2005
                                        Badcaps Legend
                                        • Oct 2011
                                        • 6458
                                        • Australia

                                        #20
                                        Re: Panasonic TH-42PX60U Plasma Turning Off Occasionally 7 Blinks

                                        Sorry just realised 37" model schematic uploaded, now corrected.

                                        Comment

                                        Related Topics

                                        Collapse

                                        • Andre Gilbert
                                          Panasonic TC-P55ST50 8 blinks then no blinks
                                          by Andre Gilbert
                                          Hello! yes I know there is already lots of information about this issue. I have a Panasonic TC-P55ST50 that originally displayed an 8-blink error code. Following the troubleshooting flowchart, I ended up replacing the SS board. However, even after replacing it, the issue persists. The TV turns on and stays on without displaying an image, and continuity is confirmed on all connectors. What am I missing here🤔?
                                          Ok Im a mechanical engineer ...but I thought I was able to follow a rather simple flowchart for electric troubleshooting 😂.

                                          TV Model: Panasonic TC-P55ST50
                                          ...
                                          11-20-2024, 08:52 PM
                                        • jm1234
                                          Panasonic plasma TX-P42ST50 - 6 blinks
                                          by jm1234
                                          Hi,
                                          anyone able to provide the service manual for old plasma Panasonic TX-P42ST50E?
                                          It turns off almost immediately (0~5 seconds after pressing the on/off button) and starts flashing the red diode 6 times.
                                          I disconnected the left-hand side board (SC?, both the ribbon cable and the power cable to it) and also another ribbon going to bottom left board. Then the led signal is 8 flashes. According to service guide to another Panasonic plasma it would mean the left-hand side board is faulty. But I'm not sure it 100% applies to my model.
                                          I checked that board for any obvious faults...
                                          05-22-2024, 06:59 AM
                                        • Alicat
                                          Panasonic Plasma TH-50PZ85U No screen No blinks on red power light
                                          by Alicat
                                          Hello,

                                          Stopped by this site trying to fix my parents Panasonic Plasma TV.

                                          Model number is TH-50PZ85U

                                          Power comes on and the red power light stays on solid.

                                          Did a few checks like hold the power button on for 60 seconds, hold the - Volume while holding the menu button, no luck, still@ blank grey screen as the screen lights up very vague.

                                          I also hear a few clicks.

                                          I also think my parents said there was a thunderstorm and the TV failed after that.

                                          Section 6 in the service manual talks about power and no screen,...
                                          10-30-2024, 10:09 AM
                                        • CrewmanRedShirt
                                          Looking for assistance troubleshooting a Panasonic TC-P65ZT60 with 3 LED Fast Blinks
                                          by CrewmanRedShirt
                                          Hello all,
                                          As the title states, I followed the troubleshooting guide located here: https://www.manualslib.com/manual/23...page=53#manual, which concluded the 'A' board needs to be replaced. Looking around the net and eBay, I see that there are repair services for the board (TNPH1043UE? Not sure if it is a 'UE' as the suffix grid does not appear marked). What additional troubleshooting can be performed to ensure 1) this board is the problem and 2) since there are repair services, what are they fixing on the board?) I expected 3.3V not to be available anywhere...
                                          07-13-2024, 11:02 AM
                                        • nobbnobb1
                                          Panasonic TC-P50U50 Powers Off - 8 blinks
                                          by nobbnobb1
                                          Hello,

                                          I have a Panasonic TC-P50U50 plasma TV which powers on briefly, then powers off and flashes the power light with 8 blinks. This TV is infamous for this, of which the suggestion that the SS board has failed due to loose grounding screws and requires a replacement of the following components on the SS board:

                                          2x DG302 (Q16051)
                                          2x RF2001 (D16041)
                                          2x 5.6 ohm SMD resistor
                                          1x BD8694 IC

                                          I have already gone ahead and replaced these components, as well as cleaning off the ground connections on the SS board as well as the associated...
                                          03-21-2023, 08:33 PM
                                        • Loading...
                                        • No more items.
                                        Working...