lg rt26lz50

Collapse
X
 
  • Time
  • Show
Clear All
new posts
  • GodG
    Member
    • Aug 2012
    • 16
    • Portugal

    #1

    lg rt26lz50

    hi all,
    i saw the post: "Lg 23lx1rv" from PlainBill that talked about an 1,8 volts noisy power source .

    I have an LG RT-26LZ50 lcd that when power up (after some time off) shows vertical lines only on half the screen. After some minutes all screen goes black.

    i have checked the several power sources and all of them seem stable, either way some caps of 47 were replaced by 100uf . Today i will confirm with an osciloscope if there is noise on the lines.

    LCD uses "gm5221". pulling and moving the cable that connects the t-con board to the main board, sometimes, solves the problem and shows the image normaly, but only for a sec or two.
    it seems that something desoldered itself. maybe a combination of not well solderes with bad caps.
    could someone please, advise me on what to do next?
    thanks in advance
  • selldoor
    Slow Learner
    • Dec 2010
    • 7870

    #2
    Re: lg rt26lz50

    Remove clean and reseat the lvds cable checking for any shorts , bent or broken pins.
    Welcome to the forum-
    We can usually help a lot more if you please post a good clear picture of the whole chassis, and then pictures of each board, front and back and close up of connectors, (max resolution 2000x2000 and 2MB) using the manage attachments button, which is found by clicking "go advanced" under quick reply.

    Please do not post inline and offsite as they slow down the loading of pages.

    Examples of what is needed
    https://www.badcaps.net/forum/attach...1&d=1290283049

    https://www.badcaps.net/forum/attach...7&d=1280167246
    Please upload pictures using attachment function when ask for help on the repair
    http://www.badcaps.net/forum/showthread.php?t=39740

    Comment

    • GodG
      Member
      • Aug 2012
      • 16
      • Portugal

      #3
      Re: lg rt26lz50

      hi selldoor
      thanks.
      i have already checked the cable and eventually ended up by bying a new one, but that did not solve the problem.
      i was at work at the time of the first post, thats why i did not attached pictures.
      Attached Files

      Comment

      • GodG
        Member
        • Aug 2012
        • 16
        • Portugal

        #4
        Re: lg rt26lz50

        could someone help me please?

        Comment

        • tom66
          EVs Rule
          • Apr 2011
          • 32560
          • UK

          #5
          Re: lg rt26lz50

          Check the 1.8V regulators (in fact all) for out of tolerance readings - anything too low could be an oscillating regulator, you'd need a scope to be sure though.
          Please do not PM me with questions! Questions via PM will not be answered. Post on the forums instead!
          For service manual, schematic, boardview (board view), datasheet, cad - use our search.

          Comment

          • selldoor
            Slow Learner
            • Dec 2010
            • 7870

            #6
            Re: lg rt26lz50

            Ok not sure why you would replace 47uf caps with 100uf
            one step up to 68 might be acceptable but double??

            Pictures are not really sharp enough for troubleshooting.
            I am a bit concerned by the browning all over the Main/AV board, particularly in the area on the back of the gmchip, has someone tried to reflow it? or do you know what has happened.
            Have you changed out the brown SamYoung cap near the big 5221 chip- Sam young are poor.

            Just above the 5221 chip in your pic there are IC 905 &906.
            Can you get the part numbers off them - are they voltage regulators?
            On the Tcon there is another U423 I think it says?
            Please upload pictures using attachment function when ask for help on the repair
            http://www.badcaps.net/forum/showthread.php?t=39740

            Comment

            • GodG
              Member
              • Aug 2012
              • 16
              • Portugal

              #7
              Re: lg rt26lz50

              the reason from 47 to 100 was that i only had 100 (at that time, does not seem much) and i read on another posts similar caps change.

              the tv has been repaired onde, but as far as i can see it was on 1.8/3,3v regulator. the browning seem residues from previous soldering i think.
              that was mus have beem from the previous reparing. i could change it again.
              later this night i will check the ic 905 and 906 part number.
              i will check the tcon board also for the U423 (or similar).

              thanks

              Comment

              • GodG
                Member
                • Aug 2012
                • 16
                • Portugal

                #8
                Re: lg rt26lz50

                HI,
                sorry fot the absence but i have been on vacations.
                i was able to find the problem but i dont know how to solve it.

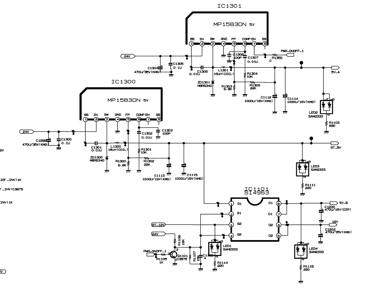
                it appears the problem occurs on the output LC network of the MP1583DN (5v).
                I have a perfect square coming out the DC-Dc converter. But after the coil the 5v rail gains 400mv of oscilating noise.

                i have replaced the 2- 1000u 16v caps but no news.
                my next step would be to disconnect the 3,3v converter to see what happen.

                could some one please help me.

                thanks.
                Attached Files

                Comment

                • tom66
                  EVs Rule
                  • Apr 2011
                  • 32560
                  • UK

                  #9
                  Re: lg rt26lz50

                  Replace the input 470u/35V cap too. Did you use low esr caps?
                  Please do not PM me with questions! Questions via PM will not be answered. Post on the forums instead!
                  For service manual, schematic, boardview (board view), datasheet, cad - use our search.

                  Comment

                  • GodG
                    Member
                    • Aug 2012
                    • 16
                    • Portugal

                    #10
                    Re: lg rt26lz50

                    i have compared the ic1300 and 1301 outputs before the the coil and they appear the same. do you still advise me to replace this cap also?
                    the cap i used is a branded [M] (blue ones) probably that dont help much. I have aluminium versions but they are smd.

                    Comment

                    • tom66
                      EVs Rule
                      • Apr 2011
                      • 32560
                      • UK

                      #11
                      Re: lg rt26lz50

                      Possibly Panasonic caps. How did you measure ripple - with a scope?
                      Please do not PM me with questions! Questions via PM will not be answered. Post on the forums instead!
                      For service manual, schematic, boardview (board view), datasheet, cad - use our search.

                      Comment

                      • GodG
                        Member
                        • Aug 2012
                        • 16
                        • Portugal

                        #12
                        Re: lg rt26lz50

                        yes, with a scope. i could show u a pic but i dont have the usb driver for the scope here.

                        Comment

                        • tom66
                          EVs Rule
                          • Apr 2011
                          • 32560
                          • UK

                          #13
                          Re: lg rt26lz50

                          I would give replacing them a go, if not, then it could be the power supply noise getting in.
                          Please do not PM me with questions! Questions via PM will not be answered. Post on the forums instead!
                          For service manual, schematic, boardview (board view), datasheet, cad - use our search.

                          Comment

                          • GodG
                            Member
                            • Aug 2012
                            • 16
                            • Portugal

                            #14
                            Re: lg rt26lz50

                            finally i had time to replace the the 450uf on the input. but the problem persists. do you have any other alternative?
                            im wondering if the problem is not from the 5 to 3,3v dc-dc converters.

                            thanks for your time.

                            Comment

                            Related Topics

                            Collapse

                            • NConstantinou
                              Hp z23n monitor shows horizontal lines
                              by NConstantinou
                              HI ALL
                              i have the above board 715G7282-P01-001-0H3S WHICH SHOWS horizontal lines.

                              on power board i noticed 3 capacitors that changed color.
                              these 3 capacitors are connected to the positive side of main capacitor.
                              i have no schematic and i do not know the values.
                              those are c921,922,923.
                              c921 is removed.
                              how can i substitute.


                              thanks...
                              03-08-2023, 07:19 AM
                            • Stanley1843
                              Screen Display Vertical Multicolor Lines
                              by Stanley1843
                              Hello, I have a screen in where sometimes when I open it pop-up vertical multicolor lines (I would say the most of them are green). If I tun off and turn on the screen the lines dissapear or if I leave open the screen after approximately five minutes the lines gone. I measured the below voltages on the main PCB and on the T-CON board and the voltages are the same when it doesn’t display the vertical lines and when it displays the vertical lines. Also, I cleaned all the connectors very good with IPA. I moved back and forth the connectors and the COF tabs but the vertical lines didn't displayed...
                              06-29-2024, 11:54 AM
                            • jeyoung12
                              Samsung QN50Q60t lines on screen
                              by jeyoung12
                              Hi all
                              I have lines on the screen...which is an age old problem that can be remedied by watching Youtube videos and getting out the tape.
                              My issue (after successfully fixing a different sammy tv with a separate tcon board and isolating the side of the panel...):

                              This tv has an integrated tcon...so it is a bit more confusing when trying to isolate the clocks.
                              It has a c ribbon and i have taken each end out to see if that will isolate the lines. instead, it makes it much worse ALL over the tv!

                              So....i don't know what end of the C ribbon to work with...
                              02-26-2024, 10:38 AM
                            • howardc64
                              TCL 55S425 few horizontal lines, potential failure on both side of panel/buffer board
                              by howardc64
                              All left and right refers to looking from rear of TV (or looking from front with TV upside down)
                              • TV came with vertical bars and no image. Found faulty TVS on left buffer board. Also replaced T-Con (may have damaged the original while hot air removing components, board has slight warp) and have full image but few horizontal lines on the screen. Some of the lines appears to be 2 pixel tall while others are 1 pixel tall.
                              • Disconnecting left and right buffer board potentially reveals problems on both sides with different signals (unless this T-Con require jumper like Samsung FB_TRDY1&3) Fault
                              ...
                              07-24-2025, 05:17 PM
                            • visionbluedemon
                              Help. Sony kd-65x85dj vertical lines
                              by visionbluedemon
                              First. it has no picture at all. i solved it by covering the ckv lines using tape to to block the connections

                              Second. now has picture but with vertical lines that follow the image. tcon board ic overheating

                              tried blocking LC lines too, but same results




                              is it lcd panel issue or tcon board issue?...
                              07-25-2025, 04:56 AM
                            • Loading...
                            • No more items.
                            Working...