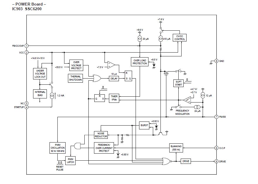
Hello everyone, it's me again. I know we have a lot of experts in the electronics field, I am not that good in it but trying to learn so I can make life a lil bit easier to me and my family 😞. Please don't get tired of helping me with these queries. Ok enough with the crying! Is anyone here who can help me identify the IC equivalent to this one on the ss? It has been very hard for me to get the exact Ic in my local electronics stores.
Sanken SSC620S
Collapse
X
Related Topics
Collapse
-
by Sabinai need bcu unlock tool for hp can you share .. thank you the hp support site ( https://ftp.ext.hp.com/pub/caps-soft...it/HP_BCU.html ) no longer share the tool








please .... thankyou so much-
Channel: BIOS Requests ONLY!
-
-
by TonyCajetaHello there,
I'm having a terrible time with an HP Pavilion Gaming, my customer just wanted a thermal paste replacement so i did it like always, i thought everything was fine, disconnected the battery before, use anti ESD gloves, work on a nonconductive surface and it is not the first laptop i do maintenance work.
Well... now the laptop won't boot, no video, i just click the PWR BTN, lights on for 5s then off, no fans spinning, no CPU voltage nor GPU nor RAM 1.2v.
I just have, AC IN 19.5v / 3.3VALW / 5VALW / 1.8VALW / 1.05VALW.
I'm not an expert... -
by NiQPleass help me...



HP AIO 22-DF0145
s/n: 8cc1483tr5
mb : Dan14bmb6f0 ref F
case turn on but no display (blank screen) and no backligth in power button.
this is the original bios from my pc...-
Channel: BIOS & Schematic Requests!
-
-
by karatzdiHello,
I know some might say... just buy another one. Sell it as parts..!
So had this AMP for quite some time. Recently I saw light smoke coming out of the AMP. Had my fire extinguisher close by. Just kidding. Turned immediately all devices off from mains.
Let things cool a bit, and opened up the amp device. I clearly saw on the main board which hosts the 5X amp (5.1), 3 10 ohms 1W resistors had their leads looking black, while the rest of the remaining 2 x 10 ohms were brownish as being installed from factory.
Spent some time downloading the Service...-
Channel: Troubleshooting Audio Equipment
06-11-2024, 08:38 AM -
-
I do have several old pc motherboards which i recapped 10 year ago and some of those caps are bulged now.
I would like to upgrade them using solid capacitors. I do use them for testing and helping some alternative operating systems.
I would like to ask if such an upgrade can be done, what should i have in mind when replacing electrolytic by solid caps and if such thing exist, if there are caps list for old motherboards. I would have to figure out what caps needs each motherboard and then prepare a list to try to ask for them on some electronics stores.-
Channel: General Capacitor Questions & Issues
-
- Loading...
- No more items.
Comment