New Members
Please consider donating to this site if it has helped you. We rely on these donations.
Please also introduce yourself here Introduce yourself here.
And finally, Read the Forum rules here.
I have a 12dv to 220vac inverter with pure sine wave output but it's 50hz. My question is can it be modified to make it 60hz? The PWM board pix is attached.
Pure sine wave would imply that all other frequencies are block out. Most sign waves have multiple even harmonics in them. I am sure it can be done just might not be worth it.
Thanks guys for the reply and for providing the manual. Unfortunately, there are no switches or jumpers in the main board that says 50hz or 60hz. Outside the main chassis, there is a sticker that says, the input, output, frequency, and whether it is modified or pure sine wave. And there are ticks on 12VDC, 220VAC, 50Hz, and pure respectively.
Hope someone will come up to say that this can be modified to 60Hz.
Did you contact the place where you buy the unit from?
That SOLARSYSTEM is in your country so why not contacting them? is it that hard for you to contact them to find out?
Solar Systems Philippines Inc. Cebu
Ground Floor Unit 3, Sugbutel Building
S. Osmena Blvd., Corner Road East
North Reclamation Area (Near SM)
Cebu City, Philippines 6000
PLDT: +63 (032) 2600329
Smart: +63 0949 6812 951
Sun: +63 0933 520 1230
Globe: +63 0927 590 7772
Mobile No.: +63 0917 705 1149
Skype: Solar Systems Philippines
Email: sales@solarsystemsphilippines.com
Website: www.solarsystemsphilippines.com
Did you contact the place where you buy the unit from?
That SOLARSYSTEM is in your country so why not contacting them? is it that hard for you to contact them to find out?
Solar Systems Philippines Inc. Cebu
Ground Floor Unit 3, Sugbutel Building
S. Osmena Blvd., Corner Road East
North Reclamation Area (Near SM)
Cebu City, Philippines 6000
PLDT: +63 (032) 2600329
Smart: +63 0949 6812 951
Sun: +63 0933 520 1230
Globe: +63 0927 590 7772
Mobile No.: +63 0917 705 1149
Skype: Solar Systems Philippines
Email: sales@solarsystemsphilippines.com
Website: www.solarsystemsphilippines.com
Actually I did drop them an email last night and hoping I get a reply today. I bought this from a garage sale, used but working.
Thanks.
Update: I got no reply from that solar system company despite numerous follow up emails. I am guessing they will never reply since I did not buy this unit from them. That makes sense anyway.
So back to zero. I am still hoping some power inverter experts out there can tell me how to convert this 50Hz power inverter to 60Hz.
Update: I got no reply from that solar system company despite numerous follow up emails. I am guessing they will never reply since I did not buy this unit from them. That makes sense anyway.
So back to zero. I am still hoping some power inverter experts out there can tell me how to convert this 50Hz power inverter to 60Hz.
Yep, just call them and tell them that their spec sheet does shows 50/60Hz.
It will take reverse engineering to figure out the circuits to modify the unit.
Actually I called them today and asked for their tech suppport and I was right. I was told that because I did not purchase the unit from them, they can not be of any assistance. They don't sell service manuals either. About the 50/60hz as advertised, I was told that either I have to buy the 50 or the 60hz unit. There are no switches inside the unit to change that.
Perhaps I just have to buy another inverter with 60Hz pure sine wave. I am willing to reverse engineer it if someone can tell me how.
"I am willing to reverse engineer it if someone can tell me how." Telling you How? Well, how much do you know about the electronics down the schematic and component level. Can you draw schematic?. It will require you to block out each section of board to find out what their function are (for example, it will have power supply section, and in that power supply section it may have some switching supplies, regulator. Another section may have some kind of Oscillator, the drive circuit, the output circuits, etc.). From the look of the unit, this inverter may be using PWM inverter topology. You will have to completely remove the boards from the chassis and look up the spec sheet of the ICs to find out what they are, that is the start.
Do the search for 'ac inverter using modulated PWM'
So much to learn.
You may want to get a small circuit board that you know what it is and what it is used for then you can trace out the board and draw the circuit and see how much work that will be.
Actually I called them today and asked for their tech suppport and I was right. I was told that because I did not purchase the unit from them, they can not be of any assistance. They don't sell service manuals either. About the 50/60hz as advertised, I was told that either I have to buy the 50 or the 60hz unit. There are no switches inside the unit to change that.
Perhaps I just have to buy another inverter with 60Hz pure sine wave. I am willing to reverse engineer it if someone can tell me how.
Thanks.
Well maybe you could sue them for false advertising. If you buy a 60HZ one then just don't buy from them. If fact if you are going to buy a new one I would first connect the one you have up to 60 HZ circuity and see what happens. Just don't connected to something you are not willing to lose. It may have some type on sensor the compensates for the different frequency. No don't do the above it just causes me to get mad they will not help you with their product.
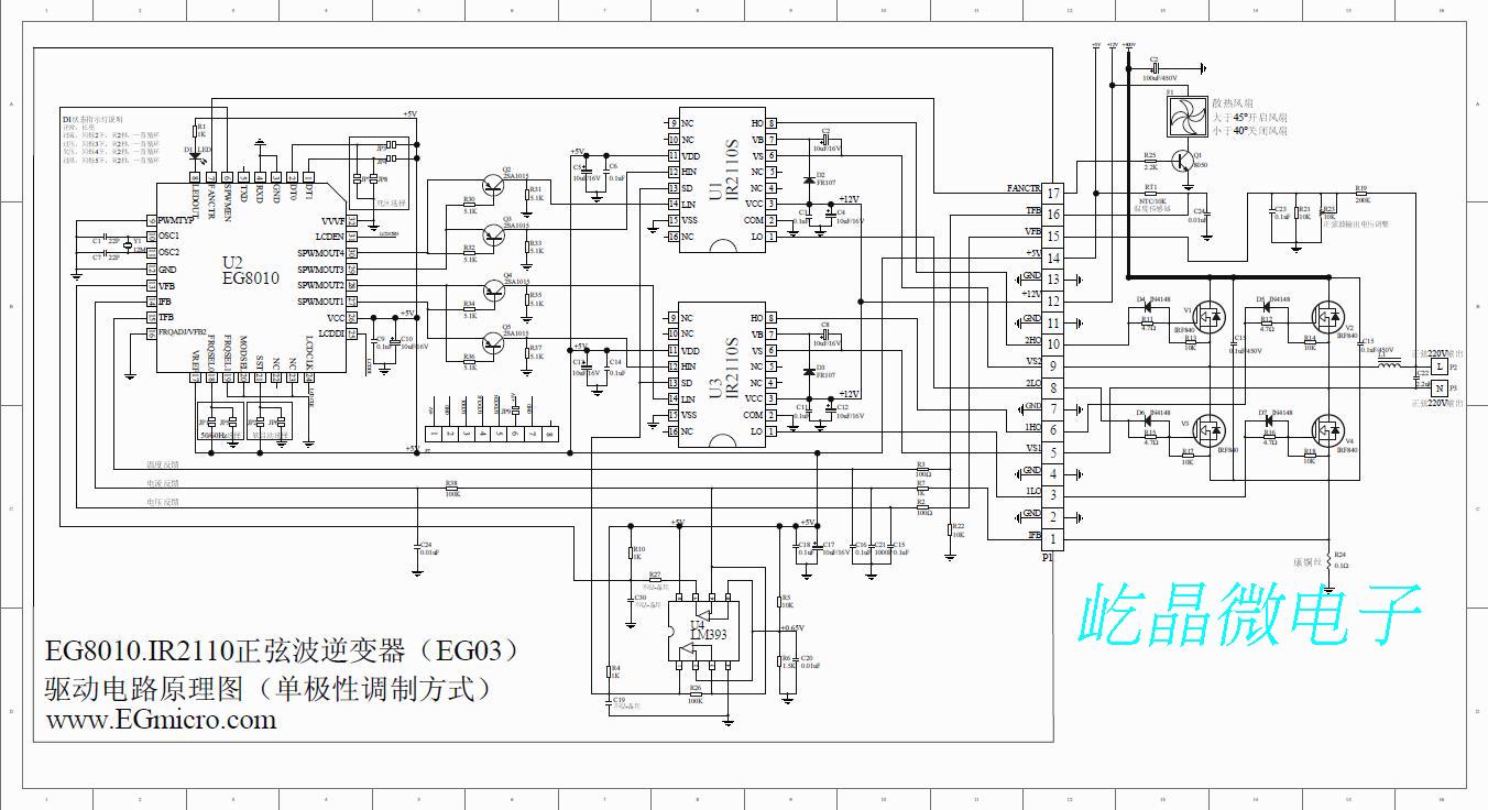
Can you show back side of this PWM controller board?
Your board has similar to the board EGS002 that is used a lot in DC-AC inverter. If you search for EGS002 you will see lots of info.
Your board may have a jumper to set 50/60Hz.
Is it worth the time to investigate what is wrong with this inverter according to the seller they offer repair parts I asked them what parts do they offer as repair parts cost $159.00 free shipping...
If I had a solar fed grid tie inverter (GTI), a modified sine wave inverter, and a power outage occurred, what would happen if you disconnected mains, backfed the modified sinewave inverter (MSI) into house power, and hooked up the GTI to the output of the MSI, would it work?
Next thing is trying to charge the batteries using solar power, but that's another issue ...
This specification for the HP Pavilion Wave Pavilion Wave Desktop - 600-a030na can be useful for upgrading or repairing a desktop PC that is not working. As a community we are working through our specifications to add valuable data like the Pavilion Wave Pavilion Wave Desktop - 600-a030na boardview and Pavilion Wave Pavilion Wave Desktop - 600-a030na schematic. Our users have donated over 1 million documents which are being added to the site. This page will be updated soon with additional information. Alternatively you can request additional help from our users directly on the relevant badcaps...
This specification for the HP Pavilion Wave Pavilion Wave Desktop - 600-a103na can be useful for upgrading or repairing a desktop PC that is not working. As a community we are working through our specifications to add valuable data like the Pavilion Wave Pavilion Wave Desktop - 600-a103na boardview and Pavilion Wave Pavilion Wave Desktop - 600-a103na schematic. Our users have donated over 1 million documents which are being added to the site. This page will be updated soon with additional information. Alternatively you can request additional help from our users directly on the relevant badcaps...
Comment