Looking for Schematic or Boardview for Dell XPS 13-9333 (DAD13CMBAG0)

Collapse
X
 
  • Time
  • Show
Clear All
new posts
  • MJ-meo-dmt
    Senior Member
    • May 2016
    • 186
    • South Africa

    #1

    Looking for Schematic or Boardview for Dell XPS 13-9333 (DAD13CMBAG0)

    Hi as the title states I'm looking for a schematic or boardview for the DAD13CMBAG0 / Dell xps 13 - 9333

    Actually if someone could assist me with the LED power rail. The PQ17 on the board burned and though the LED works there is no back-light. I have been trying a few similar SMD components that I took from similar circuits but they don't work. I'm not sure what exactly is needed here.

    Attached is an image of the circuit with the component replaced. PQ17 is the Component in question.
    With no component on the board the traces:
    1. 9V also directly gives continuity to 19V rail so No idea why its 9V and not 19V altho there are a few components sharing that trace.

    2. 7.2V
    3. 0V

    With a replaced component the voltages stay the same apart from pin 3. it is between 5-9V when the laptop is off. Switched on with no backlight but working screen, it gives 0V and it starts getting hot over time.
    Attached Files
    while alive { live(toFullest=true) }
  • MJ-meo-dmt
    Senior Member
    • May 2016
    • 186
    • South Africa

    #2
    Re: Looking for Schematic or Boardview for Dell XPS 13-9333 (DAD13CMBAG0)

    Working from an 04f94_Quanta_D13_Spyder_13.3+DA0D13MBCD1_UMA+1013+1730_cost_DELL+XPS+L321X
    schematic the pinout for the LCD seems very similar. And I'm Missing LED_BL Voltages. LED_BL is connected to the cap in the previous image that sits below the Diode that is below the Coil.

    EDIT: Added LED_BL Converter Circuit. Seems to be the same as the one I'm working on.... Now I just need to find an alternative or the same part as Q51
    AO3409 from the attached image
    Attached Files
    Last edited by MJ-meo-dmt; 07-18-2018, 04:10 AM.
    while alive { live(toFullest=true) }

    Comment

    • MJ-meo-dmt
      Senior Member
      • May 2016
      • 186
      • South Africa

      #3
      Re: Looking for Schematic or Boardview for Dell XPS 13-9333 (DAD13CMBAG0)

      Replaced PQ17 with a AO3409 Mosfet (P-channel) similar to the schematic for the L321X (dell xps 13) it gives 9V to the LED_BL line but after a few seconds it starts to heat up very quickly and then starts to burn.... Any ideas?
      while alive { live(toFullest=true) }

      Comment

      • piernov
        Super Moderator
        • Jan 2016
        • 4439
        • France

        #4
        Re: Looking for Schematic or Boardview for Dell XPS 13-9333 (DAD13CMBAG0)

        Output may be shorted. Check the resistance to ground on PL2. (if this is indeed the output inductor) Try with screen connected and disconnected.
        OpenBoardView — https://github.com/OpenBoardView/OpenBoardView

        Comment

        • MJ-meo-dmt
          Senior Member
          • May 2016
          • 186
          • South Africa

          #5
          Re: Looking for Schematic or Boardview for Dell XPS 13-9333 (DAD13CMBAG0)

          Originally posted by piernov
          Output may be shorted. Check the resistance to ground on PL2. (if this is indeed the output inductor) Try with screen connected and disconnected.
          Piernov Thanks for the reply.

          Ohm check to ground from PL2 = Nothing just ---- on meter.
          Ohms across PL2 = 5Ohm with and without screen.

          To add. When screen is disconnected and I switch the board on the voltage on that line where PL2 is, is 10V (on scope) which seems to be the same for B+ (I checked at the mosfets that receive B+ for 3.3/5V)

          When I connect the screen (which is brand new/Also both old and new do the same) the rail with the 10V from PL2 remains 10V and then that PQ17 starts overheating after a few seconds... Until it starts smoking. So I don't know why its pulling so much current.

          As mentioned the screen does display but no backlight I tested that by removing PQ17.

          I'm testing with the scope atm to see what's happening with the PQ17 when it starts heating up the wave is horrible will try and add it in a moment.

          Also to add I found a proper datasheet for the p-channel mosfet(PQ17) based of the schematic which is Q51(for the other xps) at the moment I want to replace it with something more similar to the one from that datasheet I linked for Q51. Because I think the one I used which seemed similar is not actually even close... So maybe the reason for the overheating because its current limits are so much less.... This is the current p-channel on there.... I will have to find something more similar to the A03409

          Will report back in a moment

          EDIT: Added the scope images probe was at PD8 just after PL2 for first image and 2nd image was right at PL2 after going though the coil you can see when the switching started.
          Attached Files
          Last edited by MJ-meo-dmt; 07-18-2018, 07:26 AM. Reason: Added Scope Image
          while alive { live(toFullest=true) }

          Comment

          • MJ-meo-dmt
            Senior Member
            • May 2016
            • 186
            • South Africa

            #6
            Re: Looking for Schematic or Boardview for Dell XPS 13-9333 (DAD13CMBAG0)

            Update. So I found this replacement from an Acer board that uses a similar eDP circuit. for the LED

            So now it gives 10V to the LED connector BUT the PL2 coil is getting hot over time. PQ17 stays cool now... Also still no Backlight even though there's supply to the pin on the connector.
            while alive { live(toFullest=true) }

            Comment

            • MJ-meo-dmt
              Senior Member
              • May 2016
              • 186
              • South Africa

              #7
              Re: Looking for Schematic or Boardview for Dell XPS 13-9333 (DAD13CMBAG0)

              After some testing and checking I found the Driver for the LED....
              Attached is a photo of it. It gets super hot... No idea where Id find an alternative like this. As it seems the usual ones on the other xps 13 has 13 pins this has 24.

              Also no datasheet for this so far on the internet...

              #Lines in the photo is from the camera lens#
              Attached Files
              while alive { live(toFullest=true) }

              Comment

              • SMDFlea
                Super Moderator
                • Jan 2018
                • 21853
                • UK

                #8
                Re: Looking for Schematic or Boardview for Dell XPS 13-9333 (DAD13CMBAG0)

                I think the full part number is OZ9955ALN-B-0-TR .Its made by O2Micro

                https://www.aliexpress.com/store/pro...863197013.html

                Page 16 of this catalog has an application diagram
                All donations to badcaps are welcome, click on this link to donate. Thanks to all supporters

                Comment

                • MJ-meo-dmt
                  Senior Member
                  • May 2016
                  • 186
                  • South Africa

                  #9
                  Re: Looking for Schematic or Boardview for Dell XPS 13-9333 (DAD13CMBAG0)

                  Originally posted by SMDFlea
                  I think the full part number is OZ9955ALN-B-0-TR .Its made by O2Micro

                  https://www.aliexpress.com/store/pro...863197013.html

                  Page 16 of this catalog has an application diagram
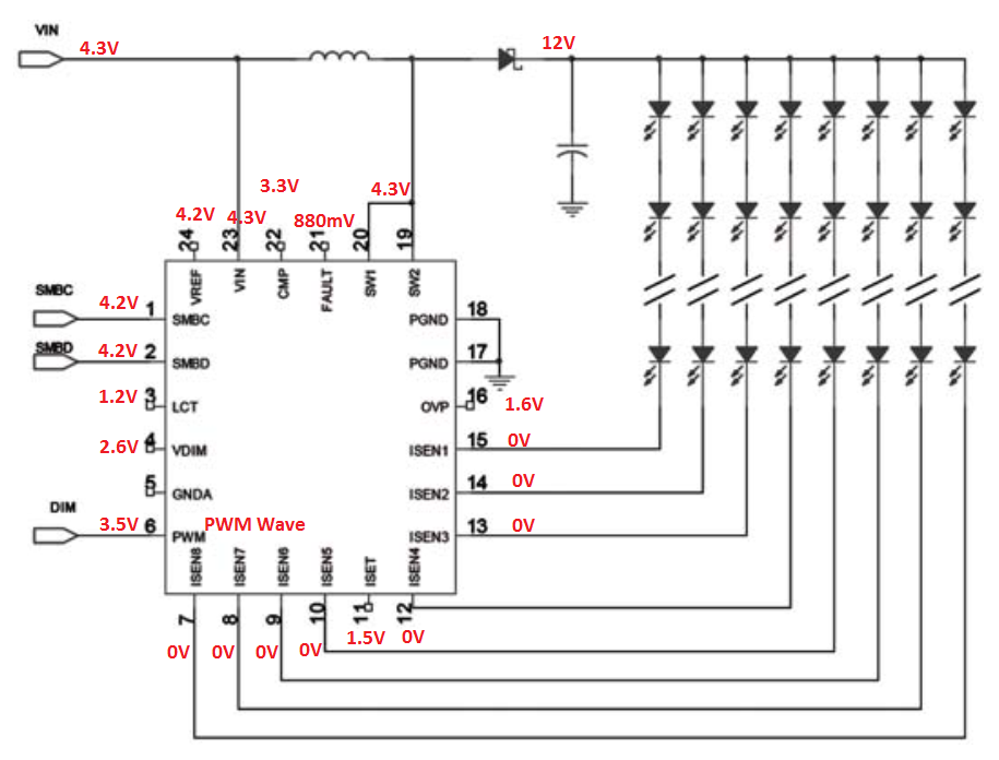
                  Awesome SMDFlea you are a Star! That example schematic they have on page 16 for OZ9955B is exactly the setup they have here on the board...

                  Somehow the PD17 the Mosfet from the original image of the board... blew again. now even tho its blown its letting through 7V roughly and after the PD8 (scotchy) its 12V which seems more reasonable but still no backlight. Also the LED driver doesn't heat up and its alot more "active" in the sense its giving out more likely voltages. Which makes me think that the mosfet they originally used is somewhat specific and different from the schematic for the L321X (xps13) I have been using as somewhat of a ref.

                  This is becoming a bitch....

                  * Just to say the original issue was that the client bumped the xps into a table and the sharp corner went right into the bottom of the screen where the screen cable connects on the LED board (screen side) and it broke it off, which caused some short circuit or something which in turn burned that PQ17 mosfet. Just so you guys have some idea of what happened.

                  Thanks for the help so far, much appreciated !
                  while alive { live(toFullest=true) }

                  Comment

                  • MJ-meo-dmt
                    Senior Member
                    • May 2016
                    • 186
                    • South Africa

                    #10
                    Re: Looking for Schematic or Boardview for Dell XPS 13-9333 (DAD13CMBAG0)

                    Attached the output for the LED Driver on the board tested with scope.

                    Note: While laptop switched ON.
                    Attached Files
                    Last edited by MJ-meo-dmt; 07-19-2018, 05:20 AM.
                    while alive { live(toFullest=true) }

                    Comment

                    • SMDFlea
                      Super Moderator
                      • Jan 2018
                      • 21853
                      • UK

                      #11
                      Re: Looking for Schematic or Boardview for Dell XPS 13-9333 (DAD13CMBAG0)

                      I found the same burnt mosfet on ******* http://*******/viewtopic.php?f=41&t=68689
                      By the markings i think the mosfet is an AO3409 or a AO3409L
                      All donations to badcaps are welcome, click on this link to donate. Thanks to all supporters

                      Comment

                      • SMDFlea
                        Super Moderator
                        • Jan 2018
                        • 21853
                        • UK

                        #12
                        Re: Looking for Schematic or Boardview for Dell XPS 13-9333 (DAD13CMBAG0)

                        Originally posted by MJ-meo-dmt
                        Attached the output for the LED Driver on the board tested with scope.

                        Note: While laptop switched ON.
                        double post
                        Last edited by SMDFlea; 07-19-2018, 07:20 AM.
                        All donations to badcaps are welcome, click on this link to donate. Thanks to all supporters

                        Comment

                        • MJ-meo-dmt
                          Senior Member
                          • May 2016
                          • 186
                          • South Africa

                          #13
                          Re: Looking for Schematic or Boardview for Dell XPS 13-9333 (DAD13CMBAG0)

                          Originally posted by SMDFlea
                          I found the same burnt mosfet on ******* http://*******/viewtopic.php?f=41&t=68689
                          By the markings i think the mosfet is an AO3409 or a AO3409L
                          SMDFlea thank you for the efforts Really appreciate it!

                          So it seems they used the same one on this board(D13C) as on the L321X only the LED Driver seems to be different... Uhmmm

                          I'll have to look through my boards and try and find a Mosfet like that because I don't have another XPS board here nor anything similar...

                          The Mosfet I used earlier was from an Acer [AP2301GN-HF] with one major difference beinig the 10 volts as well as the Pulsed Drain Current also lacking 10 Amps.

                          I wonder how many LED rails this screen has... Usually they only have 1 strip maybe 2-4 channel (30-40 LEDs * 10mA-40mA each ?)

                          Anyways I'll report back.
                          Last edited by MJ-meo-dmt; 07-19-2018, 07:47 AM.
                          while alive { live(toFullest=true) }

                          Comment

                          • SMDFlea
                            Super Moderator
                            • Jan 2018
                            • 21853
                            • UK

                            #14
                            Re: Looking for Schematic or Boardview for Dell XPS 13-9333 (DAD13CMBAG0)

                            I had another look at your photo on post #7 ,with my glasses on this time.... , it looks like a OZ9955h (H) , i don`t know if theres any difference between the B and H version and can`t find it in any O2micro catalogs .
                            All donations to badcaps are welcome, click on this link to donate. Thanks to all supporters

                            Comment

                            • MJ-meo-dmt
                              Senior Member
                              • May 2016
                              • 186
                              • South Africa

                              #15
                              Re: Looking for Schematic or Boardview for Dell XPS 13-9333 (DAD13CMBAG0)

                              Originally posted by SMDFlea
                              I had another look at your photo on post #7 ,with my glasses on this time.... , it looks like a OZ9955h (H) , i don`t know if theres any difference between the B and H version and can`t find it in any O2micro catalogs .
                              Hi again SMDFlea!

                              Yeah I don't know the difference either, it maybe there just to throw people off? no idea... But following the OZ9955B schematic I get the exact same results on the pins on the board. Which also brings me to thinking that maybe the LED Driver is still OKAY. Because at the moment it seems to operate normally... It may just be the VIN that's the issue which is coming from PQ17(In the original photo post #1)

                              SO I'll search for another p-channel later today as the other work piled up a bit... so I need to attend to those first.

                              Thanks for all the input.
                              while alive { live(toFullest=true) }

                              Comment

                              • Cipher
                                New Member
                                • Mar 2014
                                • 3
                                • United Kingdom

                                #16
                                Re: Looking for Schematic or Boardview for Dell XPS 13-9333 (DAD13CMBAG0)

                                Hi could I please have the schematic for this board DAD13CMBAG0.

                                Kind regards,

                                Comment

                                Related Topics

                                Collapse

                                Working...