820-3330-B suddenly doesn't power up

Collapse
X
 
  • Time
  • Show
Clear All
new posts
  • hypergl
    Member
    • Jan 2022
    • 14
    • Slovenia

    #1

    820-3330-B suddenly doesn't power up

    I had problems before with this computer. It was crashing while booting up, when the bar was halfway up, it rebooted and stuck in a loop, with no backlight or screen.

    Found that it might be because of bad solder on U8900 so I used some script magic to disable the nvidia gpu. Yesterday got myself finally the right soldering tip and put some fresh solder on the U8900.

    After soldering, checked like 15 times that everything is ok, no shorts.
    Turned on the computer. It boots, it works. Without the nvidia graphics disabled.

    Moment of truth, did the nvram reset. No luck. Computer chimes, no screen, no backlight. I can see on the phone (always tethering) that it connected to the mac. So system is ok.

    I leave it for 5, maybe 10 minutes turned on. Came back, everything is dead. No fan, no chime, no screen, no main led, magsafe lights green, with and without battery. Also measured voltages at battery, it charges (16,8V).

    Anybody had something similar? Any hint where to start the search? Really don't want to give up on this MBP, it served me more than greatly for the last 10 years, and it still did yesterday. Got no clue what could have gone wrong after resetting NVRAM.
  • hypergl
    Member
    • Jan 2022
    • 14
    • Slovenia

    #2
    Re: 820-3330-B suddenly doesn't power up

    Ok, with some help from Louiss Rossmann's youtube channel and some logical thinking and path following... got to the point where I have a short on U7000 between pin27 and pin28... which also translates to short on R7020.

    Comment

    • mon2
      Badcaps Legend
      • Dec 2019
      • 14657
      • Canada

      #3
      Re: 820-3330-B suddenly doesn't power up

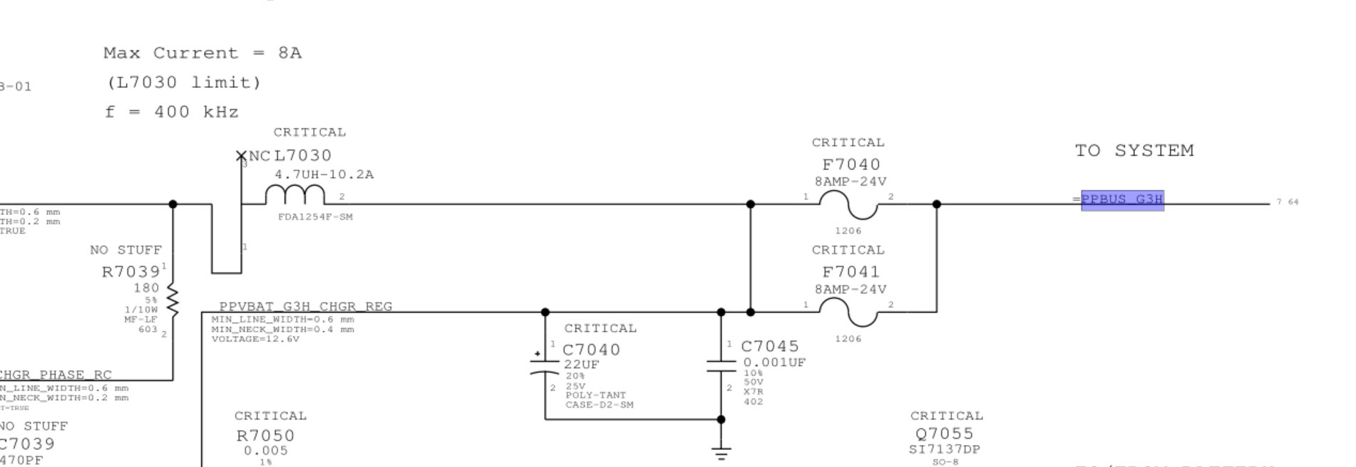
      Hi. R7020 is a current sense resistor and is with a very low resistance so it will appear as a short. Current sense resistors are always a low resistance and the current sense circuits measure the small voltage drop from point of ENTRY to the point of EXIT of the CSR (R7020). From this voltage drop, the IC (U7000) can gauge the current consumption of the load.

      Respectively if the current loop is broken and the trace is missing on the point of measurement, the ISL chip (U7000) will assume there is a massive load since voltage is present at entry but is 0 volts on exit so some pig of a device is pulling it down = 'Danger Will Robinson' zone. Shuts down the power supply!!

      Proceed to measure the voltage to ground of PPBUS_G3H.

      Comment

      • hypergl
        Member
        • Jan 2022
        • 14
        • Slovenia

        #4
        Re: 820-3330-B suddenly doesn't power up

        PPBUS_G3H is only 2.24V

        Also is worth mentioning that CPU and GPU are quite warm, not hot, can keep my fingers on top of heatsink.
        Last edited by hypergl; 11-30-2022, 04:16 PM.

        Comment

        • mon2
          Badcaps Legend
          • Dec 2019
          • 14657
          • Canada

          #5
          Re: 820-3330-B suddenly doesn't power up

          The CPU may be defective but remove fuses @ F7040 & F7041. Do not lose them. Apply ample flux and remove with tweezers or slide over so they are no longer mating the PCB pads.

          Then power up again and check the voltage of PPBUS_G3H on both sides of the fuse pad @ F7040.

          Post each voltage measurement.
          Attached Files

          Comment

          • hypergl
            Member
            • Jan 2022
            • 14
            • Slovenia

            #6
            Re: 820-3330-B suddenly doesn't power up

            Just before going dead, the CPU and the integrated GPU (intel) were doing allright. It all happened when i reset the NVRAM and got the nvidia GPU going again. Before resetting NVRAM i was messing around U8900 with the soldering iron. But just checked again and there is no short done by me on the IC.

            I will remove the fuses and check again.

            Comment

            • hypergl
              Member
              • Jan 2022
              • 14
              • Slovenia

              #7
              Re: 820-3330-B suddenly doesn't power up

              So now with fuses removed this are the measurements:

              On pin 1 of both fuses (F7040 and F7041) I get 12.57V.
              On pin 2 it's 0.25V.

              Comment

              • mon2
                Badcaps Legend
                • Dec 2019
                • 14657
                • Canada

                #8
                Re: 820-3330-B suddenly doesn't power up

                PPBUS_G3H is now a good voltage but something on the consumer side is pulling down this power rail.

                It could be the CPU or a bad cap. Hope it is the cap.

                Remove all power.

                Meter in resistance mode -> check the resistance to ground of the side with the low voltage on the fuse pads.

                What is the resistance to ground of the consumer side ?

                Do you have an adjustable power supply ? That can dial up 0v8 for example?

                Comment

                • hypergl
                  Member
                  • Jan 2022
                  • 14
                  • Slovenia

                  #9
                  Re: 820-3330-B suddenly doesn't power up

                  the resistance to ground on both fuses on pin 2 is 22-23 Ohms.

                  On the consumer side (pin 1) it just rises... got to 22M Ohms and still counting...

                  I have an adjustable power supply at work, might use it after hours during week. Maybe I could also borrow it on the weekends, but this one is packed like hell... So it will have to wait.

                  Comment

                  • mon2
                    Badcaps Legend
                    • Dec 2019
                    • 14657
                    • Canada

                    #10
                    Re: 820-3330-B suddenly doesn't power up

                    Pin #1 is toward the ISL side which creates the PPBUS_G3H. That is, without the fuses in place, the regulator is working fine and doing its job.

                    Downstream is the other fuse pad = consumer side and is shorting with the ~22 ohms.

                    This resistance sounds like a bad capacitor (hence the name of this website).

                    Using an adjustable power supply @ 0v8 (you want to remain under 1 volt just in case that the CPU rail is mated with this rail). A higher voltage could damage the CPU if there is a leakage.

                    Once you have the power supply, dial it up to 0v8 (DO VERIFY IT WITH YOUR METER BEFORE USE!!) and apply the RED probe onto the fuse pad with the lower voltage = 'consumer side'.

                    Black wire to ground. NO POWER TO THE LOGIC BOARD.

                    This process will heat up the defective part with the low resistance. Hoping again that some capacitor on the board will crack / heat up and become visible. If the CPU heats up, then the CPU is toast but from this resistance value, do not believe it is the CPU.
                    Attached Files
                    Last edited by mon2; 12-01-2022, 03:43 PM.

                    Comment

                    • piernov
                      Super Moderator
                      • Jan 2016
                      • 4439
                      • France

                      #11
                      Re: 820-3330-B suddenly doesn't power up

                      As indicated in the "Begginer's guidelines: what not to do" section, DO NOT inject 19V. Check high-side MOSFETs for short, easiest way is to place one probe on the main power rail and the other probe on each large inductor of the board. If one is lower than 1 ohm, there's a possibility of high-side MOSFET short. If not, you can start injecting voltage *at 1V*, and double check none of the large BGA is warming up. If 1V is not enough, you can start increasing voltage, after making sure none of the large BGA is warming up again.
                      https://www.badcaps.net/forum/showthread.php?t=90356
                      OpenBoardView — https://github.com/OpenBoardView/OpenBoardView

                      Comment

                      • hypergl
                        Member
                        • Jan 2022
                        • 14
                        • Slovenia

                        #12
                        Re: 820-3330-B suddenly doesn't power up

                        So finally I have the option to get at this problem. It took a while, but in between jobs (regular and extra) and searching and trying to get a house, not to mention all the calculations and visits at the various banks, led to a delay in this reviving project.

                        So today after work I connected two wires, one is soldered to the ground point (one of the many big pads under the screws) and one is directly connected at the two pads on the consumer side of the two fuses. Should I only connect to pad number 2 only of one fuse? But I guess they are connected to the same path.

                        EDIT: checked twice of course, they are on the same path, so no worries.

                        So tomorrow I will inject 0.5V to start with, at a maximum of 1.5amp, hopefully something will start getting hot.

                        Because I never got to the FLIR camera, I will try the classic aproaches, smelling, feeling and spraying with IPA.

                        Fingers crossed!

                        Comment

                        • hypergl
                          Member
                          • Jan 2022
                          • 14
                          • Slovenia

                          #13
                          Re: 820-3330-B suddenly doesn't power up

                          So, nothing going on... the board draws 0.5amp at 1V... everything is stone cold...

                          Comment

                          • Sephir0th
                            Badcaps Legend
                            • Oct 2020
                            • 1289
                            • Germany

                            #14
                            Re: 820-3330-B suddenly doesn't power up

                            I have no idea about macbooks but this sounds pretty much like a shorted high side.
                            Check for a coil near the CPU & GPU with a similar resistance to GND (22/23 Ohms).
                            FairRepair on YouTube

                            Comment

                            • mon2
                              Badcaps Legend
                              • Dec 2019
                              • 14657
                              • Canada

                              #15
                              Re: 820-3330-B suddenly doesn't power up

                              Remove all power. Meter in the lowest resistance scale.

                              Measure the resistance from the consumer side (~22 ohms you reported to ground) to the coils that power the CPU.

                              What is the resistance?

                              With a low resistance, the high side mosfet is shorted and likely the CPU is dead from the same high side leakage. That is, the CPU may have been spiked with the PPBUS_G3H voltage rail.

                              Comment

                              • hypergl
                                Member
                                • Jan 2022
                                • 14
                                • Slovenia

                                #16
                                Re: 820-3330-B suddenly doesn't power up

                                the resistance between pad #2 of the fuse to inductors L7510, L7520, L7530, L7550, L7560 is around 25-30 ohm, while the resistance to the graphics chip inductors (L8930, L8960) is a poor 1.1ohm. I had problems with the graphics chip before it went dead... So i should guess the nvidia chip is toasted.

                                Comment

                                • Sephir0th
                                  Badcaps Legend
                                  • Oct 2020
                                  • 1289
                                  • Germany

                                  #17
                                  Re: 820-3330-B suddenly doesn't power up

                                  GPUs are pretty robust compared to recent CPUs. It might come back alive if you find and repair the faulty phase, probably a internal shorted Mosfet/DrMOS/PowerStage or whatever is soldered there.
                                  FairRepair on YouTube

                                  Comment

                                  Related Topics

                                  Collapse

                                  Working...