Hello
I got this surface with bad SSD, full of bad blocks.
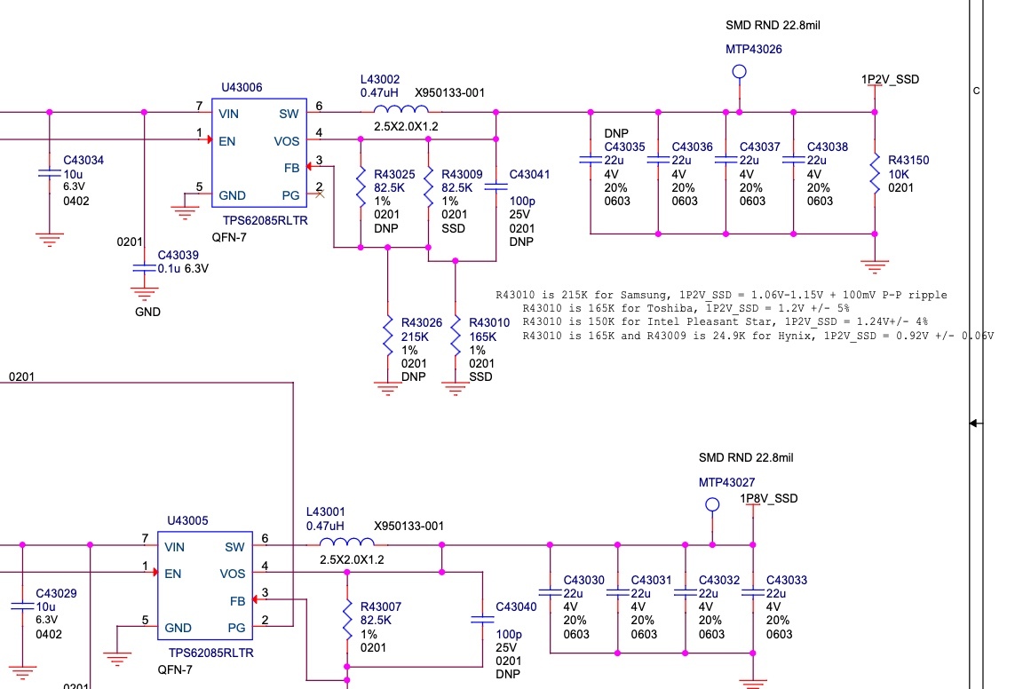
The original NAND is intel SSDPEBKF128G7
Ive ordered an intel SSDPEBKF256G7 to double the hard drive space.
NAND flowed in place well so I dont think soldering was a problem
No shorts and resistance seems good in SSD line.
BUT, when installing windows, no HDD detected on the drive list...
Does the bios need to be worked?
What am I missing?
Has someone done these NAND replacements on these devices that could help me here?
Thanks in advance
Original Bios and photos in attachment
I got this surface with bad SSD, full of bad blocks.
The original NAND is intel SSDPEBKF128G7
Ive ordered an intel SSDPEBKF256G7 to double the hard drive space.
NAND flowed in place well so I dont think soldering was a problem
No shorts and resistance seems good in SSD line.
BUT, when installing windows, no HDD detected on the drive list...
Does the bios need to be worked?
What am I missing?
Has someone done these NAND replacements on these devices that could help me here?
Thanks in advance
Original Bios and photos in attachment
Comment