A2251 820-01949 No Power

Collapse
X
 
  • Time
  • Show
Clear All
new posts
  • LugNuts
    New Member
    • Sep 2020
    • 9
    • United States

    #1

    A2251 820-01949 No Power

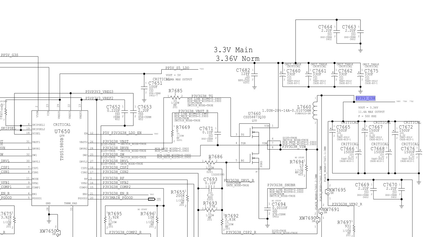
    Hello, I have an 820-01949 Macbook Pro that has MAJOR liquid damage. Luckily, the CPU and T2 seemed to have dodged it somehow. Initially, it only got 5v on the charger but I replaced U7000 and now I get 20v but not consistently, though generally if I just let it sit for a few minutes it goes to 20v. Still going through and fixing pads so it could just be a poor connection somewhere. I don't have much experience with T2 models but luckily it seems they are basically the same as non-T2 USB-C model. I ran it through my ultrasonic cleaner to help clean up the board.

    Input: 20v 0.00-0.01 (completely dead)

    PPBUS: 12.35v
    PP3v3_G3H: 0.98v (not sure how CD3217 is negotiating 20v, runs off PP3v3_G3S maybe?)
    PP3v3_G3S: 3.4v
    PP5v_g3s: 0v

    I have already replaced:
    U7000
    U7650
    U6903
    U7660 (gets 12v but only outputs 0.98v even after replacement)

    Not sure where I should go on this one, luckily it's a personal board for learning more about T2 models so its not a rush.


    Thanks for any help!
  • Slam!
    New Member
    • Nov 2019
    • 4
    • usa

    #2
    Re: A2251 820-01949 No Power

    PPBUS_G3H with 12.3 V usually indication something wrong with T2. If you have another Macbook you can invoke DFU mode and Revive (saves data) or Restore (wipes data). If you cant get into DFU mode then the rails associated with T2 chip will need to be restored before trouble shooting ppbus line.

    Comment

    • LugNuts
      New Member
      • Sep 2020
      • 9
      • United States

      #3
      Re: A2251 820-01949 No Power

      Yeah, tried DFU mode and got nothing. Guess I need to dive into the schematics for the T2, thanks for the tip. I'll update the thread with any more information as I go in case others have a similar issue in the future. Any extra pointers you may have about T2 would be great, normally only work on non T2 MacBooks and trying to learn the new process.

      Thanks!

      Comment

      • mon2
        Badcaps Legend
        • Dec 2019
        • 14740
        • Canada

        #4
        Re: A2251 820-01949 No Power

        PP3v3_G3H: 0.98v
        Remove all power. Meter in resistance scale.

        Measure the resistance to ground of L7660, pin # 1.
        Attached Files

        if you find these attachements useful please consider making a small donation to the site

        Comment

        • LugNuts
          New Member
          • Sep 2020
          • 9
          • United States

          #5
          Re: A2251 820-01949 No Power

          Looks like its getting ~100k ohms to ground

          Comment

          • LugNuts
            New Member
            • Sep 2020
            • 9
            • United States

            #6
            Re: A2251 820-01949 No Power

            Took measurements from a working 820-00850 and get ~120k to ground on pin 1 L7660, not sure if that helps or not.

            Comment

            • mon2
              Badcaps Legend
              • Dec 2019
              • 14740
              • Canada

              #7
              Re: A2251 820-01949 No Power

              Resistance is ok.

              Do the LDO rails work ok for U7650 ?

              PP5V_S5_LDO

              P5VP3V3_VREG3


              Voltage of P3V3G3H_EN_R ?

              Comment

              • LugNuts
                New Member
                • Sep 2020
                • 9
                • United States

                #8
                Re: A2251 820-01949 No Power

                Well, this board just doesn't want to get fixed now it's back to being stuck at 5v 0.00a.

                PP3v3_G3H is 0v
                PP3v3_G3H_RTC 0v

                Not getting PPVIN_G3H_P3V3G3HRTC for U6903. Guess I'm really getting my practice in on this one.

                Comment

                • mon2
                  Badcaps Legend
                  • Dec 2019
                  • 14740
                  • Canada

                  #9
                  Re: A2251 820-01949 No Power

                  Not at my desk and about to watch some NBA but check how far the 5 volt travels. Confirm if the usb fuses are in tact or are they blown.

                  How are you measuring the current? We own 2 different usb-c meters. The expensive one can show even small current like 30mA draw. The cheap one for the same case study will show 0mA draw.

                  Comment

                  • LugNuts
                    New Member
                    • Sep 2020
                    • 9
                    • United States

                    #10
                    Re: A2251 820-01949 No Power

                    No worries, thanks for all your help so far. I am using a "Keweisi KWS-1802C" bought from Louis Rossmanns store. In the past its been able to show small amperage.

                    I'll post some updates tomorrow.

                    Comment

                    • LugNuts
                      New Member
                      • Sep 2020
                      • 9
                      • United States

                      #11
                      Re: A2251 820-01949 No Power

                      Well, I made a mistake. I rebuilt the whole U7000 area as it was totaled from corrosion and when I put new resistors on for R7015 I had it positioned the wrong way. CHGR_AUX_DET wasn't getting PPDCIN_G3H and was just connecting back to itself and only just noticed that when looking at the boardview and schematics.

                      Fixed that and now the charger is going nearly instantly to 20v 0.00a 100% of the time.

                      Current readings:

                      PPBUS_G3H: 12.35v
                      PP3v3_G3H: 0.98v
                      PP3v3_G3H_RTC: 3.4v

                      Now for what you asked for earlier:

                      PP5v_S5_LDO: 0v
                      P5VP3V3_VREG3: 3.3v
                      P3V3G3H_EN_R: 0v

                      Extra Readings From U7650
                      P5V_P3v3G3H_LDO_EN: 0v
                      PPVIN_G3H_P3v3G3H: 12.35v

                      I'll keep messing around with it tomorrow, I hope this isn't an issue with a broken T2

                      Comment

                      • LugNuts
                        New Member
                        • Sep 2020
                        • 9
                        • United States

                        #12
                        Re: A2251 820-01949 No Power

                        Got it to start powering up!

                        I was looking through the schematics and boardview, found a resistor "R8050" that delivers PPBUS_G3H to PMU_VDD_HI. From what I understand now that I got it working (almost) is that T2 has something to do with creating PP3v3_G3H, not like the old non T2 boards that had a dedicated IC for that.

                        New Readings:
                        PPBUS_G3H: 12.6v (was 12.3 due to bad resistor "R8050" and T2 boosted PPBUS to 12.6v)
                        PP3v3_G3H: 3.4v (I was trying to find this source for so long when it was stuck 1v)

                        Now the board gets 20v and starts some sort of boot process, T2 turns on, smaller die on CPU warms up (no noticeable heat, seen through thermal cam)

                        Goes 20v 0.06a then climbs to 20v 0.35-0.40a while T2 and CPU do something then it drops back down to 20v 0.06a. Maybe SSD rail isn't working or another rail is having issues on start. I am just glad to have some sort of progress on this and wanted to post an update for anyone who may have a similar issue in the future.

                        Comment

                        • smith.rja
                          New Member
                          • Nov 2020
                          • 1
                          • New Zealand

                          #13
                          Re: A2251 820-01949 No Power

                          Hey LugNuts!

                          have the exact same boot process as you. 20v up to ~300ma before dropping to ~65ma and nothing.

                          Boots to DFU and revives/restores without error but same boot issue. did you get anywhere?

                          Comment

                          • VRauza
                            New Member
                            • Apr 2015
                            • 9
                            • Latvija

                            #14
                            Re: A2251 820-01949 No Power

                            Had similar issue on A2551, it was charging battery and could enter DFU mode but no boot. Turned out to be corrosion on R7441 pin 1 which is PP1V8_S5. Not sure how any liquid got there as it is under a protective tape and there were zero signs of liquid anywhere else on the board.

                            Comment

                            • nelusab
                              Member
                              • Aug 2022
                              • 27
                              • România

                              #15
                              Re: A2251 820-01949 No Power

                              Hi is somebody so kind to help me with an soc rom bin file , a genuine one dumped from a working A2251, for reflashing t2 bios soc rom chip?

                              Comment

                              • nelusab
                                Member
                                • Aug 2022
                                • 27
                                • România

                                #16
                                Re: A2251 820-01949 No Power

                                I have the same problem and a tehnician told me that is about a corrupt bios.

                                Comment

                                • manusg
                                  Member
                                  • Mar 2021
                                  • 14
                                  • uruguay

                                  #17
                                  Originally posted by LugNuts
                                  Re: A2251 820-01949 No Power

                                  Got it to start powering up!

                                  I was looking through the schematics and boardview, found a resistor "R8050" that delivers PPBUS_G3H to PMU_VDD_HI. From what I understand now that I got it working (almost) is that T2 has something to do with creating PP3v3_G3H, not like the old non T2 boards that had a dedicated IC for that.

                                  New Readings:
                                  PPBUS_G3H: 12.6v (was 12.3 due to bad resistor "R8050" and T2 boosted PPBUS to 12.6v)
                                  PP3v3_G3H: 3.4v (I was trying to find this source for so long when it was stuck 1v)

                                  Now the board gets 20v and starts some sort of boot process, T2 turns on, smaller die on CPU warms up (no noticeable heat, seen through thermal cam)

                                  Goes 20v 0.06a then climbs to 20v 0.35-0.40a while T2 and CPU do something then it drops back down to 20v 0.06a. Maybe SSD rail isn't working or another rail is having issues on start. I am just glad to have some sort of progress on this and wanted to post an update for anyone who may have a similar issue in the future.
                                  Have exactly same problem. Did you solve it?

                                  Comment

                                  • manusg
                                    Member
                                    • Mar 2021
                                    • 14
                                    • uruguay

                                    #18
                                    Originally posted by smith.rja
                                    Re: A2251 820-01949 No Power

                                    Hey LugNuts!

                                    have the exact same boot process as you. 20v up to ~300ma before dropping to ~65ma and nothing.

                                    Boots to DFU and revives/restores without error but same boot issue. did you get anywhere?
                                    I have the same problem. Did you solve it?

                                    Comment

                                    Related Topics

                                    Collapse

                                    • MICHAEL_2013
                                      Macbook Pro Core I7 A2251 EMC3348 Help Remove MDM
                                      by MICHAEL_2013
                                      Good afternoon. My client brought me a Mac A2251 EMC 3348 that he bought at a sale. The computer is completely iCloud-free, but it came with MDM installed. He has tried contacting the company that provides the MDM in every way possible, but they are unwilling to offer a solution. The device is:
                                      Model A2251 EMC 3348. Serial Number: C02G54CZML85
                                      Apple MacBook Pro Core i7 2.3, 13" 2020, 512 GB SSD, 16 GB RAM.
                                      I've tried changing the serial number of the SoC ROM MX25U3235F, but it hasn't worked:
                                      C02G54CZML84 only works up to Monterey.
                                      C02G54CZML86 doesn't work (I...
                                      Today, 11:18 AM
                                    • abajor
                                      A2251 820-0194 CD3217B12 (U3100_W) donors/replacements
                                      by abajor
                                      I have an A2251 820-01949 which had a failed TPS62180.
                                      I was fortunate enough to find the video on "Exploding USB-C" https://youtu.be/CAGnMR1aVuE?si=O1oYvAyNMeAr4dv4 what was shared here on the topic.

                                      I was wondering if there are any cross compatible models that have been discovered?
                                      We have an apple ID locked A2179 Mac AIR it's CD3217B2 has different lithography and looks slightly gray but I'm assuming it's the same chip in principal, but I am also aware that for some inexplicable reason mac flashes these chips firmware depending on their location on the board....
                                      06-27-2024, 01:10 AM
                                    • marshmallows
                                      A2251 burnt ics on logic board
                                      by marshmallows
                                      I have a A2251 2020 MBP with 4 Thunderbolt Ports. It has been working fine for some time and I woke up one morning to an unresponsive notebook

                                      Opened it up and it looks like there are several ICs, which I think are capacitors burnt out.

                                      How do I go about fixing this? I have repaired many iPhones in the past, but never a laptop motherboard. Do these capacitors just fail on a MBP? In which case, I assume I could just replace them and be good to go. Or does this indicate an upstream failure?...
                                      09-10-2025, 03:46 PM
                                    • Junior††
                                      a2251 820-01949-a boot looping after screen replacement
                                      by Junior††
                                      not sure how it happened but after replacing the screen on a2251 macbook it:

                                      fans turn on for a second or 2, turn off, apple logo shows, 5-10 seconds pass and then system cuts off then cycles

                                      thermal camera shows these are getting quite hot although i'm not sure what do to.

                                      i've tried internet restore, same thing, put the old screen back on, same thing. which i'm inclined to think i f'd this up somehow or another. or the part that was given is faulty and caused something to go wrong. but I want to believe it's someone not me, but i'm prepared to think i...
                                      07-15-2025, 09:17 PM
                                    • zhmih
                                      a2251 eDP lines dead
                                      by zhmih
                                      Hey guys,
                                      I have this display connector water damaged.


                                      PP5V_G3S_ALSCAM_was corroded, not the other side where lcd backlight is.
                                      nevertheless, EDP_INT_AUX_N and _P both have .0l in diode mode (not shorted to ground)

                                      I fixed the alscam line, restored laptop via dfu. I get chime but no image on internal and external display using type-c - hdmi cable (not the original apple).

                                      I tried displays from a1708 and 1706 but the result is the same(I do not have another a2251 display on hands).

                                      Question is should I try to find...
                                      11-15-2023, 05:07 AM
                                    • Loading...
                                    • No more items.
                                    Working...