Custom laptop Ncp81203 voltage controller pinout

Collapse
X
 
  • Time
  • Show
Clear All
new posts
  • ss45
    Senior Member
    • Jun 2019
    • 119
    • Brazil

    #1

    Custom laptop Ncp81203 voltage controller pinout

    Laptop is custom, I believe made by some OEM like MSI, pegasus, or gigabyte

    There is this ncp81203 that I suspect is damaged, but can't confirm due to no datasheet available.

    Help appreciate d
  • SMDFlea
    Super Moderator
    • Jan 2018
    • 21874
    • UK

    #2
    Re: Custom laptop Ncp81203 voltage controller pinout

    Is there a serial or model number on the case. Are there any part numbers on the motherboard
    All donations to badcaps are welcome, click on this link to donate. Thanks to all supporters

    Comment

    • mon2
      Badcaps Legend
      • Dec 2019
      • 14662
      • Canada

      #3
      Re: Custom laptop Ncp81203 voltage controller pinout

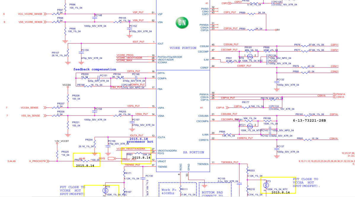
      See attached.
      Attached Files

      Comment

      • ss45
        Senior Member
        • Jun 2019
        • 119
        • Brazil

        #4
        Re: Custom laptop Ncp81203 voltage controller pinout

        Thank you guys for the replies..

        Preliminary probing result, the layout seems to be similar with ncp's other product, ncp81243
        And this chip also connects to several drivers with a3* marking, online search gave me ncp81151

        About the board part number, maybe this is the right one, I hope .....
        6-77-P750DM2A-N03-2 (I am not sure whether 0 is zero or O (o alphabet) )

        Edit oh yes it is Clevo product

        Comment

        • SMDFlea
          Super Moderator
          • Jan 2018
          • 21874
          • UK

          #5
          Re: Custom laptop Ncp81203 voltage controller pinout

          Originally posted by ss45
          Thank you guys for the replies..

          Preliminary probing result, the layout seems to be similar with ncp's other product, ncp81243
          And this chip also connects to several drivers with a3* marking, online search gave me ncp81151

          About the board part number, maybe this is the right one, I hope .....
          6-77-P750DM2A-N03-2 (I am not sure whether 0 is zero or O (o alphabet) )

          Edit oh yes it is Clevo product
          You can find a service manual/schematic here: https://repo.palkeo.com/clevo-mirror/P7xxDM23G/ Log in using Username: repo ,password: repo ,download P775DM2_ESM.zip
          All donations to badcaps are welcome, click on this link to donate. Thanks to all supporters

          Comment

          • ss45
            Senior Member
            • Jun 2019
            • 119
            • Brazil

            #6
            Re: Custom laptop Ncp81203 voltage controller pinout

            Oh wow I didn't know there is such repo.
            This is heaven sent !!
            Thanks so much

            Comment

            Related Topics

            Collapse

            • Document Archive
              Microsoft Surface Laptop 3 13.5-inch i5/8GB/256GB SSD Laptop Platinum Notebook Specification for Upgrade or Repair
              by Document Archive
              This specification for the Microsoft Surface Laptop 3 13.5-inch i5/8GB/256GB SSD Laptop Platinum Notebook can be useful for upgrading or repairing a laptop that is not working. As a community we are working through our specifications to add valuable data like the Surface Laptop 3 13.5-inch i5/8GB/256GB SSD Laptop Platinum boardview and Surface Laptop 3 13.5-inch i5/8GB/256GB SSD Laptop Platinum schematic. Our users have donated over 1 million documents which are being added to the site. This page will be updated soon with additional information. Alternatively you can request additional help from...
              09-06-2024, 09:30 PM
            • Document Archive
              Microsoft Surface Laptop Surface Laptop 2 Notebook 2 Specification for Upgrade or Repair
              by Document Archive
              This specification for the Microsoft Surface Laptop Surface Laptop 2 Notebook can be useful for upgrading or repairing a laptop that is not working. As a community we are working through our specifications to add valuable data like the Surface Laptop 2 boardview and Surface Laptop 2 schematic. Our users have donated over 1 million documents which are being added to the site. This page will be updated soon with additional information. Alternatively you can request additional help from our users directly on the relevant badcaps forum. Please note that we offer no warranties that any specification,...
              09-06-2024, 08:47 AM
            • RdeveLabs
              MSI GF63 THIN 11UCX (MS-16R6) LAPTOP WON'T TURN ON AFTER RESTARTING
              by RdeveLabs
              To all the members here...

              Let me tell you a little bit about what happened to my laptop (MSI GF63 THIN 11UCX model: MS-16R6) that “maybe” you know how to solve this problem.

              So before this problem happened, my laptop was running smoothly. When I wanted to restart my laptop, it looked fine at first. But after I waited for this restart process to take a long time, until finally I panicked (because the restart process did not finish plus the laptop screen only showed a black screen), I immediately pressed and held the power button to force the laptop to turn off. But...
              05-05-2025, 04:59 AM
            • caspian
              Custom Voltage in a Laptop
              by caspian
              Dear Forum members,

              I need to create a custom voltage of 3.8v in a laptop to drive the CPU fan.
              It is not available in laptops and I have to create it. I can think of a simple voltage divider depicted in the photo.
              but I have doubt that the voltage divider may consume extra power from the +5v_Run rail and make this rail burn after a while.
              the fan consumes 0.16A when the input voltage is 3.8v.
              the laptop is an ordinary 90W laptop called Dell Inspiron 1564.
              the fan has no PWM input and the original FAN Driving Circuit on the mainboard is defective....
              04-07-2019, 03:37 AM
            • Document Archive
              Microsoft Surface Laptop Surface Laptop 4 Notebook 4 Specification for Upgrade or Repair
              by Document Archive
              This specification for the Microsoft Surface Laptop Surface Laptop 4 Notebook can be useful for upgrading or repairing a laptop that is not working. As a community we are working through our specifications to add valuable data like the Surface Laptop 4 boardview and Surface Laptop 4 schematic. Our users have donated over 1 million documents which are being added to the site. This page will be updated soon with additional information. Alternatively you can request additional help from our users directly on the relevant badcaps forum. Please note that we offer no warranties that any specification,...
              09-07-2024, 06:11 AM
            • Loading...
            • No more items.
            Working...