820-2850-A: battery not detected

Collapse
X
 
  • Time
  • Show
Clear All
new posts
  • DrFalken
    Senior Member
    • May 2008
    • 122

    #1

    820-2850-A: battery not detected

    Hi guys,
    a client brought me this MacBook Pro that doesn't detect the battery (he changed the original one with a compatible 2-POWER branded).
    The charger led is solid green and pressing the battery check button cause 5 blinks of the 8 leds

    I've measured voltages of U7000 (charger+battery, laptop turned off):
    Pin01 (CHGR_AGATE) = 0
    Pin02 (PPCHGR_DCIN) = 15.93V
    Pin03 (CHGR_ACIN) = 3.86V
    Pin05 (CHGR_ICOMP) = 1.0V – 1.43V
    Pin06 (CHGR_CELL) = 3.42v
    Pin07 (CHGR_VCOMP) = 1.10V – 1.40V
    Pin08 (CHGR_VNEG) = 1.70V – 2.09V
    Pin09 (CHGR_AMON) = 0.03V – 0.05V
    Pin10 (SMBUS_SMC_5_G3_SDA) = 3.41V
    Pin11 (SMBUS_SMC_5_G3_SCL) = 3.40V
    Pin12 (PP3V42_G3H) = 3.42V
    Pin13 (CHGR_RST_L) = 3.42V
    Pin14 (SMC_BC_ACOK) = 2.33V
    Pin15 (CHGR_BMON) = not measured
    Pin16 (CHGR_BGATE) = 3.57V – 11.72V
    Pin17 (CHGR_CSO_N) = 11.14V – 12.56V
    Pin18 (CHGR_CSO_P ) = 11.14V – 12.56V
    Pin19 (PP5V1_CHGR_VDD) = 5.07V
    Pin20 (PP5V1_CHGR_VDDP) = 5.02V
    Pin21 (CHGR_LGATE) = 0.56V – 0.61V
    Pin22 (GND) = 0.56V – 0.61V
    Pin23 (CHGR_PHASE) = 10.23V – 12.36V
    Pin24 (CHGR_UGATE) = 11.26V – 13.55V
    Pin25 (CHGR_BOOT) = 14.15V – 16.63V
    Pin26 (CHGR_SGATE ) = not measured
    Pin27 (CHGR_CSI_N) = 15.89V – 15.97V
    Pin28 (CHGR_CSI_P ) = 15.89V – 15.97V

    Voltages are changing as listed in about 5 seconds (i.e. CHGR_BGATE=3.57V...after 5 sec=11.72V...after 5 sec=3.57V...and so on)
    What can I check ?

    Thank you !!
  • DrFalken
    Senior Member
    • May 2008
    • 122

    #2
    Re: 820-2850-A: battery not detected

    Removed U7000 and found this:

    Pin15 (CHGR_BMON) = short to GND

    I'll order and replace it...

    Comment

    • mon2
      Badcaps Legend
      • Dec 2019
      • 14669
      • Canada

      #3
      Re: 820-2850-A: battery not detected

      Is the short still present with U7000 off the logic board ?

      Comment

      • DrFalken
        Senior Member
        • May 2008
        • 122

        #4
        Re: 820-2850-A: battery not detected

        Originally posted by mon2
        Is the short still present with U7000 off the logic board ?
        No short circuit on the logic board on pad/pin 15.
        Without U7000 now the laptop turns on ONLY with battery + charger while before it turned on with charger or battery + charger
        Charger led is still solid green.

        Comment

        • DrFalken
          Senior Member
          • May 2008
          • 122

          #5
          Re: 820-2850-A: battery not detected

          Originally posted by DrFalken
          No short circuit on the logic board on pad/pin 15.
          Without U7000 now the laptop turns on ONLY with battery + charger while before it turned on with charger or battery + charger
          Charger led is still solid green.
          U7000 changed with a brand new one.

          Actual voltages (without battery):
          Pin01 (CHGR_AGATE) = 14,79V
          Pin02 (PPCHGR_DCIN) = 16,4V
          Pin03 (CHGR_ACIN) = 3,87V
          Pin05 (CHGR_ICOMP) = 0,09V
          Pin06 (CHGR_CELL) = 3,39V
          Pin07 (CHGR_VCOMP) = 0V
          Pin08 (CHGR_VNEG) = 0,03V
          Pin09 (CHGR_AMON) = 0V
          Pin10 (SMBUS_SMC_5_G3_SDA) = 3,34V
          Pin11 (SMBUS_SMC_5_G3_SCL) = 3,34V
          Pin12 (PP3V42_G3H) = 3,39V
          Pin13 (CHGR_RST_L) = 3,39V
          Pin14 (SMC_BC_ACOK) = 3,24V
          Pin15 (CHGR_BMON) = not measured
          Pin16 (CHGR_BGATE) = 0
          Pin17 (CHGR_CSO_N) = 0,16V
          Pin18 (CHGR_CSO_P ) = 0,16V
          Pin19 (PP5V1_CHGR_VDD) = 1V drop to 0
          Pin20 (PP5V1_CHGR_VDDP) = 1V drop to 0
          Pin21 (CHGR_LGATE) = 0
          Pin22 (GND) = 0
          Pin23 (CHGR_PHASE) = 0,16V
          Pin24 (CHGR_UGATE) = 0
          Pin25 (CHGR_BOOT) = 0
          Pin26 (CHGR_SGATE ) = not measured
          Pin27 (CHGR_CSI_N) = 1,5V
          Pin28 (CHGR_CSI_P ) = 1,48V

          Charger led is solid green.
          Laptop now is not turning on at all

          Update: PPBUS_G3H = 0,16V and 167 Ohm to GND
          Last edited by DrFalken; 02-08-2022, 07:40 AM. Reason: PPBUS_G3H reading

          Comment

          • DrFalken
            Senior Member
            • May 2008
            • 122

            #6
            Re: 820-2850-A: battery not detected

            Other readings:

            R7050 0 Ohm
            R7051 12.6 Ohm (should be 2.2)
            R7052 0 Ohm
            C7050 1216 nF

            Comment

            • mon2
              Badcaps Legend
              • Dec 2019
              • 14669
              • Canada

              #7
              Re: 820-2850-A: battery not detected

              Few comments:

              1) PP3V42_G3H is a low value. Remove all power. Meter in resistance mode. What is the resistance to ground for PP3V42_G3H ?

              2) the current sense resistor values are critical. If wrong resistance then the wrong current will be sensed and will lead to shut down of u7000.

              3) are you confident that u7000 was properly soldered? Use high heat, initially low air pressure but with some flux on top side of u7000. Go in circles on top of u7000. Allow the chip to melt and sink naturally. Careful to not blow off surrounding parts. If needed, increase the air pressure. Then while balls are melted, use a tweezer to gently nudge the u7000 chip. It should move but will bounce back, naturally. This corrects any solder ball shorts. Do this a few times and allow the board to cool.

              Then check the current sense loop circuit again for u7000.

              4) also post the resistance to ground for ppbus_g3h. No power, meter in resistance mode.

              Comment

              • DrFalken
                Senior Member
                • May 2008
                • 122

                #8
                Re: 820-2850-A: battery not detected

                Originally posted by mon2
                Few comments:

                1) PP3V42_G3H is a low value. Remove all power. Meter in resistance mode. What is the resistance to ground for PP3V42_G3H ?

                2) the current sense resistor values are critical. If wrong resistance then the wrong current will be sensed and will lead to shut down of u7000.

                3) are you confident that u7000 was properly soldered? Use high heat, initially low air pressure but with some flux on top side of u7000. Go in circles on top of u7000. Allow the chip to melt and sink naturally. Careful to not blow off surrounding parts. If needed, increase the air pressure. Then while balls are melted, use a tweezer to gently nudge the u7000 chip. It should move but will bounce back, naturally. This corrects any solder ball shorts. Do this a few times and allow the board to cool.

                Then check the current sense loop circuit again for u7000.

                4) also post the resistance to ground for ppbus_g3h. No power, meter in resistance mode.
                Thank you for the help !

                1) 176.6 KiloOhm
                2) I've replaced R7051 with a 2.2 Ohm but no progress
                3) In doubt I've removed it and replaced with a another brand new one, checked the solders but same issue
                4) 171.8 Ohm

                PP3V42_G3H stuck at 3.39V
                Last edited by DrFalken; 02-09-2022, 09:00 AM.

                Comment

                • mon2
                  Badcaps Legend
                  • Dec 2019
                  • 14669
                  • Canada

                  #9
                  Re: 820-2850-A: battery not detected

                  4) 171.8 Ohm
                  That is a low resistance for PPBUS_G3H.

                  Remove all power.

                  Remove fuse F7040 (for now). Then check the resistance to ground (2k scale is ok) on F7040, pin # 1 and then # 2 of the SMD pads.

                  Which side has the very low resistance ?

                  Is it the source (U7000 side) or the sink (pin # 2) ?

                  If pin # 2 is with the low resistance, power up without F7040 installed.

                  Then check the voltage on pin # 1 of the SMD pad -> now do you see a proper voltage for PPBUS_G3H ?

                  If not, leave this fuse OFF till we can get a proper voltage on PPBUS_G3H.

                  Measure PPDCIN_G3H.

                  Post your readings.

                  Comment

                  • DrFalken
                    Senior Member
                    • May 2008
                    • 122

                    #10
                    Re: 820-2850-A: battery not detected

                    Originally posted by mon2
                    That is a low resistance for PPBUS_G3H.

                    Remove all power.

                    Remove fuse F7040 (for now). Then check the resistance to ground (2k scale is ok) on F7040, pin # 1 and then # 2 of the SMD pads.

                    Which side has the very low resistance ?

                    Is it the source (U7000 side) or the sink (pin # 2) ?

                    If pin # 2 is with the low resistance, power up without F7040 installed.

                    Then check the voltage on pin # 1 of the SMD pad -> now do you see a proper voltage for PPBUS_G3H ?

                    If not, leave this fuse OFF till we can get a proper voltage on PPBUS_G3H.

                    Measure PPDCIN_G3H.

                    Post your readings.
                    F7040 removed:
                    PIN1 = 169 Ohm
                    PIN2 = 1.88 MegaOhm
                    PPDCIN_G3H (on Q7080 PIN8) = 16.29V - 16.48V

                    Comment

                    • mon2
                      Badcaps Legend
                      • Dec 2019
                      • 14669
                      • Canada

                      #11
                      Re: 820-2850-A: battery not detected

                      So the fault is in the source side = U7000 circuit. The input voltage to U7000 is good.

                      Perhaps one of the caps are damaged / shorted.

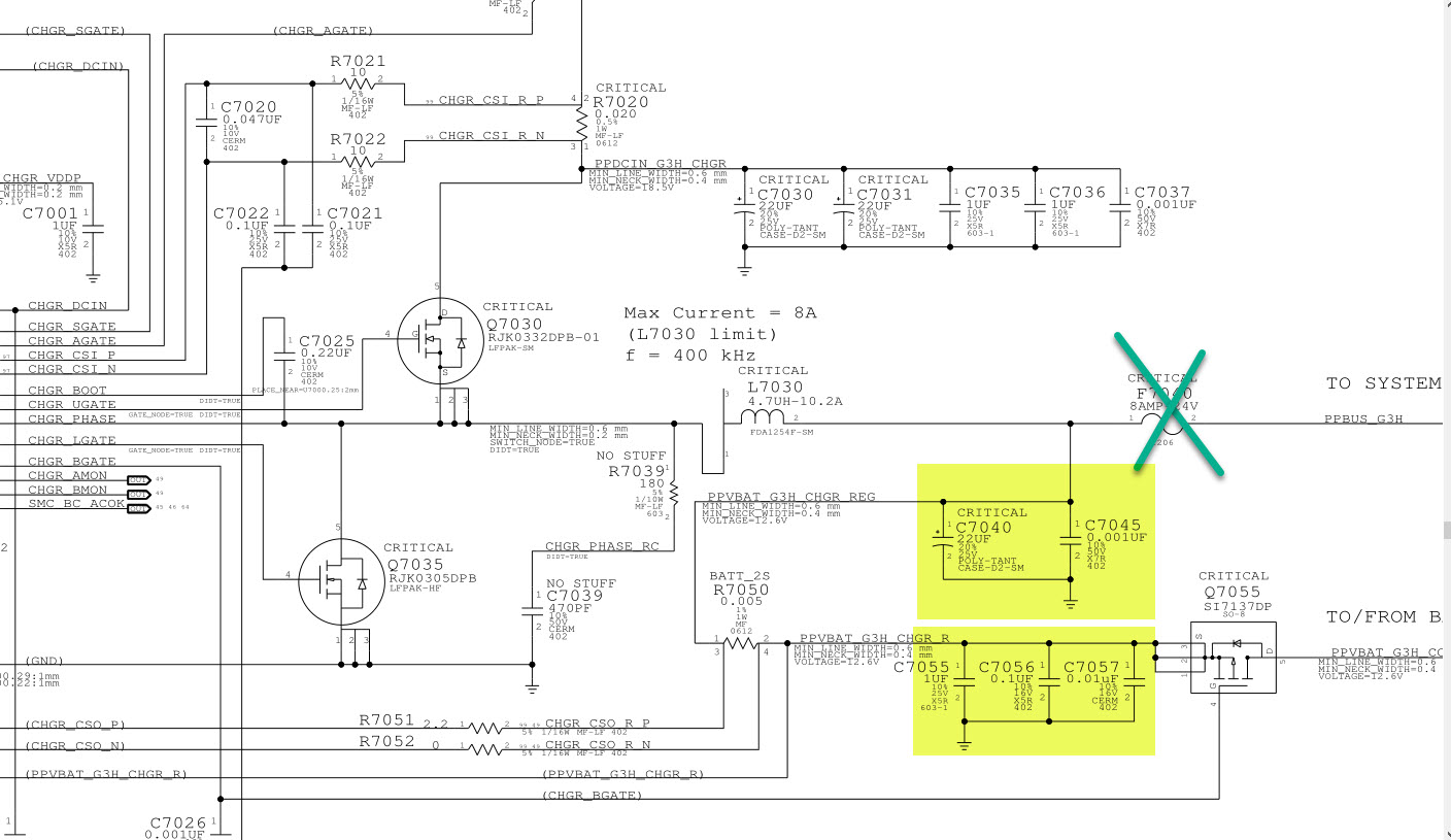
                      See attached.

                      Start with removing (just for now), the current sense resistors @ R7051 - remove only this one and then check if the resistance has changed on this line. Do not lose the resistor.

                      If no improvement on the resistance, proceed to remove the resistor @ R7052. Measure again. Do not lose the resistor.

                      Any improvement on the resistance ?

                      If you remove one leg of L7030 then you can create an isolated island of parts to narrow down which cluster of parts has the fault. However, L7030 will be with heavy solder and copper plane. Proceed to lift one leg but only if you feel comfortable.

                      Alternatively, as a guess, perhaps the fault is in one of the highlighted caps.

                      Consider to lift one leg of the 22uf @ C7040. Once the one leg is lifted, check the resistance to ground again on pad # 1 of fuse F7040.

                      Do not power up with these parts removed till the root cause can be fixed.
                      Attached Files

                      Comment

                      • DrFalken
                        Senior Member
                        • May 2008
                        • 122

                        #12
                        Re: 820-2850-A: battery not detected

                        Originally posted by mon2
                        So the fault is in the source side = U7000 circuit. The input voltage to U7000 is good.

                        Perhaps one of the caps are damaged / shorted.

                        See attached.

                        Start with removing (just for now), the current sense resistors @ R7051 - remove only this one and then check if the resistance has changed on this line. Do not lose the resistor.

                        If no improvement on the resistance, proceed to remove the resistor @ R7052. Measure again. Do not lose the resistor.

                        Any improvement on the resistance ?

                        If you remove one leg of L7030 then you can create an isolated island of parts to narrow down which cluster of parts has the fault. However, L7030 will be with heavy solder and copper plane. Proceed to lift one leg but only if you feel comfortable.

                        Alternatively, as a guess, perhaps the fault is in one of the highlighted caps.

                        Consider to lift one leg of the 22uf @ C7040. Once the one leg is lifted, check the resistance to ground again on pad # 1 of fuse F7040.

                        Do not power up with these parts removed till the root cause can be fixed.
                        R7051 removed, resistance to GND on F7040 pad 1 = 168.8 Ohm
                        R7052 removed, resistance to GND on F7040 pad 1 = 168.8 Ohm
                        L7030 removed completely, resistance to GND on F7040 pad 1 = over 200 MegaOhm...
                        C7040 removed completely, resistance to GND on F7040 pad 1 = over 200 MegaOhm...

                        C7040 = 23.17 uF
                        Last edited by DrFalken; 02-09-2022, 10:59 AM.

                        Comment

                        • mon2
                          Badcaps Legend
                          • Dec 2019
                          • 14669
                          • Canada

                          #13
                          Re: 820-2850-A: battery not detected

                          R7051 removed, resistance to GND on F7040 pad 1 = 168.8 Ohm

                          This part can be put back.

                          R7052 removed, resistance to GND on F7040 pad 1 = 168.8 Ohm

                          This part can be put back.

                          L7030 removed completely, resistance to GND on F7040 pad 1 = over 200 MegaOhm...

                          So this means that the bad cap is upstream and on the pin # 1 side of the removed L7030.

                          C7040 removed completely, resistance to GND on F7040 pad 1 = over 200 MegaOhm...

                          This part can be put back.


                          Leave the inductor @ L7030 off the logic board for now.

                          a) What is the resistance to ground for L7030, pin # 1 ?

                          b) What is the resistance to ground for C7030 ?

                          You may have a shorted mosfet. Can check this next.

                          Comment

                          • DrFalken
                            Senior Member
                            • May 2008
                            • 122

                            #14
                            Re: 820-2850-A: battery not detected

                            Originally posted by mon2
                            R7051 removed, resistance to GND on F7040 pad 1 = 168.8 Ohm

                            This part can be put back.

                            R7052 removed, resistance to GND on F7040 pad 1 = 168.8 Ohm

                            This part can be put back.

                            L7030 removed completely, resistance to GND on F7040 pad 1 = over 200 MegaOhm...

                            So this means that the bad cap is upstream and on the pin # 1 side of the removed L7030.

                            C7040 removed completely, resistance to GND on F7040 pad 1 = over 200 MegaOhm...

                            This part can be put back.


                            Leave the inductor @ L7030 off the logic board for now.

                            a) What is the resistance to ground for L7030, pin # 1 ?

                            b) What is the resistance to ground for C7030 ?

                            You may have a shorted mosfet. Can check this next.
                            Before I put back R7051, R7052 & C7040:
                            - resistance to ground for L7030, pin # 1 = 171.8 Ohm

                            I'm gonna put back R7051, R7052 & C7040 and update soon.

                            Comment

                            • mon2
                              Badcaps Legend
                              • Dec 2019
                              • 14669
                              • Canada

                              #15
                              Re: 820-2850-A: battery not detected

                              Ok. This confirms the short is to the left side of the schematic of U7000. That is, to the LEFT of L7030.

                              Still leave off L7030 till the root cause can be located. The other parts can be placed back on since they are innocent. If you do find that pin # 2 pad of L7030 sinks on the resistance then there is a fault on this group of parts but sounds like the fault is upstream.

                              Comment

                              • DrFalken
                                Senior Member
                                • May 2008
                                • 122

                                #16
                                Re: 820-2850-A: battery not detected

                                Originally posted by mon2
                                Ok. This confirms the short is to the left side of the schematic of U7000. That is, to the LEFT of L7030.

                                Still leave off L7030 till the root cause can be located. The other parts can be placed back on since they are innocent. If you do find that pin # 2 pad of L7030 sinks on the resistance then there is a fault on this group of parts but sounds like the fault is upstream.
                                Put back R7051, R7052 & C7040:
                                L7030 pad 1 = 170 Ohm
                                L7030 pad 2 >20 MegaOhm
                                C7030 pin 1 >20 MegaOhm

                                Comment

                                • mon2
                                  Badcaps Legend
                                  • Dec 2019
                                  • 14669
                                  • Canada

                                  #17
                                  Re: 820-2850-A: battery not detected

                                  Ok. Post the resistance to ground for C7030.

                                  Mosfet Q7035 may be shorted.

                                  After the above resistance check, do the follow (resistance checks are always with the power removed)

                                  Measure & post:

                                  resistance between SOURCE (1-2-3) & DRAIN (5-6-7-8) of Q7035

                                  resistance between SOURCE (1-2-3) & GATE (4) of Q7035

                                  resistance between GATE (4) & DRAIN (5-6-7-8) of Q7035

                                  Post each reading.

                                  Comment

                                  • DrFalken
                                    Senior Member
                                    • May 2008
                                    • 122

                                    #18
                                    Re: 820-2850-A: battery not detected

                                    Originally posted by mon2
                                    Ok. Post the resistance to ground for C7030.

                                    Mosfet Q7035 may be shorted.

                                    After the above resistance check, do the follow (resistance checks are always with the power removed)

                                    Measure & post:

                                    resistance between SOURCE (1-2-3) & DRAIN (5-6-7-8) of Q7035

                                    resistance between SOURCE (1-2-3) & GATE (4) of Q7035

                                    resistance between GATE (4) & DRAIN (5-6-7-8) of Q7035

                                    Post each reading.
                                    Q7035 left on board:
                                    resistance between SOURCE (1-2-3) & DRAIN (5-6-7-8) of Q7035 = 171.3 Ohm
                                    resistance between SOURCE (1-2-3) & GATE (4) of Q7035 = 46.9 Ohm
                                    resistance between GATE (4) & DRAIN (5-6-7-8) of Q7035 = 220 Ohm

                                    Sorry but I've to leave but will back tomorrow: if You have anything else to check, please post and I'll report tomorrow
                                    Thank you very much for your guide !

                                    Comment

                                    • mon2
                                      Badcaps Legend
                                      • Dec 2019
                                      • 14669
                                      • Canada

                                      #19
                                      Re: 820-2850-A: battery not detected

                                      Remove Q7035 from the logic board.

                                      Then check the resistance to ground of L7030, pin # 1 pad again.

                                      If the resistance improves and is no longer low, proceed to:

                                      a) check the resistance across the same combination of pins on the removed Q7035 mosfet. Likely the low resistance values will show while the part is no longer on the logic board.

                                      b) check the resistance to ground of the PCB pads where Q7035 was soldered to confirm that U7000 is not to blame. If there are low resistance readings with Q7035 off, post the values and can troubleshoot further.

                                      Suspecting that Q7035 is defective and needs to be replaced.

                                      Comment

                                      • DrFalken
                                        Senior Member
                                        • May 2008
                                        • 122

                                        #20
                                        Re: 820-2850-A: battery not detected

                                        Originally posted by mon2
                                        Remove Q7035 from the logic board.

                                        Then check the resistance to ground of L7030, pin # 1 pad again.
                                        Q7035 removed:
                                        L7030 pad #1 > 20 MegaOhm

                                        Originally posted by mon2
                                        If the resistance improves and is no longer low, proceed to:

                                        a) check the resistance across the same combination of pins on the removed Q7035 mosfet. Likely the low resistance values will show while the part is no longer on the logic board.
                                        Q7035 readings:
                                        resistance between SOURCE (1-2-3) & DRAIN (5-6-7-8) of Q7035 = 174.3 Ohm
                                        resistance between SOURCE (1-2-3) & GATE (4) of Q7035 = 49.6 Ohm
                                        resistance between GATE (4) & DRAIN (5-6-7-8) of Q7035 = 220 Ohm

                                        Originally posted by mon2

                                        b) check the resistance to ground of the PCB pads where Q7035 was soldered to confirm that U7000 is not to blame. If there are low resistance readings with Q7035 off, post the values and can troubleshoot further.

                                        Suspecting that Q7035 is defective and needs to be replaced.
                                        Resistance of PAD 1-2-3 to GND = GND
                                        Resistance of PAD 4 to GND > 20 MegaOhm
                                        Resistance of PAD 5-6-7-8 to GND > 20 MegaOhm

                                        Comment

                                        Related Topics

                                        Collapse

                                        • EvazX
                                          ASUS ROG G513QY – RX 6800M powered but not detected intermittently + random crashes (Motherboard: 6050A3254002-MB-Axx)
                                          by EvazX
                                          Hello everyone,

                                          I am working on an ASUS ROG G513QY laptop with RX 6800M dGPU.
                                          Originally, this laptop was completely non-functional. I replaced the motherboard (part number 6050A3254002-MB-Axx), and with the replacement board it started working fine.

                                          For a long time, the dGPU worked perfectly stable. I played several hundred hours on very demanding games such as Cyberpunk 2077 without any crashes, instability, or detection issues. Performance was excellent and there were no warning signs of failure.

                                          However, after some time, the replacement motherboard...
                                          08-25-2025, 06:09 PM
                                        • spacez
                                          XPS 15 9520 - tpm device is not detected - NO ssd detected
                                          by spacez
                                          I have an XPS 15 9520 with a damaged bios so I flashed another one from badcaps. in manufacturing mode I changed the service tag but unfortunately ssd is not detected and also the error -tpm device is not detected- please help me. I haven't changed the tpm chip yet. Thanks in advance

                                          Service Tag: J2MSHW3

                                          |Express Service Code: 41518077843

                                          mother board LA-L402P REV 1.0(A00)​...
                                          08-18-2024, 10:54 PM
                                        • Nikan.e
                                          Inno 3d RTX2070 not detected - no I²C connection
                                          by Nikan.e
                                          Greetings and Salutations!

                                          I have encountered a faulty GPU — an Inno3D RTX 2070 Twin. There was a shorted MOSFET on the Vcore rail.
                                          The faulty DrMOS was removed, and the burned PCB area was milled away.
                                          All voltages are now good, but the GPU is not being detected.

                                          I found that the CS pin of the BIOS (GPU) is not being pulled low, and thus, the GPU isn't detected.
                                          I wanted to measure the SM_Data and SM_Clock, but to my surprise, there is no connection at all.
                                          I thought these pins were used for communication during startup?!?

                                          On all...
                                          03-30-2025, 07:21 AM
                                        • superdota2
                                          HP 15s-FQ2552TU nvme drive not detected
                                          by superdota2
                                          HP 15s-FQ2552TU
                                          da0p5hmb8f1 rev f
                                          sn# 5CD138CCH4

                                          problem is power on but no display,no bios post

                                          i search bios here ,i found and it work and got display.
                                          https://www.badcaps.net/forum/showthread.php?t=104925

                                          second problem is nvme drive not detected in bios intel rapid storage,
                                          i tried a working nvme drive but still not detected in bios,

                                          also tried install system and install intel rapid driver,still not detected....
                                          06-21-2023, 09:36 PM
                                        • Scotchmist
                                          Lenovo thinkpad 15 itl g2 - No Hdd detected
                                          by Scotchmist
                                          Hi

                                          I got this laptop with bad onboard ram so edited the bios with SPD removal tool to disable the onboard ram and work with the ram slot - the laptop now posted so i thought all was good however when i put everything back together it will not boot to windows as no boot device found., In the bios is says hdd not detected, i disabled VMD in the bios but still the same, loaded windows on usb stick and windows install cannot find the hdd. I bought a second board that had water spill, repaired the damaged area and it posted ok but same issue no hdd detected.

                                          I have now tried...
                                          09-11-2024, 05:06 AM
                                        • Loading...
                                        • No more items.
                                        Working...