Hoping someone can help me with with troubleshooting this board.
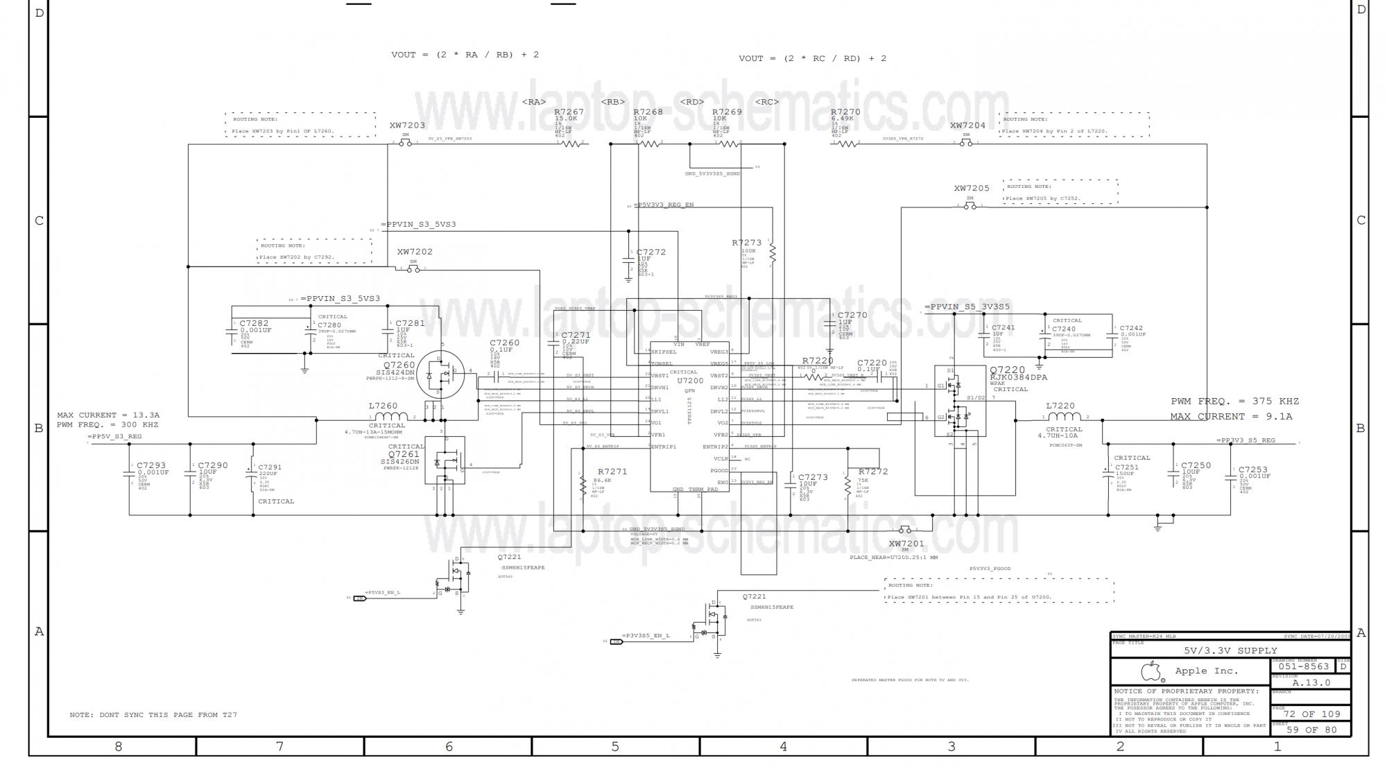
Its an 820-2879 from A1278.
Voltages all good at U7200 except at PP5V_S5 where im only getting 1.5v.
I had a spark while disconnecting cables. Yes stupidly forgot to disconnect battery first.
I could put a new U7200 on but waiting for a new rework station to be delivered.
Anyone like to take a guess if ive a bad u7200 or should I be looking at something else first.
Thanks
Its an 820-2879 from A1278.
Voltages all good at U7200 except at PP5V_S5 where im only getting 1.5v.
I had a spark while disconnecting cables. Yes stupidly forgot to disconnect battery first.
I could put a new U7200 on but waiting for a new rework station to be delivered.
Anyone like to take a guess if ive a bad u7200 or should I be looking at something else first.
Thanks