lenovo m30-70 power off after 5 seconds

Collapse
X
 
  • Time
  • Show
Clear All
new posts
  • casti3l
    Senior Member
    • Mar 2014
    • 95
    • romania

    #1

    lenovo m30-70 power off after 5 seconds

    hello i need help

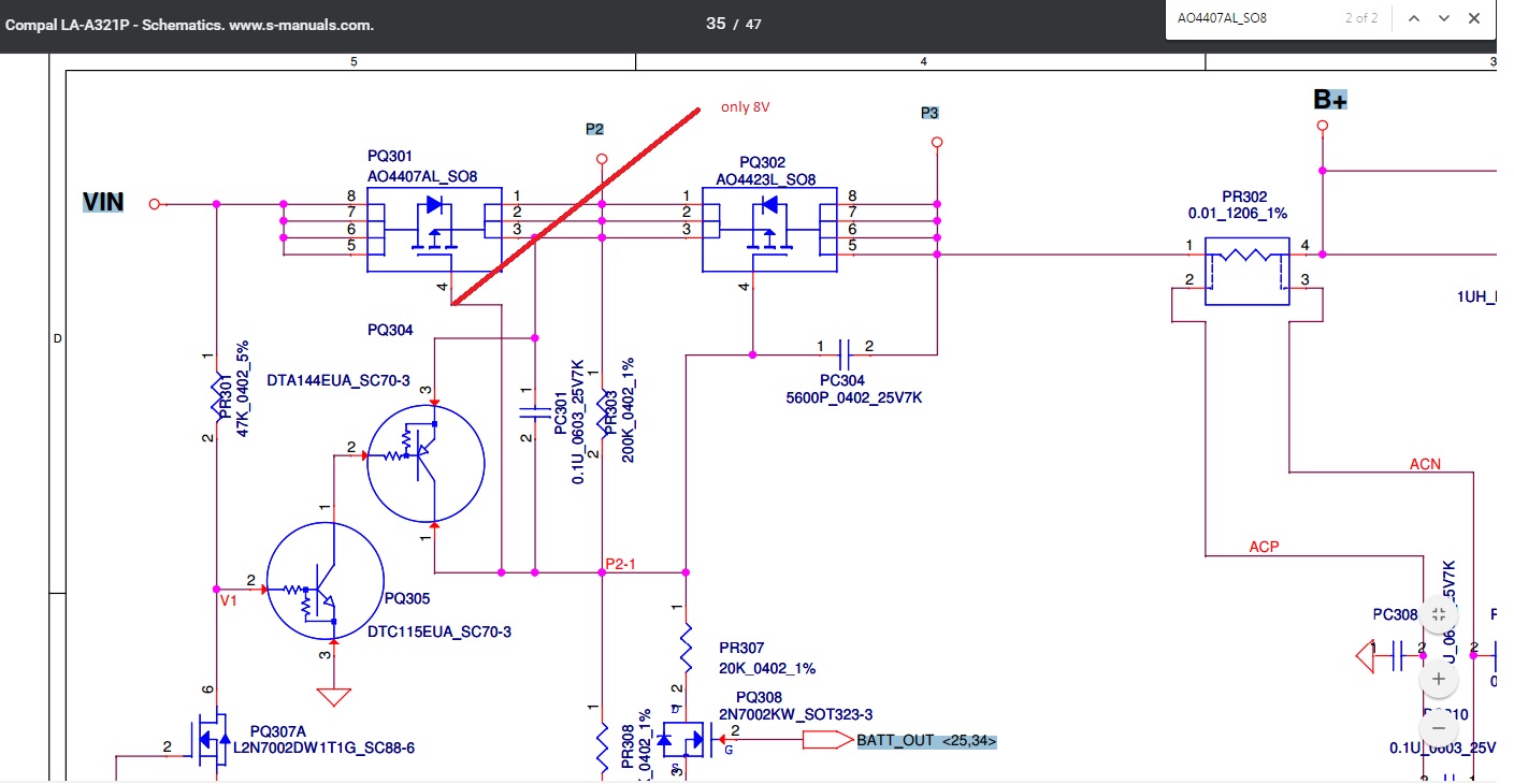
    i have a lenovo m30-70 after i power on, the led turn on , black screen and after 5-7 seconds is turning off.

    i measured the mossfet PQ301 and on the gate i have only 8v . i atached a printscreen with the schematic.

    thank you

    Attached Files
  • m1rc34
    New Member
    • Feb 2020
    • 2
    • Romania

    #2
    Re: lenovo m30-70 power off after 5 seconds

    Have you find out why or if is normal at all?

    Comment

    • Techtiger
      Badcaps Legend
      • Oct 2014
      • 1602
      • france

      #3
      Re: lenovo m30-70 power off after 5 seconds

      Originally posted by casti3l
      hello i need help

      i have a lenovo m30-70 after i power on, the led turn on , black screen and after 5-7 seconds is turning off.

      i measured the mossfet PQ301 and on the gate i have only 8v . i atached a printscreen with the schematic.

      thank you
      The voltage on the Gate is correct 8V PQ301 P channel fet

      Comment

      • Techtiger
        Badcaps Legend
        • Oct 2014
        • 1602
        • france

        #4
        Re: lenovo m30-70 power off after 5 seconds

        First do some basic stuff remove BIOS battery & the Battery hold the power key ect

        Comment

        • ktmmotocross
          Boardkiller
          • Feb 2014
          • 3627
          • slovakia

          #5
          Re: lenovo m30-70 power off after 5 seconds

          if it start that that circuit is fine.

          u must find coils with no voltage at start
          Last edited by ktmmotocross; 02-03-2020, 12:30 PM.

          Comment

          Related Topics

          Collapse

          • twonk9098
            Lenovo Legion 5 high fan spin turns off after 34 seconds
            by twonk9098
            Hi all,

            I have a Lenovo Legion 5 with a Ryzen 7 series CPU and RTX 3070 GPU. My issue is that it turns on and all seems fine except after a few seconds the fans spin up high and the laptop turns off after 34 seconds.
            I can get into bios and can even boot and login to Windows however after 34 seconds no matter if Im at the bios screen or booted into Windows it will just turn off.

            I have managed to run HWmonitor and the temperatures of the CPU and GPU are fine, I can also touch the heatsync which is warm but not hot.

            I have tried a few new bios but exactly...
            07-14-2024, 11:19 AM
          • liquidzorch
            Lenovo 15iml05 Power led lights for 12 seconds then off 12 seconds
            by liquidzorch
            Hello. I bought a faulty Lenovo ideapad 3, but it turns out the 3Valw buck converter burnt a hole through the board. I was able to clean it up, and remove all the shorts. I now can power the 3.3v rails from a bench power suppy while connecting the laptop to its psu, and I get the additional 5valw, 1.8v, and 1.05v, form what I can tell in the schematics, those are the only 4 voltages I should see before turning on, and they are present. When I hit the power button, the power indicator on the left side turns on (not the one on the power button), stays on for about 12 seconds, then turns off for...
            10-18-2024, 05:19 PM
          • acata
            Lenovo T470 Turn on and off in seconds while charge
            by acata
            Lenovo T470 turns on and off in seconds while charging. But it won't turn on without charging.
            The power supply generates 0.1A, turns on with the orange LED, the fan spins for 1 second, and off.

            It looks like the motherboard has some work previously on the CPU and another component. came to me also without cmos battery.

            I don't have boardview for further examination.
            Please kindly assist me to solve this problems..
            03-25-2025, 08:32 AM
          • lawrenceptrini
            Lenovo Ideapad 100-15ibd restarts every few seconds continuously.
            by lawrenceptrini
            Lenovo Ideapad 100-15ibd
            Laptop turns on and restarts every 7 seconds or so.
            Power led and Webcam led turn on and goes off repeatedly.
            Pressing the power button does absolutely nothing.
            Same thing happens whether the bios battery is connected or not.
            I tried resetting the bios, press power button to drain power etc.,
            but no change same thing. I tried numerous ram modules but same result.
            Using a desktop power supply I can see the amps going to zero and rebuilding,
            same thing with multimeter. Doesn't matter if I plug in adapter or main battery,...
            12-27-2024, 10:20 PM
          • ktmmotocross
            Lenovo Legion 5 Pro 16ACH6H bad crystal?, but now wont program. connection lost after 5 seconds
            by ktmmotocross
            Hello.
            Have this Lenovo Legion 5 Pro 16ACH6H that came with no start, only powerbutton light. i reflash bios and ec. no change. i replace one of soc cpu crystals and laptop start to work. but when i assemble it, keyboard not work. so i reflash back bios but when i try to reflash ec i get write error and now i connect to it but always read/write error and connection lost after 5 seconds.
            IC is ITE8277E - 256 programmer is vertyanov. i try to change back that crystal but still the same

            Lenovo Legion 5 Pro 16ACH6H
            NM-D562 rev3.0
            sn- PF31EESB

            any ...
            01-22-2024, 05:33 AM
          • Loading...
          • No more items.
          Working...