A2338 820-02020-A | Battery Not Detected/Random Reboots

Collapse
X
 
  • Time
  • Show
Clear All
new posts
  • grimacelord
    Badcaps Veteran
    • Jan 2017
    • 380
    • USA

    #1

    A2338 820-02020-A | Battery Not Detected/Random Reboots

    Hello,

    I have a A2338 MacBook Pro here that came to me because the battery wasn't being detected. The owner tried to replace the battery themselves thinking that the battery was the problem but the behavior continues even with their new aftermarket battery. They also accidentally ripped off the black plastic clasp to the battery flex cable connector @ J5151, but I pulled that off of a donor board and replaced that for them already. I did quickly check to see if that was simply the problem, but it's not.

    First thing I checked was I2C_SMC_PWR_3V3_SCL and I2C_SMC_PWR_3V3_SCA in diode mode with no power or battery connected. I found that I2C_SMC_PWR_3V3_SCA is showing a short on that line reading at 0.015V. I2C_SMC_PWR_3V3_SCL reads 0.624V in diode mode. I then checked the schematic and tried removing any of the components on that line that are attached to ground to try and find which component is shorted. I removed U5150, CD201, and UD201, but the short remains. So then I checked to see if there is also a short present on PP3V3_AON and PP3V3_S2, but there is not.

    I'm still learning this type of repairs, but from my limited knowledge and looking at the schematic, I am failing to see what other components could be responsible for bringing the I2C_SMC_PWR_3V3_SCA line short to ground.

    I am really not sure what I need to check next, so I was hoping someone could help me out here. Thank you.
  • mon2
    Badcaps Legend
    • Dec 2019
    • 14666
    • Canada

    #2
    Post pics of the removed UD201 and U5150 areas of the board.

    With these parts removed, there should be no short on I2C_SMC_PWR_3V3_SDA / I2C_SMC_PWR_3V3_SCL.

    Remove all power. Meter in resistance mode (not diode mode). Measure the resistance to ground on:

    I2C_SMC_PWR_3V3_SCL
    I2C_SMC_PWR_3V3_SDA


    Post the measurements in ohms.

    Comment

    • grimacelord
      Badcaps Veteran
      • Jan 2017
      • 380
      • USA

      #3
      Originally posted by mon2
      Post pics of the removed UD201 and U5150 areas of the board.

      With these parts removed, there should be no short on I2C_SMC_PWR_3V3_SDA / I2C_SMC_PWR_3V3_SCL.

      Remove all power. Meter in resistance mode (not diode mode). Measure the resistance to ground on:

      I2C_SMC_PWR_3V3_SCL
      I2C_SMC_PWR_3V3_SDA


      Post the measurements in ohms.
      I2C_SMC_PWR_3V3_SCL - (In Ohms scale on my multimeter) reads 0L. (if I set to auto-range - 13.53kohms)
      I2C_SMC_PWR_3V3_SDA - 11.4 Ohms

      Attached are pictures from the two areas as requested. Please disregard my flux stains that surrounds the area. I will clean that up later. I tried to cleanup the area you're interested in a bit with some isopropyl alcohol so what you're seeing surrounding the area is flux.
      Attached Files

      Comment

      • grimacelord
        Badcaps Veteran
        • Jan 2017
        • 380
        • USA

        #4
        The only other thing I can think of is the battery flex cable connector itself, J5151. I have removed all of the components on the I2C_SMC_PWR_3V3_SDA line that could be responsible for bringing it short to ground and the short is still there. The only component I haven't removed yet is J5151. Could that be the culprit? And if not, what else could it be? Internal short?

        Comment

        • grimacelord
          Badcaps Veteran
          • Jan 2017
          • 380
          • USA

          #5
          Wow. That was it. The connector was the problem. As soon as I removed the connector J5151, the short cleared. Thanks for your help mon2. Solved.

          Comment

          • mon2
            Badcaps Legend
            • Dec 2019
            • 14666
            • Canada

            #6
            Well done. I was on the sidelines on this one but at least we can agree that it is logical for the suspected region of the defect. Good job!!

            Comment

            • grimacelord
              Badcaps Veteran
              • Jan 2017
              • 380
              • USA

              #7
              Back again. Not quite fixed. Removing J5151 did indeed clear the short, but it hasn't fixed the problem of the computer not detecting the battery. I soldered a brand new J5151 connector onto the board, reassembled everything, and the computer still does not detect a battery and the fan spins high. I decided to measure the voltage this time and here is what I have:

              I2C_SMC_PWR_3V3_SDA - 0.735V
              I2C_SMC_PWR_3V3_SDL - 0.735V
              PP3V3_AON - 3.3V

              I did change UD201 and U5150 from a donor board, but it made no difference at all. I suppose they could have been bad components from the donor board as well, but the behavior didn't change whatsoever.

              Can you help me out again, mon2?
              Last edited by grimacelord; 07-25-2025, 10:03 AM.

              Comment

              • grimacelord
                Badcaps Veteran
                • Jan 2017
                • 380
                • USA

                #8
                Also, I tested for continuity from the test points on the logic board for both I2C_SMC_PWR_3V3_SDA and I2C_SMC_PWR_3V3_SDL to the battery side of the flex cable connector to make sure J5151 was soldered on well and the battery flex cable isn't broken and it's not. There is continuity.

                Comment

                • mon2
                  Badcaps Legend
                  • Dec 2019
                  • 14666
                  • Canada

                  #9
                  I2C_SMC_PWR_3V3_SDA - 0.735V
                  I2C_SMC_PWR_3V3_SDL - 0.735V
                  These are too low. You may be missing the required pull-up resistor on these SMBUS lines or the actual voltage rail for the pull-up resistors. These pins are open-drain by design. They either sink the lines to ground or allow them to float. When floating, you must have external pull-up resistors on each line to park them to the logic '1' state.

                  Comment

                  • grimacelord
                    Badcaps Veteran
                    • Jan 2017
                    • 380
                    • USA

                    #10
                    Originally posted by mon2

                    These are too low. You may be missing the required pull-up resistor on these SMBUS lines or the actual voltage rail for the pull-up resistors. These pins are open-drain by design. They either sink the lines to ground or allow them to float. When floating, you must have external pull-up resistors on each line to park them to the logic '1' state.
                    Would the required pull-up resistors for these lines be RD207 and RD208? If so, both of those resistors read 6.7kohms, but the schematic says that they should be 4.7kohms. I checked my donor board and they read 6.7kohms on that board as well. Also, if those are the correct resistors, then to me, it looks like PP3V3_AON is the voltage rail for those resistors and I do have 3.3V on that rail.

                    So if all of that looks alright, could it be that UD201 and U5150 I pulled from the donor board may have also been faulty or would truly faulty UD201 and U5150​ present itself differently from what I am seeing?
                    Last edited by grimacelord; 07-25-2025, 02:18 PM.

                    Comment

                    • mon2
                      Badcaps Legend
                      • Dec 2019
                      • 14666
                      • Canada

                      #11
                      I think you mean:

                      UD102
                      UD150


                      level shifters? Are these BOTH level shifters onboard? To me, this is a strange arrangement to have 2 different levels shifters with different operating voltages paired together.

                      Click image for larger version

Name:	level.png
Views:	86
Size:	106.6 KB
ID:	3690633

                      Comment

                      • grimacelord
                        Badcaps Veteran
                        • Jan 2017
                        • 380
                        • USA

                        #12
                        Originally posted by mon2
                        I think you mean:

                        UD102
                        UD150


                        level shifters? Are these BOTH level shifters onboard? To me, this is a strange arrangement to have 2 different levels shifters with different operating voltages paired together.

                        Click image for larger version

Name:	level.png
Views:	86
Size:	106.6 KB
ID:	3690633
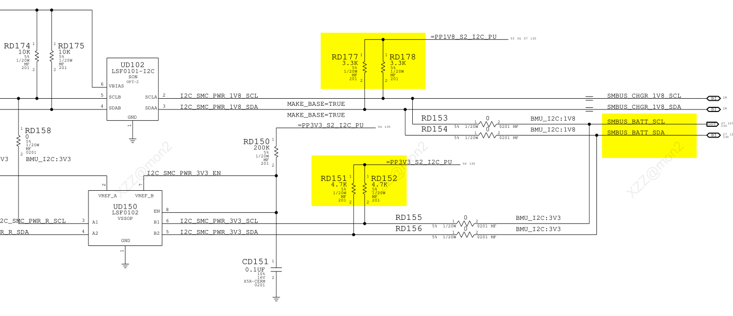
                        Our schematics seem to have components labeled differently from one another. Mine has different labeling than yours. See attachment.

                        Yes, BOTH components "UD___" are on the board.
                        Attached Files

                        Comment

                        • mon2
                          Badcaps Legend
                          • Dec 2019
                          • 14666
                          • Canada

                          #13
                          Your schematic makes more sense than the one in my (paid) database service.

                          Confirm the pull-up voltage is present on the pull-up resistors.

                          Click image for larger version

Name:	pullup.png
Views:	72
Size:	64.4 KB
ID:	3692260

                          Comment

                          • grimacelord
                            Badcaps Veteran
                            • Jan 2017
                            • 380
                            • USA

                            #14
                            Originally posted by mon2
                            Your schematic makes more sense than the one in my (paid) database service.

                            Confirm the pull-up voltage is present on the pull-up resistors.

                            Click image for larger version

Name:	pullup.png
Views:	72
Size:	64.4 KB
ID:	3692260
                            Both resistors read 3.23V although they are not stable and fluctuate between 3.22-3.23V, barely a difference but I figured it might be worth pointing out. Either way, they're still not 3.3V, as they should be.

                            Comment

                            • mon2
                              Badcaps Legend
                              • Dec 2019
                              • 14666
                              • Canada

                              #15
                              Remove all power. measure the resistance to ground of the same 3v23 power rail. What is the resistance in ohms?

                              Comment

                              • grimacelord
                                Badcaps Veteran
                                • Jan 2017
                                • 380
                                • USA

                                #16
                                Originally posted by mon2
                                Remove all power. measure the resistance to ground of the same 3v23 power rail. What is the resistance in ohms?
                                In Ohms scale:

                                RD208 - (I2C_SMC_PWR_3V3_SCA) - OL
                                RD207 (I2C_SMC_PWR_3V3_SCL) - OL

                                If I switch the multimeter to Auto-Range, it reads:

                                RD208 - (I2C_SMC_PWR_3V3_SCA) - 4.55 MOhm
                                RD207 (I2C_SMC_PWR_3V3_SCL) - 4.44 MOhm

                                Comment

                                • mon2
                                  Badcaps Legend
                                  • Dec 2019
                                  • 14666
                                  • Canada

                                  #17
                                  Assuming you have fresh batteries in your meter, the rail to me is a bit on the lower side as compared to the expected 3v3 but is not shorted.

                                  Confirm the resistance across each of these resistors. Do they match the schematic values?

                                  The next fault may be with the level shifters themselves. Confirm the level shifter is being powered. Measure the voltage to ground on the other side of the same signals = pins 3 and 4 of the level shifter.

                                  Comment

                                  • grimacelord
                                    Badcaps Veteran
                                    • Jan 2017
                                    • 380
                                    • USA

                                    #18
                                    Originally posted by mon2
                                    Assuming you have fresh batteries in your meter, the rail to me is a bit on the lower side as compared to the expected 3v3 but is not shorted.

                                    Confirm the resistance across each of these resistors. Do they match the schematic values?

                                    The next fault may be with the level shifters themselves. Confirm the level shifter is being powered. Measure the voltage to ground on the other side of the same signals = pins 3 and 4 of the level shifter.
                                    Both of those resistors read 6.7kohms, but the schematic says that they should be 4.7kohms. I checked my donor board and they read 6.7kohms on that board as well. A different thread I was reading on here from another user also reported his resistors to be 6.7kohms as well so I don't know if the schematic is correctly reporting the true value or not.

                                    UD201: (The pins themselves are inaccessible under the chip, so I have to measure from nearby components)
                                    Pin 3 (as measured by Pin 2 of RD200 next to it) - 1.25V
                                    Pin 4 - (as measured by Pin 2 of RD201 next to it) - 1.25V

                                    Comment

                                    • mon2
                                      Badcaps Legend
                                      • Dec 2019
                                      • 14666
                                      • Canada

                                      #19
                                      The input signals imply that the output should follow and be pulled to the 3v3 but they are not. The pull-up resistance is not super critical. We often use even 10k pull-ups on our many designs for I2C / SMBUS interfacing.

                                      Has UD201 been worked on? Flux and reflow it. This part may be defective.

                                      Comment

                                      • grimacelord
                                        Badcaps Veteran
                                        • Jan 2017
                                        • 380
                                        • USA

                                        #20
                                        Originally posted by mon2
                                        The input signals imply that the output should follow and be pulled to the 3v3 but they are not. The pull-up resistance is not super critical. We often use even 10k pull-ups on our many designs for I2C / SMBUS interfacing.

                                        Has UD201 been worked on? Flux and reflow it. This part may be defective.
                                        Yes, UD201 was replaced with a donor from a donor board, but admittedly, the donor component may have been defective itself. I am not sure. Neither the original component nor the donor is working. I have already sourced a replacement at Digikey. Do you think it would make sense to buy new ones at this point?

                                        Comment

                                        Related Topics

                                        Collapse

                                        • Instafixx
                                          Macbook A2338 Amp Meter Reboots
                                          by Instafixx
                                          Hello,
                                          Namaste.

                                          I have a Macbook A2338 that came in for turning on issue. It turned on once when i had it but then again went off. The amp meter but bootloop. The board was clean - no dust - no green .

                                          I performed a DFU Revive. Got the error 4042. Assumed BAD SSD. But it turned on , worked well for 1 day and again went off.

                                          Anything can be done ?The customer needs data
                                          09-27-2023, 02:25 AM
                                        • bibinskii
                                          Macbook Pro M1 (A2338) - Not Charging but Detected and Post
                                          by bibinskii
                                          A client showed up with a Macbook Pro M1 stating that the battery doesn't get charged (no increase in percentage) but still charge. She left me with the battery 25% and still draining. The Macbook is fully functional. I checked with coconut battery and system report. Battery health shows 85% and stating normal condition, no abnormalities. When it is charging, the system says it takes 10 hour to finish charging. I went ahead to charge it for a longer period, the battery just drains (doesn't get charged).

                                          At first, I thought that this must be a battery issue. I went to replace the battery....
                                          07-22-2024, 12:22 AM
                                        • todordm
                                          Macbook A2338 / A2337 - Replace SSD
                                          by todordm
                                          There are a lot of Video Tutorials how the SSD of A2338 or A2337 can be upgraded. Normally they say you can order the bigger SSD chips (0 and 1) from China. But as far as I understand you can take the SSD chips of one A2337/A2338 and install on another, put to DFU mode, do the recovery, reinstall etc... I tried that several times (tried to upgrade 256GB to 512Gb, then to 1TB, then to another 256Gb)... nothing worked. So my question to the community is: can I just take the SSD chips from one A2338 and intall them on another A2338 (taking care of course of the 0 and 1 positions)? Or I have always...
                                          01-17-2024, 03:55 AM
                                        • EvazX
                                          ASUS ROG G513QY – RX 6800M powered but not detected intermittently + random crashes (Motherboard: 6050A3254002-MB-Axx)
                                          by EvazX
                                          Hello everyone,

                                          I am working on an ASUS ROG G513QY laptop with RX 6800M dGPU.
                                          Originally, this laptop was completely non-functional. I replaced the motherboard (part number 6050A3254002-MB-Axx), and with the replacement board it started working fine.

                                          For a long time, the dGPU worked perfectly stable. I played several hundred hours on very demanding games such as Cyberpunk 2077 without any crashes, instability, or detection issues. Performance was excellent and there were no warning signs of failure.

                                          However, after some time, the replacement motherboard...
                                          08-25-2025, 06:09 PM
                                        • spacez
                                          XPS 15 9520 - tpm device is not detected - NO ssd detected
                                          by spacez
                                          I have an XPS 15 9520 with a damaged bios so I flashed another one from badcaps. in manufacturing mode I changed the service tag but unfortunately ssd is not detected and also the error -tpm device is not detected- please help me. I haven't changed the tpm chip yet. Thanks in advance

                                          Service Tag: J2MSHW3

                                          |Express Service Code: 41518077843

                                          mother board LA-L402P REV 1.0(A00)​...
                                          08-18-2024, 10:54 PM
                                        • Loading...
                                        • No more items.
                                        Working...