Try our new boardview, bios, & schematic search. Over 1.3 million files for download!

HP16 DAG3MMB3AAO REV A No power on, no led charger

Collapse
X
 
  • Time
  • Show
Clear All
new posts
  • judamex
    Active Member
    • Jan 2021
    • 195
    • Mexico
    • BIOS, Learn fix motherboards

    #1

    HP16 DAG3MMB3AAO REV A No power on, no led charger

    I have an HP 16 DAG3MMB3AAO REV A. The charge LED doesn't turn on.
    So far, I've checked the three input MOSFETs, and all three seem to be in perfect condition. The charge IC is a BQ24781. The voltages I've checked are:
    VCC: 19V
    REGN: 6V
    ACDET: 2.45
    ACOK: 2.85

    It's striking that I don't have voltages on the ACP, ACN, and CMSRC.
    I'm a bit stuck on how this controller works and why it won't turn on.​
  • mon2
    Badcaps Legend
    • Dec 2019
    • 16104
    • Canada

    #2
    Reference:
    https://www.youtube.com/watch?v=L2eu...thraLaptopCare

    What is the voltage to ground of ACDRV?

    Remove all power. Meter in resistance mode. Measure the resistance to ground of ACP. Then the resistance to ground of ACN.

    Finally, measure the resistance between the pins ACP and ACN. Do so with the meter probes directly on the ACP and ACN pins. We are interested in the full path resistance of these 2 pins. Post each measurement.

    If you have a schematic, post the link to the schematic but only share the schematic inside the sub-forum for schematics.

    Comment

    • mcplslg123
      Badcaps Legend
      • Jun 2015
      • 7262
      • india

      #3
      Since CMSRC is missing,ACDRV has to be low only. ACDRV goes high only when you have ACDET/ACOK and CMSRC present.

      How you checked the DC-IN mosfets? Please share the readings in resistance mode between
      01.Drain-Source
      02.Drain -gate
      03.Source-Gate

      Comment

      • Sephir0th
        Badcaps Legend
        • Oct 2020
        • 1299
        • Germany
        • Chip-Level-Repair

        #4
        And the share model of the DC-IN Mosfets when they are fine. Absolute possible that these are NOT controlled by the charging controller if they are P-Channel.
        FairRepair on YouTube

        Comment

        • judamex
          Active Member
          • Jan 2021
          • 195
          • Mexico
          • BIOS, Learn fix motherboards

          #5
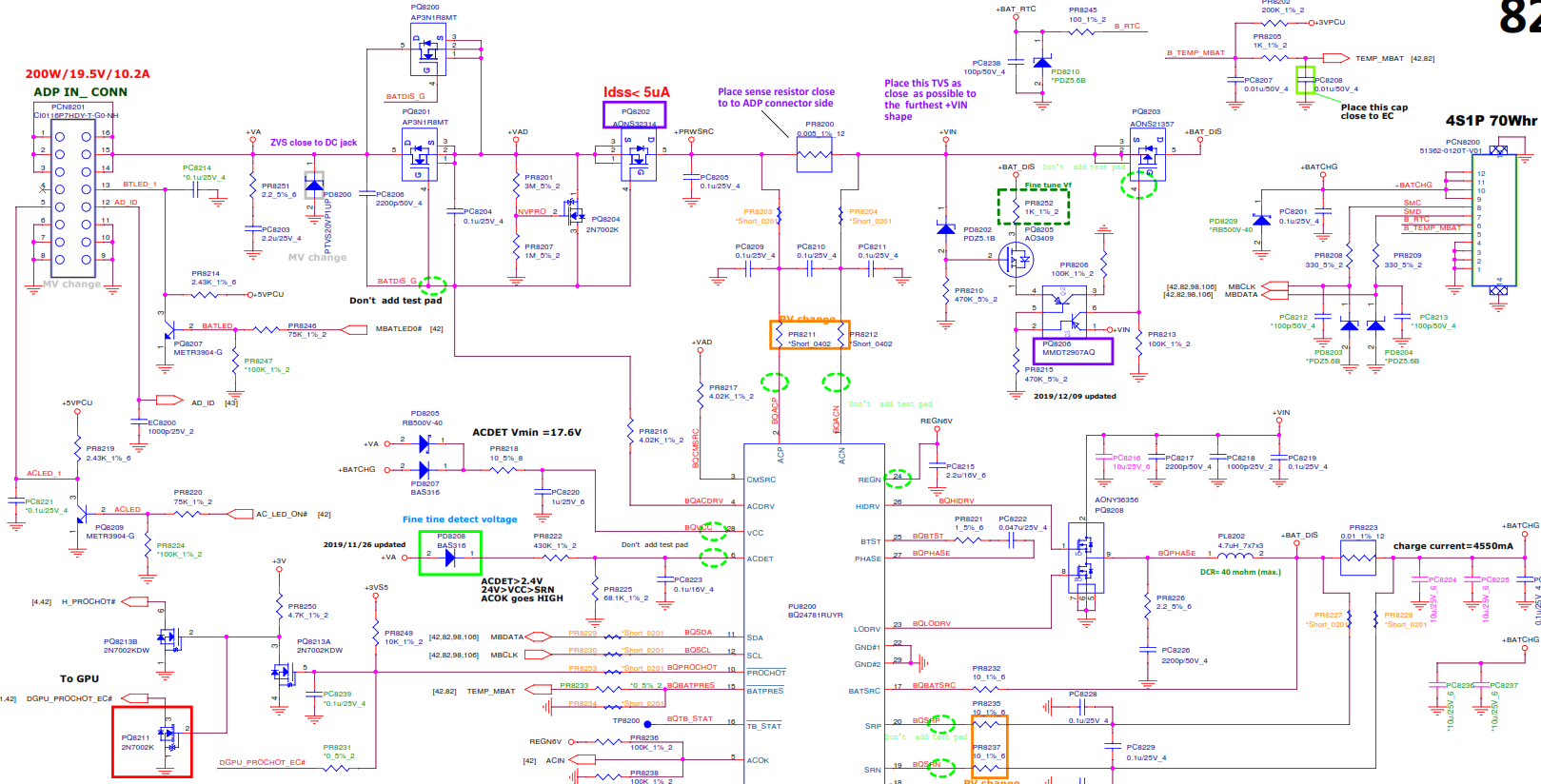
          I am guided by the following schematic diagram
          Click image for larger version

Name:	Charger.png
Views:	218
Size:	383.2 KB
ID:	3660479

          These are the mosfets on the input line

          Comment

          • judamex
            Active Member
            • Jan 2021
            • 195
            • Mexico
            • BIOS, Learn fix motherboards

            #6
            Originally posted by mcplslg123
            Since CMSRC is missing,ACDRV has to be low only. ACDRV goes high only when you have ACDET/ACOK and CMSRC present.

            How you checked the DC-IN mosfets? Please share the readings in resistance mode between
            01.Drain-Source
            02.Drain -gate
            03.Source-Gate
            Mosfet 1 diode mode
            Drain (R) - Source (B)= .OL
            Drain(R) Gate(B)=.OL
            Source (R) Gate(B)=0.592

            Mosfet 2 diode mode
            Drain (R) - Source (B)= .OL
            Drain(R) Gate(B)=.OL
            Source (R) Gate(B)=0.592

            Mosfet 3 diode mode
            Drain (R) - Source (B)= 1.8
            Drain(R) Gate(B)=.OL
            Source (R) Gate(B)=0.590

            Comment

            • judamex
              Active Member
              • Jan 2021
              • 195
              • Mexico
              • BIOS, Learn fix motherboards

              #7
              Originally posted by mon2
              Reference:
              https://www.youtube.com/watch?v=L2eu...thraLaptopCare

              What is the voltage to ground of ACDRV?

              Remove all power. Meter in resistance mode. Measure the resistance to ground of ACP. Then the resistance to ground of ACN.

              Finally, measure the resistance between the pins ACP and ACN. Do so with the meter probes directly on the ACP and ACN pins. We are interested in the full path resistance of these 2 pins. Post each measurement.

              If you have a schematic, post the link to the schematic but only share the schematic inside the sub-forum for schematics.
              ACDRV (pin4) its on = 0.010V
              Resistence between pin APC and ACD is 0.9 ohm

              Comment

              • mon2
                Badcaps Legend
                • Dec 2019
                • 16104
                • Canada

                #8
                Resistence between pin APC and ACD is 0.9 ohm
                Between ACP & ACN?

                What is the resistance to ground of ACN?

                Comment

                • judamex
                  Active Member
                  • Jan 2021
                  • 195
                  • Mexico
                  • BIOS, Learn fix motherboards

                  #9
                  Originally posted by mon2

                  Between ACP & ACN?

                  What is the resistance to ground of ACN?
                  yep, between ACP(pin1) & ACN(pin2) = 0.9ohm
                  resistance for ACN(Red) to GND(Black) =15.45k

                  Comment

                  • mon2
                    Badcaps Legend
                    • Dec 2019
                    • 16104
                    • Canada

                    #10
                    Using the lowest resistance scale on your meter, touch the probes together. What is the resistance?

                    Comment

                    • judamex
                      Active Member
                      • Jan 2021
                      • 195
                      • Mexico
                      • BIOS, Learn fix motherboards

                      #11
                      Originally posted by mon2
                      Using the lowest resistance scale on your meter, touch the probes together. What is the resistance?
                      Touching the 2 probes, this is the reading I got on the lowest measurement my multimeter has.
                      Click image for larger version

Name:	WhatsApp Image 2025-06-16 at 9.46.44 PM.jpg
Views:	163
Size:	99.7 KB
ID:	3660876
                      This is the reading by touching ACN(Pin 1) ACP (pin 2)

                      Click image for larger version

Name:	WhatsApp Image 2025-06-16 at 9.46.44 PM (1).jpg
Views:	145
Size:	68.2 KB
ID:	3660877

                      Comment

                      • mon2
                        Badcaps Legend
                        • Dec 2019
                        • 16104
                        • Canada

                        #12
                        Measure each leg of the pcb traces. Measure ACP pin to the entry of the current sense resistor. It should 0R ohms. Repeat with ACN to the other side of the same resistor. Should be 0R ohms again. We are assuming the posted partial schematic is the same as your board.

                        Comment

                        • judamex
                          Active Member
                          • Jan 2021
                          • 195
                          • Mexico
                          • BIOS, Learn fix motherboards

                          #13
                          Originally posted by mon2
                          Measure each leg of the pcb traces. Measure ACP pin to the entry of the current sense resistor. It should 0R ohms. Repeat with ACN to the other side of the same resistor. Should be 0R ohms again. We are assuming the posted partial schematic is the same as your board.
                          the resistance between ACN (Pin1) and the sensing resistor (PR8200) is 0.6 as is ACP (Pin2) with (PR8200) is 0.6

                          Comment

                          • Sephir0th
                            Badcaps Legend
                            • Oct 2020
                            • 1299
                            • Germany
                            • Chip-Level-Repair

                            #14
                            ACDET is barely on the border of showing a acceptable voltage (2.4V min.) So maybe worth to take a look here and see what happens when higher voltage (2.6V - 2.7V) reaches this pin.

                            Other than that the BQ24781 are known for notorious failing. So I guess the "Brute-force" method, so simply to replace it would be a option here. Iirc it is interchangeable with BQ24780S.
                            FairRepair on YouTube

                            Comment

                            • judamex
                              Active Member
                              • Jan 2021
                              • 195
                              • Mexico
                              • BIOS, Learn fix motherboards

                              #15
                              Originally posted by Sephir0th
                              ACDET is barely on the border of showing a acceptable voltage (2.4V min.) So maybe worth to take a look here and see what happens when higher voltage (2.6V - 2.7V) reaches this pin.

                              Other than that the BQ24781 are known for notorious failing. So I guess the "Brute-force" method, so simply to replace it would be a option here. Iirc it is interchangeable with BQ24780S.
                              I replaced it with a BQ24780S and the conditions remain exactly the same. How could I increase the AC voltage? It's currently 2.49. Could I remove or change the value of any resistors?
                              Click image for larger version

Name:	WIN_20250620_17_17_33_Pro.jpg
Views:	181
Size:	364.2 KB
ID:	3663882

                              Comment

                              • mon2
                                Badcaps Legend
                                • Dec 2019
                                • 16104
                                • Canada

                                #16
                                Yes.

                                1) Review the calculator here:

                                https://learn.sparkfun.com/tutorials...e-dividers/all

                                2) Use 19v as input and the resistor values onboard your logic board.

                                Use this video as guidance:

                                https://youtu.be/L2eurrCKT2k?t=327

                                3) Based on the video and shown typical resistor values, the ACDET should be ~2v59. Locate the resistors on pin # 6 (ACDET) of the charger IC.

                                4) Carefully flux and remove the resistors to measure their resistance. Compare the values to the YT video. To raise the voltage, use a lower resistance value for the low side (the resistor that is going to ground) resistor. Be sure to stuff the next resistor value into the above calculator to understand the expected voltage. Do not power up without the resistors in place and be sure the final voltage is within spec for this charger IC (use the public datasheet for the BQ24780S to understand this specific charger IC).

                                Comment

                                • judamex
                                  Active Member
                                  • Jan 2021
                                  • 195
                                  • Mexico
                                  • BIOS, Learn fix motherboards

                                  #17
                                  Originally posted by mon2
                                  Yes.

                                  1) Review the calculator here:

                                  https://learn.sparkfun.com/tutorials...e-dividers/all

                                  2) Use 19v as input and the resistor values onboard your logic board.

                                  Use this video as guidance:

                                  https://youtu.be/L2eurrCKT2k?t=327

                                  3) Based on the video and shown typical resistor values, the ACDET should be ~2v59. Locate the resistors on pin # 6 (ACDET) of the charger IC.

                                  4) Carefully flux and remove the resistors to measure their resistance. Compare the values to the YT video. To raise the voltage, use a lower resistance value for the low side (the resistor that is going to ground) resistor. Be sure to stuff the next resistor value into the above calculator to understand the expected voltage. Do not power up without the resistors in place and be sure the final voltage is within spec for this charger IC (use the public datasheet for the BQ24780S to understand this specific charger IC).
                                  I changed both resistors to 470k and 75k respectively, obtaining 2.56V in ACDET, but the result is the same, neither the charging LED lights up, nor is there any change.

                                  Comment

                                  • judamex
                                    Active Member
                                    • Jan 2021
                                    • 195
                                    • Mexico
                                    • BIOS, Learn fix motherboards

                                    #18
                                    I changed them again, now I put the first resistor as 430k and the second with 75k, getting 2.71V but still nothing happens, there is no LED and there is no ACDRV, nor ACP or ACN

                                    Comment

                                    • mon2
                                      Badcaps Legend
                                      • Dec 2019
                                      • 16104
                                      • Canada

                                      #19
                                      Ok.

                                      what is the resistance to ground on ACN pin? No power to the board while testing resistance or diode mode.

                                      what is the voltage to ground of:

                                      acok
                                      regn
                                      vcc
                                      cmsrc


                                      on the charger ic?

                                      Comment

                                      • judamex
                                        Active Member
                                        • Jan 2021
                                        • 195
                                        • Mexico
                                        • BIOS, Learn fix motherboards

                                        #20
                                        Originally posted by mon2
                                        Ok.

                                        what is the resistance to ground on ACN pin? No power to the board while testing resistance or diode mode.

                                        what is the voltage to ground of:

                                        acok
                                        regn
                                        vcc
                                        cmsrc


                                        on the charger ic?
                                        The resistance between "acn" and GND: 15.5K.

                                        The voltage at the following points is:
                                        acok: 2.88V
                                        regn: 6.07V
                                        vcc: 19.32V
                                        cmsrc: 0.015V
                                        acdet: 2.7v

                                        Comment

                                        Related Topics

                                        Collapse

                                        • motormayhem
                                          Lenovo T460 Only Charges on One Charger
                                          by motormayhem
                                          Laptop Question
                                          Hello,
                                          I'm working on a Lenovo T460 that has been having trouble charging as of late. Its worked well since I've owned it for a few years. When I went to use it the other day it was dead and wouldn't turn on (was sitting on an Anker 65W GaN charger). After some fiddling with the charger I got it to turn on and start charging, but seemed like the charger was not working as it should (took a few plug and unplug cycles to get it to start charging).

                                          A day later it was dead again and wouldn't boot/charge no matter what I did. No lights or anything when...
                                          05-12-2023, 01:46 PM
                                        • cind12
                                          GTX 1080 TI Gigabyte Aorus low resistance on vmem
                                          by cind12
                                          Hi guys, i was wondering, i've got 9Ohms on Vmem, one of the mosfet was shortet to ground, so i've desoldered hi and low mosfets nad still low res, then i removed all of the memory chips, and the resistance is still low, so did you had maybe a card with that low res on memories, and the card was working fine ?
                                          Removed the U1866Q and still without result, i dont have thermal cam so can't see where is hot spot when incjeting voltage.
                                          The resistance on core is ok 0.1Ohm ((Power 0.8V when on)
                                          Resistance on 12V 4K ohms (Power present when on)
                                          Resistance on 12V PEX 4K ohms...
                                          12-08-2023, 09:09 AM
                                        • Boardview and Schematic Bot
                                          ISL88739AHRZ ISL88739 Laptop Battery Charger Datasheet
                                          by Boardview and Schematic Bot
                                          The ISL88739 & ISL88739AHRZ are a highly versatile combo battery charger
                                          configurable for operating as either a Hybrid Power Boost (HPB)
                                          charger or a Narrow VDC (NVDC) charger, supporting 2-, 3-, or
                                          4-cell batteries. Both configurations allow the battery to work with
                                          the adapter together to supply the system load when it exceeds
                                          the adapter capability, referred to as system Turbo mode. HPB
                                          charger configuration reverse-boosts battery energy to the system
                                          bus to help the adapter provide the system power in Turbo mode.
                                          NVDC charger configuration...
                                          11-05-2024, 03:28 PM
                                        • flat-earther
                                          how to prevent a connected charger from draining battery when not charging?
                                          by flat-earther
                                          I have an RC radio handset(Taranis QX7) which doesn't have internal battery charger which means I had to remove the battery every time I needed to charge it.
                                          So to improve it, I added a 15W USB-C charger board(link) inside and soldered it to the same connector on the PCB where the battery plugs into, great, now I can simply charge it with a USB-C cable.

                                          but the problem I found is that after the radio sat for two weeks without being used the 2S 18650 battery that I'm using was at 4.2V!
                                          So the battery is backfeeding the charger and being drained.

                                          How can I prevent...
                                          08-07-2025, 01:04 PM
                                        • flat-earther
                                          ASUS X54H laptop thinks it's always charging even with charger unplugged
                                          by flat-earther
                                          The charging indicator light on my ASUS X54H laptop is always on even when the charger is disconnected.

                                          Windows also shows ''Plugged in'' when charger is not connected.

                                          This problem started year ago gradually, when unplugging the charger the charging light took several seconds to disappear, then minutes, and now almost always on even when unplugged for an entire day.
                                          Strangely, before sometimes immediately when plugging in the charger the charging light went away, and later came back with it connected.
                                          If I let battery run out and say it has 3% Windows will...
                                          06-24-2025, 09:32 AM
                                        • Loading...
                                        • No more items.
                                        Working...