Asus Rog GL703G/Battery Connector Short

Collapse
X
 
  • Time
  • Show
Clear All
new posts
  • GlassMonolith
    Senior Member
    • Mar 2024
    • 63
    • United States

    #41
    nickstyle I'm entirely unfamiliar with what alcohol would be used for in checking for a short, and I don't have a thermal cam, unfortunately.

    Did you read the beginning of the post on how and where the short occurred on the board?

    Comment

    • GlassMonolith
      Senior Member
      • Mar 2024
      • 63
      • United States

      #42
      mon2 Drain pin on PQ8902 is measuring a bit all over. One pin seems to want to measure out 8-10m, another wants to jump around from 26k to 200k. Sometimes I'm even getting 0.002m, so I'm unsure if that's just because of auto on the meter?

      Comment

      • mon2
        Badcaps Legend
        • Dec 2019
        • 14673
        • Canada

        #43
        The drain pins will be pins 5-6-7-8. Any of these pins can be used to mate with the drain cluster of pins. So one meter pin on say pin # 8 on this mosfet; other meter pin to ground.

        What is the resistance measurement?

        In auto mode, the meter may take a bit of time to sample the measurement but will eventually settle on a value. If you have readings in the k ohms or M ohms, both are ok and you do not have a short on the main power rail.

        On the alcohol - the stuff from Costco pharmacy works really well. We purchase their 4 pack (I believe it is) for well under $20. It is very pure and works well to locate parts that are heating up. It also helps to remove flux off the board when used with a Q-tip.

        To assist with hunting down parts that may heat up - pour some on suspects and power up. The alcohol will not harm the component but will evaporate quickly upon being heated. You are searching for parts that cause the alcohol to evaporate faster than the cooler parts on the part. It is a primitive yet effective method to locate parts that heat up. You can also consider a low cost thermal camera for your Android / iphone, etc. The more you pay, the better it usually gets on the resolution. There are military restrictions on the frame rates of these sensors and there are ZERO restrictions if you are in Taiwan. I think the USA / Canada restriction is to operate @ 9 hz or less.

        Comment

        • GlassMonolith
          Senior Member
          • Mar 2024
          • 63
          • United States

          #44
          mon2 Yeah, I'm definitely measuring the drain pins, they were just coming up with different numbers, strangely. I swapped to a different meter and they're still a bit unsettling, but mostly they ARE coming up with 20-30k measuring resistance to ground.

          Comment

          • mon2
            Badcaps Legend
            • Dec 2019
            • 14673
            • Canada

            #45
            Then you are ok here and the main power rail is not shorted. Next, need to review the charger ic to confirm it is being powered.

            Are your meter probes fine tipped enough to measure the contacts of the charger ic? Remove all power and then check if the probes are fine enough.

            If yes, carefully (!!!) measure each pin’s voltage to ground on the charger ic and share the list.

            While not every pin is of interest, need to know the voltage of the pin that drives these 2 mosfets (ACDRV). The ACOK pin. ACDET pin. Not at my desk but these are common labels on every charger ic.

            The charger ic is used to enable the dcin mosfets but the on/off button action is linked to another ic which is the EC controller. If the power button is working and EC is powered then charger ic will do its job.

            Comment

            • reformatt
              Badcaps Legend
              • Feb 2020
              • 1507
              • Australia

              #46
              I had something similar recently when a customer attempted to change their own battery. The BQ24780S was destroyed, along with the 3V/5V regulator and there was a dead short on the RAM as well. Usually I do a full coil check on any repair, but in this case I didn't. A few hours wasted by not doing the basics.

              I would highly suggest checking around each coil for shorts before investing too much time into it.

              Comment

              • GlassMonolith
                Senior Member
                • Mar 2024
                • 63
                • United States

                #47
                mon2 I have finer tips coming in tomorrow. I will update once I can use those. Can you show me what pins I'm measuring though? Do you need a photo?

                Comment

                • GlassMonolith
                  Senior Member
                  • Mar 2024
                  • 63
                  • United States

                  #48
                  reformatt I could check this asap, I'll just need it better explain to me what to test. I'm rather novice here.

                  Comment

                  • reformatt
                    Badcaps Legend
                    • Feb 2020
                    • 1507
                    • Australia

                    #49
                    Originally posted by GlassMonolith
                    reformatt I could check this asap, I'll just need it better explain to me what to test. I'm rather novice here.
                    Each large inductor/coil is for a power rail. Just measure each ones resistance to ground with no power. Any that are 0 ohms mainly. No point troubleshooting a board with a shorted CPU.

                    Comment

                    • GlassMonolith
                      Senior Member
                      • Mar 2024
                      • 63
                      • United States

                      #50
                      reformatt Unless I'm mistaken, I did that at the beginning of this thread.

                      Comment

                      • reformatt
                        Badcaps Legend
                        • Feb 2020
                        • 1507
                        • Australia

                        #51
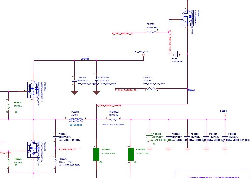
                        Yeh, you did. You have a coil near the battery measuring 0 ohms to ground (and I'm assuming you did this measurement without a battery connected). Don't have a boardview, but it seems logical that is PL8901 which is part of the charger output to the battery. If that is reading 0 ohms to ground, you should be getting the same reading at pin 1 of the battery connector as a confirmation.

                        Assuming this is the case, and +19V rail isn't shorted, the only place I can see a dead short occurring is the output capacitors themselves or PQL8901 (which is the lower half of the charger MOSFET pair, and to the right of PL8901. Just making educated guesses here, since I don't have a boardview.

                        Comment

                        • GlassMonolith
                          Senior Member
                          • Mar 2024
                          • 63
                          • United States

                          #52
                          reformatt Just to verify we're on the same page so I don't get lost;

                          I had a coil near the POWER cable connector measuring 0.0ohm, but then realized I was measuring wrong and then only had it measuring all over the place. Even now, the reading on it bounces all over between something like 21k-35m.

                          But battery pin 1 DOES only read at 0.0-0.1ohm (not k or m) to ground.

                          Comment

                          • reformatt
                            Badcaps Legend
                            • Feb 2020
                            • 1507
                            • Australia

                            #53
                            Not sure if there is any markings on the board that denote pin 1 of the battery connector. But pins 1,2,3 are positive, pins 6,7,8 are ground. Check either end to be sure; if both ends are shorted then you definitely have a short on the charger output. You can also verify by checking resistance to ground at the current sense resistor PR8902 (its the resistor marked R010 the left of the battery coil).

                            Need to establish where the short is first, before establishing what is going on with the charger IC. I'm assuming this is working in some fashion since you earlier stated you have your +19V present with adaptor plugged in.

                            Comment

                            • GlassMonolith
                              Senior Member
                              • Mar 2024
                              • 63
                              • United States

                              #54
                              reformatt

                              Going off of this previously posted image from mon2, the pin that I measured is pin1. Pin8 did have a reading, but I don't recall what it was. I can measure again when i get back home if needed.

                              That R010 resistor is exactly where I shorted the battery connector clip. Could that be the issue?

                              Comment

                              • reformatt
                                Badcaps Legend
                                • Feb 2020
                                • 1507
                                • Australia

                                #55
                                Pertinent section attached. PR8902 is a current sense resistor and is in series so check this to ground. As you are looking for a short to ground, likely suspects are any components that have a direct path there (like caps PC8925, PC8926 etc, or PQL8901). But shorts like the one you created usually damage silicon components, not passive ones. So PQL8901 would seem to be the most likely.
                                Attached Files

                                Comment

                                • nickstyle
                                  Member
                                  • Aug 2022
                                  • 42
                                  • United Kingdom

                                  #56
                                  You are going to far with this, you have to start with the basic steps, first look for shorted coils and thed step 2 voltages. After that you can go ahead but i don`t think you have the lnoledge to do that.
                                  You already checked the coils, now you need to check the voltages, and first spep is to check the dc power mosfets
                                  Attached Files

                                  Comment

                                  • GlassMonolith
                                    Senior Member
                                    • Mar 2024
                                    • 63
                                    • United States

                                    #57
                                    Originally posted by nickstyle
                                    You are going to far with this, you have to start with the basic steps, first look for shorted coils and thed step 2 voltages. After that you can go ahead but i don`t think you have the lnoledge to do that. You already checked the coils, now you need to check the voltages, and first spep is to check the dc power mosfets
                                    I do have three different people giving me 3 sets of directions to head in now, so there IS that. But those mosfets have already been measured for voltage in this thread. Upper mosfet measured 19v on the drain pins (5-6-7-8) and 0.01v on everything else, including the bottom mosfet.

                                    Comment

                                    • GlassMonolith
                                      Senior Member
                                      • Mar 2024
                                      • 63
                                      • United States

                                      #58
                                      reformatt I'm not very affluent in reading these diagrams. I'm garnering that PQL8901 is the lower of the two mosfets? What should I be measuring to ground? Both voltage and resistance have been measured already.

                                      Comment

                                      • reformatt
                                        Badcaps Legend
                                        • Feb 2020
                                        • 1507
                                        • Australia

                                        #59
                                        Originally posted by GlassMonolith
                                        reformatt I'm not very affluent in reading these diagrams. I'm garnering that PQL8901 is the lower of the two mosfets? What should I be measuring to ground? Both voltage and resistance have been measured already.
                                        Yes it's the lower one, PQL8901 is the component designator, which we would use to marry that up to its physical location on the board with a boardview (which to now I haven't located anywhere).

                                        As nickstyle alluded, it's becoming very difficult to track what has and hasn't been checked as the thread is quite long. So I'd start over. All resistance checks are without power, and no battery connected.

                                        1. Check main +19V rail for resistance to ground at the current sense resistor PRS8901. It will look similar to PRS8902 near the battery connector, and might be on the other side of the board. Should be marked R005 (5 miiliohm resistor).
                                        2. Check charger output resistance to ground at PRS8902 (R010 resistor).
                                        3. Assuming non-zero value at PRS8901, plug in power, confirm voltage at this resistor (previously reported as 0V).

                                        PU8900 is the charger IC. Schematic has SN2867RUYR, but ASUS boards are often fitted with a BQ24780S IC as that is a direct replacement. It controls the first two MOSFETS PQ8901/8902 which are disabled unless certain conditions are met (or the IC itself is defective). Most incidents like yours usually destroy that IC, but you need to locate the source of this short first.









                                        Comment

                                        • GlassMonolith
                                          Senior Member
                                          • Mar 2024
                                          • 63
                                          • United States

                                          #60
                                          reformatt Sorry, had some life stuff going on and had to vanish on this for a moment.

                                          Okay, so;

                                          1: Resistance to R005 = 6.0m ohm
                                          2: Resistance to R010 = 10.0m ohm
                                          3: DC Voltage to R010 = 0.31v

                                          Comment

                                          Related Topics

                                          Collapse

                                          Working...